2018년10월06日 1번
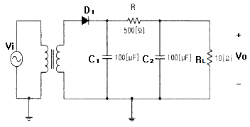
[디지털 전자회로] 다음 중 아래의 변형됭 π형 평활회로에서 맥동률에 대한 설명으로 옳은 것은?

- ① C1에 비례한다.
- ② RL에 반비례한다.
- ③ R에 비례한다.
- ④ 입출력전압이득에 반비례한다.
(정답률: 68%)
문제 해설
이전 문제
다음 문제
연도별
- 2023年03月21日
- 2023년03월21日
- 2021年10月02日
- 2021년10월02日
- 2020年09月26日
- 2020년09월26日
- 2020年06月27日
- 2020년06월27日
- 2020年05月24日
- 2020년05월24日
- 2019年10月12日
- 2019년10월12日
- 2019年06月29日
- 2019년06월29日
- 2019年03月09日
- 2019년03월09日
- 2018年10月06日
- 2018년10월06日
- 2018年04月28日
- 2018년04월28日
- 2018年03月04日
- 2018년03월04日
- 2017年09月23日
- 2017년09월23日
- 2017年05月07日
- 2017년05월07日
- 2017年03月05日
- 2017년03월05日
- 2016年10月01日
- 2016년10월01日
- 2016年05月08日
- 2016년05월08日
- 2016年03月05日
- 2016년03월05日
- 2015年10月04日
- 2015년10월04日
- 2015年06月06日
- 2015년06월06日
- 2015年03月07日
- 2015년03월07日
- 2014年10月04日
- 2014년10월04日
- 2014年05月31日
- 2014년05월31日
- 2014年03月09日
- 2014년03월09日
- 2013年10月12日
- 2013년10월12日
- 2013年06月09日
- 2013년06월09日
- 2013年03月17日
- 2013년03월17日
- 2012年10月06日
- 2012년10월06日
- 2012年06月03日
- 2012년06월03日
- 2012年03月11日
- 2012년03월11日
- 2011年09月25日
- 2011년09월25日
- 2011年05月29日
- 2011년05월29日
- 2011年03月13日
- 2011년03월13日
- 2010年10月10日
- 2010년10월10日
- 2010年05月02日
- 2010년05월02日
- 2010年03月14日
- 2010년03월14日
- 2010年02月21日
- 2010년02월21日
- 2009年07月26日
- 2009년07월26日
- 2009年05月10日
- 2009년05월10日
- 2009年03月01日
- 2009년03월01日
- 2008年09月07日
- 2008년09월07日
- 2008年05月11日
- 2008년05월11日
- 2008年03月02日
- 2008년03월02日
- 2007年09月02日
- 2007년09월02日
- 2007年05月13日
- 2007년05월13日
- 2007年03月04日
- 2007년03월04日
- 2006年09月10日
- 2006년09월10日
- 2006年05月14日
- 2006년05월14日
- 2006年03月05日
- 2006년03월05日
- 2005年09月04日
- 2005년09월04日
- 2005年05月29日
- 2005년05월29日
- 2005年03月20日
- 2005년03월20日
- 2005年03月06日
- 2005년03월06日
- 2004年09月05日
- 2004년09월05日
- 2004年05月23日
- 2004년05월23日
- 2004年03月07日
- 2004년03월07日
- 2003年08月31日
- 2003년08월31日
- 2003年05月25日
- 2003년05월25日
- 2003年03月16日
- 2003년03월16日
- 2002年09月08日
- 2002년09월08日
- 2002年05月26日
- 2002년05월26日
- 2002年03月10日
- 2002년03월10日
진행 상황
0 오답
0 정답
- 1
- 2
- 3
- 4
- 5
- 6
- 7
- 8
- 9
- 10
- 11
- 12
- 13
- 14
- 15
- 16
- 17
- 18
- 19
- 20
- 21
- 22
- 23
- 24
- 25
- 26
- 27
- 28
- 29
- 30
- 31
- 32
- 33
- 34
- 35
- 36
- 37
- 38
- 39
- 40
- 41
- 42
- 43
- 44
- 45
- 46
- 47
- 48
- 49
- 50
- 51
- 52
- 53
- 54
- 55
- 56
- 57
- 58
- 59
- 60
- 61
- 62
- 63
- 64
- 65
- 66
- 67
- 68
- 69
- 70
- 71
- 72
- 73
- 74
- 75
- 76
- 77
- 78
- 79
- 80
- 81
- 82
- 83
- 84
- 85
- 86
- 87
- 88
- 89
- 90
- 91
- 92
- 93
- 94
- 95
- 96
- 97
- 98
- 99
- 100
- 101
- 102
- 103
- 104
- 105
- 106
- 107
- 108
- 109
- 110
- 111
- 112
- 113
- 114
- 115
- 116
- 117
- 118
- 119
- 120
- 121
- 122
- 123
- 124
- 125
- 126
- 127
- 128
- 129
- 130
- 131
- 132
- 133
- 134
- 135
- 136
- 137
- 138
- 139
- 140
- 141
- 142
- 143
- 144
- 145
- 146
- 147
- 148
- 149
- 150
- 151
- 152
- 153
- 154
- 155
- 156
- 157
- 158
- 159
- 160