전기기사 (2003년08월10일 기출문제)
1과목 : 전기자기학
1번
영구자석의 재료로 적당한 것은?
2번
액체 유전체를 포함한 콘덴서 용량이 C[F]인 것에 V[V]의 전압을 가했을 경우에 흐르는 누설전류는 몇 A 인가? (단, 유전체의 유전률은 ε, 고유저항은 ρ[Ω.m]이다.)
3번
W1과 W2의 에너지를 갖는 두 콘덴서를 병렬 연결한 경우의 총 에너지 W와의 관계로 옳은 것은? (단, W1≠W2 이다.)
4번
대지의 고유저항이 ρ[Ωㆍm]일 때 반지름 a[m]인 반구형 접지전극의 접지저항은 몇 Ω 인가?
5번
z방향으로 진행하는 평면파로 맞지 않는 것은?
6번
폐곡면으로부터 나오는 유전속(dielectric flux)의 수가 N일 때 폐곡면내의 전하량은 얼마인가?
7번
100회 감은 코일과 쇄교하는 자속이 1/10 초 동안에 0.5Wb에서 0.3Wb로 감소했다. 이 때 유기되는 기전력은 몇 V인가?
8번
div E =
와 의미가 같은 식은? (단, E :전계, ρ:전하밀도, ε0 :진공의 유전률이다.)
와 의미가 같은 식은? (단, E :전계, ρ:전하밀도, ε0 :진공의 유전률이다.)
9번
유전률 ε인 유전체를 넣은 무한장 동축 케이블의 중심 도체에 q[C/m]의 전하를 줄 때 중심축에서 r[m](내외반지름의 중간점)의 전속밀도는 몇 C/m2 인가?
10번
무한히 넓은 도체 평면판에 면밀도 σ[C/m2]의 전하가 분포되어 있는 경우 전력선은 면(面)에 수직으로 나와 평행하게 발산한다. 이 평면의 전계의 세기는 몇 V/m인가?
11번
평행 도선에 같은 크기의 왕복전류가 흐를 때 두 도선 사이에 작용하는 힘과 관계되는 것 중 옳은 것은?
12번
정전유도에 의해서 고립도체에 유기되는 전하는?
13번
반지름이 각각 r1[m], r2[m]이고 전위차가 V[V]인 동심 도체구가 있을 때 내구 표면의 전장의 세기의 최소치는 몇 V/m 인가?
14번
전위함수에서 라플라스방정식을 만족하지 않는 것은?
15번
단면적 S, 길이 ℓ , 투자율 μ인 자성체의 자기회로에 권선을 N회 감아서 I의 전류를 흐르게 할 때 자속은?
16번
N회의 권선에 최대값 1V, 주파수 f[Hz]인 기전력을 유기 시키기 위한 쇄교자속의 최대값은 몇 Wb 인가?
17번
반지름 a, b인 두 구상 도체 전극이 도전률 K인 매질속에 중심거리 r만큼 떨어져 놓여 있다. 양 전극간의 저항은? (단, r≫a, b 이다.)
18번
진공 중에 있어서의 전자파의 속도(단위: m/s)가 아닌것은?
19번
단면적 s[m2], 단위 길이에 대한 권수가 n[회/m]인 무한히 긴 솔레노이드의 단위 길이당의 자기인덕턴스는 몇 H/m 인가?
20번
공극을 가진 환상솔레노이드에서 총 권수 N회, 철심의 투자율 μ[H/m], 단면적 S[m2], 길이 ℓ [m]이고 공극의 길이가 δ[m]일 때 공극부에 자속밀도 B[Wb/m2]을 얻기 위해서는 몇 A 의 전류를 흘려야 하는가?
2과목 : 전력공학
21번
송전계통의 한 부분이 그림에서와 같이 Y-Y로 3상 변압기가 결선되고 1차측은 비접지로 2차측은 접지로 되어 있을 경우 영상전류는?

22번
옥내배선에 사용하는 전선의 굵기를 결정하는데 고려하지 않아도 되는 것은?
23번
직렬축전기를 선로에 삽입할 때의 이점이 아닌 것은?
24번
A, B 및 C상 전류를 각각 I a , Ib 및 Ic라 할 때
으로 표시되는 Ix 는 어떤 전류인가?
으로 표시되는 Ix 는 어떤 전류인가?
25번
배전용 변전소의 주변압기로 주로 사용되는 것은?
26번
배전방식에서 루프계통에 대한 설명으로 옳은 것은?
27번
배전계통에서 전력용 콘덴서를 설치하는 목적으로 다음중 가장 타당한 것은?
28번
직류 송전방식에 대한 설명으로 틀린 것은?
29번
발전 전력량 E[kWh], 연료 소비량 W[kg], 연료의 발열량 C[kcal/kg]인 화력발전소의 열효율 η[%]는?
30번
"전선의 단위길이내에서 연간에 손실되는 전력량에 대한 전기요금과 단위길이의 전선값에 대한 금리, 감가상각비 등의 년간 경비의 합계가 같게 되는 전선 단면적이 가장 경제적인 전선의 단면적이다." 이것은 누구의 법칙인가?
31번
개폐 서지 이상전압의 발생을 억제 할 목적으로 설치하는 것은?
32번
인터록(interlock)에 대한 설명이 맞는 것은?
33번
500kVA의 단상변압기 3대를 사용해서 △결선에 의하여 급전하고 있는 경우 1대의 변압기가 고장나 이것을 제거시키고 V결선으로 운전할 때, 이 때의 부하가 1000kVA라면 나머지 2대의 변압기는 약 몇 % 의 과부하가 되는가?
34번
그림과 같은 회로에서 송전단의 전압 및 역률 E1, cosθ1, 수전단의 전압 및 역률 E2, cosθ2일 때 전류 I는?

35번
전력손실이 없는 송전선로에서 서지파(진행파)가 진행하는 속도는 어떻게 표시되는가? (단, L: 단위선로 길이당 인덕턴스, C: 단위선로 길이당 커패시턴스이다.)
36번
송전선로의 중성점을 접지시키는 목적은?
37번
6.6㎸, 60Hz, 3상3선식 비접지식에서 선로의 길이가 10km이고 1선의 대지정전용량이 0.005㎌/km일 때 1선 지락시의 고장전류 Ig[A]의 범위로 옳은 것은?
38번
펠톤(Pelton)수차에 있어서 노즐로부터의 분출수의 속도를 v1, 버켓(bucket)의 주변속도를 u 라 할 때 이론상 수차의 효율이 최대로 되는 경우는?
39번
그림과 같은 계통에서 송전선의 S점에 3상 단락고장이 발생하였다면 고장전력은 약 몇 MVA 인가? (단, 발전기 G1, G2의 %과도리액턴스 및 변압기의 %리액턴스는 각각 자기용량기준으로 25%, 25%, 10%이고 변압기에서 S점까지의 %리액턴스는 100MVA기준으로 5%라고 한다.)

40번
원자로의 냉각재가 갖추어야 할 조건으로 틀린 것은?
3과목 : 전기기기
41번
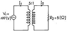
그림과 같은 변압기에서 1차 전류는 얼마인가?

42번
일정한 전압으로 운전되고 있는 직류 발전기의 손실이 a +bI2으로 표시될 때 최대 효율이 되는 전류를 나타내는 것은? (단, a,b는 정수이다.)
43번
기중차단기와 배선용 차단기의 보호협조시에 단락, 과전류 보호방식이 아닌 것은?
44번
변압기의 규약 효율 산출에 필요한 기본요건이 아닌 것은?
45번
동기 발전기에서 앞선 전류가 흐를 때 어떤 작용을 하는 가?
46번
발전기의 단자부근에서 단락이 일어났다고 하면 단락전류는?
47번
유도전동기에서 2차전류 /2를 1차측으로 환산한 /2'는? (단, α 는 권수비, β 는 상수비이다.)
48번
직류분권 발전기의 극수 8, 전기자 총도체수 600으로 매분 800회전할 때 유도기전력이 110[V]라 한다. 전기자 권선이 중권일 때 매극의 자속수[Wb]는?
49번
역률100 % 일 때의 전압변동률 ε 은 어떻게 표시되는가?
50번
3상 동기발전기에 유기기전력 보다 90° 뒤진 전기자 전류가 흐를 때 전기자 반작용은?
51번
6극, 단중파권, 전기자 도체수 250 의 직류 발전기가 1200[rpm]으로 회전할 때 유기기전력이 600[V]이면, 매극당 자속은?
52번
변압기에서 콘서베이터의 용도는?
53번
유도 전동기에 게르게스(Gorges)현상이 생기는 슬립은 대략 얼마인가?
54번
3상 유도전압 조정기의 동작원리는?
55번
100[kW], 230[V] 자여자식 분권 발전기에서 전기자 회로저항이 0.05[Ω]이고 계자 회로저항이 57.5[Ω]이다. 이 발전기가 정격전압 전부하에서 운전할 때 유기전압을 계산하면?
56번
동기조상기의 여자전류를 줄이면?
57번
3상 유도 전동기에서 제 5고조파에 의한 기자력의 회전방향 및 속도가 기본파 회전자계에 대한 관계는?
58번
어떤 정류회로의 부하전압이 200[V]이고 맥동률 4[%]이면 교류분은 몇 [V] 포함되어 있는가?
59번
다음중 서보모터가 갖추어야 할 조건이 아닌 것은?
60번
다음은 다이리스터의 래칭(latching)전류에 관한 설명이다. 옳은 것은?
4과목 : 회로이론 및 제어공학
61번
논리식 A+AB를 간단히 계산한 결과는?
62번
대칭 좌표법에서 불평형율을 나타내는 것은?
63번
그림과 같은 극좌표 선도를 갖는 계통의 전달함수는?

64번
그림과 같은 회로에서 2[Ω ]의 단자 전압[V]은?

65번
동작중 속응도와 정상 편차에서 최적 제어가 되는 것은?
66번
어떤 부하에 V=80+j60[V]의 전압을 가하여 I=4+j2[A]의 전류가 흘렀을 경우, 이 부하의 역률과 무효율은?
67번
어떤 4단자망의 입력단자 1-1'사이의 영상 임피던스 Z01과 출력단자 2-2'사이의 영상 임피던스 Z02가 같게 되려면 4단자 정수 사이에 어떠한 관계가 있어야 하는가?
68번
그림과 같은 회로에서 스위치 S 를 t=0 에서 닫을 때 t=0 에서의 전류 i(o) [A]는? (단, Vc(0)는 C의 초기전압이며 20[V]이다.)

69번
다음은 s-평면에 극점(x)과 영점(o)을 도시한 것이다. 나이퀴스트 안정도 판별법으로 안정도를 알아내기 위하여 Z, P의 값을 알아야 한다. 이를 바르게 나타낸 것은?

70번
무한장 무손실 전송선로에서 어느 지점의 전압이 10[V]이었다. 이 선로의 인덕턴스가 4[μH/m]이고, 캐패시턴스가 0.01[μF/m]일 때, 이 지점에서의 전류는 몇 [A]인가?
71번
어떤 정현파 전압의 평균값이 191[V]이면 최대값[V]은?
72번
다음의 상태방정식의 설명 중 옳은 것은?

73번
전달함수가 G(s)H(s)=
인 K≥ 0의 근궤적에서 분지점은?
인 K≥ 0의 근궤적에서 분지점은?
74번
전원의 내부임피던스가 순저항 R과 리액턴스 X로 구성되고 외부에 부하저항 RL을 연결하여 최대전력을 전달하려면 RL의 값은?

75번
R=50[Ω], L=200[mH]의 직렬회로에 주파수 50[Hz]의 교류 전원에 대한 역률[%]은?
76번
주파수를 제어하고자 하는 경우 이는 어느 제어에 속하는 가?
77번
계단함수 us(t)에 상수 5를 곱해서 라플라스 변환식을 구하면?
78번
라플라스 변환함수 F(s)=
에 대한 역변환 함수 f(t)는?
에 대한 역변환 함수 f(t)는?
79번
개루프 전달함수 G(s)H(s)=
의 근궤적이 jω 축과 교차하는 점은?
의 근궤적이 jω 축과 교차하는 점은?
80번
다음의 상태방정식으로 표시되는 제어계가 있다. 이 방정식의 값은 어떻게 되는가? (단, X(0)는 초기상태 벡터이다.)

5과목 : 전기설비기술기준 및 판단기준
81번
전로를 대지로부터 반드시 절연하여야 하는 것은?
82번
옥외 백열전등의 인하선으로 지표상의 높이 몇 m 미만의 부분은 전선에 지름 1.6mm의 연동선과 동등이상의 세기 및 굵기의 절연전선을 사용하여야 하는가?
83번
용량이 몇 kVA 이상인 조상기에는 그 내부에 고장이 생긴 경우에 자동적으로 이를 전로로부터 차단하는 장치를 하여야 하는가?
84번
사용전압이 25000V를 넘고 60000V이하인 특별고압 가공 전선로에서 전화선로의 길이 12km마다의 유도전류는 몇 μA를 넘지 아니하도록 하여야 하는가?
85번
직류귀선은 귀선용 궤조와 궤조간 및 궤조의 바깥쪽 몇 cm 이내에 시설하는 부분 이외에는 대지로부터 절연하여야 하는가?
86번
저압 가공전선로의 지지물에 시설하는 통신선 또는 이에 직접 접속하는 가공통신선을 횡단보도교의 위에 시설하는 경우에는 노면상 몇 m 이상의 높이로 시설하면 되는가? (단, 통신선은 절연전선과 동등 이상의 절연효력이 있는 것이라고 한다.)
87번
고압 가공전선을 시가지외에 시설할 때, 전선으로 사용되는 경동선의 최소 굵기는 몇 mm 인가?
88번
고압 지중케이블로서 직접 매설식에 의하여 견고한 트라프 기타 방호물에 넣지 않고 시설할 수 있는 케이블은? (단, "보기"항의 케이블은 개장(改裝)하지 않은 것임)
89번
사용전압이 220V인 경우의 애자사용공사에서 전선과 조영재사이의 이격거리는 몇 cm 이상인가?
90번
고압 가공전선로의 전선으로 사용한 경동선은 안전률이 얼마 이상인 이도로 시설하여야 하는가?
91번
수소냉각식 발전기의 시설기준을 잘못 설명한 것은?
92번
최대사용전압이 7000V인 회전기의 절연내력시험은 몇 V의 시험전압을 권선과 대지간에 가하여 10분간 견디어야 하는가?
93번
345kV 가공전선이 154kV 가공전선과 교차하는 경우 이들 양 전선 상호간의 이격거리는 몇 m 이상인가?
94번
사용전압 22.9kV인 가공전선로의 중성선 다중접지식에 사용되는 접지선의 굵기는 지름 몇 mm 의 연동선 또는 이와 동등이상의 굵기로서 고장전류를 안전하게 통할 수 있는 것이어야 하는가? (단, 전로에 지기가 생긴 경우 2초안에 전로로부터 자동 차단하는 장치를 하였다.)(오류 신고가 접수된 문제입니다. 반드시 정답과 해설을 확인하시기 바랍니다.)
95번
전자개폐기의 조작회로 또는 초인벨, 경보벨 등에 접속하는 전로로서 최대사용전압이 60V 이하인 것으로 대지 전압이 몇 V 이하인 강전류 전기의 전송에 사용하는 전로와 변압기로 결합되는 것을 소세력회로라 하는가?
96번
"제2차 접근상태"라 함은 가공전선이 다른 시설물과 접근하는 경우에 그 가공전선이 다른 시설물의 위쪽 또는 옆측에서 수평거리로 몇 m 미만인 곳에 시설되는 상태를 말하는가?
97번
가공전선로에 사용하는 지지물의 강도 계산에 적용하는 병종풍압하중은 갑종풍압하중의 몇 % 를 기초로 하여 계산한 것인가?
98번
저압 옥내배선공사를 할 때 반드시 절연전선이 아니라도 상관없는 공사는?
99번
교통신호등의 제어장치의 금속제 외함에는 몇 종 접지공사를 하여야 하는가?(관련 규정 개정전 문제로 여기서는 기존 정답인 3번을 누르면 정답 처리됩니다. 자세한 내용은 해설을 참고하세요.)
100번
전력계통의 운용에 관한 지시를 하는 곳은?
연도별
- 2022년04월24일
- 2022년03월05일
- 2021년08월14일
- 2021년05월15일
- 2021년03월07일
- 2020년09월26일
- 2020년08월22일
- 2020년06월06일
- 2019년08월04일
- 2019년04월27일
- 2019년03월03일
- 2018년08월19일
- 2018년04월28일
- 2018년03월04일
- 2017년08월26일
- 2017년05월07일
- 2017년03월05일
- 2016년08월21일
- 2016년05월08일
- 2016년03월06일
- 2015년08월16일
- 2015년05월31일
- 2015년03월08일
- 2014년08월17일
- 2014년05월25일
- 2014년03월02일
- 2013년08월18일
- 2013년06월02일
- 2013년03월10일
- 2012년08월26일
- 2012년05월20일
- 2012년03월04일
- 2011년08월21일
- 2011년06월12일
- 2011년03월20일
- 2010년07월25일
- 2010년05월09일
- 2010년03월07일
- 2009년07월26일
- 2009년05월10일
- 2009년03월01일
- 2008년07월27일
- 2008년05월11일
- 2008년03월02일
- 2007년08월05일
- 2007년05월13일
- 2007년03월04일
- 2006년08월06일
- 2006년05월14일
- 2006년03월05일
- 2005년08월07일
- 2005년05월29일
- 2005년03월06일
- 2004년08월08일
- 2004년05월23일
- 2004년03월07일
- 2003년08월10일
- 2003년05월25일
- 2003년03월16일