전기기사 (2004년03월07일 기출문제)
1과목 : 전기자기학
1번
자계분포 H =xy j -xz k [A/m]를 발생시키는 점(1,1,1)[m] 에서의 전류밀도는 몇 A/m2 인가?
2번
임의의 단면을 가진 2개의 원주상의 무한히 긴 평행도체가 있다. 지금 도체의 도전률을 무한대라고 하면 C, L, ε 및 μ사이의 관계는? (단, C는 두 도체간의 단위길이당 정전용량, L은 두 도체를 한개의 왕복회로로 한 경우의 단위길이당 자기인덕턴스, ε은 두 도체사이에 있는 매질의 유전률, μ는 두 도체사이에 있는 매질의 투자율이다.)
3번
패러데이 관(Faraday 管)에 대한 설명 중 틀린 것은?
4번
전류가 흐르는 도선을 자계안에 놓으면, 이 도선에 힘이 작용한다. 평등자계의 진공 중에 놓여 있는 직선 전류 도선이 받는 힘에 대하여 옳은 것은?
5번
비투자율이 500인 철심을 이용한 환상 솔레노이드에서 철심속의 자계의 세기가 200A/m일 때 철심속의 자속밀도 B[T]와 자화율 X[H/m]는 약 얼마인가?
6번
Ωㆍsec와 같은 단위는?
7번
환상 철심에 권수 NA인 A코일과 권수 NB인 B코일이 있을 때 코일 A의 자기인덕턴스가 LA[H]라면 두 코일간의 상호인덕턴스는 몇 H 인가? (단, A코일과 B코일간의 누설자속은 없는 것으로 한다.)
8번
정전용량이 1μF인 공기콘덴서가 있다. 이 콘덴서 판간의 1/2 인 두께를 갖고 비유전률 εr=2인 유전체를 그 콘덴서의 한 전극면에 접촉하여 넣었을 때 전체의 정전용량은 몇 μF 가 되는가?(오류 신고가 접수된 문제입니다. 반드시 정답과 해설을 확인하시기 바랍니다.)

9번
매질 1 이 나일론 (비유전율 εs = 4)이고, 매질 2가 진공일 때 전속밀도 D가 경계면에서 각각 θ1, θ2 의 각을 이룰 때 θ2=30° 라 하면 θ1의 값은?(문제 오류로 실제 시험에서는 전항 정답 처리 된 문제입니다. 여기서는 가답안인 2번을 누르면 정답 처리 됩니다.)

10번
자속밀도가 0.3Wb/m2인 평등자계내에 5A의 전류가 흐르고 있는 길이 2m인 직선도체를 자계의 방향에 대하여 60도의 각도로 놓았을 때 이 도체가 받는 힘은 약 몇 N 인가?
11번
정전계내에 있는 도체 표면에서의 전계의 방향은 어떻게 되는가?
12번
무한장 솔레노이드에 전류가 흐를 때 발생되는 자장에 관한 설명 중 옳은 것은?
13번
다음 중 옳은 것은?
14번
한변의 저항이 Ro 인 그림과 같은 무한히 긴 회로에서 AB간의 합성저항은 어떻게 되는가?

15번
전력용 유입 커패시터가 있다. 유(기름)의 비유전률이 2 이고 인가된 전계 E =200sinωt ax[V/m]일 때 커패시터 내부에서의 변위 전류밀도는 몇 A/m2 인가?
16번
액체 유전체를 포함한 콘덴서 용량이 C[F]인 것에 V[V]의 전압을 가했을 경우에 흐르는 누설전류는 몇 A 인가? (단, 유전체의 비유전률은 εs이며, 고유저항은 ρ[Ω.m]라 한다.)
17번
균일한 자속 밀도 B 중에 자기 모멘트 m 의 자석(관성 모멘트 I)이 있다. 이 자석을 미소 진동 시켰을 때의 주기는 얼마인가?
18번
미분방정식 형태로 나타낸 멕스웰의 전자계 기초 방정식은?
19번
30V/m의 전계내 50V 되는 점에서 1C 의 전하를 전계 방향으로 70㎝ 이동한 경우, 그 점의 전위는 몇 V 인가?
20번
유전율이 다른 두 유전체의 경계면에 작용하는 힘은? (단, 유전체의 경계면과 전계방향은 수직이다.)
2과목 : 전력공학
21번
3본의 송전선에 동상의 전류가 흘렀을 경우 이 전류를 무슨 전류라 하는가?
22번
부하역률이 cosθ인 경우의 배전선로의 전력손실은 같은 크기의 부하전력으로 역률이 1 인 경우의 전력손실에 비하여 몇 배인가?
23번
케이블을 부설한 후 현장에서 절연내력시험을 할 때 직류를 사용하는 이유로 가장 적당한 것은?
24번
직접접지방식이 초고압 송전선에 채용되는 이유 중 가장 적당한 것은?
25번
정전압 송전방식에서 전력원선도를 그리려면 무엇이 주어져야 하는가?
26번
피뢰기의 제한전압이 728kV이고 변압기의 기준충격절연 강도가 1040kV 라고 하면 보호 여유도는 약 몇 % 정도 되는가?
27번
가스터빈 발전의 장점은?
28번
포오밍(foaming)의 원인은?
29번
단상 교류회로에 3150/210V의 승압기를 60kW, 역률 0.8인 부하에 접속하여 전압을 상승시키는 경우에 몇 kVA 의 승압기를 사용해야 적당한가? (단, 전원전압은 2900V 이다.)
30번
주상변압기의 2차측 접지공사는 어느 것에 의한 보호를 목적으로 하는가?

31번
동일한 조건하에서 3상 4선식 배전선로의 총 소요전선량은 3상 3선식의 것에 비해 몇 배정도로 되는가? (단, 중성선의 굵기는 전력선의 굵기와 같다고 한다.) 가.
32번
그림과 같은 회로에서 4단자 정수 A , B , C , D 는? (단, Es, Is는 송전단 전압, 전류이고, ER, IR는 수전단전압, 전류, Y는 병렬 어드미턴스이다.)

33번
송배전 선로에서 도체의 굵기는 같게 하고 경간을 크게 하면 도체의 인덕턴스는?(오류 신고가 접수된 문제입니다. 반드시 정답과 해설을 확인하시기 바랍니다.)
34번
저압 뱅킹방식의 장점이 아닌 것은?
35번
특유속도가 큰 수차일수록 발생되는 현상으로 옳은 것은?
36번
가공송전선로를 가선할 때에는 하중조건과 온도조건을 고려하여 적당한 이도(dip)를 주도록 하여야 한다. 다음 중 이도에 대한 설명으로 옳은 것은?
37번
설비 A가 150kW, B가 350kW, 수용률이 각각 0.6 및 0.7일 때 합성최대전력이 279kW이면 부등률은?
38번
변전소에서 비접지 선로의 접지보호용으로 사용되는 계전기에 영상전류를 공급하는 것은?
39번
어떤 선로의 양단에 같은 용량의 소호리액터를 설치한 3상 1회선 송전선로에서 전원측으로부터 선로길이의 1/4 지점에 1선지락고장이 발생했다면 영상전류의 분포는 대략 어떠한가?
40번
초고압용 차단기에서 개폐저항기를 사용하는 이유는?
3과목 : 전기기기
41번
극수 8, 중권직류기의 전기자 총 도체수 960, 매극 자속 0.04[wb], 회전수 400[rpm]이라면 유기 기전력은 몇[V]인가 ?
42번
다음은 IGBT에 관한 설명이다. 잘못된 것은?
43번
어떠한 변압기에서 무유도 전부하의 효율은 97.0[%], 그 전압변동율은 2.0[%]라 한다. 그 최대효율[%]은?
44번
브러시를 중성축에서 이동시키는 것은?
45번
3상 4극 220[V]인 유도 전동기의 권선이 2병렬 델타(△× 2)결선으로 되어 있다. 결선을 고쳐 3상 380[V]로 사용하려면 다음중 옳은 것은?
46번
50[Hz], 슬립 0.2 인 경우의 회전자 속도가 600[rpm]인 3상 유도전동기의 극수는?
47번
변압기의 전압 변동율에 대한 설명 중 잘못된 것은?
48번
동기 와트로 표시되는 것은?
49번
정격전압이 같은 A,B 두대의 단상변압기를 병렬로 접속하여 360[KVA]의 부하를 접속하였다. A변압기는 용량 100[KVA], 퍼센트 임피던스 5[%], B변압기는 300[KVA], 퍼센트임피던스 3[%]이다. B변압기의 분담부하는 몇[KVA]인가? (단, 변압기의 저항과 리액턴스의 비는 모두 같다.)
50번
동기전동기의 제동권선의 효과는?
51번
유도 전동기의 슬립(slip) S 의 범위는?
52번
정전압 계통에 접속된 동기발전기는 그 여자를 약하게 하면?
53번
2회전자계설에 의하여 단상 유도전동기의 가상적 2개의 회전자중 정방향에 회전하는 회전자 슬립이 S 이면 역방향에 회전하는 가상적 회전자의 슬립은 어떻게 표시되는 가?
54번
2상 서어보 모타를 구동하는데 필요한 2상 전압을 얻는 방법으로 널리 쓰이는 방법은?
55번
권수비 70인 단상변압기의 전부하 2차전압 200[V], 전압 변동률 4[%]일 때 무부하시 1차 단자전압은?
56번
제어 정류기의 역률제어 방법중 대칭각 제어기법의 내용이 아닌 것은?
57번
3상 교류 동기 발전기를 정격 속도로 운전하고 무부하 정격전압을 유기하는 계자전류를 i1, 3상 단락에 의하여 정격전류 I를 유기하는 계자전류를 i2라 할때 단락비는?
58번
동기 전동기의 진상전류는 어떤 작용을 하는가?
59번
직류기의 전기자에 사용되는 권선법은 ?
60번
출력 4 [KW] 1400[rpm]인 전동기의 토크는 얼마인가?
4과목 : 회로이론 및 제어공학
61번
가 3상 전압일때 역상전압은? (단,
)
가 3상 전압일때 역상전압은? (단,
)
62번
무손실 선로에 있어서 감쇠정수 α , 위상정수를 β 라 하면 α 와 β 의 값은? (단, R, G, L, C 는 선로 단위 길이당의 저항, 콘덕턴스, 인덕턴스, 커패시턴스이다.)
63번
라고 하면 이 사이의 전력은 몇[W]인가?
라고 하면 이 사이의 전력은 몇[W]인가?
64번
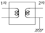
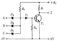
그림의 게이트(gate)명칭은 어떻게 되는가?

65번
특성방정식이 S3 + 2S2 + Ks +10 = 0로 주어지는 제어계가 안정하기 위한 K의 값은?
66번
다음과 같은 블록선도에서 등가 합성 전달함수 C/R 는?

67번
2차 시스템의 감쇠율(damping ratio) δ 가 δ <1 이면 어떤 경우인가?
68번
f(t)=e-2tcos3t의 라플라스 변환은?
69번
Z = 8+j6[Ω]인 평형 Y부하에 선간전압 200[V]인 대칭 3상 전압을 인가할 때 선전류 [A]는?
70번
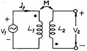
그림과 같은 회로에서 i1=Im sin ωt[A]일때 개방된 2차 단자에 나타나는 유기 기전력 V2 는 얼마인가?

71번
로 표현되는 시스템의 상태 천이행렬(state-transition matrix)ф(t)를 구하시오.
로 표현되는 시스템의 상태 천이행렬(state-transition matrix)ф(t)를 구하시오.
72번
개루프 전달함수G(S)H(S)=
, K>0일 때 점근선의 실수축과의 교차점은?
, K>0일 때 점근선의 실수축과의 교차점은?
73번
과도응답의 소멸되는 정도를 나타내는 감쇠비(decay ratio)는?
74번
잔류편차(OFF SET)을 일으키는 제어는?
75번
특성방정식이 S3 + S2 + S = 0일 때 이 계통은?
76번
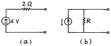
그림 (a)를 그림 (b)와 같은 등가 전류원으로 변환할 때 I[A] 와 R[Ω] 은?

77번
R-L-C 직렬회로에서 직류전압 인가시
일때의 상태는?
일때의 상태는?
78번
신호 흐름 선도를 단순화 하면?

79번
4단자정수가 각각
일때, 전달정수
는 얼마인가?
일때, 전달정수
는 얼마인가?
80번
이산 시스템(discrete data system)에서의 안정도 해석에 대한 아래의 설명 중 맞는 것은?
5과목 : 전기설비기술기준 및 판단기준
81번
옥내에 시설하는 관등회로의 사용전압이 1000V를 넘는 방전등공사에 사용되는 네온변압기의 외함에는 몇 종 접지공사를 하여야 하는가?
82번
사용전압 400V 미만의 이동전선으로 목욕탕에 시설하여 사용되는 것은?
83번
가반형의 용접전극을 사용하는 아크용접장치의 용접변압기의 1차측 전로의 대지전압은 몇 V 이하이어야 하는가?
84번
저압의 옥측 배선을 시설 장소에 따라 시공할 때 적절하지 못한 것은?
85번
변압기에 의하여 특별고압 전로에 결합되는 고압전로에 방전하는 장치를 그 변압기의 단자에 가까운 1극에 설치 하였다고 할 때, 이 방전장치의 접지저항은 몇 옴 이하로 유지하여야 하는가?
86번
저압 옥내배선은 일반적인 경우, 지름 몇 mm 이상의 연동선이거나 이와 동등 이상의 세기 및 굵기의 것을 사용하여야 하는가?(관련 규정 개정전 문제로 여기서는 기존 정답인 1번을 누르면 정답 처리됩니다. 자세한 내용은 해설을 참고하세요.)
87번
시가지의 도로상에 시설하는 가공 직류 전차선로의 구분 개폐기는 몇 km 이하마다 시설하여야 하는가?
88번
전력보안 통신설비인 무선용 안테나 등을 지지하는 철주, 철근콘크리트주 또는 철탑의 기초의 안전율은 얼마 이상이어야 하는가?
89번
400V 미만의 저압 옥내배선을 할 때 점검할 수 없는 은폐 장소에 할 수 없는 배선공사는?
90번
특별고압 지중전선이 가연성이나 유독성의 유체를 내포 하는 관과 접근하기 때문에 상호간에 견고한 내화성의 격벽을 시설하였다. 상호간의 이격거리가 몇 m 이하인 경우인가?
91번
고압 인입선을 다음과 같이 시설하였다. 시설기준에 맞지 않는 것은?
92번
특별고압 전선로에 사용되는 애자장치에 대한 갑종 풍압 하중은 그 구성재의 수직투영면적 1m2에 대한 풍압하중을 몇 kgf 를 기초로 하여 계산한 것인가?(관련 규정 개정전 문제로 여기서는 기존 정답인 4번을 누르면 정답 처리됩니다. 자세한 내용은 해설을 참고하세요.)
93번
사용전압이 22900V인 특별고압 가공전선이 건조물 등과 접근상태로 시설되는 경우 지지물로 A종 철근콘크리트주를 사용하면 그 경간은 몇 m 이하이어야 하는가? (단, 중성선 다중접지식으로 전로에 지기가 생겼을 때에 2초이내에 자동적으로 이를 전로로부터 차단하는 장치가 되어있다고 한다.)
94번
변전소 또는 이에 준하는 곳에 사용되는 특별고압용 변압기의 계측장치로 반드시 시설하여야 하는 것은?
95번
터널내의 전선로의 시설방법으로 옳지 않은 것은?
96번
옥내에 시설하는 전동기에는 과부하 보호장치를 시설하여야 하는데, 단상전동기인 경우에 전원측 전로에 시설하는 과전류차단기의 정격전류가 몇 A 이하이면 과부하 보호장치를 시설하지 않아도 되는가?
97번
사용전압 154000V의 가공전선을 시가지에 시설하는 경우 전선의 지표상의 높이는 최소 몇 m 이상이어야 하는가?
98번
저압용의 개별 기계기구에 전기를 공급하는 전로 또는 개별 기계기구에 전기용품안전관리법의 적용을 받는 인체 감전보호용 누전차단기를 시설하면 외함의 접지를 생략할 수 있다. 이 경우의 누전차단기의 정격이 기술 기준에 적합한 것은?
99번
특별고압 전로와 비접지식 저압 전로를 결합하는 변압기로서 그 특별고압 권선과 저압 권선간에 금속제의 혼촉방지판이 있고 또한 그 혼촉방지판에 제2종 접지공사를 한 것에 접속하는 저압전선을 옥외에 시설할 때의 시설방법으로 옳지 않은 것은?
100번
고압 및 특별고압의 전로에 절연내력시험을 하는 경우 시험전압을 연속하여 몇 분 동안 가하는가?
연도별
- 2022년04월24일
- 2022년03월05일
- 2021년08월14일
- 2021년05월15일
- 2021년03월07일
- 2020년09월26일
- 2020년08월22일
- 2020년06월06일
- 2019년08월04일
- 2019년04월27일
- 2019년03월03일
- 2018년08월19일
- 2018년04월28일
- 2018년03월04일
- 2017년08월26일
- 2017년05월07일
- 2017년03월05일
- 2016년08월21일
- 2016년05월08일
- 2016년03월06일
- 2015년08월16일
- 2015년05월31일
- 2015년03월08일
- 2014년08월17일
- 2014년05월25일
- 2014년03월02일
- 2013년08월18일
- 2013년06월02일
- 2013년03월10일
- 2012년08월26일
- 2012년05월20일
- 2012년03월04일
- 2011년08월21일
- 2011년06월12일
- 2011년03월20일
- 2010년07월25일
- 2010년05월09일
- 2010년03월07일
- 2009년07월26일
- 2009년05월10일
- 2009년03월01일
- 2008년07월27일
- 2008년05월11일
- 2008년03월02일
- 2007년08월05일
- 2007년05월13일
- 2007년03월04일
- 2006년08월06일
- 2006년05월14일
- 2006년03월05일
- 2005년08월07일
- 2005년05월29일
- 2005년03월06일
- 2004년08월08일
- 2004년05월23일
- 2004년03월07일
- 2003년08월10일
- 2003년05월25일
- 2003년03월16일