전기기사 (2004년05월23일 기출문제)
1과목 : 전기자기학
1번
면전하밀도가 ρs[C/m2]인 무한히 넓은 도체판에서 R[m] 만큼 떨어져 있는 점의 전계의 세기는 몇 V/m 인가?
2번
무한장 직선도선에 흐르는 직류전류 I에 의해, 무한장 직선도선의 전류 상하에 존재하는 자침이, 그림과 같이 자침중심축을 중심으로 회전하여 정지하였다. (ㄱ) (ㄴ)(ㄷ) (ㄹ)의 극을 순서적으로 잘 배열한 것은?

3번
면적 100cm2 인 두장의 금속판을 0.5cm 인 일정 간격으로 평행 배치한 후 양판간에 1000V의 전위를 인가하였을 때 단위면적당 작용하는 흡인력은 몇 N/m2 인가?
4번
영역 1의 자유공간에서 전파
와 자파
가 비유전율 εr=3을 가진 유전체 영역으로 수직하게 입사 될 때 계면에서의 값으로 틀린 것은?
와 자파
가 비유전율 εr=3을 가진 유전체 영역으로 수직하게 입사 될 때 계면에서의 값으로 틀린 것은?
5번
Maxwell의 전자기파 방정식이 아닌 것은?
6번
x > 0 인 영역에서 ε1 = 3 인 유전체, x < 0 인 영역에 ε2 = 5인 유전체가 있다. 유전률 ε2 인 영역에서 전계 E 2 = 20a x + 30a y - 40a z[V/m]일 때, 유전률 ε1 인 영역에서의 전계 E1 은 몇 V/m 인가?
7번
쌍극자 모멘트가 M[Cㆍm]인 전기쌍극자에 의한 임의의 점 P의 전계의 크기는 전기쌍극자의 중심에서 축방향과 점 P를 잇는 선분사이의 각이 얼마일 때 최대가 되는가?
8번
자계 중에 이것과 직각으로 놓인 도선에 I[A]의 전류를 흘리니 F[N]의 힘이 작용하였다. 이 도선을 v[m/s]의 속도로 자계와 직각으로 운동시키면 기전력은 몇 V 인가?
9번
전기회로에서 도전도(℧/m)에 대응하는 것은 자기회로에서 무엇인가?
10번
N회 감긴 환상코일의 단면적이 S[m2]이고 평균 길이가 ℓ[m]이다. 이 코일의 권수를 반으로 줄이고 인덕턴스를 일정하게 하려고 할 때, 다음 중 옳은 것은?
11번
강자성체의 히스테리시스 루프의 면적은?
12번
10A의 전류가 흐르고 있는 도선이 자계내에서 운동하여 5Wb의 자속을 끊었다고 하면, 이 때 전자력이 한 일은 몇 J 인가?
13번
8m 길이의 도선으로 만들어진 정방형 코일에 π[A]가 흐를 때 정방형의 중심점에서의 자계의 세기는 몇 A/m 인가?
14번
면적 A[m2], 간격 d[m]인 평행판콘덴서의 전극판에 비유전률 εr 인 유전체를 가득히 채웠을 때 전극판간에 V[V]를 가하면 전극판을 떼어내는데 필요한 힘은 몇 N 인가?
15번
유전률 ε=10 이고 전계의 세기가 100V/m인 유전체 내부에 축적되는 에너지 밀도는 몇 J/m3 인가?
16번
환상철심에 권수 NA인 A코일과 권수 NB인 B코일이 있을 때, A코일의 자기인덕턴스가 LA[H]라면 두 코일의 상호인덕턴스는 몇 H 인가?
17번
내도체의 반지름이 a[m]이고, 외도체의 내반지름이 b[m], 외반지름이 c[m]인 동축케이블의 단위길이당 자기인덕턴스는 몇 H/m 인가?
18번
전위함수 V=5x2y+z[V]일 때 점(2,-2,2)에서 체적전하밀도 ρ[C/m3]의 값은?
19번
비유전률 4, 비투자율 4인 매질내에서의 전자파의 전파속도는 자유공간에서의 빛의 속도의 몇 배인가?
20번
반지름 a[m], 전하 Q[C]을 가진 두 개의 물방울이 합쳐서 한개의 물방울이 되었다. 합쳐진 후의 정전에너지를 합쳐지기 전과 비교하면 어떻게 되는가?
2과목 : 전력공학
21번
유효낙차 100m, 최대사용수량 20m3/s인 발전소의 최대 출력은 약 몇 kW 인가? (단, 수차 및 발전기의 합성효율은 85% 라 한다.)
22번
가공 송전선로에서 이상전압의 내습에 대한 대책으로 틀린 것은?
23번
차단기 절연유를 여과한 후 절연내력을 시험하였을 때 절연내력은 최소 몇 kV 이상이면 양호한 것으로 판단 하는가? (단, 절연유 시험기기는 구직경 12.5mm로 간격 2.5mm에서 내압시험을 하였을 경우이다.)
24번
송전 전력, 부하 역률, 송전 거리, 전력 손실 및 선간 전압이 같을 경우 3상3선식에서 전선 한 가닥에 흐르는 전류는 단상 2선식에서 전선 한 가닥에 흐르는 경우의 몇 배가 되는가?
25번
다음 설명 중 옳지 않은 것은?
26번
저압 배전선로의 플리커(fliker) 전압의 억제 대책으로 볼 수 없는 것은?
27번
345kV 2회선 선로의 선로 길이가 220km 이다. 송전용량 계수법에 의하면 송전용량은 약 몇 MW 인가? (단, 345kV의 송전용량 계수는 1200 이다.)
28번
역률 개선용 콘덴서를 부하와 병렬로 연결하고자 한다. △결선방식과 Y결선방식을 비교하면 콘덴서의 정전용량(단위: ㎌)의 크기는 어떠한가?
29번
배전선의 전력손실 경감 대책이 아닌 것은?
30번
기력발전소에서 1톤의 석탄으로 발생할 수 있는 전력량은 약 몇 kWh 인가? (단, 석탄의 발열량은 5500kcal/kg이고 발전소 효율을 33%로 한다.)
31번
다음 중 전력원선도에서 알 수 없는 것은?
32번
3상용 차단기의 정격 차단용량은?
33번
그림과 같이 4단자 정수가 A 1 , B 1 , C 1 , D 1 인 송전선로의 양단에 Z s , Z r 의 임피던스를 갖는 변압기가 연결된 경우의 합성 4단자정수 중 A 의 값은?

34번
중성점 직접 접지방식에 대한 설명으로 옳지 않은 것은?
35번
비등수형 원자로의 특색에 대한 설명이 틀린 것은?
36번
전력용콘덴서를 변전소에 설치할 때 직렬리액터를 설치코자 한다. 직렬리액터의 용량을 결정하는 식은? (단, fo 는 전원의 기본주파수, C 는 역률개선용콘덴서의 용량, L 은 직렬리액터의 용량임)
37번
제3조파의 단락전류가 흘러서 일반적으로 사용되지 않는 변압기 결선방식은?
38번
온도가 t[℃]상승했을 때의 이도는 약 몇 m 정도 되는가? (단, 온도 변화전의 이도를 D1[m], 경간을 S[m], 전선의 온도계수를 α라 한다.)
39번
보호계전기의 한시 특성 중 정한시에 관한 설명을 바르게 표현한 것은?
40번
6.6kV 고압 배전선로(비접지 선로)에서 지락보호를 위하여 특별히 필요치 않은 것은?
3과목 : 전기기기
41번
동기전동기에 설치한 제동권선의 역할에 해당되지 않는 것은?
42번
3상에서 2상을 얻기 위한 변압기의 결선법은 ?
43번
3상 유도전동기가 있다. 슬립 S[%]일 때 2차 효율은?
44번
동기 발전기에서 코일 피치와 극간격의 비를 β 라 하고 상수를 m, 1극 1상당 슬롯수를 q라고 할 때 분포권 계수를 나타내는 식은?
45번
분권 전동기가 120[V] 전원에 접속되어 운전되고 있다. 부하시에는 50[A]가 흐르고 무부하로 하면 4[A]가 흐른다 분권 계자 회로의 저항은 40[Ω], 전기자 회로의 저항은 0.1[Ω]이다. 부하 운전시의 출력은 몇[KW]인가 ? (단, 브러시의 전압강하는 2[V] 이다.)
46번
직류전동기의 총도체수는 80, 단중중권이며, 극수 2, 자속수 3.14[Wb]이다. 부하를 걸어 전기자에 10[A]가 흐르고 있을 때, 발생 토크[㎏ㆍm]는?
47번
직류 분권전동기의 단자 전압은 300[V], 정격 전기자전류 50[A], 전기자 저항은 0.05[Ω]이다. 기동전류를 정격전류의 1.5배로 억제하기 위한 기동저항 값[Ω]은?
48번
직류기의 권선을 단중파권으로 감으면?
49번
다이리스터를 이용한 교류전압 제어 방식은?
50번
변압기에 있어서 부하와는 관계 없이 자속만을 발생시키는 전류는?
51번
단상 유도 전압 조정기의 단락 권선의 역할은?
52번
병렬운전을 하고 있는 두대의 3상 동기발전기 사이에 무효순환 전류가 흐르는 경우는?
53번
정격 출력 P[KW], 역률 0.8, 효율 0.82로 운전되는 3상 유도 전동기에 2대를 V 결선으로 한 변압기로 전력을 공급할때 변압기 1대의 최소용량 [KVA]은?
54번
직류 전동기의 속도 제어법이 아닌 것은?
55번
동기 발전기 2대로 병렬운전할 때 일치하지 않아도 되는 것은?
56번
3상 권선형 유도전동기의 전부하 슬립이 5[%], 2차1상의 저항 1[Ω]이다. 이 전동기의 기동토크를 전부하 토크와 같도록 하려면 외부에서 2차에 삽입할 저항[Ω]은?
57번
동기 전동기에서 단자전압보다 진상이 되는 전류는 어떤 작용을 하는가?
58번
브레시레스 DC 서보 모터의 특징이 아닌 것은?
59번
손실중 변압기의 온도상승에 관계가 가장 적은 요소는?
60번
유도 전동기의 회전력은?
4과목 : 회로이론 및 제어공학
61번
Δ 결선된 부하를 Y결선으로 바꾸면 소비전력은 어떻게 되는가? (단, 선간전압은 일정하다.)
62번
무접점 릴레이의 장점이 아닌 것은?
63번
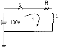
다음 회로의 정상상태에서 저항에서 소비되는 전력[W]은? (단, R=50[Ω], L=50[H]이다)

64번
그림과 같은 정현파 교류를 푸리에 급수로 전개할 때 직류분은?

65번
분포정수 전송선로에 대한 서술에서 잘못된 것은?
66번
그림과 같은 제어계에서 단위계단입력 D가 인가될 때 외란 D에 의한 정상편차는?

67번
함수 f(t)=e-2tcos3t의 라플라스 변환은?
68번
다음에서 Fe(t)는 우함수, Fo(t)는 기함수를 나타낸다. 주기함수 f(t)=Fe(t)+Fo(t)에 대한 다음의 서술중 바르지 못한 것은?
69번
다음의 설명 중 틀린 것은?
70번
어떤 제어계에서 입력신호를 가한 다음 출력신호가 정상 상태에 도달할 때까지의 응답은?
71번
그림과 같은 회로에서 ei를 입력, eo를 출력으로 할 경우 전달함수는?

72번
어떤 회로에 e(t)=Em sin ωt[V]를 가했을 때, i(t)=Im (sinωt -
sin 3ωt)[A]가 흘렀다고 한다. 이 회로의 역률은?(오류 신고가 접수된 문제입니다. 반드시 정답과 해설을 확인하시기 바랍니다.)
sin 3ωt)[A]가 흘렀다고 한다. 이 회로의 역률은?(오류 신고가 접수된 문제입니다. 반드시 정답과 해설을 확인하시기 바랍니다.)
73번
다음의 상태선도에서 가관측성(observability)에 대해 설명한 것 중 옳은 것은?

74번
다음 그림 중 ①에 알맞는 신호 이름은?

75번
3상 △부하에서 각 선전류를 Ia Ib Ic 라 하면 전류의 영상분은? (단, 회로 평형 상태임)
76번
z 변환함수
에 대응되는 라플라스 변환함수는? (단, T는 이상적인 샘플러의 샘플 주기이다.)
에 대응되는 라플라스 변환함수는? (단, T는 이상적인 샘플러의 샘플 주기이다.)
77번
구동점 임피던스(driving point impedance) Z(s)에 있어서 영점(zero)은?
78번
특성방정식이 다음과 같이 주어지는 계가 있다. 이 계가 안정되기 위하여서는 K 와 T 사이의 관계는 어떻게 되는 가? (단, K와 T는 정의 실수다)

79번
3개의 같은 저항 R[Ω]를 그림과 같이 △결선하고, 기전력 V[V], 내부저항 r[Ω]인 전지를 n개 직렬 접속했다. 이 때 전지내를 흐르는 전류가 I[A]라면 R는 몇[Ω]인가?

80번
다음의 전달함수를 갖는 회로가 진상 보상회로의 특성을 가지려면 그 조건은 어떠한가?

5과목 : 전기설비기술기준 및 판단기준
81번
특별고압 가공전선이 도로 등과 교차하여 도로 상부측에 시설될 경우에 보호망도 같이 시설하려고 한다. 보호망은 제 몇 종 접지공사로 하여야 하는가?(관련 규정 개정전 문제로 여기서는 기존 정답인 1번을 누르면 정답 처리됩니다. 자세한 내용은 해설을 참고하세요.)
82번
동일 지지물에 고ㆍ저압을 병가할 때 저압 가공전선은 어느 위치에 시설하여야 하는가?
83번
호텔 또는 여관 각 객실의 입구 등에 조명용 백열전등을 시설할 때는 몇 분 이내에 소등되는 타임 스위치를 시설하여야 하는가?
84번
400V가 넘는 저압 옥내배선의 사용 전선으로 단면적이 1mm2 이상의 케이블을 사용할 때 일반적인 경우, 어떤 종류의 케이블을 사용하여야 하는가?
85번
직류식 전기철도용 전차선로의 절연부분과 대지간의 절연저항은 가공 직류 전차선인 경우, 사용전압에 대한 누설 전류가 연장 1km 마다 몇 mA 를 넘지 아니하도록 유지하여야 하는가? (단, 강체 조가식은 제외한다.)
86번
특별고압 가공 전선로에 사용되는 B종 철주 중 각도형은 전선로 중 최소 몇 도를 넘는 수평각도를 이루는 곳에 사용되는가?
87번
"제2차 접근상태"를 바르게 설명한 것은?
88번
사용전압이 100000V이상인 전력계통에 부속하는 전력보안 통신용 전화설비의 전화 회선 중 적어도 1회선에 하여야 하는 설비에 해당되는 것은?
89번
방전등용 변압기의 2차 단락전류나 관등회로의 동작전류가 몇 ㎃ 이하인 방전등을 시설하는 경우 방전등용 안정기의 외함 및 방전등용 전등기구의 금속제 부분에 옥내 방전등공사의 접지공사를 하지 않아도 되는가? (단, 방전등용 안정기를 외함에 넣고 또한 그 외함과 방전등용 안정기를 넣을 방전등용 전등기구를 전기적으로 접속하지 않도록 시설한다고 한다.)
90번
지중에 매설되어 있고 대지와의 전기저항치가 3牆인 금속제 수도관로를 접지공사의 접지극으로 사용할 때 접지선과 수도관로의 접속은 안지름 75mm 이상인 수도관의 경우에 몇 m 이내의 부분에서 하여야 하는가?
91번
사용전압이 35000V이하인 특별고압 가공전선이 건조물과 제2차 접근상태로 시설되는 경우, 특별고압 가공전선로의 보안공사는?
92번
옥내에 시설하는 저압 전선으로 나전선을 사용할 수 있는 배선공사는?
93번
정격전류가 15A를 넘고 20A 이하인 배선용차단기로 보호되는 저압 옥내전로의 콘센트는 정격전류가 몇 A 이하인 것을 사용하여야 하는가?
94번
옥내에 시설하는 저압 전선으로 나전선을 사용해서는 안되는 경우는?
95번
수력발전소의 발전기 내부에 고장이 발생하였을 때 자동적으로 전로로부터 차단하는 장치를 시설하여야 하는 발전기 용량은 몇 kVA 이상인 것인가?
96번
고ㆍ저압 혼촉시의 위험을 방지하기 위하여 혼촉방지판이 있는 변압기를 설치할 때 이 혼촉방지판에는 일반적으로 제 몇 종 접지공사를 하는가?(관련 규정 개정전 문제로 여기서는 기존 정답인 2번을 누르면 정답 처리됩니다. 자세한 내용은 해설을 참고하세요.)
97번
고압 및 특별고압 가공 전선로로부터 공급을 받는 수용 장소의 인입구에 반드시 시설하여야 하는 것은?
98번
설계하중 900kg인 철근콘크리트주의 길이가 16m라 한다. 이 지지물을 안전률을 고려하지 않고 시설하려고 하면, 땅에 묻히는 깊이는 몇 m 이상으로 하여야 하는가?
99번
사용 전압이 154kV인 가공 송전선의 시설에서 전선과 식물과의 이격거리는 몇 m 이상으로 하여야 하는가?
100번
저ㆍ고압 가공 전선과 가공 약전류전선 등을 동일 지지물에 시설하는 경우로서 옳지 않은 방법은?
연도별
- 2022년04월24일
- 2022년03월05일
- 2021년08월14일
- 2021년05월15일
- 2021년03월07일
- 2020년09월26일
- 2020년08월22일
- 2020년06월06일
- 2019년08월04일
- 2019년04월27일
- 2019년03월03일
- 2018년08월19일
- 2018년04월28일
- 2018년03월04일
- 2017년08월26일
- 2017년05월07일
- 2017년03월05일
- 2016년08월21일
- 2016년05월08일
- 2016년03월06일
- 2015년08월16일
- 2015년05월31일
- 2015년03월08일
- 2014년08월17일
- 2014년05월25일
- 2014년03월02일
- 2013년08월18일
- 2013년06월02일
- 2013년03월10일
- 2012년08월26일
- 2012년05월20일
- 2012년03월04일
- 2011년08월21일
- 2011년06월12일
- 2011년03월20일
- 2010년07월25일
- 2010년05월09일
- 2010년03월07일
- 2009년07월26일
- 2009년05월10일
- 2009년03월01일
- 2008년07월27일
- 2008년05월11일
- 2008년03월02일
- 2007년08월05일
- 2007년05월13일
- 2007년03월04일
- 2006년08월06일
- 2006년05월14일
- 2006년03월05일
- 2005년08월07일
- 2005년05월29일
- 2005년03월06일
- 2004년08월08일
- 2004년05월23일
- 2004년03월07일
- 2003년08월10일
- 2003년05월25일
- 2003년03월16일