전기기사 (2009년07월26일 기출문제)
1과목 : 전기자기학
1번
반지름이 각각 2㎝, 4㎝인 두 중공 동심 도체구가 있고, 구 사이의 공간은 진공이다. 이때 정전용량 C는 약 몇 [pF]인가?
2번
무한장 솔레노이드에 전류가 흐를 때 발생되는 자장에 관한 설명으로 옳은 것은?
3번
N회 감긴 환상 코일의 단면적이 S[m3]이고, 평균 길이가 l[m]이다. 이 코일의 권수를 반으로 줄이고 인덕턴스를 일정하게 하려고 할 때, 다음 중 옳은 것은?
4번
평등 자계 H0 중에 매우 얇은 철판 (비투자율 μs)을 자계와 직각으로 놓았을 때의 철판 내 중앙부의 자계 H1과 평행으로 놓았을 때의 철판 내 중앙부 자계 H2의 비를 구하면?
5번
극판간격 d[m], 면적 S[m3], 유전율 ℇ[F/m]이고, 정전용량이 C[F]인 평행판 콘덴서에 v=Vmsinωt[V]의 전압을 가할 때의 변위 전류[A]는?
6번
전계 E[V/m] 및 자계 H[AT/m]인 전자파가 자유공간 중을 빛의 속도로 전파될 때 단위시간에 단위면적을 지나는 에너지는 몇 [W/m3]인가?(단, C는 빛의 속도를 나타낸다.)
7번
0.2[Wb/m2]의 평등 자계 속에 자계와 직각 방향으로 놓인 길이 90[㎝]의 도선을 자계와 30º 방향으로 50[m/s]의 속도로 이동시킬 때, 도체 양단에 유기되는 기전력[V]은?
8번
내경의 반지름이 1[mm], 외경의 반지름이 3[mm]인 동축케이블의 단위 길이 당 인덕턴스는 약 몇 [μH/m]인가? (단, 이때 μr=1이며, 내부 인덕턴스는 무시한다.)
9번
히스테리시스곡선의 기울기는 다음의 어떤 값에 해당 하는가?
10번
“줄열은 자유전자가 ( )사이의 공간을 이동하여 서로 충돌 하거나 ( )와의 충돌 때문이다.” ( )안에 공통적으로 들어갈 내용으로 알맞은 것은?
11번
맥스웰의 전자방정식 중 패러데이 법칙에서 유도된 식은? (단, D : 전속밀도, ρv: 공간 전하밀도, B : 자속밀도, E : 전계의 세기, J : 전류밀도, H : 자계의 세기)
12번
10[mW], 20[KHz]의 송신기가 자유공간 내에서 사방으로 균일하게 전파를 발사할 때 송신기로부터 10[km] 지점에서의 포인팅 벡터는 약 몇 [W/m2]인가?
13번
공기 중에 그림과 같이 가느다란 전선으로 반경 a인 원형코일을 만들고, 이것에 전하 Q가 균일하게 분포하고 있을 때, 원형 코일의 중심축상에서 중심으로부터 거리 x만큼 떨어진 P점의 전계의 세기는 몇 [V/m]인가?

14번
용량계수와 유도계수에 대한 표현 중에서 옳지 않은 것은?
15번
자기 인덕턴스 L[H]인 코일에 전류 I[A]를 흘렸을 때, 자계의 세기가 H[A/m]이다. 이 코일에 전류 I/2[A]를 흘리면 저장되는 자기에너지 밀도[J/m3]는?
16번
X>0인 영역에 ℇ1=3인 유전체, X0인 영역에 ℇ2=5인 유전체가 있다. 유전율 ℇ2인 영역에서 전계 E2=20ax+30ay-40az[V/m]일 때, 유전율 ℇ1인 영역에서의 전계 E1은 몇 [V/m]인가?
17번
길이가 1㎝, 지름이 5mm인 동선에 1A의 전류를 흘렸을 때 전자가 동선을 흐르는데 걸린 평균 시간은 대략 얼마인가? (단, 동선에서의 전자의 밀도는 1×1028[개/m3]라고 한다.
18번
유전율이 ℇ1 과 ℇ2인 두 유전체가 경계를 이루어 접하고 있는 경우 유전율이 ℇ1인 영역에 전하 Q가 존재할 때 이 전하에 작용하는 힘에 대한 설명으로 옳은 것은?
19번
어떤 대전체가 진공 중에서 전속이 Q[C]이었다. 이 대전체를 비유전률 10인 유전체 속으로 가져갈 경우에 전속은 몇 Q[C]이 되겠는가?
20번
그림과 같은 2동심 구도체에서 도체 1의 전하가 Q1=4πε0[C], 도체 2의 전하가 Q2=0[C]일 때, 도체 1의 전위는 몇 [V]인가? (단, a=10㎝, b=15㎝, c=20㎝라 한다.)

2과목 : 전력공학
21번
전력 손실이 없는 송전선로에서 서지파(진행파)가 진행하는 속도는? (단, L : 단위 선로 길이당 인덕턴스, C : 단위선로 길이당 커패시턴스이다.)
22번
다음 중 가공 지선의 설치 목적으로 볼 수 없는 것은?
23번
불평형 3상 전압을 Va, Vb, Vc라 하고,
라 할 때, Vx=1/3(Va+aVb+a2Vc)이다. 여기서 Vx는?
라 할 때, Vx=1/3(Va+aVb+a2Vc)이다. 여기서 Vx는?
24번
다음 중 무부하시의 충전전류 차단만이 가능한 것은?
25번
다음 중 재점호가 가장 일어나기 쉬운 차단 전류는?
26번
3상 배전선로의 말단에 지상역률 80%, 160kW 인 평형 3상 부하가 있다. 부하점에 전력용 콘덴서를 접속하여 선로손실을 최소가 되게 하려면 전력용 콘덴서의 필요한 용량[kVA]은? (단, 부하단 전압은 변하지 않는 것으로 한다.)
27번
다음 중 동작 시간에 따른 보호 계전기의 분류와 그 설명으로 틀린 것은?
28번
송전용량계수법에 의하여 송전선로의 송전용량을 결정할 때 수전 전력의 관계를 옳게 표현한 것은?
29번
다음 중 송전선로에 복도체를 사용하는 이유로 가장 알맞은 것은?
30번
다음 중 수차의 캐비테이션의 방지책으로 옳지 않은 것은?
31번
출력 30000 kWh의 화력발전소에서 6000 kcal/㎏의 석탄을 매시간에 15톤의 비율로 사용하고 있다고 한다. 이 발전소의 종합 효율은 약 몇 [%]인가?
32번
전력 계통의 안정도 향상 대책으로 직렬 리액턴스를 적게 하기 위한 방법이 아닌 것은?
33번
복도체의 선로가 있다. 소도체의 지름이 8㎜, 소도체 사이의 간격이 40㎝ 일 때 등가 반지름[㎝]은?
34번
임피던스 Z1, Z2 및 Z3를 그림과 같이 접속한 선로의 A쪽에서 전압파 E가 진행해 왔을 때 접속점 B에서 무반사로 되기 위한 조건은?

35번
원자로에서 핵분열로 발생한 고속중성자를 열중성자로 바꾸는 작용을 하는 것은?
36번
설비 A가 150kW, B 가 350kW, 수용률이 각각 0.6, 0.7일 때 합성최대전력이 279kW이면 부등률은?
37번
송전전압 154kV, 주파수 60Hz, 선로의 작용용량 0.01μF/㎞, 길이 100km인 1회선 송전선을 충전시킬 때 자기여자를 일으키지 않는 최소발전기용량은 약 몇 [kVA]인가? (단, 발전기의 단락비는 1.1이고 포화율은 0.1이라고 한다.)
38번
주변압기 등에서 발생하는 제5고조파를 줄이는 방법은?
39번
그림과 같이 일직선 배치로 완전 연가한 경우의 등가 선간 거리는?

40번
전원으로부터의 합성임피던스가 0.25%(10000kVA기준)인 곳에 설치하는 차단기의 용량[MVA]은?
3과목 : 전기기기
41번
변압기의 임피던스 전압이란?
42번
발전기 권선의 층간 단락 보호에 가장 적합한 계전기는?
43번
주파수가 일정한 3상 유도 전동기의 전원 전압이 80%로 감소하였다면, 토크의 변화는? (단, 회전수는 일정하다고 가정한다.)
44번
변압기의 권수비 a=6600/220, 철심의 단면적 0.02m2, 최대 자속밀도 1.2[Wb/m2]일 때, 1차 유기기전력은 약 몇 [V]인가? (단, 주파수는 60Hz이다.)
45번
효율 80%, 출력 10kW인 직류발전기의 고정손실이 1300W이면 가변손실은?
46번
100V, 10kW, 1000rpm의 분권 전동기를 부하전류 102A의 정격 속도로 운전하고 있다. 지금 전기자에 직렬로 저항 0.4Ω을 접속하고, 전과 동일한 토크로 운전하면 약 몇 [rpm]으로 회전 하겠는가? (단, 전기자 및 분권 계자회로의 저항은 각각 0.05Ω과 50Ω이다.)
47번
권선형 유도 전동기에서 2차 저항을 변화시켜 속도를 제어하는 경우 최대토크는?
48번
다음 중 3상 직권 정류자 전동기의 설명으로 틀린 것은?
49번
일반적인 직류기 전기자 권선법에 대한 설명 중 틀린 것은?
50번
4극 60Hz인 3상 유도기가 1750rpm으로 회전하고 있을 때 전원의 b상과 c상을 바꾸면 이때의 슬립(slip)은 약 얼마인가?
51번
유도 전동기의 1차 전압 변화에 의한 속도 제어 시 SCR을 사용하여 변화시키는 것은?
52번
용량 5kW, 3300/220의 변압기에 전부하를 걸어 줄 때, 역율 100%에서 효율이 96.2%이다. 이 변압기의 입력은?
53번
용량 1[kVA], 3000/200[V]의 단상 변압기를 단권 변압기로 결선해서 3000/3200[V]의 승압기로 사용할 때 그 부하용량은?
54번
4극, 7.5[kW], 200[V], 60[Hz]인 3상 유도 전동기가 있다. 전부하에서 2차 입력이 7950[W]이다. 이 경우 2차 효율[%]은 약 얼마인가? (단, 기계손은 130[W]이다.)
55번
다음 중 반작용 전동기(반동 전동기)의 설명으로 옳은 것은?
56번
2대의 동기 발전기가 병렬 운전하고 있을 때 동기화 전류가 흐르는 경우는?
57번
다음 중 3상 유도전동기의 슬립이 S<0인 경우를 설명한 것으로 틀린 것은?
58번
다음 중 동기 전동기에서 동기 와트로 표시되는 것은?
59번
다이오드를 사용한 정류회로에서 여러 개를 직렬로 연결하여 사용 할 경우 얻는 효과는?
60번
정격 전류 이하로 전류를 제어해 주면 과전압에 의해서는 파괴되지 않는 반도체 소자는?
4과목 : 회로이론 및 제어공학
61번
다음 중 제어량을 어떤 일정한 목표값으로 유지하는 것을 목적으로 하는 제어법은?
62번
다음 중 G(s)H(s)=K/(Ts+1)일 때, 이 계통은 어떤 형인가?
63번
G(jω)=K(jω)2인 보드 선도의 기울기는 몇 [dB/dec]인가?
64번
개루프 전달함수 G(s)=(s+2)/((s+1)(s+3))인 단위 피드백 제어계의 특성방정식은?
65번
다음 중 라플라스 변환 값과 Z 변환 값이 같은 함수는?
66번
그림과 같은 RLC 회로에서 입력전압 ei(t), 출력 전류가 i(t)인 경우 이 회로의 전달함수 I(s), Ei(S)는? (단, 모든 초기 조건은 0이다.)

67번
G(s)H(s)=K/(s2(s+1)2)에서 근궤적의 수는?
68번
다음 중 G(jω)=1/(1+j10ω)2로 주어지는 계의 절점 주파수는?
69번
다음 중 그림의 신호흐름 선도에서 C/R는?

70번
그림과 같이 2중으로 된 블록선도의 출력 C는?

71번
분포정수회로에서 선로의 단위길이 당 저항을 100[Ω], 인덕턴스를 200[mH], 누설 컨덕턴스를 0.5[℧]라 할 때, 일그러짐이 없는 조건을 만족하기 위한 정전 용량은 몇 [μF]인가?
72번
4단자 정수 A, B, C, D 중에서 임피던스의 차원을 가지는 것은?
73번
다음 파형의 라플라스 변환은?

74번
성형(Y) 결선의 부하가 있다. 선간 전압 300[V]의 3상 교류를 인가했을 때 선전류가 40[A]이고 역률이 0.8이라면 리액턴스는 약 몇 [Ω]인가?
75번
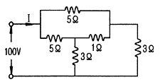
다음 회로에서 전류 I는 몇 [A]인가?

76번
비정현파 전압이 V=141.4sinωt+70.7sin2ωt+42.4sin3ωt[V]일 때 실효치는 약 몇 [V]인가?
77번
각 상전압이 Va=40sinωt[V], Vb=40sin(ωt+90º)[V], Vc=40sin(ωt-90º)[V]일 때 실효치는 약 몇 [V]인가?(오류 신고가 접수된 문제입니다. 반드시 정답과 해설을 확인하시기 바랍니다.)
78번
다음과 같은 회로에서 t=0에서 스위치 S를 닫으면서 전압 E[V]를 가할 때 L 양단에 걸리는 전압 eL[V]는?

79번
정 K형 필터(여파기)에 있어서 임피던스 Z1, Z2는 공칭 임피던스 K와는 어떤 관계가 있는가?
80번
대칭 5상 교류에서 선간전압과 상전압간의 위상차는 몇 도인가?
5과목 : 전기설비기술기준 및 판단기준
81번
지선을 사용하여 그 강도를 분담시켜서는 아니 되는 가공전선로 지지물은?
82번
네온 방전관을 사용한 사용전압 12000V인 방전등에 사용되는 네온 변압기 외함의 접지공사로 알맞은 것은?(오류 신고가 접수된 문제입니다. 반드시 정답과 해설을 확인하시기 바랍니다.)
83번
대지전압 100V 의 옥내전선로에서 분기회로의 절연저항은 최저 몇 [MΩ] 이상이어야 하는가?
84번
일반 주택 및 아파트 각 호실의 현관에 조명용 백열전등을 설치할 때 사용하는 타임스위치는 몇 [분] 이내에 소등되는 것을 시설하여야 하는가?
85번
사용전압이 15000V 이하인 가공전선로의 중성선을 다중접지 하는 경우에 1km 마다의 중성선과 대지사이의 합성 전기저항 값은 몇 [Ω] 이하가 되어야 하는가?
86번
고압용의 개폐기, 차단기, 피뢰기 기타 이와 유사한 기구로서 동작 시에 아크가 생기는 것은 목재의 벽 또는 천장 기타의 가연성 물체로부터 몇 [m] 이상 떼어 놓아야 하는가?
87번
3300[V] 고압 유도 전동기의 절연 내력 시험 전압은 최대 사용 전압의 몇 배를 10분간 가하는가?
88번
다음 중 수상 전선로를 시설하는 경우에 대한 설명으로 알맞은 것은?
89번
발변전소의 주요 변압기에 반드시 시설하지 않아도 되는 계측 장치는?
90번
전력보안 통신설비는 가공 전선로로부터의 어떤 작용에 의하여 사람에게 위험을 줄 우려가 없도록 시설하여야 하는가?
91번
B종 철주를 사용한 고압 가공전선로가 교류 전차선로와 교차하는 경우에 고압 가공전선이 교류 전차선 등의 위에 시설되는 때에 가공전선로의 경간은 몇 [m] 이하이어야 하는가?
92번
방직공장의 구내 도로에 220V 조명등용 가공전선로를 시설하고자 한다. 전선로의 경간은 몇 [m] 이하이어야 하는가?
93번
애자사용공사에 의한 고압옥내배선을 할 때 전선을 조영재의 면을 따라 붙이는 경우, 전선의 지지점간의 거리는 몇 [m] 이하이어야 하는가?
94번
시가지 등에서 특별고압 가공전선로의 시설과 관련이다. 특별고압 가공전선로용 지지물로 사용될 수 없는 것은? (단, 사용전압이 170000V 이하인 경우이다.)
95번
유희용 전차의 시설에 대한 설명 중 틀린 것은?
96번
변압기에 의하여 특별고압전로에 결합되는 고압전로에는 사용전압의 3배 이하인 전압이 가하여진 경우에 어떤 장치를 그 변압기 단자에 가까운 1극에 설치하여야 하는가?
97번
백열전등 또는 방전등에 전기를 공급하는 옥내의 전로의 대지 전압은 몇 [V] 이하이어야 하는가?
98번
저압 전로에서 그 전로에 지락이 생겼을 경우에 0.5초 이내에 자동적으로 전로를 차단하는 장치를 시설하는 경우에는 자동차단기의 정격감도전류가 100mA인 경우 제 3종 접지공사의 접지 저항값은 몇 [Ω] 이하로 하여야 하는가? (단, 전기적 위험도가 높은 장소인 경우이다.)(오류 신고가 접수된 문제입니다. 반드시 정답과 해설을 확인하시기 바랍니다.)
99번
직류식 전기철도에서 배류시설에는 어떤 것을 사용하여야 하는가?
100번
특별고압용 변압기로서 변압기 내부고장이 생겼을 경우 반드시 자동차단 되어야 하는 변압기의 뱅크 용량은 몇 [kVA] 이상인가?
연도별
- 2022년04월24일
- 2022년03월05일
- 2021년08월14일
- 2021년05월15일
- 2021년03월07일
- 2020년09월26일
- 2020년08월22일
- 2020년06월06일
- 2019년08월04일
- 2019년04월27일
- 2019년03월03일
- 2018년08월19일
- 2018년04월28일
- 2018년03월04일
- 2017년08월26일
- 2017년05월07일
- 2017년03월05일
- 2016년08월21일
- 2016년05월08일
- 2016년03월06일
- 2015년08월16일
- 2015년05월31일
- 2015년03월08일
- 2014년08월17일
- 2014년05월25일
- 2014년03월02일
- 2013년08월18일
- 2013년06월02일
- 2013년03월10일
- 2012년08월26일
- 2012년05월20일
- 2012년03월04일
- 2011년08월21일
- 2011년06월12일
- 2011년03월20일
- 2010년07월25일
- 2010년05월09일
- 2010년03월07일
- 2009년07월26일
- 2009년05월10일
- 2009년03월01일
- 2008년07월27일
- 2008년05월11일
- 2008년03월02일
- 2007년08월05일
- 2007년05월13일
- 2007년03월04일
- 2006년08월06일
- 2006년05월14일
- 2006년03월05일
- 2005년08월07일
- 2005년05월29일
- 2005년03월06일
- 2004년08월08일
- 2004년05월23일
- 2004년03월07일
- 2003년08월10일
- 2003년05월25일
- 2003년03월16일