전기기사 (2012년05월20일 기출문제)
1과목 : 전기자기학
1번
평균길이 1[m], 권수 1000회의 솔레노이드 코일에 비투자율 1000의 철심을 넣고 자속밀도 1[wb/m2]을 얻기 위해 코일에 흘려야 할 전류는 몇 [A]인가?
2번
정전 에너지, 전속밀도 및 유전상수 εr의 관계에 대한 설명 중 옳지 않은 것은?
3번
전기 쌍극자에 의한 등전위면을 극좌표로 나타내면? (단, k는 상수이다.)
4번
유전체에서 변위 전류를 발생하는 것은?
5번
면전하 밀도가 ρs[C/m2]인 무한히 넓은 도체판에서 R[m]만큼 떨어져 있는 점의 전계의 세기 [V/m]는?
6번
무한히 넓은 두 장의 도체판을 d[m]의 간격으로 평행하게 놓은 후, 두 판 사이에 V[V] 의 전압을 가한 경우 도체판의 단위 면적당 작용하는 힘은 몇 [N/m2]인가?(오류 신고가 접수된 문제입니다. 반드시 정답과 해설을 확인하시기 바랍니다.)
7번
일반적으로 자구를 가지는 자성체는?
8번
그림과 같이 평행판 콘덴서에 교류전원을 접속할 때 전류의 연속성에 대하여 성립하는 식은? (단, E : 전계, D : 전속밀도, ρ : 체적전하밀도, i : 전도전류 밀도, B : 자속밀도, t : 시간이다.)

9번
그림에서 ℓ=100[cm], S=10[cm2], μs=100, N=1000 회인 회로에서 전류 I=10[A]를 흘렸을 때 저축되는 에너지는 몇 [J]인가?

10번
맥스웰의 전자방정식에 대한 의미를 설명한 것으로 잘못된 것은?
11번
전자파의 전파속도 [m/s]에 대한 설명 중 옳은 것은?
12번
액체 유전체를 포함한 콘덴서 용량이 C[F] 인 것에 V[V]의 전압을 가했을 경우에 흐르는 누설전류는 몇 [A]인가?(단, 유전체의 유전율은 ε, 고유저항은 ρ[Ωㆍm]이다.)
13번
환상철심에 권수 3000회의 A코일과 권수 200회인 B코일이 감겨져있다. A 코일의 자기 인덕턴스가 360[mH]일 때, A, B 두 코일의 상호 인덕턴스 [mH]는? (단, 결합계수는 1이다.)
14번
강자성체의 자속밀도 B의 크기와 자화의 세기 J의 크기 사이에는 어떤 관계가 있는가?
15번
그림과 같이 비투자율이 μs1, μs2인 각각 다른 자성체를 접하여 놓고 θ1을 입사각이라 하고, θ2 를 굴절각이라 한다. 경계면에 자하가 없는 경우 미소 폐곡면을 취하여 이곳에 출입하는 자속수를 구하면?

16번
그림과 같이 한 변의 길이가 ℓ[m]인 정6각형 회로에 전류 I[A]가 흐르고 있을 때 중심 자계의 세기는 몇 [A/m]인가?

17번
그림과 같이 면적 S[m2]인 평행판 콘덴서의 극판 간에 판과 평행으로 두께 d1[m], d2[m], 유전율 ε1[F/m], ε2[F/m] 의 유전체를 삽입하면 정전용량 [F]은?

18번
두 개의 길고 직선인 도체가 평행으로 그림과 같이 위치하고 있다. 각 도체에는 10[A]의 전류가 같은 방향으로 흐르고 있으며, 이격거리는 0.2[m]일 때 오른쪽 도체의 단위 길이당 힘은? (단, ax, az는 단위 벡터이다.)

19번
패러데이의 법칙에 대한 설명으로 가장 알맞은 것은?
20번
대전된 도체의 특징이 아닌것은?
2과목 : 전력공학
21번
용량 30MVA, 33/11KV, Δ-Y 결선 변압기에 차동 보호 계전기가 설치되어 있다. 이 변압기로 30MVA 부하에 전력을 공급할 때 부하에 설치된 (ㄱ) CT의 결선방법과 (ㄴ) CT전류로 가장 적합한 것은?
22번
그림과 같은 전력 계통에서 A점에 설치된 차단기의 단락 용량 [MVA]은? (단, 각 기기의 % 리액턴스는 발전기 G1, G2는 정격용량 15MVA 기준 각각 15%이고, 변압기는 정격용량 20MVA 기준 8%, 송전선은 정격용량 10MVA기준 11%이며, 기타 다른 정수는 무시한다.)(오류 신고가 접수된 문제입니다. 반드시 정답과 해설을 확인하시기 바랍니다.)

23번
송전선로에서 이상전압이 가장 크게 발생하기 쉬운 경우는?
24번
3000kW, 역률80%(늦음)의 부하에 전력을 공급하고 있는 변전소의 역률을 90%로 향상시키는데 필요한 전력용 콘덴서의 용량 [kVA]은?
25번
각 수용가의 수용률 및 수용가 사이의 부등률이 변화할 때 수용가군 총합의 부하율에 대한 설명으로 옳은 것은?
26번
원자로에 사용되는 감속재가 구비하여야 할 조건으로 틀린것은?
27번
장거리 송전선로는 일반적으로 어떤 회로로 취급하여 회로를 해석하는가?
28번
송전선로의 고장전류의 계산에 영상 임피던스가 필요한 경우는?
29번
조상설비에 대한 설명으로 잘못된 것은?
30번
송전 용량이 증가함에 따라 송전선의 단락 및 지락전류도 증가하여 계통에 여러 가지 장해요인이 되고 있는데 이들의 경감대책으로 적합하지 않은 것은?
31번
비접지 방식에 대한 설명 중 옳은 것은?
32번
1선의 저항이 10Ω, 리액턴스가 15Ω인 3상 송전선이 있다. 수전단 전압 60kV, 부하역률 0.8(lag), 부하전류 100A 라고 할 때, 송전단 전압 [kV]은?
33번
6.6kV 고압 배전선로(비접지 선로)에서 지락보호를 위하여 특별히 필요치 않은 것은?
34번
6.6kV, 60Hz, 3상 3선식 비접지식에서 선로의 길이가 10km이고, 1선의 대지정전용량이 0.005[μF/km]일때 1선 지락시의 고장전류 Ig[A]의 범위로 옳은것은?
35번
고압고온을 채용한 기력발전소에서 채용되는 열 사이클로 그림과 같은 장치 선도의 열사이클은?

36번
유역 면적이 4000km2 인 어떤 발전 지점이 있다. 유역내의 연 강우량이 1400mm이고, 유출계수가 75%라고 하면 그 지점을 통과하는 연평균 유량[m3/sec]은?
37번
기저 부하용으로 사용하기 적합한 발전방식은?
38번
전력원선도에서 구할 수 없는 것은?
39번
Δ결선의 3상 3선식 배전선로가 있다. 1선이 지락 하는 경우 건전상의 전위 상승은 지락 전의 몇 배가 되는가?
40번
직렬 콘덴서를 선로에 삽입할 때의 이점이 아닌것은?
3과목 : 전기기기
41번
다음 ( )안에 알맞은 내용은?(오류 신고가 접수된 문제입니다. 반드시 정답과 해설을 확인하시기 바랍니다.)

42번
전기자 반작용에 대한 설명으로 틀린 것은?
43번
정격 5[kw], 100[V], 50[A], 1500[rpm]의 타여자 직류 발전기가 있다. 계자전압 50[V], 계자전류 5[A], 전기자 저항 0.2[Ω]이고 브러시에서 전압 강하는 2[V]이다. 무부하시와 정격부하시의 전압차는 몇 [V]인가?
44번
유도 전동기의 2차측 저항을 2배로 하면 최대 토크는 몇 배로 되는가?
45번
사이리스터의 래칭 전류에 관한 설명으로 옳은 것은?
46번
변압기의 성층철심 강판 재료의 규소 함유량은 대략 몇 [%]인가?
47번
1차 전압 3300[V], 권수비가 30인 단상 변압기로 전등 부하에 20[A]를 공급할 때의 입력 [kW]은?
48번
단상 변압기에서 전부하의 2차 전압은 100[V]이고, 전압 변동률은 3[%]이다. 1차 단자전압[V]은? (단, 1차, 2차 권선비는 20:1 이다. )
49번
동기 전동기에서 감자작용을 할 때는 어떤 경우인가?
50번
2방향성 3단자 사이리스터는 어느 것인가?
51번
3상 분권 정류자 전동기인 슈라게 전동기의 특성은?
52번
3상 유도 전동기가 경부하에서 운전 중 1선의 퓨즈가 잘못되어 용단되었을 때는?
53번
유도 전동기의 2차 효율은? (단, s는 슬립이다.)
54번
15[kW] 3상 유도전동기의 기계손이 350[W], 전부하시의 슬립이 3[%]이다. 전부하시의 2차 동손은 약 몇 [W]인가?
55번
60[Hz] 6극 10[kW]인 유도전동기가 슬립 5[%]로 운전할 때 2차의 동손이 500[W]이다. 이 전동기의 전부하시의 토크[kgㆍm]는?
56번
동기 발전기의 병렬운전 중 여자 전류를 증가시키면 그 발전기는?
57번
터빈 발전기의 냉각을 수소냉각방식으로 하는 이유가 아닌것은?
58번
브러시레스 DC 서보 모터의 특징으로 틀린 것은?
59번
변압기 결선방식 중 3상에서 6상으로 변환할 수 없는 것은?
60번
다음 ( ) 안에 알맞은 내용을 순서대로 나열한 것은?

4과목 : 회로이론 및 제어공학
61번
특성 방정식
이 부족제동을 하기 위한 값은?
이 부족제동을 하기 위한 값은?
62번
폐루프 전달함수
의 극의 위치를 루프 전달함수 G(s)H(s)의 이득 상수 K 의 함수로 나타내는 기법은?
의 극의 위치를 루프 전달함수 G(s)H(s)의 이득 상수 K 의 함수로 나타내는 기법은?
63번
다음 진리표의 논리 소자는?

64번
그림과 같은 블록선도에 대한 등가 종합 전달함수 (C/R)는?

65번
의 극점과 영점은?
의 극점과 영점은?
66번
의 나이퀴스트 선도를 도시한 것은? (단, k > 0이다. )
의 나이퀴스트 선도를 도시한 것은? (단, k > 0이다. )
67번
상태 방정식 x(t)=Ax(t)+Br(t) 인 제어계의 특성 방정식은?
68번
샘플러의 주기를 T라 할 때 s 평면상의 모든 점은 식 z=esT에 의하여 z평면상에 사상된다. s평면의 좌반 평면상의 모든 점은 z평면상 단위원의 어느 부분으로 사상되는가?
69번
물체의 위치, 각도, 자세, 방향 등을 제어량으로 하고 목표값의 임의의 변화에 추종하는 것과 같이 구성된 제어장치를 무엇이라고 하는가?
70번
어떤 제어계의 전달함수
에서 안정성을 판정하면?
에서 안정성을 판정하면?
71번
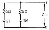
그림에서 단자 ab에 나타나는 전압 Vab는 몇 [V]인가?

72번
회로에서 단자 a, b 사이에 교류전압 200[V]를 가하였을 때, c, d 사이의 전위차는 몇 [V]인가?

73번
블록선도에서 C(s)=R(s) 라면 전달함수 G(s)는?

74번
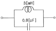
선로의 임피던스 Z = R+jwL Ω], 병렬 어드미턴스가 Y=G+jwC[℧]일 때, 선로의 저항 R과 콘덕턴스 G가 동시에 0이 되었을 때 전파정수는?
75번
그림과 같은 4단자망에서 정수 행렬은?

76번
RL 직렬회로에 
인 전압을 가할 때 제 5고조파 전류의 실효값은 몇 [A]인가? (단, R=4[Ω], wL=1[Ω]이다.)

인 전압을 가할 때 제 5고조파 전류의 실효값은 몇 [A]인가? (단, R=4[Ω], wL=1[Ω]이다.)
77번
의 역 라플라스 변환은?
의 역 라플라스 변환은?
78번
대칭 3상 4선식 전력계통이 있다. 단상 전력계 2개로 전력을 측정하였더니 각전력계의 값이 각각 -301[W] 및 1327[W]이었다. 이때 역률은 약 얼마인가?
79번
다음 회로의 역회로는? (단, K2=2×103이다.)

80번
저항 R, 인덕턴스 L, 콘덴서 C의 직렬회로에서 발생되는 과도현상이 진동이 되지 않을 조건은?
5과목 : 전기설비기술기준 및 판단기준
81번
철탑의 강도 계산에 사용하는 이사 시 상정하중의 종류가 아닌것은?
82번
220[V] 저압전로의 절연저항은 몇 [MΩ]이상이어야 하는가?(관련 규정 개정전 문제로 여기서는 기존 정답인 2번을 누르면 정답 처리됩니다. 자세한 내용은 해설을 참고하세요.)
83번
애자 사용 공사에 의한 고압 옥내배선에 사용되는 연동선의 최소 지름은 몇 [mm2]인가?(오류 신고가 접수된 문제입니다. 반드시 정답과 해설을 확인하시기 바랍니다.)
84번
옥내 방전등 공사에 대한 설명으로 알맞지 않은 것은?(오류 신고가 접수된 문제입니다. 반드시 정답과 해설을 확인하시기 바랍니다.)
85번
저압 옥내간선에서 분기하여 전기사용기계기구에 이르는 저압 옥내 전로에서 저압 옥내간선과 분기점에서 전선의 길이 가 몇 [m] 이하인 곳에 개폐기 및 과전류 차단기를 설치하여야 하는가?
86번
가공전선로의 지지물 구성체가 강관으로 구성되는 철탑으로 할 경우 갑종 풍압하중은 몇 [Pa]의 풍압을 기초로 하여 계산한 것인가? (단, 단주는 제외하며 풍압은 구성재의 수직 투영면적 1[m2 에 대한 풍압이다.])
87번
태양전지 발전소에 시설하는 태양전지 모듈, 전선 및 개폐기, 기타 기구의 시설에 관한 설명 중 틀린 것은?
88번
과전류 차단기로 시설하는 퓨즈 중 고압전로에 사용하는 포장 퓨즈는 2배의 정격전류시 몇 분 안에 용단되어야 하는가?
89번
직류 전기철도에 선택 배류기를 시설할 때 적합하지 않은것은?
90번
제 3종 접지공사의 접지저항은 몇 [Ω]이하로 유지하여야 하는가?(오류 신고가 접수된 문제입니다. 반드시 정답과 해설을 확인하시기 바랍니다.)
91번
금속 덕트 공사에 의한 저압 옥내배선 공사 시설에 적합하지 않은 것은?
92번
가공 전선로의 지지물에 시설하는 지선의 시설기준에 대한 설명 중 옳은 것은?
93번
저압 옥내배선의 사용전선으로 적합하지 않은 것은?
94번
백열전등 또는 방전등에 전기를 공급하는 옥내전로의 대지 전압은 몇 [V] 이하이어야 하는가?
95번
발전소에 시설하여야 하는 계측장치가 아닌것은?
96번
변전소에서 154[kV]급으로 변압기를 옥외에 시설할 때 취급자 이외의 사람이 들어가지 않도록 시설하는 울타리는 울타리의 높이와 울타리에서 충전부분까지의 거리의 합계를 몇 [m] 이상으로 하여야 하는가?
97번
중성선 다중 접지식으로 전로에 지락이 생겼을 때에 2초 이내에 자동적으로 이를 전로로부터 차단하는 장치가 되어 있는 사용전압 22900[V]인 특고압 가공전선과 식물과의 이격 거리는 몇 [m] 이상이어야 하는가?
98번
차량, 기타 중량물의 압력을 받을 우려가 없는 장소에 지중 전선을 직접 매설식에 의하여 매설하는 경우에는 매설 깊이를 몇 [cm] 이상으로 하여야 하는가?
99번
계기용 변성기의 2차측 전로에 시설하는 접지공사는?(관련 규정 개정전 문제로 여기서는 기존 정답인 4번을 누르면 정답 처리됩니다. 자세한 내용은 해설을 참고하세요.)
100번
저압 옥상전선로 시설에 대한 설명으로 옳지 않은것은?
연도별
- 2022년04월24일
- 2022년03월05일
- 2021년08월14일
- 2021년05월15일
- 2021년03월07일
- 2020년09월26일
- 2020년08월22일
- 2020년06월06일
- 2019년08월04일
- 2019년04월27일
- 2019년03월03일
- 2018년08월19일
- 2018년04월28일
- 2018년03월04일
- 2017년08월26일
- 2017년05월07일
- 2017년03월05일
- 2016년08월21일
- 2016년05월08일
- 2016년03월06일
- 2015년08월16일
- 2015년05월31일
- 2015년03월08일
- 2014년08월17일
- 2014년05월25일
- 2014년03월02일
- 2013년08월18일
- 2013년06월02일
- 2013년03월10일
- 2012년08월26일
- 2012년05월20일
- 2012년03월04일
- 2011년08월21일
- 2011년06월12일
- 2011년03월20일
- 2010년07월25일
- 2010년05월09일
- 2010년03월07일
- 2009년07월26일
- 2009년05월10일
- 2009년03월01일
- 2008년07월27일
- 2008년05월11일
- 2008년03월02일
- 2007년08월05일
- 2007년05월13일
- 2007년03월04일
- 2006년08월06일
- 2006년05월14일
- 2006년03월05일
- 2005년08월07일
- 2005년05월29일
- 2005년03월06일
- 2004년08월08일
- 2004년05월23일
- 2004년03월07일
- 2003년08월10일
- 2003년05월25일
- 2003년03월16일