전기기사 (2018년03월04일 기출문제)
1과목 : 전기자기학
1번
평면도체 표면에서 r[m]의 거리에 점전하 Q[C]이 있을 때 이 전하를 무한원까지 운반하는데 필요한 일은 몇 J 인가?
2번
역자성체에서 비투자율(㎲)은 어느 값을 갖는가?
3번
비유전율 Єr1, Єr2인 두 유전체가 나란히 무한평면으로 접하고 있고, 이 경계면에 평행으로 유전체의 비유전율 Єr1 내에 경계면으로부터 d[m]인 위치에 선전하 밀도 ρ[C/m]인 선상전하가 있을 때, 이 선전하와 유전체 Єr2간의 단위 길이당의 작용력은 몇 N/m인가?
4번
점전하에 의한 전계는 쿨롱의 법칙을 사용하면 되지만 분포되어 있는 전하에 의한 전계를 구할 때는 무엇을 이용하는가?
5번
패러데이관(Faraday tube)의 성질에 대한 설명으로 틀린 것은?
6번
공기 중에 있는 지름 6㎝인 단일 도체구의 정전용량은 몇 ㎊인가?
7번
유전율이 Є1, Є2 [F/m]인 유전체 경계면에 단위면적당 작용하는 힘은 몇 N/m2 인가? (단, 전계가 경계면에 수직인 경우이며, 두 유전체의 전속밀도 D1=D2=D이다.)
8번
진공 중에 균일하게 대전된 반지름 a[m]인 선전하 밀도 λl[C/m]의 원환이 있을 때, 그 중심으로부터 중심축상 x[m]의 거리에 있는 점의 전계의 세기는 몇 V/m 인가?
9번
내압 1000V 정전용량 1㎌, 내압 750V 정전용량 2㎌, 내압 500V 정전용량 5㎌인 콘덴서 3개를 직렬로 접속하고 인가전압을 서서히 높이면 최초로 파괴되는 콘덴서는?
10번
내부장치 또는 공간을 물질로 포위시켜 외부자계의 영향을 차폐시키는 방식을 자기차폐라 한다. 다음 중 자기차폐에 가장 좋은 것은?
11번
40V/m인 전계 내의 50V되는 점에서 1C의 전하가 전계 방향으로 80㎝ 이동 하였을 때, 그 점의 전위는 몇 V 인가?
12번
그림과 같이 반지름 a[m]의 한번 감긴 원형코일이 균일한 자속밀도 B[Wb/m2]인 자계에 놓여 있다. 지금 코일 면을 자계와 나란하게 전류 I[A]를 흘리면 원형코일이 자계로부터 받는 회전 모멘트는 몇 Nm/rad 인가?

13번
다음 조건들 중 초전도체에 부합되는 것은? (단, μτ은 비투자율, Xm은 비자화율, B는 자속밀도이며 작동온도는 임계온도 이하라 한다.
14번
x=0인 무한평면을 경계면으로 하여 x<0인 영역에는 비유전율 Єr1=2, x>0인 영역에는 Єr2=4인 유전체가 있다. Єr1인 유전체내에서 전계 E1=20ax-10ay+5azV/m 일 때 x>0인 영역에 있는 Єr2인 유전체내에서 전속밀도 D2[C/m2]는?단, 경계면상에는 자유전하가 없다고 한다.
15번
평면파 전파가 E=30cos(109t+20z)j V/m 로 주어 졌다면 이 전자파의 위상속도는 몇 m/s 인가?
16번
자속밀도 10 Wb/m2 자계 중에 10㎝ 도체를 자계와 30°의 각도로 30m/s로 움직일 때, 도체에 유기되는 기전력은 몇 V 인가?
17번
그림과 같이 단면적 S=10cm2, 자로의 길이 l=20π㎝, 비투자율 ㎲=1000인 철심에 N1=N2=100인 두 코일을 감았다. 두 코일사이의 상호인덕턴스는 몇 mH 인가?

18번
1㎂의 전류가 흐르고 있을 때, 1초 동안 통과하는 전자 수는 약 몇 개 인가? (단, 전자 1개의 전하는 1.602×10-19C 이다.)
19번
균일하게 원형단면을 흐르는 전류 I[A]에 의한, 반지름 a[m], 길이 l[m], 비투자율 ㎲인 원통도체의 내부 인덕턴스는 몇 H 인가?
20번
한 변의 길이가 10㎝인 정사각형 회로에 직류전류 10A가 흐를 때, 정사각형의 중심에서의 자계 세기는 몇 A/m 인가?
2과목 : 전력공학
21번
송전선에서 재폐로 방식을 사용하는 목적은?
22번
설비용량이 360kW, 수용률 0.8, 부등률 1.2 일 때 최대수용전력은 몇 kW 인가?
23번
배전계통에서 사용하는 고압용 차단기의 종류가 아닌 것은?
24번
SF6 가스차단기에 대한 설명으로 틀린 것은?
25번
송전선로의 일반회로 정수가 A=0.7, B=j190, D=0.9 일 때 C의 값은?
26번
부하역률이 0.8인 선로의 저항손실은 0.9인 선로의 저항손실에 비해서 약 몇 배 정도 되는가?
27번
단상변압기 3대에 의한 △결선에서 1대를 제거하고 동일전력을 V결선으로 보낸다면 동손은 약 몇 배가 되는가?(오류 신고가 접수된 문제입니다. 반드시 정답과 해설을 확인하시기 바랍니다.)
28번
피뢰기의 충격방전 개시전압은 무엇으로 표시하는가?
29번
단상 2선식 배전선로의 선로임피던스가 2+j5Ω이고 무유도성 부하전류 10A 일 때 송전단 역률은? (단, 수전단 전압의 크기는 100V이고, 위상각은 0°이다.)
30번
그림과 같이 전력선과 통신선 사이에 차폐선을 설치하였다. 이 경우에 통신선의 차폐계수(K)를 구하는 관계식은? 단, 차폐선을 통신선에 근접하여 설치한다.

31번
모선 보호에 사용되는 계전방식이 아닌 것은?
32번
%임피던스와 관련된 설명으로 틀린 것은?
33번
A, B 및 C상 전류를 각각 Ia, Ib, 및 Ic라 할 때
으로 표시되는 Ix는 어떤 전류인가?
으로 표시되는 Ix는 어떤 전류인가?
34번
그림과 같이 “수류가 고체에 둘러싸여 있고 A로부터 유입되는 수량과 B로부터 유출되는 수량이 같다”고 하는 이론은?

35번
4단자 정수가 A, B, C, D인 선로에 임피던스가 1/ZT인 변압기가 수전단에 접속된 경우 계통의 4단자 정수 중 D0는?
36번
대용량 고전압의 안정권선(△권선)이 있다. 이 권선의 설치 목적과 관계가 먼 것은?
37번
한류리액터를 사용하는 가장 큰 목적은?
38번
변압기 등 전력설비 내부 고장 시 변류기에 유입하는 전류와 유출하는 전류의 차로 동작하는 보호계전기는?
39번
3상 결선 변압기의 단상운전에 의한 소손방지 목적으로 설치하는 계전기는?
40번
송전선로의 정전용량은 등가 선간거리 D가 증가하면 어떻게 되는가?

3과목 : 전기기기
41번
단상 직권 정류자 전동기의 전기자 권선과 계자권선에 대한 설명으로 틀린 것은?
42번
단상 직권 전동기의 종류가 아닌 것은?
43번
동기조상기의 여자전류를 줄이면?
44번
권선형 유도전동기에서 비례추이에 대한 설명으로 틀린 것은? (단, sm은 최대토크 시 슬립이다.)
45번
전기자저항 ra=0.2Ω, 동기리액턴스 xs=20Ω인 Y결선의 3상 동기발전기가 있다. 3상 중 1상의 단자전압 V=4400V, 유도기전력 E=6600V이다. 부하각 δ=30°라고 하면 발전기의 출력은 약 몇 kW인가?
46번
반도체 정류기에 적용된 소자 중 첨두 역방향 내전압이 가장 큰 것은?
47번
동기전동기에서 전기자 반작용을 설명한 것 중 옳은 것은?
48번
변압기 결선방식 중 3상에서 6상으로 변환할 수 없는 것은?
49번
실리콘 제어정류기(SCR)의 설명 중 틀린 것은?
50번
직류발전기가 90% 부하에서 최대효율이 된다면 이 발전기의 전부하에 있어서 고정손과 부하손의 비는?
51번
150kVA의 변압기의 철손이 1kW, 전부하동손이 2.5kW이다. 역률 80%에 있어서의 최대효율은 약 몇 %인가?
52번
정격부하에서 역률 0.8(뒤짐)로 운전될 때, 전압 변동률이 12%인 변압기가 있다. 이 변압기에 역률 100%의 정격 부하를 걸고 운전할 때의 전압 변동률은 약 몇 %인가? (단, %저항강하는 %리액턴스강하의 1/12이라고 한다.)
53번
권선형 유도전동기 저항제어법의 단점 중 틀린 것은?
54번
부하 급변 시 부하각과 부하 속도가 진동하는 난조 현상을 일으키는 원인이 아닌 것은?
55번
단상 변압기 3대를 이용하여 3상 △-Y 결선을 했을 때 1차와 2차 전압의 각변위(위상차)는?
56번
권선형 유도 전동기의 전부하 운전 시 슬립이 4%이고, 2차 정격전압이 150V 이면 2차 유도기전력은 몇 V 인가?
57번
3상 유도전동기의 슬립이 s일 때 2차 효율[%]은?(오류 신고가 접수된 문제입니다. 반드시 정답과 해설을 확인하시기 바랍니다.)
58번
직류전동기의 회전수를 1/2로 하자면 계자자속을 어떻게 해야 하는가?
59번
사이리스터 2개를 사용한 단상 전파정류회로에서 직류전압 100V를 얻으려면 PIV가 약 몇 V 인 다이오드를 사용하면 되는가?
60번
교류발전기의 고조파 발생을 방지하는 방법으로 틀린 것은?
4과목 : 회로이론 및 제어공학
61번
개루프 전달함수 G(s)가 다음과 같이 주어지는 단위 부궤환계가 있다. 단위 계단입력이 주어졌을 때, 정상상태 편차가 0.05가 되기 위해서는 K의 값은 얼마인가?

62번
제어량의 종류에 따른 분류가 아닌 것은?
63번
개루프 전달함수
일 때 주어지는 계에서 점근선 교차점은?
일 때 주어지는 계에서 점근선 교차점은?
64번
단위계단함수의 라플라스변환과 z변환함수는?
65번
다음 방정식으로 표시되는 제어계가 있다. 이 계를 상태 방정식
로 나타내면 계수 행렬 A는?
로 나타내면 계수 행렬 A는?
66번
안정한 제어계에 임펄스 응답을 가했을 때 제어계의 정상상태 출력은?
67번
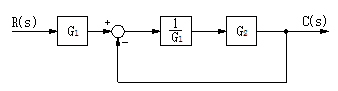
그림과 같은 블록선도에서 C(s)/R(s) 값은?

68번
신호흐름선도에서 전달함수 C/R를 구하면?

69번
특성방정식이 s3+2s2+Ks+5=0가 안정하기 위한 K의 값은?
70번
다음과 같은 진리표를 갖는 회로의 종류는?

71번
대칭좌표법에서 대칭분을 각 상전압으로 표시한 것 중 틀린 것은?
72번
R-L 직렬회로에서 스위치 S가 1번 위치에 오랫동안 있다가 t=0+에서 위치 2번으로 옮겨진 후, L/R[s] 후에 L에 흐르는 전류[A]는?

73번
분포 정수회로에서 선로정수가 R, L, C, G이고 무왜형 조건이 RC=GL과 같은 관계가 성립될 때 선로의 특성 임피던스 Z0는? (단, 선로의 단위길이당 저항을 R, 인덕턴스를 L, 정전용량을 C, 누설컨덕턴스를 G라 한다.
74번
그림과 같은 4단자 회로망에서 하이브리드 파라미터 H11은?

75번
내부저항 0.1Ω인 건전지 10개를 직렬로 접속하고 이것을 한조로 하여 5조 병렬로 접속하면 합성 내부저항은 몇 Ω 인가?
76번
함수 f(t)의 라플라스 변환은 어떤 식으로 정의되는가?
77번
대칭좌표법에서 불평형률을 나타내는 것은?
78번
그림의 왜형파를 푸리에의 급수로 전개할 때, 옳은 것은?

79번
최대값이 Em인 반파 정류 정현파의 실효값은 몇 V인가?
80번
그림과 같이 R[Ω]의 저항을 Y결선으로 하여 단자의 a, b 및 c에 비대칭 3상 전압을 가할 때, a 단자의 중성점 N에 대한 전압은 약 몇 V 인가? (단, Vab=210V, Vbc=-90-J180V, Vca=-120+J180V)

5과목 : 전기설비기술기준 및 판단기준
81번
태양전지 모듈의 시설에 대한 설명으로 옳은 것은?
82번
저압 옥상전선로를 전개된 장소에 시설하는 내용으로 틀린 것은?
83번
무대, 무대마루 밑, 오캐스트라 박스, 영사실 기타 사람이나 무대 도구가 접촉할 우려가 있는 곳에 시설하는 저압 옥내배선, 전구선 또는 이동전선은 사용전압이 몇 V 미만이어야 하는가?
84번
과전류차단기로 시설하는 퓨즈 중 고압전로에 사용하는 포장퓨즈는 정격전류의 몇 배의 전류에 견디어야 하는가?
85번
터널 안 전선로의 시설방법으로 옳은 것은?
86번
저압 옥측전선로에서 목조의 조영물에 시설할 수 있는 공사 방법은?
87번
특고압을 직접 저압으로 변성하는 변압기를 시설하여서는 아니 되는 변압기는?
88번
케이블 트레이공사에 사용하는 케이블 트레이의 시설기준으로 틀린 것은?
89번
전로에 대한 설명 중 옳은 것은?
90번
최대 사용전압 23kV의 권선으로 중성점접지식 전로(중성선을 가지는 것으로 그 중성선에 다중 접지를 하는 전로)에 접속되는 변압기는 몇 V의 절연내력 시험전압에 견디어야 하는가?
91번
고압 가공전선으로 경동선 또는 내열 동합금선을 사용할 때 그 안전율은 최소 얼마 이상이되는 이도로 시설하여야 하는가?
92번
제3종 접지공사에 사용되는 접지선의 굵기는 공칭단면적 몇 mm2 이상의 연동선을 사용하여야 하는가?(관련 규정 개정전 문제로 여기서는 기존 정답인 2번을 누르면 정답 처리됩니다. 자세한 내용은 해설을 참고하세요.)
93번
고압 보안공사에서 지지물이 A종 철주인 경우 경간은 몇 m 이하 인가?
94번
가공 직류 전차선의 레일면상의 높이는 4.8m 이상이어야 하나 광산 기타의 갱도 안의 윗면에 시설하는 경우는 몇 m 이상이어야 하는가?(관련 규정 개정전 문제로 여기서는 기존 정답인 1번을 누르면 정답 처리됩니다. 자세한 내용은 해설을 참고하세요.)
95번
가공전선로 지지물의 승탑 및 승주방지를 위한 발판 볼트는 지표상 몇 m 미만에 시설 하여서는 아니 되는가?
96번
저압 옥내간선에서 분기하여 전기사용 기계기구에 이르는 저압 옥내전로는 분기점에서 전선의 길이가 몇 m 이하인 곳에 개폐기 및 과전류차단기를 시설하여야 하는가?
97번
사용전압이 60kV 이하인 경우 전화선로의 길이 12km 마다 유도전류는 몇 ㎂를 넘지 않도록 하여야 하는가?(오류 신고가 접수된 문제입니다. 반드시 정답과 해설을 확인하시기 바랍니다.)
98번
발전소, 변전소, 개폐소 또는 이에 준하는 곳에서 개폐기 또는 차단기에 사용하는 압축공기장치의 공기압축기는 최고 사용압력의 1.5배의 수압을 연속하여 몇 분간 가하여 시험을 하였을 때에 이에 견디고 또한 새지 아니하여야 하는가?
99번
금속덕트 공사에 의한 저압 옥내배선공사 시설에 대한 설명으로 틀린 것은?
100번
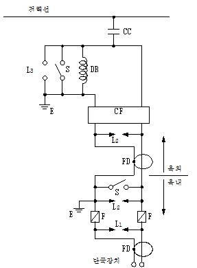
그림은 전력선 반송통신용 결합장치의 보안장치를 나타낸 것이다. S의 명칭으로 옳은 것은?

연도별
- 2022년04월24일
- 2022년03월05일
- 2021년08월14일
- 2021년05월15일
- 2021년03월07일
- 2020년09월26일
- 2020년08월22일
- 2020년06월06일
- 2019년08월04일
- 2019년04월27일
- 2019년03월03일
- 2018년08월19일
- 2018년04월28일
- 2018년03월04일
- 2017년08월26일
- 2017년05월07일
- 2017년03월05일
- 2016년08월21일
- 2016년05월08일
- 2016년03월06일
- 2015년08월16일
- 2015년05월31일
- 2015년03월08일
- 2014년08월17일
- 2014년05월25일
- 2014년03월02일
- 2013년08월18일
- 2013년06월02일
- 2013년03월10일
- 2012년08월26일
- 2012년05월20일
- 2012년03월04일
- 2011년08월21일
- 2011년06월12일
- 2011년03월20일
- 2010년07월25일
- 2010년05월09일
- 2010년03월07일
- 2009년07월26일
- 2009년05월10일
- 2009년03월01일
- 2008년07월27일
- 2008년05월11일
- 2008년03월02일
- 2007년08월05일
- 2007년05월13일
- 2007년03월04일
- 2006년08월06일
- 2006년05월14일
- 2006년03월05일
- 2005년08월07일
- 2005년05월29일
- 2005년03월06일
- 2004년08월08일
- 2004년05월23일
- 2004년03월07일
- 2003년08월10일
- 2003년05월25일
- 2003년03월16일