전기기사 (2020년08월22일 기출문제)
1과목 : 전기자기학
1번
분극의 세기 P, 전계 E, 전속밀도 D의 관계를 나타낸 것으로 옳은 것은? (단, ε0는 진공의 유전율이고, εr은 유전체의 비유전율이고, ε은 유전체의 유전율이다.)
2번
그림과 같은 직사각형의 평면 코일이
인 자계에 위치하고 있다. 이 코일에 흐르는 전류가 5A일 때 z축에 있는 코일에서의 토크는 약 몇 N·m 인가?
인 자계에 위치하고 있다. 이 코일에 흐르는 전류가 5A일 때 z축에 있는 코일에서의 토크는 약 몇 N·m 인가?
3번
내부 장치 또는 공간을 물질로 포위시켜 외부 자계의 영향을 차폐시키는 방식을 자기차폐라 한다. 다음 중 자기차폐에 가장 적합한 것은?
4번
주파수가 100MHz 일 때 구리의 표피두께(skin depth)는 약 몇 mm 인가? (단, 구리의 도전율은 5.9×107 ℧/m 이고, 비투자율은 0.99 이다.)
5번
압전기 현상에서 전기 분극이 기계적 응력에 수직한 방향으로 발생하는 현상은?
6번
구리의 고유저항은 20℃에서 1.69×10-8 Ω·m 이고 온도계수는 0.00393 이다. 단면적이 2mm2 이고 100m 인 구리선의 저항값은 40℃에서 약 몇 Ω 인가?
7번
전위경도 V와 전계 E의 관계식은?
8번
정전계에서 도체에 정(+)의 전하를 주었을 때의 설명으로 틀린 것은?
9번
평행 도선에 같은 크기의 왕복 전류가 흐를 때 두 도선 사이에 작용하는 힘에 대한 설명으로 옳은 것은?
10번
비유전율 3, 비투자율 3인 매질에서 전자기파의 진행속도 v(m/s)와 진공에서의 속도 v0(m/s)의 관계는?
11번
대지의 고유저항이 ρ(Ω·m)일 때 반지름이 a(m)인 그림과 같은 반구 접지극의 접지저항(Ω)은?

12번
공기 중에서 2V/m의 전계의 세기에 의한 변위전류밀도의 크기를 2A/m2으로 흐르게 하려면 전계의 주파수는 약 몇 MHz가 되어야 하는가?
13번
2장의 무한 평판 도체를 4cm의 간격으로 놓은 후 평판 도체 간에 일정한 전계를 인가하였더니 평판 도체 표면에 2μC/m2의 전하밀도가 생겼다. 이 때 평행 도체 표면에 작용하는 정전응력은 약 몇 N/m2 인가?
14번
자성체 내의 자계의 세기가 H(AT/m)이고 자속밀도가 B(Wb/m2)일 때, 자계 에너지 밀도(J/m3)는?
15번
임의의 방향으로 배열되었던 강자성체의 자구가 외부 자기장의 힘이 일정치 이상이 되는 순간에 급격히 회전하여 자기장의 방향으로 배열되고 자속밀도가 증가하는 현상을 무엇이라 하는가?
16번
반지름이 5mm, 길이가 15mm, 비투자율이 50인 자성체 막대에 코일을 감고 전류를 흘려서 자성체 내의 자속밀도를 50 Wb/m2으로 하였을 때 자성체 내에서의 자계의 세기는 몇 A/m 인가?
17번
반지름이 30cm인 원판 전극의 평행판 콘덴서가 있다. 전극의 간격이 0.1cm 이며 전극 사이 유전체의 비유전율이 4.0 이라 한다. 이 콘덴서의 정전용량은 약 몇 μF 인가?
18번
한 변의 길이가 l(m)인 정사각형 도체 회로에 전류 I(A)를 흘릴 때 회로의 중심점에서의 자계의 세기는 몇 AT/m 인가?
19번
정전용량이 각각 C1=1μF, C2=2μF인 도체에 전하 Q1=-5μC, Q2=2μC을 각각 주고 각 도체를 가는 철사로 연결하였을 때 C1에서 C2로 이동하는 전하 Q(μC)는?
20번
정전용량이 0.03μF인 평행판 공기 콘덴서의 두 극판 사이에 절반 두께의 비유전율 10인 유리판을 극판과 평행하게 넣었다면 이 콘덴서의 정전용량은 약 몇 μF이 되는가?
2과목 : 전력공학
21번
3상 전원에 접속된 △결선의 커패시터를 Y결선으로 바꾸면 진상 용량 QY(kVA)는? (단, Q△는 △결선된 커패시터의 진상 용량이고, QY는 Y결선된 커패시터의 진상 용량이다.)
22번
교류 배전선로에서 전압강하 계산식은 Vd = k(Rcosθ+Xsinθ)I로 표현된다. 3상 3선식 배전선로인 경우에 k는?
23번
송전선에서 뇌격에 대한 차폐 등을 위해 가선하는 가공지선에 대한 설명으로 옳은 것은?
24번
배전선의 전력손실 경감 대책이 아닌 것은?
25번
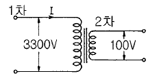
그림과 같은 이상 변압기에서 2차 측에 5Ω의 저항부하를 연결하였을 때 1차 측에 흐르는 전류(I)는 약 몇 A 인가?

26번
전압과 유효전력이 일정할 경우 부하 역률이 70%인 선로에서의 저항 손실(P70%)은 역률이 90%인 선로에서의 저항 손실(P90%)과 비교하면 약 얼마인가?
27번
3상 3선식 송전선에서 L을 작용 인턱턴스라 하고, Le 및 Lm은 대지를 귀로로 하는 1선의 자기 인덕턴스 및 상호 인덕턴스라고 할 때 이들 사이의 관계식은?
28번
표피효과에 대한 설명으로 옳은 것은?
29번
배전선로의 전압을 3kV에서 6kV로 승압하면 전압강하율(δ)은 어떻게 되는가? (단, δ3kV는 전압이 3kV일 때 전압강하율이고, δ6kV는 전압이 6kV일 때 전압강하율이고, 부하는 일정하다고 한다.)
30번
계통의 안정도 증진대책이 아닌 것은?
31번
1상의 대지 정전용량이 0.5㎌, 주파수가 60Hz인 3상 송전선이 있다. 이 선로에 소호리액터를 설치한다면, 소호리액터의 공진 리액턴스는 약 몇 Ω이면 되는가?
32번
배전선로의 고장 또는 보수 점검 시 정전구간을 축소하기 위하여 사용되는 것은?
33번
수전단 전력 원선도의 전력 방정식이 Pr2+(Qr+400)2=250000으로 표현되는 전력계통에서 가능한 최대로 공급할 수 있는 부하전력(Pr)과 이때 전압을 일정하게 유지하는데 필요한 무효전력(Qr)은 각각 얼마인가?
34번
수전용 변전설비의 1차측 차단기의 차단용량은 주로 어느 것에 의하여 정해지는가?
35번
프란시스 수차의 특유속도(m·kW)의 한계를 나타내는 식은? (단, H(m)는 유효낙차이다.)
36번
정격전압 6600V, Y결선, 3상 발전기의 중성점을 1선 지락 시 지락전류를 100A로 제한하는 저항기로 접지하려고 한다. 저항기의 저항 값은 약 몇 Ω 인가?
37번
송전 철탑에서 역섬락을 방지하기 위한 대책은?
38번
조속기의 폐쇄시간이 짧을수록 나타나는 현상으로 옳은 것은?
39번
주변압기 등에서 발생하는 제5고조파를 줄이는 방법으로 옳은 것은?
40번
복도체에서 2본의 전선이 서로 충돌하는 것을 방지하기 위하여 2본의 전선 사이에 적당한 간격을 두어 설치하는 것은?
3과목 : 전기기기
41번
정격전압 120V, 60Hz인 변압기의 무부하 입력 80W, 무부하 전류 1.4A 이다. 이 변압기의 여자 리액턴스는 약 몇 Ω 인가?
42번
서보모터의 특징에 대한 설명으로 틀린 것은?
43번
3상 변압기 2차측의 EW 상만을 반대로 하고, Y-Y 결선을 한 경우, 2차 상전압이 EU = 70V, EV = 70V, EW = 70V 라면 2차 선간전압은 약 몇 V 인가?
44번
극수 8, 중권 직류기의 전기자 총 도체 수 960, 매극 자속 0.04Wb, 회전수 400 rpm 이라면 유기기전력은 몇 V 인가?
45번
3상 유도전동기에서 2차측 저항을 2배로 하면 그 최대토크는 어떻게 변하는가?
46번
동기전동기에 일정한 부하를 걸고 계자전류를 0A에서부터 계속 증가시킬 때 관련 설명으로 옳은 것은? (단, Ia는 전기자전류이다.)
47번
3kVA, 3000/200V의 변압기의 단락시험에서 임피던스전압 120V, 동손 150W라 하면 %저항 강하는 몇 % 인가?
48번
정격출력 50kW, 4극 220V, 60Hz인 3상 유도전동기가 전부하 슬립 0.04, 효율 90%로 운전되고 있을 때 다음 중 틀린 것은?
49번
단상 유도전동기를 2전동기설로 설명하는 경우 정방향 회전자계의 슬립이 0.2이면, 역방향 회전자계의 슬립은 얼마인가?
50번
직류 가동복권발전기를 전동기로 사용하면 어느 전동기가 되는가?
51번
동기발전기를 병렬운전 하는데 필요하지 않은 조건은?
52번
IGBT(Insulated Gate Bipolar Transistor)에 대한 설명으로 틀린 것은?
53번
유도전동기에서 공급 전압의 크기가 일정하고 전원 주파수만 낮아질 때 일어나는 현상으로 옳은 것은?
54번
용접용으로 사용되는 직류발전기의 특성 중에서 가장 중요한 것은?
55번
동기발전기에 설치된 제동권선의 효과로 틀린 것은?
56번
3300/220V 변압기 A, B의 정격용량이 각각 400kVA, 300kVA이고, %임피던스 강하가 각각 2.4%, 3.6% 일 때 그 2대의 변압기에 걸 수 있는 합성부하용량은 몇 kVA 인가?
57번
동작모드가 그림과 같이 나타나는 혼합브리지는?

58번
동기기의 전기자 저항을 r, 전기자 반작용 리액턴스를 Xa, 누설 리액턴스를 Xℓ라고 하면 동기임피던스를 표시하는 식은?
59번
단상 유도전동기에 대한 설명으로 틀린 것은?
60번
직류전동기의 속도제어법이 아닌 것은?
4과목 : 회로이론 및 제어공학
61번
그림과 같이 피드백제어 시스템에서 입력이 단위계단함수일 때 정상상태 오차상수인 위치상수(Kp)는?

62번
적분 시간 4sec, 비례 감도가 4인 비례적분 동작을 하는 제어 요소에 동작신호 z(t) = 2t를 주었을 때 이 제어 요소의 조작량은? (단, 조작량의 초기 값은 0 이다.)
63번
시간함수 f(t) = sinωt의 z변환은? (단, T는 샘플링 주기이다.)
64번
다음과 같은 신호흐름선도에서 C(s)/R(s)의 값은?

65번
Routh-Hurwitz 방법으로 특성방정식이 s4+2s3+s2+4s+2=0인 시스템의 안정도를 판별하면?
66번
제어시스템의 상태방정식이
,
,
일 때, 특성방정식을 구하면?
,
,
일 때, 특성방정식을 구하면?
67번
어떤 제어시스템의 개루프 이득이
일 때 이 시스템이 가지는 근궤적의 가지(branch) 수는?
일 때 이 시스템이 가지는 근궤적의 가지(branch) 수는?
68번
다음 회로에서 입력 전압 v1(t)에 대한 출력 전압 v2(t)의 전달함수 G(s)는?

69번
특성방정식의 모든 근이 s평면(복소평면)의 jω축(허수축)에 있을 때 이 제어시스템의 안정도는?
70번
논리식
를 간단히 하면?
를 간단히 하면?
71번
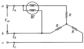
선간 전압이 Vab(V)인 3상 평형 전원에 대칭 부하 R(Ω)이 그림과 같이 접속되어 있을 때, a, b 두 상간에 접속된 전력계의 지시 값이 W(W)라면 C상 전류의 크기(A)는?

72번
불평형 3상 전류가 Ia = 15+j2(A), Ib = -20-j14(A), Ic = -3+j10(A)일 때, 역상분 전류 I2(A)는?
73번
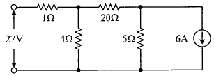
회로에서 20Ω의 저항이 소비하는 전력은 몇 W 인가?

74번
RC 직렬회로에서 직류전압 V(V)가 인가되었을 때, 전류 i(t)에 대한 전압 방정식(KVL)이
이다. 전류 i(t)의 라플라스 변환인 I(s)는? (단, C에는 초기 전하가 없다.)
이다. 전류 i(t)의 라플라스 변환인 I(s)는? (단, C에는 초기 전하가 없다.)
75번
선간 전압이 100V 이고, 역률이 0.6인 평형 3상 부하에서 무효전력이 Q=10kvar 일 때, 선전류의 크기는 약 몇 A 인가?
76번
그림과 같은 T형 4단자 회로망에서 4단자 정수 A와 C는? (단, Z1=1/Y1, Z2=1/Y2, Z3=1/Y3)

77번
어떤 회로의 유효전력이 300W, 무효전력이 400var 이다. 이 회로의 복소전력의 크기(VA)는?
78번
R=4Ω, ωL=3Ω의 직렬회로의 e=100√2 sinωt + 50√2 sin3ωt를 인가할 때 이 회로의 소비전력은 약 몇 W 인가?
79번
단위 길이 당 인덕턴스가 L(H/m)이고, 단위 길이 당 정전용량이 C(F/m)인 무손실 선로에서의 진행파 속도(m/s)는?
80번
t=0에서 스위치(S)를 닫았을 때 t=0+ 에서의 i(t)는 몇 A 인가? (단, 커패시터에 초기 전하는 없다.)

5과목 : 전기설비기술기준 및 판단기준
81번
345kV 송전선을 사람이 쉽게 들어가지 않는 산지에 시설할 때 전선의 지표상 높이는 몇 m 이상으로 하여야 하는가?
82번
변전소에서 오접속을 방지하기 위하여 특고압 전로의 보기 쉬운 곳에 반드시 표시해야 하는 것은?
83번
전력 보안 가공통신선의 시설 높이에 대한 기준으로 옳은 것은?
84번
가반형의 용접전극을 사용하는 아크 용접장치의 용접변압기의 1차측 전로의 대지전압은 몇 V 이하이어야 하는가?
85번
전기온상용 발열선은 그 온도가 몇 ℃를 넘지 않도록 시설하여야 하는가?
86번
사용전압이 154kV인 가공전선로를 제1종 특고압 보안공사로 시설할 때 사용되는 경동연선의 단면적은 몇 mm2 이상이어야 하는가?
87번
고압용 기계기구를 시가지에 시설할 때 지표상 몇 m 이상의 높이에 시설하고, 또한 사람이 쉽게 접촉할 우려가 없도록 하여야 하는가?
88번
발전기, 전동기, 조상기, 기타 회전기(회전변류기 제외)의 절연내력 시험전압은 어느 곳에 가하는가?
89번
특고압 지중전선이 지중 약전류전선 등과 접근하거나 교차하는 경우에 상호 간의 이격거리가 몇 cm 이하인 때에만 두 전선이 직접 접촉하지 아니하도록 하여야 하는가?
90번
고압 옥내배선의 공사방법으로 틀린 것은?
91번
조상설비 내부고장, 과전류 또는 과전압이 생긴 경우 자동적으로 차단되는 장치를 해야하는 전력용 커패시터의 최소 뱅크용량은 몇 kVA 인가?
92번
사용전압이 440V인 이동기중기용 접촉전선을 애자사용 공사에 의하여 옥내의 전개된 장소에 시설하는 경우 사용하는 전선으로 옳은 것은?
93번
옥내에 시설하는 사용 전압이 400V 이상 1000V 이하인 전개된 장소로서 건조한 장소가 아닌 기타의 장소의 관등회로 배선공사로서 적합한 것은?
94번
가공 직류 절연 귀선은 특별한 경우를 제외하고 어느 전선에 준하여 시설하여야 하는가?(오류 신고가 접수된 문제입니다. 반드시 정답과 해설을 확인하시기 바랍니다.)(관련 규정 개정전 문제로 여기서는 기존 정답인 1번을 누르면 정답 처리됩니다. 자세한 내용은 해설을 참고하세요.)
95번
저압 가공전선으로 사용할 수 없는 것은?(문제 오류로 가답안 발표시 4번으로 발표되었지만 확정답안 발표시 3, 4번이 정답처리 되었습니다. 여기서는 가답안인 4번을 누르시면 정답 처리 됩니다.)
96번
가공전선로의 지지물에 시설하는 지선의 시설기준으로 틀린 것은?
97번
특고압 가공전선로 중 지지물로서 직선형의 철탑을 연속하여 10기 이상 사용하는 부분에는 몇 기 이하마다 내장 애자장치가 되어 있는 철탑 또는 이와 동등이상의 강도를 가지는 철탑 1기를 시설하여야 하는가?
98번
제1종 또는 제2종 접지공사에 사용하는 접지선을 사람이 접촉할 우려가 있는 곳에 시설하는 경우, 「전기용품 및 생활용품 안전관리법」을 적용받는 합성수지관(두께 2mm 미만의 합성수지제 전선관 및 난연성이 없는 콤바인덕트관을 제외한다)으로 덮어야 하는 범위로 옳은 것은?(관련 규정 개정전 문제로 여기서는 기존 정답인 4번을 누르면 정답 처리됩니다. 자세한 내용은 해설을 참고하세요.)
99번
사용전압이 400V 미만인 저압 가공전선은 케이블인 경우를 제외하고는 지름이 몇 mm 이상이어야 하는가? (단, 절연전선은 제외한다.)
100번
수용장소의 인입구 부근에 대지 사이의 전기저항 값이 3Ω 이하인 값을 유지하는 건물의 철골을 접지극으로 사용하여 제2종 접지공사를 한 저압전로의 접지측 전선에 추가 접지 시 사용하는 접지선을 사람이 접촉할 우려가 있는 곳에 시설할 때는 어떤 공사방법으로 시설하는가?
연도별
- 2022년04월24일
- 2022년03월05일
- 2021년08월14일
- 2021년05월15일
- 2021년03월07일
- 2020년09월26일
- 2020년08월22일
- 2020년06월06일
- 2019년08월04일
- 2019년04월27일
- 2019년03월03일
- 2018년08월19일
- 2018년04월28일
- 2018년03월04일
- 2017년08월26일
- 2017년05월07일
- 2017년03월05일
- 2016년08월21일
- 2016년05월08일
- 2016년03월06일
- 2015년08월16일
- 2015년05월31일
- 2015년03월08일
- 2014년08월17일
- 2014년05월25일
- 2014년03월02일
- 2013년08월18일
- 2013년06월02일
- 2013년03월10일
- 2012년08월26일
- 2012년05월20일
- 2012년03월04일
- 2011년08월21일
- 2011년06월12일
- 2011년03월20일
- 2010년07월25일
- 2010년05월09일
- 2010년03월07일
- 2009년07월26일
- 2009년05월10일
- 2009년03월01일
- 2008년07월27일
- 2008년05월11일
- 2008년03월02일
- 2007년08월05일
- 2007년05월13일
- 2007년03월04일
- 2006년08월06일
- 2006년05월14일
- 2006년03월05일
- 2005년08월07일
- 2005년05월29일
- 2005년03월06일
- 2004년08월08일
- 2004년05월23일
- 2004년03월07일
- 2003년08월10일
- 2003년05월25일
- 2003년03월16일