전기기사 (2020년09월26일 기출문제)
1과목 : 전기자기학
1번
서로 같은 2개의 구 도체에 동일양의 전하로 대전시킨 후 20㎝ 떨어뜨린 결과 구 도체에 서로 8.6 × 10-4N의 반발력이 작용하였다. 구 도체에 주어진 전하는 약 몇 C인가?
2번
정전계 내 도체 표면에서 전계의 세기가
(V/m)일 때 도체 표면상의 전하 밀도 ρs(C/m2)를 구하면? 단, 자유공간이다.
(V/m)일 때 도체 표면상의 전하 밀도 ρs(C/m2)를 구하면? 단, 자유공간이다.
3번
영구자석 재료로 사용하기에 적합한 특성은?
4번
자기회로와 전기회로에 대한 설명으로 틀린 것은?
5번
저항의 크기가 1 Ω인 전선이 있다. 전선의 체적을 동일하게 유지하면서 길이를 2배로 늘였을 때 전선의 저항(Ω)은?
6번
자속밀도가 10 ㏝/m2 인 자계 내에 길이 4㎝의 도체를 자계와 직각으로 놓고 이 도체를 0.4초 동안 1 m씩 균일하게 이동하였을 때 발생하는 기전력은 몇 V인가?
7번
진공 중에서 전자파의 전파속도 (m/s)는?
8번
유전율이 ε1, ε2 인 유전체 경계면에 수직으로 전계가 작용할 때 단위 면적당 수직으로 작용하는 힘 (N/m2)은? (단, E 는 전계 (V/m)이고, D는 전속밀도 (C/m2)이다.)
9번
반지름이 3㎝인 원형 단면을 가지고 있는 환상 연철심에 코일을 감고 여기에 전류를 흘려서 철심 중의 자계 세기가 400 AT/m가 되도록 여자할 때, 철심 중의 자속 밀도는 약 몇 ㏝/m2인가? (단, 철심의 비투자율은 400이라고 한다.)
10번
내부 원통의 반지름이 a, 외부 원통의 반지름이 b 인동축 원통 콘덴서의 내외 원통 사이에 공기를 넣었을 때 정전용량이 C1 이었다. 내외 반지름을 모두 3배로 증가시키고 공기 대신 비유전율이 3인 유전체를 넣었을 경우의 정전용량 C2 는?
11번
변위전류와 관계가 가장 깊은 것은?
12번
자기 인덕턴스(self inductance) L(H)을 나타낸 식은? (단, N은 권선수, I는 전류 (A), ø는 자속 (㏝), B는 자속밀도 (㏝/m2), A는 벡터 퍼텐셜 (㏝/m), J는 전류밀도 (A/m2)이다.)
13번
환상 솔레노이드 철심 내부에서 자계의 세기 (AT/m)는? (단, N은 코일 권선수, r은 환상 철심의 평균 반지름, I는 코일에 흐르는 전류이다.)
14번
임의의 형상의 도선에 전류 I(A)가 흐를 때, 거리 r(m)만큼 떨어진 점에서의 자계의 세기 H(AT/m)를 구하는 비오-사바르의 법칙에서, 자계의 세기 H(AT/m)와 거리 r(m)의 관계로 옳은 것은?
15번
다음 정전계에 관한 식 중에서 틀린 것은? (단, D는 전속밀도, V는 전위, ρ는 공간(체적)전하밀도, ε은 유전율이다.)
16번
길이가 ℓ(m), 단면적의 반지름이 a(m)인 원통이 길이 방향으로 균일하게 자화되어 자화의 세기가 J(㏝/m2)인 경우, 원통 양단에서의 자극의 세기 m(㏝)은?
17번
질량 (m)이 10-10㎏이고, 전하량 (Q)이 10-8C인 전하가 전기장에 의해 가속되어 운동하고 있다. 가속도가 a=102i+102j(m/s2)일 때 전기장의 세기 E(V/m)는?
18번
전류 I가 흐르는 무한 직선 도체가 있다. 이 도체로부터 수직으로 0.1 m 떨어진 점에서 자계의세기가 180 AT/m이다. 도체로부터 수직으로 0.3 m 떨어진 점에서 자계의 세기 (AT/m)는?
19번
반지름이 a(m), b(m)인 두 개의 구 형상 도체 전극이 도전율 k인 매질 속에 거리 r(m)만큼 떨어져 있다. 양 전극 간의 저항 (Ω)은? (단, r ≫ a, r ≫ b 이다.)
20번
진공 중에서 2m 떨어진 두 개의 무한 평행 도선에 단위 길이 당 10-7N의 반발력이 작용할 때 각 도선에 흐르는 전류의 크기와 방향은? (단, 각 도선에 흐르는 전류의 크기는 같다.)
2과목 : 전력공학
21번
전력원선도에서 구할 수 없는 것은?
22번
송전전력, 송전거리, 전선로의 전력손실이 일정하고, 같은 재료의 전선을 사용한 경우 단상 2선식에 대한 3상 4선식의 1선당 전력비는 약 얼마인가? (단, 중성선은 외선과 같은 굵기이다.)
23번
송배전선로의 고장전류 계산에서 영상 임피던스가 필요한 경우는?
24번
3상용 차단기의 정격 차단용량은?
25번
다음 중 송전선로의 역섬락을 방지하기 위한 대책으로 가장 알맞은 방법은?
26번
반지름 0.6 ㎝인 경동선을 사용하는 3상 1회선 송전선에서 선간거리를 2 m로 정삼각형 배치할 경우, 각 선의 인덕턴스 (mH/km)는 약 얼마인가?
27번
다음 중 그 값이 항상 1 이상인 것은?
28번
개폐서지의 이상전압을 감쇄할 목적으로 설치하는 것은?
29번
전원이 양단에 있는 환상선로의 단락보호에 사용되는 계전기는?
30번
파동임피던스 Z1=500Ω인 선로에 파동임피던스 Z2=1500Ω인 변압기가 접속되어 있다. 선로로부터 600㎸의 전압파가 들어왔을 때, 접속점에서의 투과파 전압(㎸)은?
31번
전력용콘덴서를 변전소에 설치할 때 직렬리액터를 설치하고자 한다. 직렬리액터의 용량을 결정하는 계산식은? (단, f0는 전원의 기본주파수, C는 역률 개선용 콘덴서의 용량, L은 직렬리액터의 용량이다.)
32번
66/22 kV, 2000 kVA 단상변압기 3대를 1뱅크로 운전하는 변전소로부터 전력을 공급받는 어떤 수전점에서의 3상 단락전류는 약 몇 A인가? (단, 변압기의 %리액턴스는 7이고 선로의 임피던스는 0이다.)
33번
부하의 역률을 개선할 경우 배전선로에 대한 설명으로 틀린 것은? (단, 다른 조건은 동일하다.)
34번
한류리액터를 사용하는 가장 큰 목적은?
35번
수력발전소의 형식을 취수방법, 운용방법에 따라 분류할 수 있다. 다음 중 취수방법에 따른 분류가 아닌 것은?
36번
배전선로에 3상 3선식 비접지 방식을 채용할 경우 나타나는 현상은?
37번
전력계통을 연계시켜서 얻는 이득이 아닌 것은?
38번
원자력발전소에서 비등수형 원자로에 대한 설명으로 틀린 것은?
39번
선간전압이 V(kV)이고 3상 정격용량이 P(kVA)인 전력계통에서 리액턴스가 X(ohm)라고 할 때, 이 리액턴스를 %리액턴스로 나타내면?
40번
증기 사이클에 대한 설명 중 틀린 것은?
3과목 : 전기기기
41번
동기발전기 단절권의 특징이 아닌 것은?
42번
전부하로 운전하고 있는 50 ㎐, 4극의 권선형 유도전동기가 있다. 전부하에서 속도를 1440 rpm에서 1000 rpm으로 변화시키자면 2차에 약 몇 Ω의 저항을 넣어야 하는가? (단, 2차 저항은 0.02 Ω이다.)
43번
단면적 10 cm2인 철심에 200 회의 권선을 감고, 이 권선에 60 ㎐, 60 V인 교류전압을 인가하였을 때 철심의 최대자속 밀도는 약 몇 ㏝/m2인가?
44번
동기기의 안정도를 증진시키는 방법이 아닌 것은?
45번
직류발전기를 병렬운전할 때 균압모선이 필요한 직류기는?
46번
4극, 중권, 총 도체 수 500, 극당 자속이 0.01 ㏝인 직류 발전기가 100 V의 기전력을 발생시키는데 필요한 회전수는 몇 rpm인가?
47번
포화되지 않은 직류발전기의 회전수가 4배로 증가되었을 때 기전력을 전과 같은 값으로 하려면 자속을 속도 변화전에 비해 얼마로 하여야 하는가?
48번
2상 교류 서브모터를 구동하는데 필요한 2상 전압을 얻는 방법으로 널리 쓰이는 방법은?
49번
취급이 간단하고 기동시간이 짧아서 섬과 같이 전력계통에서 고립된 지역, 선박 등에 사용되는 소용량 전원용 발전기는?
50번
권선형 유도전동기 2대를 직렬종속으로 운전하는 경우 그 동기속도는 어떤 전동기의 속도와 같은가?
51번
GTO 사이리스터의 특징으로 틀린 것은?
52번
3상 변압기의 병렬운전 조건으로 틀린 것은?
53번
직류기의 권선을 단중 파권으로 감으면 어떻게 되는가?
54번
동기발전기의 단자부근에서 단락 시 단락전류는?
55번
전력의 일부를 전원측에 반환할 수 있는 유도전동기의 속도제어법은?
56번
단권변압기에서 1차 전압 100V, 2차 전압 110V인 단권변압기의 자기용량과 부하용량의 비는?
57번
3상 유도전동기의 기계적 출력 P(kW), 회전수 N(rpm)인 전동기의 토크 (N・m)는?
58번
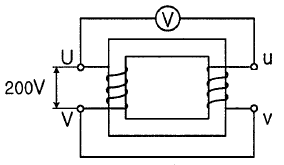
210/105 V의 변압기를 그림과 같이 결선하고 고압측에 200 V의 전압을 가하면 전압계의 지시는 몇 V 인가? (단, 변압기는 가극성이다.)

59번
평형 6상 반파정류회로에서 297 V의 직류전압을 얻기 위한 입력측 각 상전압은 약 몇 V 인가? (단, 부하는 순수저항부하이다.)
60번
3상 분권 정류자전동기에 속하는 것은?
4과목 : 회로이론 및 제어공학
61번
전달함수가
으로 표현되는 제어시스템에서 직류 이득은 얼마인가?
으로 표현되는 제어시스템에서 직류 이득은 얼마인가?
62번
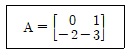
시스템행렬 A가 다음과 같을 때 상태천이행렬을 구하면?

63번
Routh-Hurwitz 안정도 판별법을 이용하여 특성방정식이 s3+3s2+3s+1+K=0으로 주어진 제어시스템이 안정하기 위한 K의 범위를 구하면?
64번
근궤적의 성질 중 틀린 것은?
65번
그림과 같은 블록선도의 제어시스템에서 속도 편차 상수 Kv는 얼마인가?

66번
그림의 신호 흐름 선도에서 C(s)/R(s)는?

67번
다음 논리식을 간단히 한 것은?

68번
전달함수가
인 2차 제어시스템의 감쇠 진동 주파수(ωd)는 몇 rad/sec인가?
인 2차 제어시스템의 감쇠 진동 주파수(ωd)는 몇 rad/sec인가?
69번
폐루프 시스템에서 응답의 잔류 편차 또는 정상상태오차를 제거하기 위한 제어 기법은?
70번
r(t)의 z변환을 E(z)라고 했을 때 e(t)의 초기값 e(0)는?
71번
RL 직렬회로에 순시치 전압 v(t)=20+100sinωt+40sin(3ω+60°)+40sin5ωt(V)를 가할 때 제5고조파 전류의 실횻값 크기는 약 몇 A인가? (단, R=4Ω, ωL=1Ω이다.)
72번
대칭 3상 전압이 공급되는 3상 유도전동기에서 각 계기의 지시는 다음과 같다. 유도전동기의 역률은 약 얼마인가?

73번
불평형 3상 전류 Ia=25+j4(A), Ib=-18-j16(A), Ic=7+j15(A)일 때 영상전류 I0(A)는?
74번
회로의 단자 a와 b사이에 나타나는 전압 Vab는 몇 V인가?

75번
4단자 정수 A, B, C, D 중에서 전압이득의 차원을 가진정수는?
76번
분포정수회로에서 직렬 임피던스를 Z, 병렬 어드미턴스를 Y라 할 때, 선로의 특성임피던스 Zo 는?
77번
그림과 같은 회로의 구동점 임피던스 (Ω)는?

78번
Δ결선으로 운전 중인 3상 변압기에서 하나의 변압기 고장에 의해 V결선으로 운전하는 경우, V결선으로 공급할 수 있는 전력은 고장 전 Δ결선으로 공급할 수 있는 전력에 비해 약 몇 %인가?
79번
그림의 교류 브리지 회로가 평형이 되는 조건은?

80번
f(t)=tn의 라플라스 변환 식은?
5과목 : 전기설비기술기준 및 판단기준
81번
다음 ( )에 들어갈 내용으로 옳은 것은?

82번
옥내에 시설하는 저압전선에 나전선을 사용할 수 있는 경우는?
83번
사람이 상시 통행하는 터널 안의 배선(전기기계기구 안의 배선, 관등회로의 배선, 소세력 회로의 전선 및 출퇴 표시등 회로의 전선은 제외)의 시설기준에 적합하지 않은 것은? (단, 사용전압이 저압의 것에 한한다.)
84번
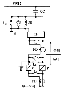
그림은 전력선 반송통신용 결합장치의 보안장치이다. 여기에서 CC는 어떤 커패시터인가?

85번
케이블 트레이공사에 사용하는 케이블 트레이에 대한 기준으로 틀린 것은?
86번
지중전선로에 사용하는 지중함의 시설기준으로 틀린 것은?
87번
교량의 윗면에 시설하는 고압 전선로는 전선의 높이를 교량의 노면상 몇 m 이상으로 하여야 하는가?
88번
목장에서 가축의 탈출을 방지하기 위하여 전기울타리를 시설하는 경우 전선은 인장강도가 몇 kN 이상의 것이어야 하는가?
89번
저압의 전선로 중 절연부분의 전선과 대지간의 절연저항은 사용전압에 대한 누설전류가 최대 공급전류의 얼마를 넘지 않도록 유지하여야 하는가?
90번
가공전선로의 지지물에 하중이 가하여지는 경우에 그 하중을 받는 지지물의 기초 안전율은 얼마 이상이어야 하는가? (단, 이상 시 상정 하중은 무관)
91번
제2종 특고압 보안공사 시 지지물로 사용하는 철탑의 경간을 400 m 초과로 하려면 몇 mm2 이상의 경동연선을 사용하여야 하는가?(관련 규정 개정전 문제로 여기서는 기존 정답인 4번을 누르면 정답 처리됩니다. 자세한 내용은 해설을 참고하세요.)
92번
금속제 외함을 가진 저압의 기계기구로서 사람이 쉽게 접촉될 우려가 있는 곳에 시설하는 경우 전기를 공급받는 전로에 지락이 생겼을 때 자동적으로 전로를 차단하는 장치를 설치하여야 하는 기계기구의 사용전압이 몇 V를 초과하는 경우인가?
93번
사용전압이 35,000 V 이하인 특고압 가공전선과 가공약 전류 전선을 동일 지지물에 시설하는 경우, 특고압 가공전선로의 보안공사로 적합한 것은?(관련 규정 개정전 문제로 여기서는 기존 정답인 3번을 누르면 정답 처리됩니다. 자세한 내용은 해설을 참고하세요.)
94번
과전류차단기로 시설하는 퓨즈 중 고압전로에 사용하는 비포장 퓨즈는 정격전류 2배 전류 시 몇 분 안에 용단되어야 하는가?
95번
버스 덕트 공사에 의한 저압 옥내배선 시설공사에 대한 설명으로 틀린 것은?
96번
발전소에서 계측하는 장치를 시설하여야 하는 사항에 해당하지 않는 것은?
97번
사용전압이 특고압인 전기집진장치에 전원을 공급하기 위해 케이블을 사람이 접촉할 우려가 없도록 시설하는 경우 방식 케이블 이외의 케이블의 피복에 사용하는 금속체에는 몇 종 접지공사로 할 수 있는가?(오류 신고가 접수된 문제입니다. 반드시 정답과 해설을 확인하시기 바랍니다.)
98번
최대사용전압이 7 ㎸를 초과하는 회전기의 절연내력 시험은 최대사용전압의 몇 배의 전압 (10,500 V 미만으로 되는 경우에는 10,500 V)에서 10분간 견디어야 하는가?
99번
수소냉각식 발전기 및 이에 부속하는 수소냉각장치의 시설에 대한 설명으로 틀린 것은?
100번
고압 가공전선로에 사용하는 가공지선은 지름 몇 mm이상의 나경동선을 사용하여야 하는가?
연도별
- 2022년04월24일
- 2022년03월05일
- 2021년08월14일
- 2021년05월15일
- 2021년03월07일
- 2020년09월26일
- 2020년08월22일
- 2020년06월06일
- 2019년08월04일
- 2019년04월27일
- 2019년03월03일
- 2018년08월19일
- 2018년04월28일
- 2018년03월04일
- 2017년08월26일
- 2017년05월07일
- 2017년03월05일
- 2016년08월21일
- 2016년05월08일
- 2016년03월06일
- 2015년08월16일
- 2015년05월31일
- 2015년03월08일
- 2014년08월17일
- 2014년05월25일
- 2014년03월02일
- 2013년08월18일
- 2013년06월02일
- 2013년03월10일
- 2012년08월26일
- 2012년05월20일
- 2012년03월04일
- 2011년08월21일
- 2011년06월12일
- 2011년03월20일
- 2010년07월25일
- 2010년05월09일
- 2010년03월07일
- 2009년07월26일
- 2009년05월10일
- 2009년03월01일
- 2008년07월27일
- 2008년05월11일
- 2008년03월02일
- 2007년08월05일
- 2007년05월13일
- 2007년03월04일
- 2006년08월06일
- 2006년05월14일
- 2006년03월05일
- 2005년08월07일
- 2005년05월29일
- 2005년03월06일
- 2004년08월08일
- 2004년05월23일
- 2004년03월07일
- 2003년08월10일
- 2003년05월25일
- 2003년03월16일