2011년09월25일 1번
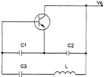
[디지털 전자회로] 다음 그림은 콜피츠 발진회로를 변형한 클랩 발진회로이다. 안정한 주파수를 얻기 위해 C1, C2를 C3에 비해 매우 크게 하였을 때, 이 발진회로의 발진주파수는? (단, C3=0.001[μF], L=1[mH])

- ① 약 150[kHz]
- ② 약 153[kHz]
- ③ 약 156[kHz]
- ④ 약 159[kHz]
(정답률: 71%)
문제 해설
이전 문제
다음 문제
연도별
- 2023년10월07일
- 2023년06월17일
- 2023년03월11일
- 2022년10월08일
- 2022년06월25일
- 2022년03월12일
- 2021년10월02일
- 2021년06월26일
- 2021년03월13일
- 2020년09월26일
- 2020년06월27일
- 2020년05월24일
- 2019년10월12일
- 2019년06월29일
- 2019년03월09일
- 2018년10월06일
- 2018년04월28일
- 2018년03월04일
- 2017년10월14일
- 2017년06월10일
- 2017년03월05일
- 2016년10월08일
- 2016년06월11일
- 2016년03월05일
- 2015년10월04일
- 2015년06월06일
- 2015년03월07일
- 2014년10월04일
- 2014년05월31일
- 2014년03월09일
- 2013년10월12일
- 2013년06월09일
- 2013년03월17일
- 2012년10월06일
- 2012년06월02일
- 2012년03월11일
- 2011년09월25일
- 2011년05월29일
- 2011년03월13일
- 2010년10월10일
- 2010년05월02일
- 2010년03월14일
- 2010년02월21일
- 2009년07월26일
- 2009년05월10일
- 2009년03월01일
- 2008년07월27일
- 2008년05월11일
- 2008년03월02일
- 2007년08월05일
- 2007년05월13일
- 2007년03월04일
- 2006년08월06일
- 2006년05월14일
- 2006년03월05일
- 2005년08월07일
- 2005년05월29일
- 2005년03월06일
- 2004년08월08일
- 2004년05월23일
- 2004년03월07일
- 2003년08월10일
- 2003년05월25일
- 2003년03월16일
- 2002년08월11일
- 2002년05월26일
- 2002년03월10일
- 2001년09월23일
- 2001년06월03일
- 2001년03월04일
진행 상황
0 오답
0 정답
f = 1 / (2π√(LC))
여기서 C1, C2가 C3에 비해 매우 크다고 했으므로, C1과 C2는 전체 용량의 대부분을 차지하게 된다. 따라서 C1과 C2를 무시하고 C3만 고려하면, 발진주파수는 다음과 같이 근사할 수 있다.
f ≈ 1 / (2π√(C3L))
여기에 C3=0.001[μF], L=1[mH]를 대입하면,
f ≈ 1 / (2π√(0.001 × 0.001))
f ≈ 159[kHz]
따라서 정답은 "약 159[kHz]"이다.