자동차정비기능장 (2008년07월13일 기출문제)
1과목 : 임의구분
1번
LPG 차량의 장점에 대한 설명으로 틀린 것은?
2번
디젤 기관의 연소실에서 직접분사식의 장점이 아닌 것은?
3번
LPG 기관의 베이퍼라이저 2차실의 역할과 기능을 바르게 표현한 것은?
4번
자동차 엔진에서 공기과잉율과 연소효율과의 관계에 대한 설명 중 옳은 것은?
5번
압축비가 8.2:1 인 가솔린 기관의 이론 열효율은? (단, 작동 유체의 비열비는 1.35이다.)
6번
커먼레일 기관에 장착된 가변용량터보챠저(VGT: cariable geometry turbocharger)장치의 터보제어 솔레노이드 점검요령과 거리가 먼 것은?
7번
다음 중 행정체적이나 회전속도에 변화를 주지 않고 기관의 흡기효율을 높이기 위한 방법은?
8번
전자제어 가솔린분사의 연료 압력조정기에 대해 옳게 설명한 것은?
9번
암의 길이가 713m인 프로니 동력계에 제동하중이 170kgf 이었다. 측정 축의 회전수가 1500rpm일 경우 기관의 제동마력은 몇 PS 인가?
10번
유체커플링 방식 냉각팬에 가장 많이 사용하는 작동유는?
11번
실린더 체적이 450cm3, 압축비 8인 기관의 연소실 체적은?
12번
가솔린엔진의 피스톤과 피스톤 링에 대한 설명 중 틀린 것은?
13번
그림과 같은 동시점화방식 회로에서 ECU의 6번 단자에서 파워트랜지스터로 연결된 IB1 단자의 연결시간이 길어지면 어떤 현상이 일어날지를 맞게 설명한 것은?

14번
자동차의 유해 배출가스와 원인에 대한 내용을 관계있는 것끼리 연결한 것 중 틀린 것은?
15번
디젤기관의 분사펌프에서 조속기의 기능상 분류 중 가장 거리가 먼 것은?
16번
윤활유의 특징을 열거한 것 중 옳은 것은?
17번
전자제어 연료분사장치의 장점이 아닌 것은?
18번
가솔린 기관의 노크 발생 원인이 아닌 것은?
19번
공정에서 안성적으로 존재하는 것은 아니고 산발적으로 발생하며, 품질의 변동에 크게 영향을 끼치는 요주의 원인으로 우발적 원인인 것을 무엇이라 하는가?
20번
계수 규준형 1회 샘플링 검사(KS A 3102)에 관한 설명 중 가장 거리가 먼 것은?
2과목 : 임의구분
21번
공기식 배력장치의 하이드로 에어백에 관한 설명이 맞지 않는 것은?
22번
다음 중 품질관리시스템에 있어서 4M 에 해당하지 않는 것은?
23번
품질특성을 나타내는 데이터 중 계수치 데이터에 속하는 것은?
24번
방법시간측정법(MTM: Method Time Measurement)에서 사용되는 1 TMU(Time Measurement Unit)는 몇 시간인가?
25번
어떤 공장에서 작업을 하는데 있어서 소요되는 기간과 비용이 다음 표와 같을 때 비용구배는 얼마인가? (단, 활동시간의 단위는 일(日)로 계산한다.)

26번
동력 조향 장치에서 해들의 복원이 잘 되지 않을 때의 원인 중 틀린 것은?
27번
구동력 조절장치(traction control system)의 구성품에 해당되지 않는 것은?
28번
차량 총중량이 1000kgf인 자동차가 주행시 구름저항계수가 0.015라면 구름저항은 몇 kgf 인가?
29번
구동축(drive shaft)에 대한 설명으로서 틀린 것은?
30번
앞바퀴에 수직방향으로 작용하는 하중에 의한 앞차축의 휨을 방지하고 조향 휠의 조작을 가볍게 하기 위한 앞바퀴의 정렬 요소는?
31번
브레이크 장치 중 뒤쪽 유압회로의 중간에 설치되어 있으며 제동력이 증대하면 뒤쪽의 유압증가 비율을 앞쪽보다 작게 하여 후륜의 조기고착에 의한 조종 불안정을 방지하기 위한 밸브는?
32번
전자제어 현가장치의 설명 중 틀린 것은?
33번
자동 변속기에서 댐퍼 클러치(록업 클러치)의 기능이 아닌 것은?
34번
다음은 조향이론에 대한 여러 가지 설명이다. 옳지 않은 것은?
35번
자동차의 진동에 대한 설명 중 틀린 것은?
36번
수동 변속기 차량에서 기어 변속된 후에 기어가 가끔 빠질 때 무엇을 점검하여야 하는가?
37번
브레이크 페달이 점점 딱딱해져서 주행불능 상태가 되었을 때는 어떤 고장인가?
38번
유성기어 장치를 이용하여 역전시키고자 한다. 적절한 조치는?
39번
코너링 포스에 영향을 주는 요인이 아닌 것은?
40번
다음 중 공기식 브레이크 장치에서 에어 드라이어의 역할이 아닌 것은?
3과목 : 임의구분
41번
충전장치에서 자여자 발전기에 대한 설명으로 틀린 것은?
42번
원동기의 윤활계통에 대한 세부 검사내용과 방법들을 나타낸 것들 중에서 적합하지 않은 것은?
43번
변속기 압력 축의 토크가 4.6 kgf·m 이고, 변속기(감속)가 1.5이다. 이때 변속기 출력 후의 토크는?
44번
토크 컨버터에서 토크비가 3이고, 속도비가 0.3 이다. 이때 펌프가 5000rpm 으로 회전할 때 토크 효율은?
45번
다음 중 자동차용 도난방지장치가 작동하지 않는 경우는?
46번
12V 100AH의 축전지 5개를 병렬로 접속하면 전압과 용량은 어떻게 되는가?
47번
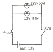
12V – 55W의 안개등이 병렬로 연결되어 있다. 이 회로에 사용elh는 알맞은 퓨즈는 약 몇 A 인가? (단, 안전율은 1.6으로 한다.)

48번
점화시기가 너무 늦을 때 일어나는 현상이 아닌 것은?
49번
다음 중 기동전동기의 성능시험 항목이 아닌 것은?
50번
전자식 현가 장치(ECS)에서 앤티 다이브(Anti Dive) 제어와 관계없는 것은?
51번
자동차 에어컨 냉방 사이클에서 냉매가 흐르는 순서가 맞는 것은? (단, 어큐물레이터 오리피스 튜브 방식이다.)
52번
축전지 전해약에 관한 설명 중 틀린 것은?
53번
차체에서 화이트 보디(White body)를 구성하는 부품 중 틀린 것은?
54번
도료를 도장한 후 액체 상태의 도료가 고체 상태로 바뀔 때 사용하는 반응형 건조 방법이 아닌 것은?
55번
차체의 손상 진단에 착안해야 할 점으로 거리가 먼 것은?
56번
CO2가스 아크 용접 조건의 설명이 잘못된 것은?
57번
자동차 보수 도장에서 메탈릭과 펄(마이카) 도료의 가장 큰 차이점은?
58번
도료를 저장하는 중에 발생하는 결함현상이 아닌 것은?
59번
솔리드 색상의 조색에서 혼합하는 도료의 색 수가 많을수록 채도가 변화되는 경향은?
60번
모노코크 보디 차량의 데이텀 라인을 중심으로 상방향으로 변형된 자동차의 파손 형태는?

연도별
- 2018년03월31일
- 2015년07월19일
- 2015년04월04일
- 2014년07월20일
- 2014년04월06일
- 2013년07월21일
- 2013년04월14일
- 2012년07월22일
- 2011년04월17일
- 2010년07월11일
- 2010년03월28일
- 2009년07월12일
- 2009년03월29일
- 2008년07월13일
- 2008년03월30일
- 2007년07월15일
- 2007년04월01일
- 2006년07월16일
- 2006년04월02일
- 2005년07월17일
- 2005년04월03일
- 2004년07월18일
- 2004년04월04일
- 2003년07월20일
- 2003년03월30일
- 2002년07월21일
- 2002년04월07일