전자기기기능사 (2002년01월27일 기출문제)
1과목 : 전기전자공학
1번
도체에 전기를 주었을 때 전하는 어느 부분에 많이 모여 있는가?
2번
쵸크 입력형 평활회로에서 리플을 작게 하려면 어떻게 하여야 하는가?
3번
그림에서 VCE가 -4[V]일 때 IC는 -4mA, IB는 -40㎂이다. 이 때 IE는 몇 ㎃ 인가?

4번
트랜지스터를 활성영역에서 사용하고자 할 때 E-B 접합부와 C-B 접합부의 바이어스는 어떻게 공급하여야 하는가?
5번
그림과 같은 증폭회로에서 되먹임(feed back)이 있을 때의 전압증폭도 Af는? (단, Vf: 되먹임전압, Vo: 출력전압, β: 되먹임계수임)

6번
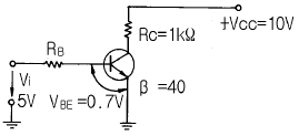
회로에서 TR의 VCE 가 0.1V로 포화될 때 β=40 이다. 입력에 전압 5V를 가할 때 RB 는 몇 kΩ 인가?

7번
그림은 UJT에 의한 기본 발진회로이다. 발진주기 τ 는? (단, 읠는 스탠드 오후비이다.)(문제와 보기 내용이 정확하지 않습니다. 정확한 보기와 문제 내용을 아시는분께서는 오류신고를 통하여 작성 부탁 드립니다. 정답은 3번입니다.)

8번
그림과 같은 회로의 출력파형은?

9번
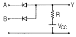
그림과 같은 논리회로는 어떠한 논리동작을 하는가? (단, 정논리로 가정한다.)

10번
AM변조시에 과변조를 행하였을 때 일어나는 현상이 아닌 것은?
11번
그림과 같은 회로에 대한 설명으로 옳은 것은?

12번
SCR의 설명으로 옳은 것은?
13번
반파정류회로에서 저항 r의 역할은?

14번
진폭변조의 반송파 전력이 100㎾일 때 80%의 변조를 하면 피변조파의 소비전력은 몇 ㎾ 인가?
15번
플립플롭(FF)회로의 설명으로 틀린 것은?
2과목 : 전자계산기일반
16번
논리회로 중 Fan Out가 가장 큰 회로는?
17번
리플레시가 필요한 메모리는?
18번
1024 × 8bit의 용량을 가진 ROM에서 address bus와 data bus의 필요한 선로 수는?
19번
다음 순서도에 사용되는 기호와 내용이 옳지 않은 것은?
20번
"마이크로프로세서의 기계어 명령 형식은 ( )와( )로 구성된다" ( )안에 알맞은 용어는?
21번
16비트 어드레스 버스(address bus)를 갖는 마이크로 컴퓨터의 주기억장치 최대 용량은?
22번
코드에 오류가 발생하면 자체적으로 교정이 가능한 코드는?
23번
주기억장치의 용량을 보다 크게 사용하기 위한 것으로 하드디스크 장치의 용량을 주기억장치와 같이 사용할 수 있도록 한 메모리는?
24번
주기억장치의 속도를 중앙처리장치의 속도로 증가시키기 위해 개발된 기억장치는?
25번
드모르간(Demorgan) 법칙에서 (x+y+z)'의 결과는?
26번
정해진 데이터를 입력하여 원하는 출력 정보를 얻기 위하여 적용할 처리 방법과 순서를 설계하는 과정은?
27번
스택(stack)과 관계없는 것은?
28번
두 개의 2진수 11000010과 11000011의 AND 연산을 수행한 결과로 올바른 것은?
29번
피측정량과 일정한 관계가 있는 몇개의 서로 독립된 양을 측정하고, 그 결과로부터 계산에 의하여 피측정량을 구하는 방법은?
30번
오차의 종류 중 계통 오차에 속하지 않는 것은?
3과목 : 전자측정
31번
싱크로스코프로 직접 측정할 수 없는 것은?
32번
DC 전용으로 쓰이면서 균등 눈금인 계기는?
33번
가동 코일형 계기의 특징 중 옳지 않은 것은?
34번
열전대 전류계를 높은 주파수에 사용시 일어나는 오차가 아닌 것은?
35번
회전 자장이 원통 D와 쇄교하면 맴돌이 전류가 흐른다. 이 맴돌이 전류와 회전 자장 사이의 전자력에 의하여 알루미늄 원통에 구동 토크가 생기게 된다. 위 설명으로 보아 가장 알맞는 계기의 명칭은?
36번
헤테로다인 주파수계의 정밀도를 높이기 위하여 사용되는 교정용 발진기는?
37번
Wein Bridge는 무엇을 측정하는데 사용하는가?
38번
고감도 미소 전류계로서 미소한 전류의 유ㆍ무를 검출하거나 또는 영위법을 이용하는 브리지 회로의 검출기로 쓰이는 것은?
39번
참값이 50[V]인 전압을 측정하였더니 51.4[V] 였다. 이 때의 오차 백분율은?
40번
레벨계 단위(㏈m)의 정의 중 옳은 것은?
41번
유전가열은 어떤 원리를 이용하여 가열하는 방식인가?
42번
유도가열에서 가열 목적에 따라 피열물을 거의 균일한 온도로 가열하는 것은?
43번
초음파 측심기로 물의 깊이를 측정할 때 옳은 식은? (단, v : 초음파속도, t : 시간)
44번
전자냉동은 다음 중 무슨 효과를 이용한 것인가?
45번
반도체의 성질을 가지고 있는 물질(형광체를 포함)에 전장을 가하였을 때 생기는 현상을 무엇이라고 하는가?
4과목 : 전자기기 및 음향영상기기
46번
신호변환 검출에서 다이아프램 조절기는 무엇을 변위시키는가?
47번
자동 온수기에서 서로 관계되지 않는 것은?
48번
다음 그림에서 종합 전달 함수는 어떻게 표시되는가 ?

49번
아래 도면은 기상관측에 이용하는 라디오존데 방식 중 변조 주파수를 변화 방식에 사용하는 회로이다. 적당한 회로 명칭은?

50번
라디오 존데의 변환기 중 모발의 변화에 따라 발진주파수를 변화시키는 장치는 무엇을 측정할 때 사용되는가?
51번
태양전지는 다음의 무슨 효과를 이용한 것인가?
52번
수신기에서 주파수 다이버시티(frequency diversity) 사용의 주된 목적은?
53번
FM 검파 회로에서 레시오(ratio) 검파 회로가 사용되는 주된 이유는?
54번
수우퍼 헤테로다인 수신기에서 중간 주파 증폭을 하는 이유로 거리가 먼 것은?
55번
녹음기 회로에서 전체의 주파수 특성을 평탄하게 하기 위하여 주파수 보상을 하게 되는데, 녹음시에는 어떤 주파수 특성을 보상하게 되는가?
56번
자기 녹음기의 녹음 특성은 일반적으로 저역에서 저하되는 경향이 있다. 이 특성을 보상하기 위한 회로는?
57번
정류회로에서 리플함유율을 줄이는 방법으로 가장 이상적인 것은?
58번
다이오드를 사용한 정류회로에서 과대한 부하 전류에 의하여 다이오드가 파손될 우려가 있을 경우, 이를 방지하기 위해서는 어떻게 해야 하는가?
59번
VHS 방식 VTR 테이프의 처음과 끝부분에 자성체가 없는 투명한 폴리에스테르 필름이 있는데, 이것의 용도는 무엇인가?
60번
출력이 500W 인 송신기의 공중선에 5A 의 전류가 흐를 때 복사저항은?
연도별
- 2016년07월10일
- 2016년04월02일
- 2016년01월24일
- 2015년10월10일
- 2015년07월19일
- 2015년04월04일
- 2015년01월25일
- 2014년10월11일
- 2014년07월20일
- 2014년04월06일
- 2014년01월16일
- 2013년10월12일
- 2013년07월21일
- 2013년04월14일
- 2013년01월27일
- 2012년10월20일
- 2012년07월22일
- 2012년04월08일
- 2012년02월12일
- 2011년10월09일
- 2011년07월31일
- 2011년04월17일
- 2011년02월13일
- 2010년10월03일
- 2010년07월11일
- 2010년03월28일
- 2010년01월31일
- 2009년09월27일
- 2009년07월12일
- 2009년03월29일
- 2009년01월18일
- 2008년10월05일
- 2008년07월13일
- 2008년03월30일
- 2008년02월03일
- 2007년09월16일
- 2007년07월15일
- 2007년04월01일
- 2007년01월28일
- 2006년10월01일
- 2006년07월16일
- 2006년04월02일
- 2006년01월22일
- 2005년10월02일
- 2005년07월17일
- 2005년04월03일
- 2005년01월30일
- 2004년10월10일
- 2004년07월18일
- 2004년04월04일
- 2004년02월01일
- 2003년10월05일
- 2003년07월20일
- 2003년03월30일
- 2003년01월26일
- 2002년10월06일
- 2002년07월21일
- 2002년04월07일
- 2002년01월27일