전자캐드기능사 (2012년04월08일 기출문제)
1과목 : 전기전자공학(대략구분)
1번
다음 그림과 같은 트랜지스터회로에서 IC는 얼마인가? (단, BDC는 50이다.)

2번
연산증폭기에서 두 입력 단자가 접지되었을 때 두 출력 단자 사이에 나타나는 직류전압의 차는?
3번
자석에 의한 자기 현상의 설명으로 옳은 것은?
4번
주로 100[kHZ] 이하의 저주파용 정현파 발신회로로 가장 많이 사용되는 것은?
5번
다음 중 디지털 변조에 속하지 않는 것은?
6번
100[V]용 500[W] 전열기의 저항값은?
7번
정현파 교류전압의 최대치와 실효치와의 관계는?
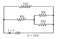
8번
그림과 같은 회로에서 전류 I는 몇 [A] 인가?

9번
다음 설명에 가장 적합한 법칙은?

10번
차동증폭기에 대한 설명으로 적합하지 않은 것은?
11번
주파수 변조에 대한 설명으로 가장 적합한 것은?
12번
일반적인 반도체의 특성으로 접합하지 않은 것은?
13번
부궤한 증폭기의 일반적인 특징에 속하지 않는 것은?
14번
전계효과트랜지스터(FET)에 대한 설명으로 옳지 않은 것은?
15번
그림과 같은 트랜지스터회로에서 VIN=0[V]일때 VCE 는 얼마인가?

2과목 : 전자계산기일반(대략구분)
16번
주기적으로 재기록하면서 기억 내용을 보존해야 하는 반도체 기억장치는?
17번
컴퓨터와 오퍼레이터 사이에 필요한 정보를 주고 받을 수 있는 장치는?
18번
속도가 빠른 중앙처리장치와 속도가 느린 주기억장치 사이에 위치하며 주 장치간의 속도 차를 줄여 컴퓨터의 전체적인 동작 속도를 빠르게 하는 기억장치는?
19번
각 세그먼트를 하나의 프로그램이 되도록 연결하고, 에셈블러가 번역한 목적프로그램을 실행 모듈로 바꾸어 주는 프로그램은?
20번
컴퓨터 내부에서 문자를 표현하는 방식은?
21번
다음 그림은 어떤 주소 지정 방식인가?

22번
명령어 형식에 오퍼랜드(operand)부의 역할이라고 할 수 없는 것은?
23번
프로그래밍에 사용하는 고급언어 중 절차지향언어에 포함되지 않는 것은?
24번
다음 논리연산 명령어 중 누산기의 값이 변하지 않는 것은? (단, 여기서 X는 임의의 8bit 데이터이다.)
25번
컴퓨터가 직접 인식하여 실행할 수 있는 언어로서, 2진수 “0”과 “1”만을 이용하여 명령어와 데이터를 나타내는 언어는?
26번
다음 중 “0”에서부터 “9”까지의 10진수를 4비트 2진수로 표현하는 코드는?
27번
16진수 (28C)16를 10진수로 변환한 것으로 옳은 것은?
28번
PCB 제조 과정에서 프린트 배선판 상의 특정 영역에 하는 내열성 비폭 재료로 납땜 작업할 때 이 부분이 땝납이 붙지 않도록 하는 레지스트는?
29번
입ㆍ출력 장치로 모두 이용되고 있는 것은?
30번
도면으로부터 위치 좌표를 읽어들이고, 메뉴를 선택하여 도면 작업을 하는데 사용할 심벌 등을 메뉴에 등록시켜놓고, 필요할 때 불러내어 그려 넣을 수 있도록 하는 장치는?
3과목 : 전자제도(CAD) 이론(대략구분)
31번
다음 중 A4 용지의 크기에 해당되는 것은? (단, A0 : 841mm × 1189mm)
32번
다음 다이오드 중 정전압 용도로 쓰이는 것은?
33번
절연기판을 얇은 필름으로 만들어서 가요성과 유연성을 가지도록 한 인쇄회로기판(PCB)은?
34번
청사진으로 만들어진 전자 도면을 컴퓨터용 DATA 파일로 만들려면 다음 중 어떤 입력장치가 필요한가?
35번
PCB Artwork에서 배선하는 과정을 나타내는 용어는?
36번
부품이 PCB에 삽입 될 때에 부품의 리드가 삽입되는 Hole 주위에 입혀지는 엷은 구리 판막의 명칭은?
37번
일반적인 고주파회로를 설계할 때 유의사항과 거리가 먼 것은?
38번
전자회로에서 부분 상호간에 전달되는 신호의 계통을 알기 쉽게 나타낸 선도로서 계통도 또는 구성도라고 하는 것은?
39번
CAD 작업에 의하여 만들어진 부품 간의 결선정보, 부품번호, 핀 번호 등의 데이터를 말하며, 이 데이터를 기초로 배선 패턴의 설계 (Artwork) 가 이루어진 것은?
40번
세라믹 콘덴서의 표면에 “102K"로 표기되어 있다면 이 콘덴서이 정전용량 값과 허용오차 값은?
41번
수동소자로 전류의 흐름에 따라 자기에너지를 저장하며, 전류가 급하게 변화하는 것을 억제하기 위해 사용되는 소자는?
42번
반도체 소자 중 전압의 크기에 따라 저항 값이 변하는 소자는?
43번
전자 회로도를 작성 할 때 고려해야 할 사항에 대한 설명으로 옳지 않는 것은?
44번
부품의 배치가 완료된 이후 핀(pin) 간의 배선 작업을 의미하는 것은?
45번
다음에 나타내는 부품은 무엇을 설명하고 있는가?

46번
다음은 다층인쇄회로(PCB) 공정 중 한 단계이다. 무엇을 설명한 것인가?

47번
전자 부품의 배치도를 작성할 때 고려해야 할 사항으로 옳지 않은 것은?
48번
CAD시스템에 의한 제품 설계 및 도면 작성의 결과로 볼 수 없는 것은?
49번
CAD용 소프트웨어 구성이라고 볼 수 없는 것은?
50번
물체의 실체 길이와 도면에서 축소 또는 확대하여 그리는 길이의 비율을 척도라 하는데 실물보다 작게 그리는 척도는?
51번
전자캐드의 특징 설명으로 틀린 것은?
52번
다음 중 전자통신기기의 패널을 설계 제도 할 때 유의할 점으로 옳은 것은?
53번
PCB DESIGN에서 설계 오류를 검사하는 기능은?
54번
인쇄회로기판(PCB) 설계용 CAD에서 일반적인 배선 알고리즘이 아닌 것은?
55번
5색으로 표시된 고정 저항의 색에 대한 설명으로 옳은 것은?
56번
3000[Ω] 저항을 배치하고 그 값을 표시한 것 중 가장 적절한 표시 방법은?
57번
다음 중 설계된 PCB 도면의 외곽 사이즈(size)가 1000×2000[mil]일 때, 이를 [mm]로 환산하면?
58번
CAD 프로그램의 이용 설계시 정확한 부품의 위치 및 배선결선을 위해 화면상의 점 혹은 선으로 나타내어진 가상의 좌표는?
59번
다층 프린트 배선에서 도금관통구멍과 전기적 접속을 하지 않도록 하기 위하여 도금 관통구멍을 감싸는 부분에 도체 패턴의 도전재료가 없도록 한 영역을 무엇이라 하는가?
60번
다음 중 블록선도에서 사용하는 삼각형 도형이 사용되는 것은?
연도별
- 2016년07월10일
- 2016년04월02일
- 2016년01월24일
- 2015년10월10일
- 2015년07월19일
- 2015년04월04일
- 2015년01월25일
- 2014년10월11일
- 2014년07월20일
- 2014년04월06일
- 2013년10월12일
- 2013년07월21일
- 2013년04월14일
- 2012년10월20일
- 2012년07월22일
- 2012년04월08일
- 2011년10월09일
- 2011년07월31일
- 2011년04월17일
- 2010년10월03일
- 2010년07월11일
- 2010년03월28일
- 2009년09월27일
- 2009년07월12일
- 2009년03월29일
- 2008년07월13일
- 2008년03월30일
- 2007년09월16일
- 2006년10월01일
- 2006년04월02일
- 2005년07월17일
- 2004년07월18일
- 2003년07월20일
- 2002년12월08일