공조냉동기계기능사 (2004년07월18日 기출문제)
1과목 : 공조냉동안전관리
1번
줄 작업 할 때의 안전수칙에 어긋나는 것은?
2번
다음 중 장갑을 끼고 하여도 좋은 작업은?
3번
다음 중 재해 조사 시에 유의하지 않아도 좋은 것은?
4번
보일러 사고원인 중 파열사고의 원인이 될 수 없는 것은?
5번
다음 중 암모니아 냉매가스의 누설검사로 적합하지 않은 것은?
6번
연소실내 폭발 등으로 부터 보호하기 위한 안전장치는?
7번
드라이버 끝이 나사홈에 맞지 않으면 뜻밖의 상처를 입을 수가 있다. 드라이버 선정시 주의사항이 아닌 것은?
8번
다음 가스 용접법의 장점 중 틀린 것은?
9번
산소 아세틸렌 용접장치에서 ①산소호스와 ②아세틸렌호스의 색깔로 맞는 것은?
10번
보호구 선정 조건에 해당되지 않는 것은?
11번
액체연료 사용시 화재가 발생되었다. 조치사항으로 옳지 않는 것은?
12번
안전 교육 중 양성 교육의 교육 대상자가 아닌 것은?
13번
다음은 쇠톱작업 시의 유의사항이다. 틀린 것은?
14번
전기 기기의 방폭구조의 형태가 아닌 것은?
15번
보일러가 부식하는 원인으로 볼 수 없는 것은?
2과목 : 냉동기계
16번
동력의 단위 중 그 값이 큰 순서대로 나열이 된 것은? (단, ㎰는 국제 마력이고, HP 는 영국 마력임)
17번
비중 0.8, 비열 0.7인 30℃의 어떤 액체 3m3을 10℃로 냉각 하고자 할 때 제거열량은 몇 ㎉ 인가?
18번
냉동이란 저온을 생성하는 수단 방법이다. 다음 중 저온 생성 방법에 들지 못하는 것은?
19번
기준 냉동 사이클에서 토출 온도가 제일 높은 냉매는?
20번
다음 중 암모니아 냉매의 단점에 속하지 않는 것은?
21번
암모니아와 프레온 냉동 장치를 비교 설명한 다음 사항 중 옳은 것은?
22번
압축기 분해시, 다음 부품 중 제일 나중에 분해되는 것은?
23번
압축기의 용량제어의 목적이 아닌 것은?
24번
대기 중의 습도가 냉매의 응축온도에 관계있는 응축기는?
25번
다음 회전식(Rotary) 압축기의 설명 중 틀린 것은?
26번
냉각탑 부속품 중 엘리미네이터(Eliminator)가 있는데 그 사용목적은?
27번
다음 쿨링 타워에 대한 설명 중 옳은 것은?
28번
온도식 액면 제어변에 설치된 전열히타의 용도는?
29번
다음 중 고속 다기통 압축기의 장점이 아닌 것은?
30번
유분리기의 설치 위치로서 알맞는 것은?
31번
암모니아 냉동기의 압축기에 공냉식을 채택하지 않는 이유는?
32번
다음 중 옳은 것은?
33번
보온재나 보냉재의 단열재는 무엇을 기준으로 구분하는가?
34번
비교적 점도(粘度)가 큰 유체 또는 약간의 저항에도 정출(晶出)하는 유체의 흐름에 사용되는 것은?
35번
관의 직경이 크거나 기계적 강도가 문제될 때 유니온 대용으로 결합하여 쓸 수 있는 것은?
36번
고압측 액관에 설치한 여과기의 메쉬(Mesh)는 어느 정도인가?
37번
2개 이상의 엘보를 사용하여 배관의 신축을 흡수하는 신축이음은?
38번
동관접합중 동관의 끝을 넓혀 압축이음쇠로 접합하는 접합방법을 무엇이라고 표현하는가?
39번
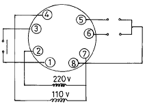
그림은 8핀 타이머의 내부회로도이다. ⑤, ⑧접점을 표시한 것은 무엇인가?

40번
P - h 선도상의 번호 명칭 중 맞는 것은?

41번
냉동사이클의 변화에서 증발온도가 일정할 때 응축온도가 상승할 경우의 영향으로 맞는 것은?
42번
다음 중 냉매의 물리적 조건이 아닌 것은?
43번
2단 압축을 채용하는 목적이 아닌 것은?
44번
저항이 250[Ω]이고 40[W]인 전구가 있다. 점등시 전구에 흐르는 전류는 몇[A]인가?
45번
100V 교류 전원에 1kW 배연용 송풍기를 접속하였더니 15A의 전류가 흘렀다. 이 송풍기의 역률은?
3과목 : 공기조화
46번
유효온도와 관계가 없는 것은?
47번
다음 그림에서 A점의 상대습도는 몇 %인가?

48번
습공기의 정압비열은 Cp=0.24+0.441x로 나타낸다. 여기서 x는 무엇을 가리키는가?
49번
다음 공조부하 현열, 잠열로 이루어진 것은?
50번
저속 덕트의 이점에 속하지 않는 것은?
51번
다음과 같은 공기조화 방식의 분류 중 공기-물 방식이 아닌 것은?
52번
공조기에 사용되는 에어 필터의 여과효율을 검사 하는데 사용되는 방법과 거리가 먼 것은?
53번
다음 덕트의 부속품 중에서 풍량 조절용 댐퍼가 아닌 것은?
54번
덕트 내를 흐르는 풍량을 조절 또는 폐쇄하기 위해 쓰이는 댐퍼로써 특히 분기되는 곳에 설치하는 풍량 조절 댐퍼는?
55번
온수난방 설비에서 고온수식과 저온수식의 기준온도는 몇 ℃인가?
56번
냉방부하 계산시 실내에서 취득하는 열량이 아닌 것은?
57번
판넬난방에서 실내 주벽의 온도 tw = 25℃, 실내 공기의 온도 ta = 15℃라고 하면 실내에 있는 사람이 받는 감각 온도 te는 몇 ℃인가?
58번
공기조화 설비의 구성요소가 아닌 것은?
59번
수관식 보일러의 장점이 아닌 것은?
60번
공기 예열기 사용시 이점을 열거한 것 중 아닌 것은?
연도별
- 2016년07월10일
- 2016년04월02일
- 2016년01월24일
- 2015년10월10일
- 2015년07월19일
- 2015년04월04일
- 2015년01월25일
- 2014년10월11일
- 2014년07월20일
- 2014년04월06일
- 2014년01월26일
- 2013년10월12일
- 2013년07월21일
- 2013년04월14일
- 2013년01월27일
- 2012년10월20일
- 2012년07월22일
- 2012년04월08일
- 2012년02월12일
- 2011년10월09일
- 2011년07월31일
- 2011년04월17일
- 2011년02월13일
- 2010년10월03일
- 2010년07월11일
- 2010년03월28일
- 2010년01월31일
- 2009년09월27일
- 2009년07월12일
- 2009년03월29일
- 2009년01월18일
- 2008년10월05일
- 2008년07월13일
- 2008년03월30일
- 2008년02월03일
- 2007년09월16일
- 2007년07월15일
- 2007년04월01일
- 2007년01월28일
- 2006년10월01일
- 2006년07월16일
- 2006년04월02일
- 2006년01월22일
- 2005년10월02일
- 2005년07월17일
- 2005년04월03일
- 2004년10월10일
- 2004년07월18일
- 2004년04월04일
- 2003년10월05일
- 2003년07월20일
- 2003년01월26일
- 2002년10월06일
- 2002년04월07일
- 2002년01월27일
- 2001년10월14일
- 2001년07월22일
- 2001년04월29일