기계조립산업기사 (2004년03월07일 기출문제)
1과목 : 기계가공법 및 안전관리
1번
절삭공구재료로 사용하는 스텔라이트의 주성분은?
2번
바이트 끝 반지름이 1.5㎜의 바이트로 0.08 ㎜/rev 의 이송으로 깎았을 때 이론상의 최대 표면 거칠기는 얼마인가?
3번
어미나사의 피치 8㎜인 영식 선반에서 피치 1㎜의 나사를 깎을 때의 변환 기어를 구하면?

4번
5½ ° 를 분할할 때 분할 크랭크의 회전수로 맞는 것은?
5번
밀링작업에서 헬리컬 홈을 가공할 경우 일감의 비틀림각 θ =36° 28' 만큼 헬리컬 방향에 맞추어 테이블을 선회하여 고정했을 때 일감의 리드를 108㎜라면 일감의 지름은 몇 ㎜ 정도인가?
6번
밀링머신에서 할 수 없는 가공은?
7번
연삭숫돌의 입자를 결합하여 형성하는 결합체를 종류별 기호로 짝지은 것이 잘못된 것은?
8번
마이크로미터의 보관방법 중 틀린 것은?
9번
직각 삼각형의 삼각함수에 의하여 각도를 길이로 계산하여 간접적으로 각도를 구하는 방법으로, 블록 게이지와 함께 사용하여 구하는 것은?
10번
일반적으로 손다듬질 가공에 해당되지 않는 것은?
11번
초경 바이트를 공구대에 고정할 때의 요점을 설명한 것으로 가장 옳은 사항은?
12번
퓨즈가 끊어져 다시 끼웠을 때, 다시 끊어졌다면 어떻게 해야 하는가?
13번
빌트업에지(built-up edge)의 영향이 아닌 것은?
14번
산화알루미늄(Al2O3) 미분말에 규소(Si) 및 마그네슘(Mg)의 산화물 또는 다른 산화물의 첨가물을 넣고 소결한 공구재료이며 흰색, 분홍색, 회색, 검은색 등이 있다. 다듬질가공에는 적합하나 중절삭에는 적합하지 못한 공구재료는?
15번
수평밀링머신에서 커터의 고정방법이 아닌 것은?
16번
조직이 거친 연삭숫돌의 선택기준이 바르게 설명된 것은?
17번
드릴링머신에서, 얇은 철판이나 동판에 구멍을 뚫을 때에는 어떤 방법이 제일 좋은가?
18번
작업 중 정전되었을 때 안전한 행동으로 가장 거리가 먼 사항은?
19번
작업중 사람이 감전되었을 때 최우선 조치는?
20번
냉각효과가 크고, 윤활성도 있으며 보편적으로 많이 사용되는 절삭유는?
2과목 : 기계설계 및 기계재료
21번
60° 센터 게이지 (center gauge)는 무엇을 할 때 사용하나?
22번
선삭에서, 돌리개(dog) 및 돌림판(driving plate) 의 종류로 틀린 것은?
23번
선반의 가로 이송대에 6mm의 리드(lead)로써 100등분 눈금의 핸들이 달려있을 때 지름 36mm의 둥근막대를 지름 33mm로 절삭하려면 핸들의 눈금을 몇 눈금 돌리면 되는가?
24번
연삭숫돌 바퀴의 설치에 관한 설명으로 옳지 않은 것은?
25번
주철의 호닝작업시 공작액으로 가장 적합한 것은?
26번
슬로터에서, 일반적으로 가공할 수 없는 것은?
27번
인벌류우트 곡선을 그리는 원리를 응용한 이의 절삭방법을 무엇이라고 하는가?
28번
드릴작업할때 절삭속도 25 m/min, 드릴지름 22 mm, 이송을 0.1 mm/rev, 드릴끝의 원추높이를 6 mm라고 할 때 깊이 100 mm인 구멍을 뚫을 때 소요시간은 몇 분인가?
29번
CNC선반에서 주로 많이 쓰이는 각기능의 예를 ( )안에나타낸 것이다. 잘못된 것은?
30번
일반적으로 사용되는 칩 브레이커 종류가 아닌 것은?
31번
다음 중 비중이 가장 낮은 금속은?
32번
황동의 자연균열(season crack)이 일어나는 원인은?
33번
다음 중 리드가 가장 큰 나사는?
34번
단식 블럭 브레이크에서 브레이크 드럼과 브레이크 블럭사이의 압력 W=150kgf, 마찰계수 μ=0.25, 드럼의 지름 D=40cm라고 할때 브레이크 토크는 몇 kgf∙mm인가?
35번
안지름 60mm, 파이프의 두께 4mm의 강철 파이프에 내압력 20kgf/cm2의 증기를 공급할 때 파이프에 발생하는 최대 원주응력은 얼마인가? (단, 얇은 원통으로 보고 계산한다.)
36번
초경 합금 공구에 대한 설명 중 옳지 않은 것은?
37번
고체 침탄할 때 촉진제로 사용되는 화합물은?
38번
퓨즈, 활자, 안전장치, 정밀모형 등에는 저 용융점 합금이 사용되는데 이에 해당되지 않는 것은?
39번
스프링의 기능 중 틀린 것은?
40번
탄소강에서 황의 영향은 무엇인가?
3과목 : 기계제도 및 CNC 공작법
41번
다음중 일반적으로 안전율을 산정할 때 사용되는 기준 강도를 짝지은 것으로 옳지 않은 것은?
42번
스파이럴각이 0인 한 쌍의 스파이럴 베벨기어를 무엇이라고 하는가?
43번
KS 기계제도 도면 규격 A 4 의 치수는?
44번
대상물의 일부를 파단한 경계 또는 일부를 떼어낸 경계를 표시하는 선으로 가장 적합한 것은?
45번
물체의 한쪽면이 경사되어 평면도나 측면도로는 물체의 형상을 나타내기 어려울 경우 가장 적합한 투상법은?
46번
보기 도면과 같이 끼워맞춤부분 치수가
로 기입되어 있을 때, 끼워 맞춤의 종류는?
로 기입되어 있을 때, 끼워 맞춤의 종류는?
47번
다음 중 기하공차의 종류별 기호에서 선의 윤곽도 공차를 나타내는 기호는?
48번
그림과 같이 가공에 의한 줄무늬 방향이 동심원 모양 일 때 기호를 나타낸 것은?

49번
그림과 같은 비중이 7.7 인 연강제 축의 중량은 약 몇 gr(그램) 인가?

50번
도면의 테이퍼가 2. 21. 일 때 ( )의 치수로 적합한 것는?

51번
보기와 같은 정면도와 우측면도에 대한 평면도로 가장 적합한 것은?

52번
보기의 입체도를 투상한 투상도 중 잘못 투상된 것은?

53번
보기와 같은 입체도를 화살표 방향에서 본 투상도로 가장 적합한 것은?

54번
도면에 나사의 표시가 M 50 × 2 - 6H 로 만 기입되어 있을 경우 다음 중 올바른 설명은?
55번
변압기의 1차권수가 180회이고, 2차권수가 120회인 경우 변압기 2차측 전압이 100V이면 1차전압은 몇 V 인가?
56번
무효전력이 없는 부하는?
57번
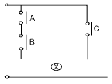
그림과 같은 계전기 접점회로의 논리식은?

58번
절연저항을 측정할 수 있는 측정기기는?
59번
두 자극간의 거리를 2배로 하면 자극사이에 작용하는 힘은 몇 배로 되는가?
60번
그림과 같은 회로의 합성 저항값은 몇 Ω 인가?
