무선설비기사 (2013년10월12일 기출문제)
1과목 : 디지털 전자회로
1번
반파정류회로를 사용한 전원설비를 전파정류회로로 변경하면 리플률은 어떻게 변화되는가?
2번
정류회로 출력 성분 중 교류인 리플을 제거하기 위해 정류회로 다음 단에 접속되는 회로는 무엇인가?
3번
다음 중 정전압 회로의 안정도 파라미터에 해당되지 않는 것은?
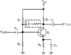
4번
다음 주어진 회로에서 점선으로 표시된 회로의 기능이 아닌 것은?

5번
다음 중 FET(Field Effect Transistor) 대한 설명으로 옳지 않은 것은?
6번
그림과 같은 에미터폴로우 회로에서 h-파라메타가 hie=2.1[kΩ], hfe=100이고, R1=10[kΩ], R2=10[kΩ], Re=4[kΩ]일 때, 입력저항은 약 얼마인가?

7번
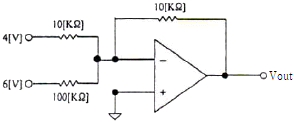
다음과 같은 연산증폭기 회로의 출력 전압은?

8번
다음 중 발진조건에 대한 설명으로 틀린 것은?
9번
수정발진기는 어떤 효과를 이용한 것인가?
10번
다음 중 위상변조에 대한 설명으로 틀린 것은?
11번
펄스부호변조(PCM) 방식에서 아날로그 신호를 디지털 신호로 변환시키는 과정을 바르게 나타낸 것은?
12번
다음 그림과 같은 주기적인 펄스파형의 듀티비(Duty Ratio)는 얼마인가? (단, to=30[μs], T=150[μs])

13번
RC 회로의 출력에서 최종치의 10[%]~90[%]까지 얻는데 소요되는 시간을 무엇이라 하는가?
14번
십진수 10.375를 2진수로 변환하면?
15번
다음 그림에서 정논리의 경우 게이트 명칭은?

16번
플립플롭은 몇 개의 안정 상태를 갖는가?
17번
조합 논리 회로 중 0과 1의 조합으로 부호화를 행하는 회로로 2n개의 입력선과 n개의 출력 선으로 구성된 것은?
18번
플립플롭 4개로 구성된 계수기가 가질 수 있는 최대의 2진 상태는 몇 가지인가?
19번
다음 회로는 어떤 회로인가?

20번
다음 중 계수형 전자 계산기(Digital Computer)의 보조 기억 장치가 아닌 것은?
2과목 : 무선통신 기기
21번
이득 및 잡음지수가 각각 G1, G2,…와 F1, F2,…인 부품들이 직렬로 연결되어 있을 때, 전체 잡음지수는 어떻게 되는가?
22번
AM에서 가장 좁은 대역폭을 사용하는 것은?
23번
정보신호가 m(t)=cos(2πfmt)인 정현파를 반송파 fc를 사용하여 SSB변조하는 경우 변조된 신호의 스펙트럼을 모두 나타낸 것은?
24번
ASK와 BPSK를 비교하여 설명한 것으로 틀린 것은?
25번
다음의 그림에 나타난 성상도는 어떤 변조방식에 대한 성상도인가?

26번
다음 중 FSK 방식에 대한 설명으로 옳은 것은?
27번
다음 중 디지털송신설비에 대한 설명으로 틀린 것은?
28번
다음 중 레이더 시스템의 구성요소가 아닌 것은?
29번
다음은 GPS를 설명한 것이다. 잘못된 것은?
30번
다음 중 ILS의 구성요소가 아닌 것은?
31번
다음 중 축전지 용량 감퇴의 직접적인 원인이 아닌 것은?
32번
다음 중 태양전지의 최대 전력량을 생산하기 위한 컨트롤 기술은?
33번
다음 중 전원을 일정시간 동안 공급할 수 있는 장치는?
34번
정류회로에서 직류전압이 200[V]이고, 리플전압이 2[V]라면 맥동률(리플)은 얼마인가?
35번
다음 중 상호변조의 방지대책에 해당되지 않는 것은?
36번
수신기의 안정도는 수신기를 구성하는 어떤 요소의 주파수 안정도에 의해 결정되는가?
37번
반사계수가 0.2 일 때 정재파비는 얼마인가?
38번
안테나 실효고 측정방법중의 하나인 표준 안테나에 의한 방법에서 표준 안테나로 주로 사용되는 안테나는?
39번
평활회로는 어떤 필터의 역할을 수행하는가?
40번
다음 중 전지의 내부저항을 측정하기 위해 사용되는 브리지로 적합한 것은?
3과목 : 안테나 공학
41번
평면파의 설명으로 잘못된 것은? (단, ε0 : 진공의 유전율, μ0 : 진공의 투자율, εs : 비유전율, μs : 비투자율, c : 빛의 속도)
42번
자유공간에서, 전파가 20[μs] 동안 전파되었을 때 진행한 거리는 어느 정도인가?
43번
자유 공간의 특성 임피던스는 근사치로 약 얼마인가?
44번
다음 중 비 동조 급전선의 설명으로 옳지 않은 것은?
45번
다음 중 급전선의 필요조건이 아닌 것은?
46번
마이크로파 송신기의 전력 측정에 사용되는 방향성 결합기로 측정할 수 없는 것은?
47번
그림은 λ/4 결합기를 나타낸 것이다. 알맞은 조건식은?

48번
다음 중 정재파에 대한 설명으로 맞지 않는것은?
49번
미소다이폴을 수직으로 놓았을 때 수평면의 지향성 계수는?
50번
안테나 Q(Quality Factor)의 파라미터에 해당하지 않는 것은?
51번
방사효율이 0.7인 안테나에서 손실전력이 3[W]일 때, 이 안테나에서 방사되는 전력은?
52번
전송선로의 특성에 의한 분류 중 전자계모드의 분류로 옳지 않은 것은?
53번
다음 중 절대이득을 측정할 수 있는 표준형 안테나로 사용 할 수 있는 안테나는?
54번
다음 중 다중 접지방식에 대한 설명으로 틀린 것은?
55번
송ㆍ수신점간의 거리가 정해졌을 때 LUF를 결정하는 요인과 거리가 먼 것은?
56번
지표면에서 전리층을 향해 수직으로 펄스파를 발사한 후 2[ms] 후에 생기는 반사파는 어느 전리층에서 반사한 것인가?
57번
신틸레이션 페이딩에 대한 설명 중 틀린 것은?
58번
다음 중 우주잡음에 대한 설명으로 틀린 것은?
59번
지표파 전파의 특징과 관계없는 것은?
60번
라디오 덕트를 발생시키는 원인으로 볼 수 없는 것은?
4과목 : 무선통신 시스템
61번
양측파대(DSB)로부터 단일 측파대(SSB)를 얻기 위하여 사용하는 여파기(Filter)는?
62번
다음 중 슈퍼헤테로다인(Superheterodyne) 수신기에서 영상 주파수 방해를 경감하는 방법으로 적합하지 않은 것은?
63번
무선통신의 다중 엑세스(다중접속) 방식에 대한 설명으로 잘못된 것은?
64번
다음 중 이동통신 고속데이터 전송을 위해 사용되는 터보코드에 대해 잘못 설명한 것은?
65번
다음 중 마이크로웨이브 중계 전송로 설계 시 고려 사항이 아닌 것은?
66번
다음 중 RFID 기술의 특성 설명으로 틀린 것은?
67번
다음 중 Bluetooth에 대한 설명으로 틀린 것은 무엇인가?
68번
이동통신에서 사용되는 대역확산 변조 방식인 DS-CDMA에서는 확산 코드로 정보 비트를 확산한다. 전송 정보 비트와 확산코드가 아래 그림과 같다면 환산이득은 얼마인가?

69번
우리나라의 3세대 디지털 이동전화에서 사용하는 다원 접속 방식은?
70번
DMB(Digital Multimedia Broadcast) 시스템에 대한 설명으로 적합하지 않은 것은?
71번
다음 중 우리나라에서 사용하고 있는 지상파 디지털 TV 전송 표준은?
72번
다음 중 프로토콜에 관한 설명으로 옳은 것은?
73번
다음 중 통신 프로토콜의 주요 특징에 대한 설명으로 틀린 것은?
74번
다음 중 계층과 관련기술을 잘못 짝지은 것은?
75번
다음 중 상위의 계층에서 주어진 정보를 공통으로 이해할 수 있는 표현 형식으로 변환하는 기능을 제공하는 계층은?
76번
다음 중 모바일 IP의 구성요소가 아닌 것은?
77번
저주파 전력증폭기의 출력측 기본파 전압이 80[V], 제2, 제3고조파 전압이 각각 8[V], 6[V] 라면 왜율은 얼마인가?
78번
다음 중 무선통신시스템의 유지보수 기능이 아닌 것은?
79번
다음 중 부표 등에 탑재되어 위치 또는 기상 자료 등을 자동으로 송출하는 무선 설비는?
80번
다음 중 잡음방해와 개선 방법으로 적합하지 않은 것은?
5과목 : 전자계산기 일반 및 무선설비기준
81번
다음 중 자기 디스크의 특징이 아닌 것은?
82번
2진수 10111011에 대해 BCD 코드로 변환하고, 이를 3-초과 코드와 그레이 코드로 표현한 것으로 옳은 것은?

83번
두 2진수 A, B에 대하여, 'A-B'는 다음의 어느 연산과정과 같은가? (단, 2진수는 2의 보수로 표현한다.)
84번
다음 문장이 설명하는 시스템은 무엇인가?

85번
다음 문장의 괄호 안에 들어갈 용어는?

86번
메모리 인터리빙(Memory Interleaving)의 사용 목적은?
87번
디스크를 사용하려면 최초에 반드시 해야 할 사항은 무엇인가?
88번
운영체제에서 폴더와 파일들은 어떤 구조로 구성되어 있는가?
89번
다음 중 기계어로 번역된 프로그램은?
90번
다음 중 설명이 틀린 것은?
91번
특정한 주파수를 이용할 수 있는 권리를 특정인에게 부여하는 것은 무엇인가?
92번
심사에 의한 주파수할당시 고려사항과 거리가 먼 것은?
93번
다음 중 무선국이 갖추어야 할 개설조건에 속하지 않는 것은?
94번
전파법에 따라 적합성평가를 받은 기자재를 적합성평가 기준대로 조사 또는 시험하는 행위는 다음 중 어느 것에 해당되는가?
95번
송신설비의 공중선 등 고압전기를 통하는 장치는 사람이 보행하거나 기거하는 평면으로부터 몇 미터 이상의 높이에 설치하여야 하는가?
96번
다음 중 적합등록 대상기자재는?
97번
전자파 장해를 일으키는 기자재가 ‘전자파 적합’의 판정을 받으려면 다음 중 어느 기준에 적합하여야 하는가?
98번
주파수허용편차에 대하여 올바르게 설명한 것은?
99번
무선설비 각 공사에 있어서 기술적 공법, 작업방법 등 공사 특별사항을 작성한 시방서를 무엇이라고 하는가?
100번
다음 중 감리사의 주요 임무 및 책임사항으로 옳지 않은 것은?
연도별
- 2023년10월07일
- 2023년06월17일
- 2023년03월11일
- 2022년10월08일
- 2022년06월25일
- 2022년03월12일
- 2021년10월02일
- 2021년06월26일
- 2021년03월13일
- 2020년09월26일
- 2020년06월27일
- 2020년05월24일
- 2019년10월12일
- 2019년06월29일
- 2019년03월09일
- 2018년10월06일
- 2018년04월28일
- 2018년03월04일
- 2017년10월14일
- 2017년06월10일
- 2017년03월05일
- 2016년10월08일
- 2016년06월11일
- 2016년03월05일
- 2015년10월04일
- 2015년06월06일
- 2015년03월07일
- 2014년10월04일
- 2014년05월31일
- 2014년03월09일
- 2013년10월12일
- 2013년06월09일
- 2013년03월17일
- 2012년10월06일
- 2012년06월02일
- 2012년03월11일
- 2011년09월25일
- 2011년05월29일
- 2011년03월13일
- 2010년10월10일
- 2010년05월02일
- 2010년03월14일
- 2010년02월21일
- 2009년07월26일
- 2009년05월10일
- 2009년03월01일
- 2008년07월27일
- 2008년05월11일
- 2008년03월02일
- 2007년08월05일
- 2007년05월13일
- 2007년03월04일
- 2006년08월06일
- 2006년05월14일
- 2006년03월05일
- 2005년08월07일
- 2005년05월29일
- 2005년03월06일
- 2004년08월08일
- 2004년05월23일
- 2004년03월07일
- 2003년08월10일
- 2003년05월25일
- 2003년03월16일
- 2002년08월11일
- 2002년05월26일
- 2002년03월10일
- 2001년09월23일
- 2001년06월03일
- 2001년03월04일