무선설비기사 (2016년03월05일 기출문제)
1과목 : 디지털 전자회로
1번
다음 중 교류입력의 반주기에 대해 브리지 정류기의 다이오드 동작조건에 대한 설명으로 옳은 것은?
2번
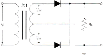
다음 정류회로의 명칭은?

3번
다음 정전압회로에서 제너 다이오드의 내부저항(rd)는 2[Ω]이고, 입력 직렬저항 (Rs)는 500[Ω]일 경우 전압 안정계수(S)는 약 얼마인가?

4번
다음 중 트랜지스터(Transistor)를 달링턴 접속하였을 경우에 대한 설명으로 틀린 것은?
5번
다음 중 베이스 접지 증폭기에 대한 설명으로 틀린 것은?
6번
다음 중 부궤환 증폭기의 장점이 아닌 것은?
7번
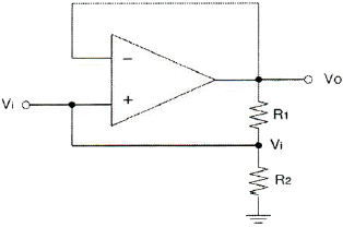
다음 그림에서 입력전압 Vi는? (단, R1=2R2)

8번
다음 중 발진을 유지하기 위한 조건이 아닌 것은?
9번
다음 중 정현파 발진기의 종류가 아닌 것은?
10번
다음 중 슈퍼헤테로다인(Superheterodyne) 검파방식의 주파수 성분을 구하는 방법으로 틀린 것은?
11번
다음 중 주파수변조를 진폭변조와 비교한 설명으로 틀린 것은?
12번
일정시간 동안 200개의 비트가 전송되고, 전송된 비트 중 15개의 비트에 오류가 발생하면 비트 에러율(BER)은?
13번
다음 중 입력 신호에서 어떤 특정된 제어 시간의 신호만 출력되도록 할 목적으로 사용하는 회로는?
14번
다음 중 멀티바이브레이터의 동작과 관계가 없는것은?
15번
8진수 (67)8을 16진수로 바르게 표기한 것은?
16번
다음 논리 회로는 어떤 논리 게이트(Logic Gate)로 동작하는가?

17번
논리식 A(A+B+C)를 간단히 하면?
18번
5비트 2진 카운터의 입력에 4[MHz]의 정방향 펄스가 가해질 때 출력 펄스의 주파수는?
19번
비동기식 5진 카운터(Counter) 회로는 최소 몇 개의 플립플롭(Flip-Flop)이 필요한가?
20번
다음 그림과 같은 회로의 명칭은?

2과목 : 무선통신 기기
21번
다음 중 AM 수신기에서 사용되는 잡음 억제 회로의 종류가 아닌 것은?
22번
다음 중 단측파대(SSB) 송수신기에 대한 설명으로 틀린 것은?
23번
다음 중 수신기에서 고주파 증폭회로의 역할로 적합하지 않은 것은?
24번
다음 중 OFDM(Orthogonal Frequency Division Multiplexing)에 대한 설명으로 틀린 것은?
25번
QPSK(Quadrature Phase Shift Keying) 신호의 전송속도가 4,000[bps]이면 보(baud) 속도는 얼마인가?
26번
다음 중 송신 전력과 전송로 환경이 같을 때, 비트 에러확률이 8PSK와 16PSK 사이에 해당하는 변조방식은?
27번
위성 통신에서 사용되는 주파수 대역 중 12.5~18[GHz]를 무엇이라고 하는가?
28번
다음 중 Microwave 무선 중계방식에서 폭우의 영향이 가장 크게 나타나는 주파수대는?
29번
다음 중 레이더의 기능에 의한 오차에 속하지 않는 것은?
30번
다음 중 정지궤도위성을 이용한 통신방식의 장점이 아닌 것은?
31번
다음 중 UPS(Uninterruptible Power Supply)의 구성 방식에 대한 설명으로 틀린 것은?
32번
다음 중 교류성분인 맥동(리플)을 제거함으로써 직류성분만을 얻게하기 위해 사용하는 회로는 무엇인가?
33번
평활회로에서 콘덴서 입력형에 대한 설명으로 적절치 못한 것은?
34번
다음 중 DC-DC 컨버터의 구성요소가 아닌 것은?
35번
기본파 전압이 10[V], 제2고조파 전압이 4[V], 제3고조파 전압이 3[V]일 때 전압왜율은 몇 [%]인가?
36번
수신기의 안정도는 수신기를 구성하는 어떤 구성요소의 주파수 안정도에 의해 결정되는가?
37번
다음 중 FM수신기의 감도 측정 방법으로 적합한 것은?
38번
다음 중 안테나의 접지저항을 측정하는 방법으로 적합하지 않은 것은?
39번
전압 변동률을 d, 부하시 직류 출력전압을 Vn, 무부하시 직류 출력전압을 Vo라 할 때, Vo를 바르게 나타낸 것은?
40번
다음 중 니켈-카드뮴 축전지에 대한 설명으로 틀린 것은?
3과목 : 안테나 공학
41번
자유공간에서, 전파가 20[μs]동안 전파되었을 때 진행한 거리는?
42번
변화하고 있는 자계는 전계를 발생시키고 또 반대로 변화하고 있는 전계는 자계를 발생시키는 사실을 나타내고 있는 것은?
43번
다음 중 전자파의설명으로 틀린 것은?
44번
가장 이상적인 VSWR(Voltage Standing Wave Ratio)의 값은 얼마인가?
45번
다음 평행 2선식 급전선 중 특성 임피던스가 가장 높은 것은 어느 것인가?
46번
다음 중 급전선과 안테나 사이에 임피던스 정합을 하는 이유로 적합하지 않은 것은?
47번
다음 중 N개의 Port가 있는 N-Port 소자의 입출력 특성을 알고자 할 때 고주파 파라미터로 사용되는 것은?
48번
다음 중 안테나의 급전선에 스터브(Stub)를 부착하는 이유는?
49번
자유공간에서 주파수 15[MHz]의 전파를 방사하는 미소 다이폴안테나로부터 거리 d[m]인 곳의 복사전계와 유도전계의 세기가 같아졌다면, 이 때의 거리 d는 몇 [m]인가?
50번
10[μV/m]의 전계강도를 dB 단위로 표시하면 얼마인가? (단, 1[μV/m]를 0[dB]로 한다.)
51번
다음 중 빔(Beam) 안테나에 대한 설명으로 틀린 것은?
52번
야기안테나의 소자 중 가장 긴 소자의 역할과 리액턴스 성분은 무엇인가?
53번
다음 중 방사성 접지에 대한 설명으로 틀린 것은?
54번
다음 중 가상접지에 대한 설명으로 틀린 것은?
55번
등가지구 반경계수가 K일 때 송수신 안테나간의 기하학적 가시거리(d1)와 전파 가시거리(d2)의 관계를 바르게 나타낸 것은?
56번
다음 중 지상에 수직으로 설치된 송수신 안테나간의 거리가 충분히 멀고, 낮은 초단파대 주파수를 사용하는 경우에 수신 전계에 대한 설명으로 틀린 것은?
57번
다음 중 신틸레이션(Scintillation) 페이딩에 대한 설명으로 틀린 것은?
58번
다음 중 전리층의 주간 및 야간의 변화에 대한 설명으로 틀린 것은?
59번
다음 중 전파예보 곡선으로부터 알 수 없는 정보는?
60번
마이크로파 송신전력이 1[W](+30[dBm]), 송·수신 안테나의 이득이 각각 40[dB], 수신입력 레벨이 -27[dBm]일 때 자유공간 손실은 얼마인가? (단, 도파관 손실 및 기타 손실은 무시된다.)
4과목 : 무선통신 시스템
61번
증폭기의 증폭도(A)가 80, 왜율이 3[%]일 때, 궤환율(β)이 0.05의 부궤환을 한다면 왜율은 얼마인가?
62번
대역폭이 20[kHz]인 5개의 신호를 SSB(Single Side Band) 변조 후 FDM(Frequency Division Multiplexing)으로 다중화하였다. 이 때 다중화된 신호를 전송하기 위한 최소 대역폭은?
63번
이득이 12[dB]이고 잡음지수가 14[dB]인 증폭기의 후단에 잡음지수가 16[dB]인 증폭기를 연결할 경우 종합잡음지수는 약 얼마인가?
64번
다음 중 백색잡음(White Noise)에 대한 설명으로 적합하지 않은 것은?
65번
다음 마이크로파 중계방식 중 송수신기의 중간주파수가 동일하기 때문에 회선의 상호접속과 분기가 용이한 방식은?
66번
인공위성 통신망을 이용하여 가장 넓은 지역을 커버하는 광대역 서비스는?
67번
다음 무선채널 파라미터 종류 중 안테나의 위치, 간격 및 이동국의 이동방향 등 주로 공간정보에 따라 그 특성이 변화하는 무선채널은 무엇인가?
68번
다음 중 이동통신 방식에서의 통화는 서로 간에 이동 중에도 통화가 가능해야 하는데 이 때 한 셀(기지국)과의 통화를 이어주는 역할은 무엇인가?
69번
한 지점에서 송신한 신호의 전력이 수신 지역에서 6[dB] 감소되어 수신되었다면 수신지점은 송신지점과 비교해 전력이 몇 배 감소한 것인가?
70번
SDTV(Standard-Definition Television)에서 HDTV(High Definition Television)로 발전하면서 해상도가 우수해짐으로 인해 가장 많은 영향을 받는 무선 전송 변수는?
71번
다음 중 소비 전력이 가장 작은 무선통신 시스템은?
72번
다음 중 프로토콜(Protocol)에 관한 설명으로 옳은 것은?
73번
다음 중 통신망의 계층구조에 대한 설명으로 잘못된 것은?
74번
통신 프로토콜의 계층화 개념 중 데이터가 상위계층에서 하위계층으로 내려가면서 데이터에 제어정보를 덧붙이게 되는데 이를 무엇이라 하는가?
75번
다음 중 하위 계층을 사용하여 응용 프로그램간의 통신에 대한 제어 기능을 수행하며, 상호 대응하는 응용 프로그램 간의 연결의 개시, 관리, 종결을 담당하는 계층은?
76번
다음 중 TCP over Wireless 기술에 해당되지 않는 것은?
77번
다음 중 무선통신시스템의 설계 계획시 요구되는 시스템의 암호화 도입 방식이 아닌 것은?
78번
다음 무선망 설계 시 필요한 품질목표 중 사용자가 서비스 접속가능 지역에서 호 시도를 하여 호가 완료될 때까지 통화중단 없이 호가 유지될 수 있는 신뢰성에 대한 확률을 표현하는 것은?
79번
다음 중 시스템의 고장(Malfunction) 유형이 아닌 것은?
80번
다음 중 잡음방해의 개선 방법으로 적합하지않은 것은?
5과목 : 전자계산기 일반 및 무선설비기준
81번
다음 중 DMA(Direct Memory Access)에 대한 설명으로 틀린 것은?
82번
다음 중 CPU의 하드웨어(Hardware) 요소들을 기능별로 분류할 경우 포함되지 않는 것은?
83번
다음의 데이터 코드 중 가중치 코드가 아닌 것은?
84번
다음 논리회로에 의해 계산된 결과 X는?

85번
다음 중 운영체제(Operating System)의 성능을 극대화하기 위한 조건이 아닌 것은?
86번
다음 내용은 어떤 용어에 대한 설명인가?

87번
다음 내용이 의미하는 소프트웨어는 무엇인가?

88번
다음 프로그램 언어 중 구조적 프로그래밍(Structured Programming)에 적합한 기능과 구조를 갖는 것은?
89번
다음 중 마이크로프로세서에 대한 설명으로 틀린 것은?
90번
16비트 명령어 형식에서 연산코드 5비트, 오퍼랜드1은 3비트, 오퍼랜드2는 8비트일 경우, ⓐ 연산종류와 사용할 수 있는 ⓑ 레지스터의 수를 올바르게 나열한 것은?
91번
다음 중 용어의 정의에 대한 설명으로 틀린 것은?
92번
미래창조과학부장관이 주파수회수 또는 주파수재배치를 함에 있어 당해 시설자에게 통상적으로 발생하는 손실을 보상하여야 하는 경우는?
93번
전자파 장해를 주거나 전자파로부터 영향을 받는 기자재를 제조 또는 판매하거나 수입하려는 자가 받아야 하는 절차가 아닌 것은?
94번
적합성평가의 취소처분을 받은 자는 취소처분을받은 날로부터 얼마의 범위에서 해당 기자재에 대한 적합성평가를 받을 수 없는가?
95번
방송통신기자재의 지정시험기관으로 지정신청을 받은 때 국립전파연구원장은 며칠 이내에 지정여부를 결정하여야 하는가?
96번
470[MHz] 초과 24,500[MHz] 이하의 지상파 디지털 텔레비전방송국의 무선설비의 주파수 허용편차는(백만분율)?
97번
R3E, H3E, J3E 전파형식을 사용하는 모든 무선국의 무선설비 점유주파수대폭의 허용치로 옳은 것은?
98번
공중선에 공급되는 전력과 등방성 공중선에 대한 임의의 방향에 있어서의 공중선이득의 곱을 의미하는 전력은?
99번
무선설비 공사가 품질확보 상 미흡 또는 중대한 위해를 발생시킬 수 있다고 판단될 때 공사 중지를 지시할 수 있으며, 공사 중지에는 부분중지와 전면중지로 구분되는데 전면중지에 해당하는 경우는?
100번
무선설비 기성 및 준공검사 처리절차가 순서대로 바르게 나열된 것은?
연도별
- 2023년10월07일
- 2023년06월17일
- 2023년03월11일
- 2022년10월08일
- 2022년06월25일
- 2022년03월12일
- 2021년10월02일
- 2021년06월26일
- 2021년03월13일
- 2020년09월26일
- 2020년06월27일
- 2020년05월24일
- 2019년10월12일
- 2019년06월29일
- 2019년03월09일
- 2018년10월06일
- 2018년04월28일
- 2018년03월04일
- 2017년10월14일
- 2017년06월10일
- 2017년03월05일
- 2016년10월08일
- 2016년06월11일
- 2016년03월05일
- 2015년10월04일
- 2015년06월06일
- 2015년03월07일
- 2014년10월04일
- 2014년05월31일
- 2014년03월09일
- 2013년10월12일
- 2013년06월09일
- 2013년03월17일
- 2012년10월06일
- 2012년06월02일
- 2012년03월11일
- 2011년09월25일
- 2011년05월29일
- 2011년03월13일
- 2010년10월10일
- 2010년05월02일
- 2010년03월14일
- 2010년02월21일
- 2009년07월26일
- 2009년05월10일
- 2009년03월01일
- 2008년07월27일
- 2008년05월11일
- 2008년03월02일
- 2007년08월05일
- 2007년05월13일
- 2007년03월04일
- 2006년08월06일
- 2006년05월14일
- 2006년03월05일
- 2005년08월07일
- 2005년05월29일
- 2005년03월06일
- 2004년08월08일
- 2004년05월23일
- 2004년03월07일
- 2003년08월10일
- 2003년05월25일
- 2003년03월16일
- 2002년08월11일
- 2002년05월26일
- 2002년03월10일
- 2001년09월23일
- 2001년06월03일
- 2001년03월04일