2009년03월01일 15번
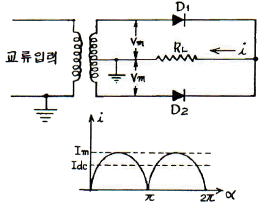
[방송통신일반] 다음 전파정류회로에서 전류 i=2 sinα[A], 부하저항 RL=5[Ω], 다이오드 D1, D2의 정저항 Rf=0 일 때 다이오드의 최대역전압은?

- ① 5[V]
- ② 10[V]
- ③ 15[V]
- ④ 20[V]
(정답률: 0%)
문제 해설
연도별
- 2023년03월21일
- 2022년10월08일
- 2022년03월12일
- 2021년10월02일
- 2021년03월13일
- 2020년09월26일
- 2020년03월07일
- 2019년10월12일
- 2019년03월09일
- 2018년10월06일
- 2018년03월10일
- 2017년09월23일
- 2017년03월05일
- 2016년10월01일
- 2016년03월05일
- 2015년10월04일
- 2015년03월08일
- 2014년10월04일
- 2014년03월09일
- 2013년10월12일
- 2013년03월17일
- 2012년10월06일
- 2012년03월11일
- 2011년10월09일
- 2011년03월13일
- 2010년10월10일
- 2010년03월14일
- 2010년02월21일
- 2009년03월01일
- 2008년07월27일
- 2008년03월02일
- 2007년08월05일
- 2007년03월04일
- 2006년08월06일
- 2006년03월05일
- 2005년08월07일
- 2005년03월06일
- 2004년08월08일
- 2004년03월07일
- 2003년08월10일
- 2003년03월16일
진행 상황
0 오답
0 정답