2005년07월17일 51번
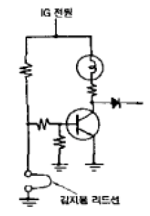
[임의구분] 다음 회로는 브레이크 패드 마모 경고등을 나타냈다. 바르게 설명한 것은?

- ① 감지용 리드선이 열을 받으면 마모 경고등이 켜진다.
- ② 회로내의 다이오드에 역기전류가 작용하면 마모 경고등이 켜진다.
- ③ 감지용 리드선이 브레이크 디스크 판과 접촉하여 끊어지게 되면 마모 경고등이 켜진다.
- ④ 회로내 트랜지스터 베이스 측의 저항이 끊어졌을 때 마모 경고등이 켜진다.
(정답률: 82%)
문제 해설
연도별
- 2018년03월31일
- 2015년07월19일
- 2015년04월04일
- 2014년07월20일
- 2014년04월06일
- 2013년07월21일
- 2013년04월14일
- 2012년07월22일
- 2011년04월17일
- 2010년07월11일
- 2010년03월28일
- 2009년07월12일
- 2009년03월29일
- 2008년07월13일
- 2008년03월30일
- 2007년07월15일
- 2007년04월01일
- 2006년07월16일
- 2006년04월02일
- 2005년07월17일
- 2005년04월03일
- 2004년07월18일
- 2004년04월04일
- 2003년07월20일
- 2003년03월30일
- 2002년07월21일
- 2002년04월07일