2002년03월10일 67번
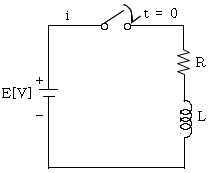
[회로이론 및 제어공학] 그림과 같은 회로에서 시각 t = 0에서 스위치를 갑자기 닫은 후 전류 i가 0에서 정상 전류의 63.2[%]에 달하는 시간 [sec]를 구하면?

- ① LR
- ② 1/LR
- ③ L/R
- ④ R/L
(정답률: 12%)
문제 해설
시간 t에 대한 전류 i의 변화는 다음과 같이 주어진다.
i(t) = (V/R) * (1 - e^(-t/(L/R)))
여기서 i(t)가 정상 전류의 63.2%가 되기 위해서는,
0.632 = 1 - e^(-t/(L/R))
e^(-t/(L/R)) = 0.368
-t/(L/R) = ln(0.368)
t = -L/R * ln(0.368)
따라서, 시각 t=0에서 스위치를 갑자기 닫은 후 전류 i가 0에서 정상 전류의 63.2%에 달하는 시간은 L/R * ln(0.368)이다.
정답이 "L/R"인 이유는, 시간 상수(time constant)인 L/R이 전류 i의 변화를 결정하는 중요한 역할을 하기 때문이다. 시간 상수는 회로의 인덕턴스(L)와 저항(R)에 의해 결정되며, 전류가 변화하는 속도를 나타내는 지표이다. 따라서, 시간 상수가 클수록 전류의 변화가 느리게 일어나게 되고, 시간이 지남에 따라 전류가 점차 정상 상태에 도달하게 된다.
i(t) = (V/R) * (1 - e^(-t/(L/R)))
여기서 i(t)가 정상 전류의 63.2%가 되기 위해서는,
0.632 = 1 - e^(-t/(L/R))
e^(-t/(L/R)) = 0.368
-t/(L/R) = ln(0.368)
t = -L/R * ln(0.368)
따라서, 시각 t=0에서 스위치를 갑자기 닫은 후 전류 i가 0에서 정상 전류의 63.2%에 달하는 시간은 L/R * ln(0.368)이다.
정답이 "L/R"인 이유는, 시간 상수(time constant)인 L/R이 전류 i의 변화를 결정하는 중요한 역할을 하기 때문이다. 시간 상수는 회로의 인덕턴스(L)와 저항(R)에 의해 결정되며, 전류가 변화하는 속도를 나타내는 지표이다. 따라서, 시간 상수가 클수록 전류의 변화가 느리게 일어나게 되고, 시간이 지남에 따라 전류가 점차 정상 상태에 도달하게 된다.
연도별
- 2022년04월24일
- 2022년03월05일
- 2021년09월12일
- 2021년05월15일
- 2021년03월07일
- 2020년09월26일
- 2020년08월22일
- 2020년06월06일
- 2019년09월21일
- 2019년04월27일
- 2019년03월03일
- 2018년09월15일
- 2018년04월28일
- 2018년03월04일
- 2017년09월23일
- 2017년05월07일
- 2017년03월05일
- 2016년10월01일
- 2016년05월08일
- 2016년03월06일
- 2015년09월20일
- 2015년05월31일
- 2015년03월08일
- 2014년09월20일
- 2014년05월25일
- 2014년03월02일
- 2013년09월28일
- 2013년06월02일
- 2013년03월10일
- 2012년09월15일
- 2012년05월20일
- 2012년03월10일
- 2011년10월02일
- 2011년06월12일
- 2011년03월20일
- 2010년09월05일
- 2010년05월10일
- 2010년03월07일
- 2009년08월30일
- 2009년05월10일
- 2009년03월01일
- 2008년09월07일
- 2008년05월11일
- 2008년03월02일
- 2007년09월02일
- 2007년05월13일
- 2007년03월04일
- 2006년09월10일
- 2006년05월14일
- 2006년03월05일
- 2005년09월04일
- 2005년05월29일
- 2004년09월05일
- 2004년05월23일
- 2004년03월07일
- 2003년05월25일
- 2003년03월16일
- 2002년03월10일
진행 상황
0 오답
0 정답