통신선로기능사 (2008년10월05일 기출문제)
1과목 : 전기전자개론
1번
평판 콘덴서에 2[C]의 전기량을 줄 때 두 판 사이의 전위가 10[V]이면 이 콘덴서의 정전용량은 몇 [F]인가?
2번
트랜지스터의 컬렉터 역포화 전류 Ico가 주위온도의 변화로 2[㎂]에서 102[㎂]로 증가 되었을 때 컬렉터 전류 Ic의 변화가 0.5[㎃]였다면 이 회로의 안정도 계수는 얼마인가?
3번
주파수 변조회로에서 신호(변조) 주파수가 1[㎑], 최대주파수 편이가 6[㎑]일 때 변조지수는 얼마인가?
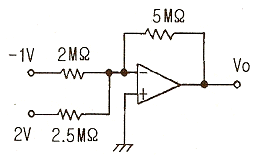
4번
다음 가산기(adder) 회로에서 출력 Vo는 몇 [V] 인가?

5번
10[Ω]의 저항에 1[A]의 전류를 1초 동안 흘렸을 때 발열량은 몇 [㎈]인가?
6번
다음 중 핀치 오프 전압을 가장 잘 설명한 것은?
7번
LC 발진 등 동조 발진회로에서 주로 사용되는 증폭기의 동작 방식은?
8번
증폭기의 전압 증폭도가 1000 일 때 이것을 [dB]로 나타내면 몇 [dB]인가?
9번
어떤 펄스 회로에서 상승시간은 펄스 높이의 몇 [%]에서 몇 [%] 까지 상승하는데 걸리는 시간인가?
10번
저항 4Ω과 6Ω을 병렬로 접속하고 여기에 2.6Ω의 저항을 직렬로 접속하였을 때 합성저항은 몇 [Ω] 인가?
11번
이상적인 연산증폭기에서 동상 신호 제거비(CMRR)는 얼마인가?
12번
다음 중 FET에 대한 설명으로 적합하지 않은 것은?
13번
무궤환시 전압이득이 150 인 증폭기에서 궤환율 β = 0.01의 부궤환을 걸었을 때 전압이득은?
14번
다음중 직접회로(IC)의 특징에 대한 설명으로 가장 적합하지 않은 것은?
15번
다음 중 입력 파형의 기준을 다른 기준 레벨로 바꾸어 고정시키는 회로는?
2과목 : 전자계산기일반
16번
다음중 프로그램 작성 단계에서 어떠한 데이터를 어떻게 입력하여, 처리결과를 어떻게 출력할 것인지를 결정하는 단계는?
17번
두 입력 A,B가 모두 1 일 때만 출력 Y가 1 이 되는 논리회로는?
18번
16비트를 1워드로 사용하는 컴퓨터에서 OP-코드를 6비트로 하면 최대 몇 가지 명령어를 수행할 수 있는가?
19번
다음 중 USB에 대한 설명으로 옳지 않는 것은?
20번
CPU에서 메모리나 입·출력 장치의 번지를 지정해 주는 것은?
21번
드모르간의 정리에서
와 같은 논리식은?
와 같은 논리식은?
22번
다음 bit에 관한 설명 중 틀린 것은?
23번
컴퓨터의 특징과 그에 대한 설명으로 옳지 않은 것은?
24번
보조기억장치가 데이터에 접근하는 방식 중 자기테이프 장치에서와 같이 필요한 데이터를 판독 또는 기록할 때 파일의 처음에서부터 순차적으로 접근하는 방식은?
25번
다음 중 ROM에 대한 설명으로 옳지 않은 것은?
26번
다음 중 누화의 경감법에 속하지 않는 것은?
27번
광케이블에서 클래드의 최대직경이 127[㎛], 최소직경이 123[㎛], 표준직경이 125[㎛]일 때 비원율은?
28번
다음 중 통신선로의 전파정수 r를 나타낸 것은?
29번
전주에서 지선과 지주의 추부 방법 중 가장 적합한 것은?
30번
광섬유 케이블의 손실에 해당되지 않는 것은?
3과목 : 통신선로일반
31번
다음 중 인공(man hole) 축조시 유의해야 할 사항과 가장 거리가 먼 것은?
32번
다음 중 케이블(Cable)을 절연 접속하는 가장 주된 목적은?
33번
600[Ω]의 전송선로에서 0[dBm]에 관한 설명으로 거리가 먼 것은?
34번
광섬유 케이블의 코어 내에서 전반사를 지속하기 위한 굴절률 관계는? (단, n1: 코어의 굴절률, n2: 클래드의 굴절률)
35번
코어의 굴절률 1.6 이고 클래드의 굴절률이 1.4 인 광섬유 케이블에서 심선의 개구수(NA)는 약 얼마인가?
36번
다음 중 멀티미디어 서비스의 수용을 위하여 16[㎒]정도 이상의 전송대역을 갖는 구내케이블로 가장 적합한 것은?
37번
600Ω과 400Ω의 특성 임피던스를 가지는 선로를 접속시키면 전압 반사계수는?
38번
다음 중 전송선로에서 전파시간이 가장 많이 소요되는 것은?
39번
다음 중 누화의 종류가 아닌 것은?
40번
심선을 꼬아놓은 방법 중 쌍(pair)에 대한 설명으로 옳은 것은?
41번
건물내에 전화용 수평 덕트를 설치할 경우 그 교차점에는 무엇을 설치하는가?
42번
케이블 심선의 절연재료 중 절연특성이 가장 좋은 것은?
43번
다음 중 전류가 도체표면에 집중되는 성질로 사용 주파수가 증가하면 전송손실이 커지는 것은?
44번
레이저 다이오드(LD)의 빛이 발광다이오드(LED)에서 방출되는 빛과 비교하였을 때 특징이 아닌 것은?
45번
시내선로 또는 시외선로에 사용하여도 누화가 발생되지 않는 케이블은?
4과목 : 선로설비기준
46번
방송통신위원회는 천재·전시·사변 등 전기통신사업자에게 전기통신업무의 전부 또는 일부를 제한하거나 정지할 수 있다. 이의 목적으로 가장 적합한 것은?
47번
전기통신 기본법의 궁극적인 목적은?
48번
전기통신 설비의 설치를 위해 다른 사람의 토지에 출입을 함으로서 발생한 피해 보상으로 옳은 것은?
49번
전기통신기본법에 의한 “유선·무선·광선 및 기타의 전자적 방식에 의하여 모든 종류의 부호·문언·음향 또는 영상을 송신하거나 수신하는 것”에 대한 용어는?
50번
전기통신 회선설비를 설치하고 이를 이용하여 공공의 이익과 국가산업에 미치는 영향, 역무의 안정적 제공의 필요성 등을 참작하여 전신·전화 역무 등 대통령이 정하는 종류와 내용의 전기통신역무를 제공하는 사업은?
51번
정보통신공사업자 외의 자가 시공 할 수 있는 경미한 공사의 범위가 아닌 것은?
52번
전기통신설비의 건설과 보전을 위한 토지 등의 일시사용 기간은 몇 월을 초과 할 수 없는가?
53번
정보통신공사업의 등록 기준에 속하지 않는 것은?
54번
구내통신선로설비에 사용되는 급전선 인입 접속함의 절연 저항은?
55번
다음 중 전기통신기본계획의 수립에 관한 사항이 아닌 것은?
56번
전화급 평형회선은 회선 상호간 전기통신 신호의 내용이 혼입되지 아니하도록 두 회선 사이의 누화 감쇠량은 몇 데시벨 이상이어야 하는가?
57번
기간통신사업을 경영하고자 하는 자는 방송통신위원회의 어떤 절차를 거쳐야 하는가?
58번
전송설비는 전력유도로 인한 피해가 없도록 건설되어야 한다. 기기 오동작 유도종전압이 몇 [V] 이상 초과시 전력유도방지 조치를 취하여야 하는가?
59번
식물이 선로 등의 설치·유지 및 공중통신에 장애를 주거나 줄 우려가 있을 때 기간 통신 사업자의 우선 조치 사항으로 옳은 것은?
60번
다음 중 정보통신 공사의 종류가 아닌 것은?