통신선로기능사 (2002년04월07일 기출문제)
1과목 : 전기전자개론
1번
5[Ω]과 15[Ω]의 저항을 직렬로 접속하고 40[V]의 전압을 가할때 5[Ω] 양단의 전압은 얼마인가?
2번
저항 5[Ω], 유도리액턴스 2[Ω], 용량리액턴스 14[Ω]인 직렬회로의 임피던스는 얼마인가?
3번
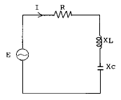
R = 4[Ω], XL = 8[Ω], XC = 4[Ω]인 RLC 직렬회로에서 전압과 전류의 위상관계는?

4번
자석에 의한 자기 현상의 설명 중 알맞는 것은?
5번
다음 중 불순물 반도체인 억셉터(acceptor)에 관계있는 것은?
6번
신호 주파수가 1[㎑]이고 최대 주파수 편이가 5(㎑)일 때 변조지수 mf는?
7번
대칭 3상 교류에서 각 상간의 위상차는 얼마인가?
8번
트랜지스터 증폭회로에서 잡음이 없을 때 잡음지수 F는?
9번
발진회로의 주파수변동 원인과 대책으로 거리가 먼 것은?
10번
다음 ( )안에 알맞는 방식은?

11번
공기 중에서 +7 × 10-4[㏝]인 자속으로부터 7[cm] 떨어진 점의 자계의 세기는 얼마인가?
12번
LC발진회로에서 C값을 4배로 하면 원래 주파수의 몇 배가 되는가?
13번
주파수 대역폭(BW)의 범위를 옳게 설명한 것은?
14번
두 개의 저항 2[Ω], 3[Ω]을 병렬로 접속하고 12[V]의 전압을 인가했을 때 회로의 전류 I, I1, I2의 크기 중 옳게 나타낸 것은?

15번
저항(R)과 리액턴스(L)가 직렬로 연결된 회로에서의 시정수 T[sec]는?
2과목 : 전자계산기일반
16번
자기테이프에 대한 설명중 잘못된 것은?
17번
전자계산기의 장치 중 주기억장치에 기억된 프로그램을 차례로 읽어 그 내용을 해독하고, 해독된 의미에 따라 필요 장치에 신호를 보내어 작동시키며, 그 결과를 검사하는 역할을 하는 장치는?
18번
전자계산기를 유용하게 활용하기 위한 정보나 기술 및 프로그램을 총칭하여 무엇이라고 하는가?
19번
다음중 제 4세대 컴퓨터의 주요소자에 해당되는 것은?
20번
고급언어(HIGH LEVEL LANGUAGE)에 속하지 않는 것은?
21번
2진법을 16진법으로 변환하는 과정에 관한 설명으로 가장 타당한 것은?
22번
다른 기억장치에 비하여 고속,소형이고 가격이 저렴하여 많이 사용되는 기억장치는?
23번
다음 논리 회로에 대한 논리식으로 맞는 것은?

24번
조합 논리 회로에 대한 설명으로 잘못된 것은?
25번
다음 중 컴퓨터 한 대에 2개 이상의 CPU를 설치하여 병렬처리하는 방식은?
26번
특성임피던스 660[Ω]인 시외 PEF-P 케이블과 특성임피던스 400[Ω]인 반송 케이블을 접속했을 때 반사계수는?
27번
CCP 케이블이나 FS 케이블의 심선색깔 구조중 1번심(TIP)은 5가지 색으로 구분된다. 그 순서가 맞는 것은?
28번
시내 전화 선로가 교환국내에서 최초로 접속되는 장치는?
29번
시외 전화케이블에 있어서 PVC 절연은 종이절연에 비해 절연내력은 어떠한가?
30번
열수축관에 관한 설명으로 틀리는 것은?
3과목 : 통신선로일반
31번
지하 케이블 포설속도는 1분간 약 몇[m]로 하는 것이 가장 적합한가?
32번
L3 시험기로 측정할수 없는 것은?
33번
옥내선로 공사시 고층건물의 옥내배선에 주로 사용하는 배관은?
34번
100P용 FS케이블의 심선구조에서 세번째 그룹의 심선수는?
35번
통신회선에 있어서 전력유도에 의한 피해가 아닌 것은?
36번
전자유도를 받는 PVC 차폐 케이블에서 그 유도전압이 2.3[V]이다. 이 케이블의 스트랜드선 양단을 접지한 바 2.25[V]가 되었다고 하면 차폐계수 K의 값은?
37번
다음 중 고주파(UHF) 신호전송에 가장 적합한 것은?
38번
구내 통신선과 전력선이 교차할 때 어떻게 하는 것이 가장 좋은가?
39번
맨홀내에 들어가 작업을 하는 작업요원으로서 준수하여야 하는 사항으로 적합하지 않은 것은?
40번
전주상에 시내 단자함을 부착하는 경우 강연선 아래 몇 [㎝]의 위치가 적당한가?
41번
다음 중 지하선로의 매설방법에 해당되지 않는 것은?
42번
폼스킨(Foam Skin) 케이블과 지절연 케이블과의 절연 특성을 비교하여 폼스킨 케이블의 장점이 아닌 것은?
43번
광섬유 케이블의 중심지지선 또는 폴리에틸렌 외피에 있는 철선(Steel wire)의 용도는 무엇인가?
44번
빛의 굴절 법칙(Snell의 법칙)에 대한 관계식으로 맞는 것은? (단, ø1 : 빛의 입사각, ø2 : 빛의 굴절각, n1 : 매질 1의 굴절율, n2 : 매질 2의 굴절율)

45번
레이저(LASER)광선의 펄스폭이 분산되어서 최초의 펄스폭에 대해 몇배로 넓어지면 정보신호의 재생중계가 불가능해지는가?
4과목 : 선로설비기준
46번
전기통신을 하기 위한 기계, 기구, 선로 기타 관련된 설비를 무엇이라고 하는가?
47번
정보통신부장관의 특권에 관한 사항이 아닌 것은?
48번
전기통신 회선설비를 설치하고 전기통신 역무를 제공하는 사업을 무엇이라고 하는가?
49번
자가통신설비를 설치한자에 대하여 예외 없이 금지하고 있는 것은?
50번
선로설비의 기기오동작 전력유도 종전압 제한치는?
51번
구내통신선로설비의 회선 상호간의 누화 감쇠량은 얼마 이상이어야 하는가?
52번
전화케이블이 전력유도에 의한 잡음전압이 얼마 이상(제한치)되는 경우 전력유도방지조치를 하여야 하는가?
53번
사람과 자동차가 함께 통행하는 도로상에 전화케이블을 가설할 경우 노면상 케이블 높이는 최저 얼마 이상인가?
54번
정보통신을 행하기 위하여 계통적.유기적으로 연결.구성된 정보통신설비의 집합체를 무엇이라고 하는가?
55번
정보통신공사업의 종류는?
56번
일반가정집에 전화회선을 가설할 경우, 옥내전화선과 대지간의 절연저항 한계치는 얼마가 되어야 하는가?
57번
구내통신선로설비에서 주거용 건물의 경우 단위 세대당 국선용 회선수는?
58번
기간통신사업자의 업무취급상 특권 규정이라고 볼 수 없는 것은?
59번
기간통신사업자로부터 전기통신회선 설비를 임차하여 전기통신역무를 제공하는 사업을 무엇이라 하는가?
60번
다음 중 정보통신공사업자가 아닌 자도 공사할 수 있는 경미한 공사의 범위가 아닌 것은?