항공기체정비기능사 (2001년04월29일 기출문제)
1과목 : 비행원리
1번
굴곡작업에 관한 내용으로 가장 관계가 먼 것은?
2번
다음 ( )안에 알맞는 말은 ?

3번
헬리콥터의 주회전날개 깃의 피치각이 같을 때 양력의 불균형으로 인해 회전날개가 위ㆍ아래로 움직이게 되는데, 이것을 무엇이라 하는가?
4번
SAE(Society Of Automotive Engineers)의 강(鋼)의 분류에서 4130은 무엇을 뜻하는가?
5번
A1합금 RIVET 중 황색은 ?
6번
총무게가 4,000㎏인 항공기에 무게 500㎏의 화물을 현 중심위치에서 부터 50㎝ 뒷쪽에다 실었을때,이 항공기의 중심위치는 원래의 중심 위치로부터 어떻게 이동되는가?
7번
항공기용 볼트나사(BOLT THREADS)는 거의 대개가 3등급(CLASS 3)로 제작된다. 3등급(CLASS 3)의 맞춤(FIT)은?
8번
날개의 평면모양으로 구분한 날개가 아닌 것은?
9번
항공기의 여압동체와 같이 반복하중을 받는 구조는 정하중에서 재료의 극한강도보다 훨씬 낮은 응력상태에서 파단되는데, 이와같이 반복하중에 의하여 재료의 저항력이 감소되는 현상은?
10번
회전날개의 깃끝 속도(tip speed)는 공기 역학적인 한계와 소음한계가 주요변수가 되는데 일반적인 깃끝 속도의 제한범위는?
11번
허니컴 구조부의 검사방법이 아닌 것은?
12번
부품의 손상형태에서 깊게 긁힌형태로, 표면이 예리한 물체와 닿았을때 생긴것을 무엇이라 하는가?
13번
조종용 케이블에 터미널 피팅을 연결하는 방법으로 케이블의 강도와 똑같은 정도로 터미널 연결부분을 연결할 때 쓰이는 방법은?
14번
금속내부에 발생한 입자간 부식을 탐지할 수 없는 비파괴 검사방법은?
15번
헬리콥터에 발생하는 지나친 중간주파수 진동의 원인으로서 적합하지 않은 것은?
16번
티타늄 합금과 알루미늄 합금을 비교한것 중 틀린 것은?
17번
활공기가 고도 1000m 상공에서 양항비 20 인 상태로 활공 한다면 도달할 수 있는 수평활공거리는 몇 m 인가?
18번
비행중 양력으로 인하여 날개에 굽힘(BENDING)응력이 발생할 때 날개하면에 작용하는 응력은?
19번
운항자기무게(Operating Empty Weight)에 속하는 것은?
20번
시위 2m인 날개표면을 동점성계수 0.2㎝2/sec인 공기가 50m/sec의 속도로 흘러간다면 이 날개의 레이놀즈수는?
2과목 : 항공기정비
21번
기관이나 기관에 부수되는 보기 및 엔진마운트나 방화벽 주위에 접근할 수 있도록 떼었다 붙였다 할 수 있는 덮개를 무엇이라 하는가?
22번
C급 화재시 사용되는 소화기 중 가장 알맞은 것은?
23번
비행기의 동적 가로안정의 특성과 관계가 없는 것은?
24번
Turn buckle의 나사는 일반적으로 어떻게 되어 있는가?
25번
다이첵크(Dye Penetrant)검사의 절차에서 사용되는 용어가 아닌 것은?
26번
Al합금의 방청제는 어느 것인가?
27번
작동 부분의 윤활, 브레이크, 타이어 등의 점검은 무슨 점검에 속하는가?
28번
측정물의 평면의 상태검사,원통의 진원검사 등에 이용되는 측정기기는?
29번
헬리콥터의 수직꼬리날개를 장착한 이유로서 가장 적당한 것은?
30번
회전날개는 동체토크(TORQUE)를 발생시키는데 이것을 상쇄시키기 위한 구성품은?
31번
양력계수는 받음각에 따라 거의 직선적으로 증가하다가 받음각이 매우 커지면 양력이 갑자기 떨어지는 받음각이존재한다. 이 때의 받음각을 무엇이라 하는가?
32번
밑줄친 부분을 의미하는 올바른 단어는?

33번
항공기가 이륙하여 착륙을 완료하는 횟수를 뜻하는 용어는?
34번
공장정비(Shop Maintenance)에서 수행되는 정비작업은?
35번
항공기에 연료를 보급할 때 항공기와 연료보급 차량과의 거리는 최소한 얼마 이상을 띄워야 하는가?
36번
한번사용 되었던 O-ring은 어떻게 처리하는가?
37번
비행기 날개골의 양.항력 특성이 좋다는 것은 어떤 의미 인가?
38번
항공기 외부세척의 종류중 틀리는 것은?
39번
그림과 같은 힘의 합성을 벡터(vector)식으로 나타낸것은? (문제오류로 추후 정확한 원본을 구하면 수정하여 두겠습니다.)

40번
항공용 타이어 구조에서 비드 토우(Bead Toe)란?
3과목 : 항공기체
41번
조종계통 케이블(CABLE)의 방향을 바꾸어 주는 것은?
42번
블록 게이지 측정작업에 관한 내용으로 가장 옳은 것은?
43번
고압가스취급 안전사항중 산소취급시의 안전사항이 아닌 것은?
44번
크루거 플랩에 대한 설명중 잘못된 것은?
45번
조종계통의 케이블(CABLE)이 온도변화 또는 구조(STRUCTURE)변형에 따른 CABLE의 인장력(TENSION)이 변화하지 않도록 설치된 부품은?
46번
다음은 조종계통 정비에 대한 설명이다. 틀린 것은?
47번
프리휠 클러치(Freewheel Clutch)를 다른 표현으로는 무엇이라 하는가?
48번
카운터 싱크 리벳(counter sunk rivet)이 주로 사용되는 곳은?
49번
필요마력이 최소인 상태로 비행할 때의 속도를 무엇이라 하는가?
50번
세장비(Slenderness ratio)에 관한 설명중 맞는 것은?
51번
NACA 5자 계열의 날개골을 표시한 다음의 [예]에서 밑줄 친 '20'이 의미하는 것은?

52번
기체구조의 형식에 대한 설명중 틀린 것은?
53번
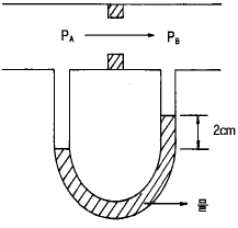
그림과 같이 공기가 흐르는 관에서 압력 PA와 PB의 압력차는? (단, 물의 비중량은 1000kg/m3이며, 공기의 비중량은 무시한다.)

54번
천연고무의 단점을 개선하여 사용되는 인조고무의 종류가 아닌 것은?
55번
항공기의 설계 제작과정에서 행하는 중요한 시험이 아닌 것은?
56번
( ) 안에 알맞는 말을 순서대로 올바르게 나열한 것은?

57번
비행기 날개에서의 압력중심에 관한 설명 내용으로 가장 올바른 것은?
58번
금속재료의 열처리중 뜨임(Tempering)이란?
59번
최소구비장비목록(MINIMUM EQUIPMENT LIST)에 적용되는 것은?
60번
헬리콥터에서 조종사의 조종을 쉽게 하기위한 것과 가장 거리가 먼 것은?
연도별
- 2016년04월02일
- 2016년01월24일
- 2015년10월10일
- 2015년04월04일
- 2015년01월25일
- 2014년10월11일
- 2014년04월06일
- 2014년01월26일
- 2013년10월12일
- 2013년04월14일
- 2013년01월27일
- 2012년10월20일
- 2012년04월08일
- 2012년02월12일
- 2011년10월09일
- 2011년04월17일
- 2011년02월13일
- 2010년10월03일
- 2010년03월28일
- 2010년02월12일
- 2009년09월27일
- 2009년03월29일
- 2009년01월18일
- 2008년10월05일
- 2008년03월30일
- 2008년02월03일
- 2007년04월01일
- 2007년01월28일
- 2006년10월01일
- 2006년01월22일
- 2005년10월05일
- 2005년04월03일
- 2005년01월30일
- 2004년10월10일
- 2004년04월04일
- 2004년02월01일
- 2003년10월05일
- 2003년03월30일
- 2003년01월26일
- 2002년10월06일
- 2002년04월07일
- 2002년01월27일
- 2001년10월14일
- 2001년07월22일
- 2001년04월29일