2008년02월03일 35번
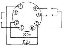
[냉동기계] 그림은 8핀 타이머의 내부회로도이다. ⑤, ⑧ 접점을 표시한 것은 무엇인가?

-
①
-
②
-
③
-
④
(정답률: 70%)
문제 해설




연도별
- 2016년07월10일
- 2016년04월02일
- 2016년01월24일
- 2015년10월10일
- 2015년07월19일
- 2015년04월04일
- 2015년01월25일
- 2014년10월11일
- 2014년07월20일
- 2014년04월06일
- 2014년01월26일
- 2013년10월12일
- 2013년07월21일
- 2013년04월14일
- 2013년01월27일
- 2012년10월20일
- 2012년07월22일
- 2012년04월08일
- 2012년02월12일
- 2011년10월09일
- 2011년07월31일
- 2011년04월17일
- 2011년02월13일
- 2010년10월03일
- 2010년07월11일
- 2010년03월28일
- 2010년01월31일
- 2009년09월27일
- 2009년07월12일
- 2009년03월29일
- 2009년01월18일
- 2008년10월05일
- 2008년07월13일
- 2008년03월30일
- 2008년02월03일
- 2007년09월16일
- 2007년07월15일
- 2007년04월01일
- 2007년01월28일
- 2006년10월01일
- 2006년07월16일
- 2006년04월02일
- 2006년01월22일
- 2005년10월02일
- 2005년07월17일
- 2005년04월03일
- 2004년10월10일
- 2004년07월18일
- 2004년04월04일
- 2003년10월05일
- 2003년07월20일
- 2003년01월26일
- 2002년10월06일
- 2002년04월07일
- 2002년01월27일
- 2001년10월14일
- 2001년07월22일
- 2001년04월29일