2021년09월12일 34번
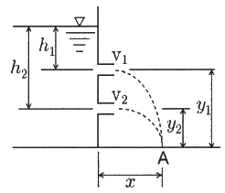
[소방유체역학] 그림과 같이 수조의 두 노즐에서 물이 분출하여 한 점(A)에서 만나려고 하면 어떤 관계가 성립되어야 하는가? (단, 공기저항과 노즐의 손실은 무시한다.)

- ① h1y1= h2y2
- ② h1y2= h2y1
- ③ h1h2= y1y2
- ④ h1y1= 2h2y2
(정답률: 46%)
문제 해설
연도별
- 2022년04월24일
- 2022년03월05일
- 2021년09월12일
- 2021년05월15일
- 2021년03월07일
- 2020년09월26일
- 2020년08월22일
- 2020년06월06일
- 2019년09월21일
- 2019년04월27일
- 2019년03월03일
- 2018년09월15일
- 2018년04월28일
- 2018년03월04일
- 2017년09월23일
- 2017년05월07일
- 2017년03월05일
- 2016년10월01일
- 2016년05월08일
- 2016년03월06일
- 2015년09월19일
- 2015년05월31일
- 2015년03월08일
- 2014년09월20일
- 2014년05월25일
- 2014년03월02일
- 2013년09월28일
- 2013년06월02일
- 2013년03월10일
- 2012년09월15일
- 2012년06월08일
- 2012년03월04일
- 2011년10월14일
- 2011년06월12일
- 2011년03월20일
- 2010년09월05일
- 2010년05월09일
- 2010년03월07일
- 2009년08월30일
- 2009년05월10일
- 2009년03월01일
- 2008년09월07일
- 2008년05월11일
- 2008년03월02일
- 2007년09월02일
- 2007년05월13일
- 2007년03월04일
- 2006년09월10일
- 2006년05월14일
- 2006년03월05일
- 2005년09월04일
- 2005년05월29일
- 2005년03월06일
- 2004년09월05일
- 2004년05월23일
- 2004년03월07일
- 2003년08월31일
- 2003년05월25일
- 2003년03월16일