2004년04월04일 5번
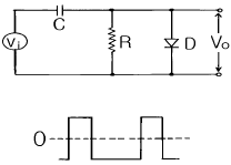
[전기전자공학] 그림과 같은 회로는 무슨 회로인가? (단, Vi는 직사각형파이다.)

- ① 클리핑회로
- ② 클램핑회로
- ③ 콘덴서 입력형 필터회로
- ④ 반파정류회로
(정답률: 67%)
문제 해설
이 회로는 클램핑 회로입니다. 클램핑 회로는 입력 신호의 최대값과 최소값을 일정한 수준으로 유지시키는 회로로, 이 회로에서는 다이오드 D1과 D2가 입력 신호를 일정한 수준으로 클램핑합니다. Vi가 양수일 때는 D1이 동작하여 출력 신호는 D1의 전압인 VD1보다 작아지고, Vi가 음수일 때는 D2가 동작하여 출력 신호는 D2의 전압인 VD2보다 커집니다. 이렇게 함으로써 입력 신호의 최대값과 최소값을 일정한 수준으로 유지시킬 수 있습니다.
연도별
- 2016년07월10일
- 2016년04월02일
- 2016년01월24일
- 2015년10월10일
- 2015년07월19일
- 2015년04월04일
- 2015년01월25일
- 2014년10월11일
- 2014년07월20일
- 2014년04월06일
- 2014년01월16일
- 2013년10월12일
- 2013년07월21일
- 2013년04월14일
- 2013년01월27일
- 2012년10월20일
- 2012년07월22일
- 2012년04월08일
- 2012년02월12일
- 2011년10월09일
- 2011년07월31일
- 2011년04월17일
- 2011년02월13일
- 2010년10월03일
- 2010년07월11일
- 2010년03월28일
- 2010년01월31일
- 2009년09월27일
- 2009년07월12일
- 2009년03월29일
- 2009년01월18일
- 2008년10월05일
- 2008년07월13일
- 2008년03월30일
- 2008년02월03일
- 2007년09월16일
- 2007년07월15일
- 2007년04월01일
- 2007년01월28일
- 2006년10월01일
- 2006년07월16일
- 2006년04월02일
- 2006년01월22일
- 2005년10월02일
- 2005년07월17일
- 2005년04월03일
- 2005년01월30일
- 2004년10월10일
- 2004년07월18일
- 2004년04월04일
- 2004년02월01일
- 2003년10월05일
- 2003년07월20일
- 2003년03월30일
- 2003년01월26일
- 2002년10월06일
- 2002년07월21일
- 2002년04월07일
- 2002년01월27일