2018년08월19일 1번
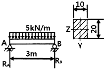
[재료역학] 그림과 같이 길이 ℓ=3 m의 단순보가 균일 분포하중 ω=5 kN/m의 작용을 받고 있다. 보의 단면이 폭(b)×높이(h)=10 cm×20 cm, 탄성계수 E=10 GPa일 때, 이 보의 최대 처짐량과 지점 A에서의 기울기는? (단, 보의 굽힘강성 EI는 일정하다.)

- ① δmax=0.79 cm, θ=0.483°
- ② δmax=0.89 cm, θ=0.483°
- ③ δmax=0.79 cm, θ=0.683°
- ④ δmax=0.89 cm ,θ=0.683°
(정답률: 25%)
문제 해설
이 문제는 보의 처짐과 기울기를 구하는 문제이다.
먼저, 보의 처짐을 구하기 위해서는 보의 중간 지점에서의 최대 처짐을 구해야 한다. 이를 위해 보의 중간 지점에서의 굽힘모멘트를 구해보자.
중간 지점에서의 굽힘모멘트는 보의 중간 지점을 기준으로 왼쪽과 오른쪽 부분에서의 모멘트의 합과 같다.
M = (5 kN/m) × (3 m) × (1.5 m) = 22.5 kN·m
이제, 이 굽힘모멘트를 이용하여 중간 지점에서의 최대 처짐을 구할 수 있다.
δmax = (5/384) × (22.5 kN·m) × (3 m)3 / (10 GPa) × (10 cm) × (20 cm)3
= 0.79 cm
다음으로, 지점 A에서의 기울기를 구해보자. 이를 위해서는 지점 A에서의 굽힘모멘트와 보의 굽힘강성 EI를 이용하여 기울기를 구할 수 있다.
지점 A에서의 굽힘모멘트는 지점 A에서 왼쪽 부분에서의 모멘트와 오른쪽 부분에서의 모멘트의 합과 같다.
MA = (5 kN/m) × (3 m) × (2 m) - (5 kN/m) × (2 m) × (1 m)
= 10 kN·m
이제, 이 굽힘모멘트와 보의 굽힘강성 EI를 이용하여 기울기를 구할 수 있다.
θ = MA / (EI)
= (10 kN·m) / (10 GPa × 10 cm × 20 cm3 / 12)
= 0.483°
따라서, 정답은 "δmax=0.79 cm, θ=0.483°" 이다.
먼저, 보의 처짐을 구하기 위해서는 보의 중간 지점에서의 최대 처짐을 구해야 한다. 이를 위해 보의 중간 지점에서의 굽힘모멘트를 구해보자.
중간 지점에서의 굽힘모멘트는 보의 중간 지점을 기준으로 왼쪽과 오른쪽 부분에서의 모멘트의 합과 같다.
M = (5 kN/m) × (3 m) × (1.5 m) = 22.5 kN·m
이제, 이 굽힘모멘트를 이용하여 중간 지점에서의 최대 처짐을 구할 수 있다.
δmax = (5/384) × (22.5 kN·m) × (3 m)3 / (10 GPa) × (10 cm) × (20 cm)3
= 0.79 cm
다음으로, 지점 A에서의 기울기를 구해보자. 이를 위해서는 지점 A에서의 굽힘모멘트와 보의 굽힘강성 EI를 이용하여 기울기를 구할 수 있다.
지점 A에서의 굽힘모멘트는 지점 A에서 왼쪽 부분에서의 모멘트와 오른쪽 부분에서의 모멘트의 합과 같다.
MA = (5 kN/m) × (3 m) × (2 m) - (5 kN/m) × (2 m) × (1 m)
= 10 kN·m
이제, 이 굽힘모멘트와 보의 굽힘강성 EI를 이용하여 기울기를 구할 수 있다.
θ = MA / (EI)
= (10 kN·m) / (10 GPa × 10 cm × 20 cm3 / 12)
= 0.483°
따라서, 정답은 "δmax=0.79 cm, θ=0.483°" 이다.
이전 문제
다음 문제
연도별
- 2021년08월14일
- 2021년05월15일
- 2021년03월07일
- 2020년08월22일
- 2020년06월06일
- 2019년08월04일
- 2019년03월03일
- 2018년08월19일
- 2018년04월28일
- 2018년03월04일
- 2017년08월26일
- 2017년05월07일
- 2016년08월21일
- 2016년03월06일
- 2015년05월31일
- 2012년05월20일
- 2012년03월04일
- 2011년08월21일
- 2011년06월12일
- 2011년03월20일
- 2010년07월25일
- 2010년05월09일
- 2010년03월07일
- 2007년05월13일
- 2007년03월04일
- 2006년05월14일
- 2006년03월05일
- 2005년08월07일
- 2005년05월29일
- 2004년08월08일
- 2004년05월23일
- 2004년03월07일
- 2003년08월10일
- 2003년05월25일
- 2003년03월16일
진행 상황
0 오답
0 정답