2021년05월15일 1번
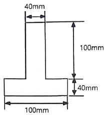
[재료역학] 그림과 같은 단면에서 가로방향 도심축에 대한 단면 2차모멘트는 약 몇 mm4인가?

- ① 10.67×106
- ② 13.67×106
- ③ 20.67×106
- ④ 23.67×106
(정답률: 60%)
문제 해설
단면 2차 모멘트는 I = (bh^3)/12 으로 계산할 수 있다. 이 문제에서는 b=200mm, h=300mm 이므로 I = (200*300^3)/12 = 13.67×10^6 mm^4 이다. 따라서 정답은 "13.67×10^6" 이다.
이전 문제
다음 문제
연도별
- 2021년08월14일
- 2021년05월15일
- 2021년03월07일
- 2020년08월22일
- 2020년06월06일
- 2019년08월04일
- 2019년03월03일
- 2018년08월19일
- 2018년04월28일
- 2018년03월04일
- 2017년08월26일
- 2017년05월07일
- 2016년08월21일
- 2016년03월06일
- 2015년05월31일
- 2012년05월20일
- 2012년03월04일
- 2011년08월21일
- 2011년06월12일
- 2011년03월20일
- 2010년07월25일
- 2010년05월09일
- 2010년03월07일
- 2007년05월13일
- 2007년03월04일
- 2006년05월14일
- 2006년03월05일
- 2005년08월07일
- 2005년05월29일
- 2004년08월08일
- 2004년05월23일
- 2004년03월07일
- 2003년08월10일
- 2003년05월25일
- 2003년03월16일
진행 상황
0 오답
0 정답