2003년05월25일 6번
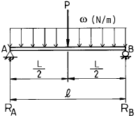
[기계가공법 및 안전관리] 그림과 같은 보의 중앙점에서 굽힘 모멘트는?

-
①
-
②
-
③
-
④
(정답률: 18%)
문제 해설
보의 중앙점에서 굽힘 모멘트는 보의 길이와 하중의 크기에 비례하며, 보의 단면적과 단면의 형태에 따라 달라진다. 이 경우 보의 단면이 직사각형이므로, 하중이 가해지는 방향과 수직인 방향의 면적이 가장 큰 상태가 된다. 따라서 정답은 "
"이다.
"이다.
연도별
- 2020년08월22일
- 2020년06월06일
- 2019년08월04일
- 2019년04월27일
- 2019년03월03일
- 2018년08월19일
- 2018년04월28일
- 2018년03월04일
- 2017년08월26일
- 2017년05월07일
- 2017년03월05일
- 2016년08월21일
- 2016년05월08일
- 2016년03월06일
- 2015년08월16일
- 2015년05월31일
- 2015년03월08일
- 2014년08월17일
- 2014년05월25일
- 2014년03월02일
- 2013년08월18일
- 2013년06월02일
- 2013년03월10일
- 2012년09월15일
- 2012년05월20일
- 2012년03월04일
- 2011년10월02일
- 2011년06월12일
- 2011년03월20일
- 2010년09월05일
- 2010년05월09일
- 2010년03월07일
- 2009년08월30일
- 2009년05월10일
- 2009년03월01일
- 2008년09월07일
- 2008년05월11일
- 2008년03월02일
- 2007년09월02일
- 2007년05월13일
- 2007년03월04일
- 2006년09월10일
- 2006년05월14일
- 2006년03월05일
- 2005년09월04일
- 2005년03월06일
- 2004년09월05일
- 2004년05월23일
- 2004년03월07일
- 2003년08월31일
- 2003년05월25일
- 2003년03월16일
- 2002년09월08일
- 2002년05월26일
- 2002년03월10일