전기산업기사 (2011년06월12일 기출문제)
1과목 : 전기자기학
1번
액체 유전체를 넣은 콘덴서의 용량이 20[㎌]이다. 여기에 500[kV]의 전압을 가하면 누설전류는 몇 [A]인가? (단, 비유전율 ℇs=2.2, 고유저항 p = 1011 [Ω ㆍ m]이다.)
2번
공기 콘덴서를 어느 전압으로 충전한 다음 전극간에 유전체를 넣어 정전용량을 2배로 하였다면 축적되는 에너지 몇배로 되는가?
3번
한 변의 길이가 a[m]인 정육각형의 각 정점에 각각 Q[C]의 전하를 놓았을 때 정육각형의 중심 O의 전계의 세기는 몇 [V/m]인가?
4번
공심 환상철심에서 코일의 권회수 500회, 단면적 6m2, 평균 반지름 15cm, 코일에 흐르는 전류를 4A라 하면 철심 중심에서의 자계의 세기는 약 몇 [AT/m]인가?
5번
정전계에 대한 설명으로 가장 적합한 것은?
6번
권수 600, 단면적 100cm2의 공심 코일에 전류 1[A]를 흘릴때, 자계가 1.28[AT/m]이었다. 자기 인덕턴스는 몇[H]인가?
7번
시간적으로 변화하지 않는 보존적인 전계가 비회전성 이라는 의미를 나타낸 식은?
8번
전자석의 흡입력은 공극(air gap)의 자속밀도를 B라 할때, 다음의 어느것에 비례하는가?
9번
자속밀도 B[Wb/m2]인 자계 내를 속도 v[m/s]로 운동하는 길이 dl[m]의 도선에 유기되는 기전력[V]은?
10번
전자계에서 맥스웰의 기본 이론이 아닌 것은?(오류 신고가 접수된 문제입니다. 반드시 정답과 해설을 확인하시기 바랍니다.)
11번
진공 중에서 자기 쌍극자의 축과 θ의 각을 이루고, 자기 쌍극자 중심에서 r[m] 떨어진 점의 자계의 세기를 설명한 것 중 맞는 것은?
12번
전계 및 자계가 z 방향의 성분을 갖지 않고 동일한 전계와 자계를 합한 면이 z축에 수직이 되는 파를 무엇이라 하는가?
13번
역자성체 내에서 비투자율 μs는?
14번
의 값은?
의 값은?
15번
전기력선의 성질이 아닌것은?
16번
일정 전압이 가해져 있는 콘덴서에 비유전율이 ℇs인 유전체를 채웠을 때 일어나는 현상은?
17번
영구자석의 재료로 사용되는 철에 요구되는 사항으로 다음 중 가장 적절한 것은?
18번
반지름a[m]인 도체구에 전하 Q[C]을 주었을 때, 구 중심에서 e[m]떨어진 구 밖(r>a)의 한 점의 전속밀도 D[C/m2]는?
19번
그림과 같이 유전율이 ℇ1, ℇ2인 두 유전체의 경계면에 중심을 둔 반지름 a[m]인 도체구의 정전용량은?

20번
내부 원통의 반지름 a[m], 외부 원통의 안지름이 b[m], 길이 l[m]인 동축원통 도체간에 도전율 k[℧/m]인 물질을 채워넣고 내외 원통 도체 간에 전압 V[V]를 걸었을 때에 전류는 몇 [A]인가?
2과목 : 전력공학
21번
송전선의 전압 변동률 식은
로 표현된다. 이 식에서 VR1은 무엇인가?
로 표현된다. 이 식에서 VR1은 무엇인가?
22번
전력 원선도에서 구할 수 없는 것은?
23번
어떤 고층 건물의 총 부하 설비전력이 400[kW], 수용률 0.5일 때, 이 건물의 변전설비 용량의 최저값은 몇kVA인가? (단, 부하의 역률은 0.8이다.)
24번
다음 중 전력계통에서 인터록의 설명으로 적합한 것은?
25번
1상의 대지 정전용량이 0.5[㎌]이고, 주파수 60[Hz]의 3상 송전선 소호 리액터의 인덕턴스는 몇[H]인가?
26번
주상변압기의 1차측 전압이 일정할 경우 2차측 부하가 변하면, 주상변압기의 동손과 철손은 어떻게 되는가?
27번
등가 송전선로의 정전용량 C=0.008[㎌/㎞], 선로길이 L=100[㎞], 대지 전압 E=37000[V]이고, 주파수 f=60[㎐]일 때, 충전 전류는 약 몇 [A]인가?
28번
다음 중 가스 차단기(GCB)의 보호장치가 아닌 것은?
29번
다음 중 조상설비에 해당되지 않는 것은?
30번
송전선에 낙뢰가 가해져서 애자에 섬락이 생기면 아크가 생겨 애자가 손상되는 경우가 있다. 이것을 방지하기 위하여 사용되는 것은?
31번
출력 20[kW]의 전동기로 총양정 10[m], 펌프효율 0.75일 때 양수량은 몇 m3/min인가?
32번
피뢰기의 제한전압이란?
33번
그림에서와 같이 부하가 균일한 밀도로 도중에서 분기되어 선로 전류가, 송전단에 이를수록 직선적으로 증가할 경우 선로 말단의 전압 강하는 이 송전단 전류와 같은 전류의 부하가 선로의 말단에만 집중되어 있을 경우의 전압강하보다 대략 어떻게 되는가? (단, 부하역률은 모두 같다고 한다 )

34번
지중 케이블에서 고장점을 찾는 방법이 아닌것은?
35번
수력발전소에서 서보모터의 작용으로 옳게 설명한 것은?
36번
선로 정수를 전체적으로 평행되게 만들어서 근접 통신선에 대한 유도 장해를 줄일 수 있는 방법은?
37번
철탑에서의 차폐각에 대한 설명 중 옳은 것은?
38번
3상 1회선 전선로에서 대지정전용량을 Cs[F/m], 선간 정전용량을 Cm[F/m]이라 할 때, 작용정전용량 Cn[F/m]은?
39번
수전단 전압 66kV, 전류 100A, 선로저항 10Ω, 선로 리액턴스 15Ω인 3상 단거리 송전선로의 전압 강하율은 몇 [%]인가? (단, 수전단의 역률은 0.8이다.)
40번
차단기와 차단기의 소호 매질이 틀리게 결합된 것은 어느 것인가?
3과목 : 전기기기
41번
권선형 유도 전동기에서 2차 저항을 변화시켜서 속도 제어를 하는 경우 최대 토크는?
42번
그림에서 밀리암폐어계의 지시 [mA]를 구하면 얼마인가? (단, 밀리 암페어계는 가동 코일형이고, 정류기의 저항은 무시한다.)(오류 신고가 접수된 문제입니다. 반드시 정답과 해설을 확인하시기 바랍니다.)

43번
직류 분권 발전기를 역회전하면?
44번
단상 주상변압기의 2차측(105[V]단자)에 1[Ω]의 저항을 접속하고, 1차측에 900[V]를 가하여 1차 전류가 1[A]라면 1차측 탭 전압[V]은? (단, 변압기의 내부 임피던스는 무시한다.)
45번
정격 150[kVA], ,철손 1[kW], 전부하 동손이 4[kW]인 단상 변압기의 최대 효율[%]과 최대 효율시의 부하[kVA]는? (단, 부하 역률은 1이다.)
46번
유도 전동기의 특성에서 토크와 2차입력, 동기속도와의 관계는?
47번
직류기의 보상권선은?
48번
백분율 저항강하 2[%], 백분율 리액턴스 강하 3[%]인 변압기가 있다. 역률(지역률) 80[%]인 경우의 전압 변동률은?
49번
사이리스터에서의 래칭 전류에 관한 설명으로 옳은것은?
50번
변압기 2대로 출력 P[kW], 역률 cosθ의 3상 유도전동기에 V결선 변압기로 전력을 공급할 때 변압기 1대의 최소 용량[kVA]은?
51번
3상 동기 발전기에서 권선 피치와 자극 피치의 비를 13/15의 단절권으로 하였을 때의 단절권 계수는?
52번
특수 전동기에 대한 설명 중 잘못 연결된 것은?
53번
부하가 변하면 심하게 속도가 변하는 직류전동기는?
54번
직류 발전기의 보극에 관한 설명 중 틀린것은?
55번
3상 유도 전동기에서 s=1일 때의 1차 유기기전력을 E2[V], 2차 1상의 리액턴스를 x2[Ω], 저항을 r2[Ω], 슬립을 s, 비례상수를 K0라고 하면 토크는?
56번
다음 중 역률이 가장 좋은 전동기는?
57번
변압기 철심에서 자속 변화에 의하여 발생하는 손실은?
58번
직류 분권 발전기를 병렬로 운전하는 경우 발전기 용량 P와 정격전압 V값은?
59번
3상 권선형 유도 전동기가 있다. 2차 회로는 Y로 접속되고 2차 각상의 저항은 0.3[Ω]이며, 1차, 2차 리액턴스의 합은 2차측에서 보아 1.5[Ω]이라 한다. 기동시에 최대 토크를 발생하기 위해서 삽입하여야 할 저항[Ω]은 얼마인가? (단, 1차 각상의 저항은 무시한다.)
60번
반파 정류회로에서 직류전압 200[V]를 얻는데 필요한 변압기 2차 상전압은 약 몇[V]인가? (단, 부하는 순저항, 변압기내 전압강하를 무시하면 정류기내의 전압강하는 5[V]로 한다.)
4과목 : 회로이론
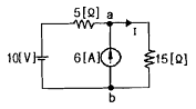
61번
회로에서 저항 15[Ω]에 흐르는 전류는 몇[A]인가?

62번
일 때 f(t)의 최종값은?
일 때 f(t)의 최종값은?
63번
불평형 3상 전류 Ia=10+j2[A], Ib=-20-j24[A], Ic=-5+j10[A]일 때의 영상전류 I0값은 얼마인가?(오류 신고가 접수된 문제입니다. 반드시 정답과 해설을 확인하시기 바랍니다.)
64번
라플라스 변환함수1/s(s+1)에 대한 역라플라스 변환은?
65번
상순이 abc인 3상 회로에 있어서 대칭분 전압이 V0=-8+j3[V], V1=6-j8{V], V2=8+j12[V]일 때, a상의 전압 Va[V]는?
66번
그림과 같은 회로에서 e0[V]의 위상은 ei[V]보다 어떻게 되는가?

67번
L형 4단자 회로망에서 4단자 정수가 A= 15/4, D=1이고, 영상임피던스 Z02가12/5[Ω] 일 때, 영상 임피던스 Z01[Ω]의 값은 얼마인가?
68번
다음과 같은 회로에서 정 K형 저역 여파기에 해당되는 것은? (단, 인던턴스는 L, 커패시턴스는 C이다.)

69번
그림과 같은 평형 3상 Y형 결선에서 각 상이 8[Ω]의 저항과 6[Ω]의 리액턴스가 직렬로 접속된 부하에 선간전압 100√3[V]가 공급되었다. 이때 선전류는 몇 [A]인가?

70번
RC 직렬 회로의 과도 현상에 관한 설명 중 옳게 표현된 것은?
71번
구형파의 파고율은 얼마인가?
72번
어떤 사인파 교류전압의 평균값이 191[V]이면 최대값은 약 몇 [V]인가?
73번
대칭 좌표법에서 사용되는 용어 중 3상에 공통된 성분을 표시하는 것은?
74번
어떤 제어계의 임펄스 응답이 sint일 때, 이 계의 전달함수를 구하면?
75번
데브낭의 정리와 쌍대 관계에 있는 정리는?
76번
그림과 같은 회로에서 인가 전압에 의한 전류 i를 입력, V0를 출력이라 할 때 전달 함수는? (단, 초기 조건은 모두 0이다.)

77번
정전용량 C만의 회로에서 100[V], 60[Hz]의 교류를 가했을 때 60[mA]의 전류가 흐른다면 C는 몇 [㎌]인가?
78번
그림에서 e(t)=Emcoswt의 전원 전압을 인가했을 때 인덕턴스 L에 축적되는 에너지 [J]는?

79번
θ가 0에서 π까지는i=20[A],π에서 2π까지는 i=0[A]인 파형을 푸리에 급수로 전개할 때 a0는?

80번
코일에 단상 100[V]의 전압을 가하면 30A의 전류가 흐르고 1.8KW의 전력을 소비한다고 한다. 이 코일과 병렬로 콘덴서를 접속하여 회로의 합성 역률을 100%로 하기 위한 용량 리액턴스는 대략 몇 [Ω]이어야 하는가?
5과목 : 전기설비기술기준 및 판단 기준
81번
154kV 옥외 변전소의 울타리 최소 높이는 몇 m인가?
82번
관등 회로란 무엇인가?
83번
고압 절연전선을 사용한 6600[V]배전선이 안테나와 접근상태로 시설되는 경우 그 이격거리는 몇 cm이상이어야 하는가?
84번
직류식 전기철도에서 가공으로 시설하는 배류선은 케이블인 경우 이외에는 지름 몇 mm의 경동선이나 이와 동등 이상의 세기 및 굵기의 것 이어야 하는가?
85번
수소 냉각식 발전기안의 수소 순도가 몇 % 이하로 저하한 경우에 이를 경보하는 장치를 시설해야 하는가?
86번
고압 가공전선로의 지지물로 철탑을 사용하는 경우 최대 경간은 몇 m인가?
87번
전기부식방식 시설은 지표 또는 수중에서 1m 간격의 임의의 2점간의 전위차가 몇 V를 넘으면 안되는가?
88번
특고압 가공전선이 도로 횡단보도교 철도 또는 궤도와 제 1차 접근 상태로 시설되는 경우 특고압 가공전선로는 제 몇 종 보안 공사에 의하여야 하는가?
89번
뱅크 용량이 20000kVA 인 전력용 캐패시터에 자동적으로 전로로부터 차단하는 보호장치를 하려고 한다. 반드시 시설하여야 할 보호장치가 아닌 것은?
90번
변압기의 고압측 전로와의 혼촉에 의하여 저압 전로의 대지 전압이 150[V]를 넘는 경우에 2초 이내에 고압 전로를 자동 차단하는 장치가 되어있는 6600/220[V] 배전 선로에 있어서 1선 지락 전류가 2A이면 제 2종 접지 저항 값의 최대는 얼마인가?
91번
케이블 트레이 공사에 사용하는 케이블 트레이에 적합하지 않은 것은?
92번
사용 전압이 400V미만인 저압 가공전선은 지름 몇 ㎜이상의 절연전선이어야 하는가?
93번
345kV의 가공 송전선로를 평지에 건설하는 경우 전선의 지표상 높이는 최소 몇 m 이상이어야 하는가?
94번
전력보안 가공 통신선(광섬유 케이블은 제외)을 조가할 경우 조가용 선은?(오류 신고가 접수된 문제입니다. 반드시 정답과 해설을 확인하시기 바랍니다.)
95번
저압 옥내 배선용 전선의 굵기는 연동선을 사용할 때 일반적으로 몇 mm2이상의 것을 사용하여야 하는가?
96번
고압 지중전선이 지중 약전류 전선 등과 접근하여 이격거리가 몇 cm이하인 때에는 양 전선 사이에 견고한 내화성의 격벽을 설치하는 경우 이외에는 지중전선을 견고한 불연성 또는 난연성의 관에 넣어 그 관이 지중 약전류전선 등과 직접 접촉되지 않도록 하여야 하는가?
97번
사용 전압이 154kV 인 가공 송전선로의 시설에서 전선과 식물과의 이격거리는 일반적인 경우에 몇 m이상으로 하여야 하는가?
98번
금속 덕트 공사에 의한 저압 옥내배선 공사 시설 기준에 적합하지 않는 것은?
99번
다음 중 지선의 시설 목적으로 적절하지 않은 것은?
100번
백열전등 또는 방전등에 전기를 공급하는 옥내 전선로의 대지 전압의 최대값은 일반적으로 몇 V인가?
연도별
- 2020년08월22일
- 2020년06월06일
- 2019년08월04일
- 2019년04월27일
- 2019년03월03일
- 2018년08월19일
- 2018년04월28일
- 2018년03월04일
- 2017년08월26일
- 2017년05월07일
- 2017년03월05일
- 2016년08월21일
- 2016년05월08일
- 2016년03월06일
- 2015년08월16일
- 2015년05월31일
- 2015년03월08일
- 2014년08월17일
- 2014년05월25일
- 2014년03월02일
- 2013년08월18일
- 2013년06월02일
- 2013년03월10일
- 2012년08월26일
- 2012년05월20일
- 2012년03월04일
- 2011년08월21일
- 2011년06월12일
- 2011년03월20일
- 2010년07월25일
- 2010년05월09일
- 2010년03월07일
- 2009년07월26일
- 2009년05월10일
- 2009년03월01일
- 2008년07월27일
- 2008년05월11일
- 2008년03월02일
- 2007년08월05일
- 2007년05월13일
- 2007년03월04일
- 2006년08월16일
- 2006년05월14일
- 2006년03월05일
- 2005년08월07일
- 2005년05월29일
- 2005년03월06일
- 2004년08월08일
- 2004년05월23일
- 2004년03월07일
- 2003년08월31일
- 2003년05월25일
- 2003년03월16일
- 2002년08월11일
- 2002년05월26일
- 2002년03월10일