전기산업기사 (2015년03월08일 기출문제)
1과목 : 전기자기학
1번
공간도체 중의 정상 전류밀도를 i, 공간 전하밀도를 p라고 할 때, 키르히호프의 전류 법칙을 나타내는 것은?
2번
무한 길이의 직선 도체에 전하가 균일하게 분포되어 있다. 이 직선 도체로부터 l인 거리에 있는 점의 전계의 세기는?
3번
전계의 세기를 주는 대전체 중 거리 r에 반비례하는 것은?
4번
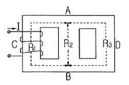
그림과 같은 자기회로에서
이고, 코일은 10회 감았다. 이때 코일에 10A의 전류를 흘리면
간에 투과하는 자속
는 약 몇 Wb인가?
이고, 코일은 10회 감았다. 이때 코일에 10A의 전류를 흘리면
간에 투과하는 자속
는 약 몇 Wb인가?
5번
6.28 A가 흐르는 무한장 직선 도선상에서 1m 떨어진 점의 자계의 세기[A/m]는?
6번
유전율 E, 투자율 μ인 매질 중을 주파수 f[hz]의 전자파가 전파되어 나갈 때의 파장은 몇 m인가?
7번
정전용량 6[㎌], 극간거리 2mm의 평판 콘덴서에 300[μC]의 전하를 주었을 때 극판간의 전계는 몇 V/mm 인가?
8번
전자석의 재료(연철)로 적당한 것은?
9번
유전체에 가한 전계 E[V/m]와 분극의 세기 P[C/m2], 전속밀도D[C/m2]간의 관계식으로 옳은 것은?
10번
반지름이 r1인 가상구 표면에 +Q의 전하가 균일하게 분포되어 있는 경우, 가상구 내의 전위 분포에 대한 설명으로 옳은 것은?

11번
전계 E==i3x2+j2xy2+kx2yz의 divE는 얼마인가?
12번
정현파 자속으로하여 기전력이 유기될 때 자속의 주파수가 3배로 증가하면 유기 기전력은 어떻게 되는가?
13번
W1,W2의 에너지를 갖는 두 콘덴서를 병렬로 연결하였을 경우 총 에너지 W에 대한 관계식으로 옳은 것은? (단, W1≠W2이다.)
14번
10V의 기전력을 유기시키려면 5초간에 몇 Wb의 자속을 끊어야 하는가?
15번
완전 유전체에서 경계조건을 설명한 것 중 맞는 것은?
16번
두 자기인덕턴스를 직렬로 연결하여 두 코일이 만드는 자속이 동일 방향일 때 합성 인덕턴스를 측정하였더니 75mH가 되었고, 두 코일이 만드는 자속이 서로 반대인 경우에는 25mH가 되었다. 두 코일의 상호인덕턴스는 몇 mH인가?
17번
투자율이 다른 두 자성체의 경계면에서 굴절각과 입사각의 관계가 옳은 것은? (단, μ:투자율 θ1:입사각, θ2:굴절각 이다.)
18번
E=[(sin x)ax+(cos x)ay]e-y[V/m]인 전계가 자유공간 내에 존재한다. 공간 내의 모든 곳에서 전하밀도는 몇 C/m3인가?
19번
진공 중에 같은 전기량 +1C의 대전체 두 개가 약 몇 m 떨어져 있을 때 각 대전체에 작용하는 반발력이 1N인가?
20번
l1=∞, l21m의 두 직선도선을 50cm의 간격으로 평행하게 놓고, l1을 중심축으로 하여 l2를 속도 100 m/s로 회전시키면 l2에 유기되는 전압은 몇 V인가? (단, l1에 흐르는 전류는 50 mA이다.)
2과목 : 전력공학
21번
뇌해 방지와 관계가 없는 것은?
22번
선로 임피던스가 Z인 단상 단거리 송전선로의 4단자 정수는?
23번
송전선로의 안정도 향상 대책이 아닌 것은?
24번
저압 뱅킹 방식에 대한 설명으로 틀린 것은?
25번
리클로저에 대한 설명으로 가장 옳은 것은?
26번
원자력 발전소와 화력발전소의 특성을 비교한 것 중 틀린 것은?
27번
송전선로에서 역섬락을 방지하는 가장 유효한 방법은?
28번
우리나라의 특고압 배전방식으로 가장 많이 사용되고 있는 것은?
29번
양 지지점의 높이가 같은 전선의 이도를 구하는 식은? (단, 이도는 D[m], 수평장력은 T[kg], 전선의 무게는 W[kg/m], 경간은 S[m]이다.)
30번
배전선의 역률개선에 따른 효과로 적합하지 않은 것은?
31번
발전기의 정태 안정 극한 전력이란?
32번
유역면적 80km2, 유효낙차 30m, 연간 강우량 1500mm의 수력발전소에서 그 강우량의 70%만 이용하면 연간 발전 전력량은 몇 kwh인가?(단, 종합효율은 80%이다.)
33번
낙차 350m, 회전수 600rpm인 수차를 325m의 낙차에서 사용할 때의 회전수는 약 몇 rpm인가?
34번
가공 송전선의 코로나를 고려할 때 표준상태에서 공기의 절연내력이 파괴되는 최소 전위경도는 정현파 교류의 실효값으로 약 몇 kV/cm 정도인가?
35번
차단기의 개폐에 의한 이상전압의 크기는 대부분의 경우 송전선 대지 전압의 최고 몇 배 정도인가?
36번
선로의 작용 정전용량 0.008㎌/㎞, 선로의 길이 100㎞, 전압 37000V이고, 주파수 60㎐일 때, 한상에 흐르는 충전전류는 약 몇 A인가?(오류 신고가 접수된 문제입니다. 반드시 정답과 해설을 확인하시기 바랍니다.)
37번
송전선로의 단락보호 계전방식이 아닌 것은?
38번
동일 전력을 동일 선간전압, 동일 역률로 동일 거리에 보낼 때, 사용하는 전선의 총중량이 같으면, 단상 2선식과 3상 3선식의 전력 손실비(3상 3선식/단상 2선식)는?
39번
정정된 값 이상의 전류가 흘러 보호 계전기가 동작할 때 동작 전류가 낮은 구간에서는 동작 전류의 증가에 따라 동작 시간이 짧아지고, 그 이상이면 동작 전류의 크기에 관계없이 일정한 시간에서 동작하는 특성을 무슨 특성이라 하는가?
40번
어떤 건물에서 총설비 부하용량이 850kW, 수용률이 60%이면, 변압기 용량은 최소 몇 kVA로 하여야 하는가? (단, 설비 부하의 종합역률은 0.75이다.)
3과목 : 전기기기
41번
브러시의 위치를 바꾸어서 회전방향을 바꿀 수 있는 전기 기계가 아닌 것은?
42번
직류 전동기의 역기전력에 대한 설명 중 틀린 것은?
43번
정격 6600/220V인 변압기의 1차측에 6600V를 가하고 2차측에 순저항 부하를 접속하였더니 1차에 2A의 전류가 흘렀다. 이때 2차 출력[kVA]은?
44번
단자전압 220V, 부하전류 50A인 분권 발전기의 유기 기전력[V]은? (단, 전기자 저항 0.2Ω, 계자 전류 및 전기자 반작용은 무시한다.)
45번
200kW, 200V의 직류 분권 발전기가 있다. 전기자 권선의 저항이 0.025Ω 일 때 전압 변동률은 몇 %인가?
46번
6극 직류 발전기의 정류자 편수가 132, 단자전압이 220V, 직렬 도체수가 132개이고 중권이다. 정류자 편간 전압은 몇 V인가?
47번
3300/210V, 5kVA 단상변압기의 퍼센트 저항강하 2.4%, 퍼센트 리액턴스강하 1.8%이다. 임피던스 와트[W]는?
48번
변압기유가 갖추어야 할 조건으로 옳은것은?
49번
단상 유도전동기의 기동토크에 대한 사항으로 틀린 것은?
50번
3상 동기 발전기에 평형 3상 전류가 흐를 때 반작용은 이 전류가 기전력에 대하여 (A)때 감자작용이 되고, (B)때 증자작용이 된다. A, B의 적당한 것은?
51번
유도 전동기의 슬립을 측정하려고 한다. 다음 중 슬립의 측정법이 아닌 것은?
52번
3상 유도 전동기 원선도 작성에 필요한 시험이 아닌것은?
53번
스테핑 모터의 여자 방식이 아닌 것은?
54번
단상 반발 전동기에 해당되지 않는 것은?
55번
극수 6, 회전수 1200rpm의 교류 발전기와 병행운전하는 극수 8의 교류 발전기의 회전수는 몇 rpm 이어야 하는가?
56번
반도체 사이리스터에 의한 제어는 어느 것을 변화시키는 것인가?
57번
3상 동기 발전기의 매극 매상의 슬롯수를 3이라고 하면, 분포권 계수는?
58번
△-Y 결선의 3상 변압기군 A와 Y-△ 결선의 변압기군 B를 병렬로 사용할 때 A군의 변압기 권수비가 30이라면 B군의 변압기 권수비는?
59번
동기 발전기에서 기전력의 파형이 좋아지고 권선의 누설리액턴스를 감소시키기 위하여 채택한 권선법은?
60번
3상 60Hz 전원에 의해 여자되는 6극 권선형 유도전동기가 있다. 이 전동기가 1150rpm으로 회전할 때 회전자 전류의 주파수는 몇 Hz인가?
4과목 : 회로이론
61번
1000Hz인 정현파 교류에서 5mH인 유도 리액턴스와 같은 용량 리액턴스를 갖는 C의 값은 약 몇 ㎌인가?
62번
Z=6+j8Ω인 평형 Y부하에 선간전압 200V인 대칭 3상 전압을 가할 때 선전류는 약 몇 A인가?
63번
그림과 같은 이상적인 변압기로 구성된 4단자 회로에서 정수 A, B, C, D중 A는?

64번
f(t)=u(t-a)-u(t-b)의 라플라스 변환은?
65번
복소수
일 때, I=I1+I2는 얼마인가?
일 때, I=I1+I2는 얼마인가?
66번
그림과 같은 회로의 전달함수는? (단, e1은 입력, e2는 출력이다.)

67번
그림과 같은 4단자망의 영상 전달정수 θ는?

68번
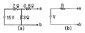
그림(a)의 회로를 그림 (b)와 같은 등가회로로 구성하고자 한다. 이때 V 및 R의 값은?

69번
구형파의 파형률(㉠)과 파고율(㉡)은?
70번
모든 초기값을 0으로 할 때, 출력과 입력의 비를 무엇이라 하는가?
71번
그림과 같은 파형의 라플라스 변환은?

72번
그림에서 전류 i5의 크기는?

73번
한상의 직렬 임피던스R r=6Ω,XL=8Ω인 △결선 평형 부하가 있다. 여기에 선간전압 100V인 대칭 3상 교류 전압을 가하면 선전류는 몇 A인가?
74번
그림과 같은 회로에서 S를 열었을 때 전류계는 10A를 지시하였다. S를 닫았을 때 전류계의 지시는 몇 A인가?

75번
2전력계법으로 평형 3상 전력을 측정하였더니 각각의 전력계가 500W, 300W를 지시하였다면 전 전력[W]은?
76번
그림과 같은 회로에서 a-b 양단간의 전압은 몇 V인가?

77번
역률이 60%이고, 1상의 임피던스가 60Ω인 유도부하를 △로 결선하고 여기에 병렬로 저항 20Ω을 Y결선으로 하여 3상 선간전압 200V를 가할 때의 소비전력[W]은?
78번
회로에서 각 계기들의 지시값은 다음과 같다. 전압계는 240V, 전류계는 5A, 전력계는 720W이다. 이때 인덕턴스 L[H]는 얼마인가?(단, 전원주파수는 60Hz이다.)

79번
다음 회로에 대한 설명으로 옳은 것은?

80번
3상 평형 부하가 있다. 선간전압이 200V, 역률이 0.8이고 소비전력이 10kW라면 선전류는 약 몇 A인가?
5과목 : 전기설비기술기준 및 판단 기준
81번
저압전로에서 그 전로에 지락이 생겼을 경우 0.5초 이내에 자동적으로 전로를 차단하는 장치를 시설하는 경우에는 제3종 접지 공사의 접지저항 값을 몇 Ω까지 허용할 수 있는가? (단, 자동 차단기의 정격감도전류는 30mA이다.)(관련 규정 개정전 문제로 여기서는 기존 정답인 4번을 누르면 정답 처리됩니다. 자세한 내용은 해설을 참고하세요.)
82번
애자사용공사에 의한 저압 옥내배선을 시설할 때, 전선 상호간의 간격은 몇 cm 이상이어야 하는가?
83번
“지중관로”에 대한 정의로 옳은 것은?
84번
고압 가공전선에 케이블을 사용하는 경우의 조가용선 및 케이블의 피복에 사용하는 금속체에는 몇 종 접지공사를 하여야 하는가?(관련 규정 개정전 문제로 여기서는 기존 정답인 3번을 누르면 정답 처리됩니다. 자세한 내용은 해설을 참고하세요.)
85번
방전등용 안정기로부터 방전관까지의 전로를 무엇이라 하는가?
86번
345kV의 송전선을 사람이 쉽게 들어갈 수 없는 산지에 시설하는 경우 전선의 지표상 높이는 몇 m 이상이어야 하는가?
87번
전기설비기술기준에서 정하는 15kV이상, 25kV 미만인 특고압 가공전선과 그 지지물, 완금류, 지주 또는 지선 사이의 이격거리는 몇 cm 이상이어야 하는가?(관련 규정 개정전 문제로 여기서는 기존 정답인 1번을 누르면 정답 처리됩니다. 자세한 내용은 해설을 참고하세요.)
88번
고압 지중케이블로서 직접 매설식에 의하여 콘크리트제 기타 견고한 관 또는 트라프에 넣지 않고 부설할 수 있는 케이블은?
89번
관, 암거 기타 지중전선을 넣은 방호장치의 금속제 부분 및 지중전선의 피복으로 사용하는 금속체에는 몇 종 접지공사를 하여야 하는가?(관련 규정 개정전 문제로 여기서는 기존 정답인 3번을 누르면 정답 처리됩니다. 자세한 내용은 해설을 참고하세요.)
90번
전기 울타리의 시설에 관한 설명으로 틀린 것은?
91번
전선의 접속법을 열거한 것 중 틀린 것은?
92번
가공전선로의 지지물에 하중이 가하여지는 경우에 그 하중을 받는 지지물의 기초의 안전율은 일반적인 경우 얼마 이상이어야 하는가?(오류 신고가 접수된 문제입니다. 반드시 정답과 해설을 확인하시기 바랍니다.)
93번
소맥분, 전분 기타의 가연성 분진이 존재하는 곳의 저압 옥내배선으로 적합하지 않은 공사방법은?
94번
도로에 시설하는 가공 직류 전차 선로의 경간은 몇 m 이하인가?
95번
도로, 주차장 또는 조영물의 조영재에 고정하여 시설하는 전열장치의 발열선에 공급하는 전로의 대지전압은 몇 V 이하이어야 하는가?
96번
철큰 콘크리트주로서 전장이 15m이고, 설계하중이 7.8kN이다. 이 지지물을 논, 기타 지반이 약한 곳 이외에 기초 안전율의 고려 없이 시설하는 경우에 그 묻히는 깊이는 기준보다 몇 cm를 가산하여 시설하여야 하는가?
97번
66kV에 사용되는 변압기를 취급자 이외의 자가 들어가지 않도록 적당한 울타리, 담 등을 설치하여 시설하는 경우 울타리, 담 등의 높이와 울타리, 담등으로부터 충전부분까지의 거리의 합계는 최소 몇 m 이상으로 하여야 하는가?
98번
가공 전선로에 사용하는 지지물의 강도 계산에 적용하는 병종 풍압하중은 갑종 풍압하주의 몇 %를 기초로 하여 계산한 것인가?
99번
저압 옥내배선에서 시행하는 공사 내용 중 틀린 것은?
100번
케이블 트레이 공사에 사용하는 케이블 트레이의 최소 안전율은?
연도별
- 2020년08월22일
- 2020년06월06일
- 2019년08월04일
- 2019년04월27일
- 2019년03월03일
- 2018년08월19일
- 2018년04월28일
- 2018년03월04일
- 2017년08월26일
- 2017년05월07일
- 2017년03월05일
- 2016년08월21일
- 2016년05월08일
- 2016년03월06일
- 2015년08월16일
- 2015년05월31일
- 2015년03월08일
- 2014년08월17일
- 2014년05월25일
- 2014년03월02일
- 2013년08월18일
- 2013년06월02일
- 2013년03월10일
- 2012년08월26일
- 2012년05월20일
- 2012년03월04일
- 2011년08월21일
- 2011년06월12일
- 2011년03월20일
- 2010년07월25일
- 2010년05월09일
- 2010년03월07일
- 2009년07월26일
- 2009년05월10일
- 2009년03월01일
- 2008년07월27일
- 2008년05월11일
- 2008년03월02일
- 2007년08월05일
- 2007년05월13일
- 2007년03월04일
- 2006년08월16일
- 2006년05월14일
- 2006년03월05일
- 2005년08월07일
- 2005년05월29일
- 2005년03월06일
- 2004년08월08일
- 2004년05월23일
- 2004년03월07일
- 2003년08월31일
- 2003년05월25일
- 2003년03월16일
- 2002년08월11일
- 2002년05월26일
- 2002년03월10일