전기산업기사 (2004년08월08일 기출문제)
1과목 : 전기자기학
1번
길이 50cm, 반지름 1cm의 원형 단면적을 가진 가늘고 긴 공심 원통 솔레노이드가 있다. 자기 인덕턴스를 10mH로 하기 위한 권회수는 약 몇 회인가?
2번
전자계에 대한 맥스웰의 기본 이론이 아닌 것은?
3번
환상 철심에 감은 코일에 5A의 전류를 흘리면 2000AT의 기자력이 생기는 것으로 한다면, 코일의 권수는 얼마로 하여야 하는가?
4번
전계 E=√2 Ee sinω
[V/m]의 평면 전자파가 있다. 진공 중에서의 자계의 실효값은 몇 A/m 인가?
[V/m]의 평면 전자파가 있다. 진공 중에서의 자계의 실효값은 몇 A/m 인가?
5번
반지름 a[m]의 도체구와 내외 반지름이 각각 b[m] 및 c[m]인 도체구가 동심으로 되어 있다. 두 도체구 사이에 비유전률 εs인 유전체를 채웠을 경우의 정전용량은 몇 F 인가?
6번
반지름 r[m], 권수 N회의 원형코일이 자속밀도 B[T]의 균일한 자계 중을 중심축이 자계와 직교하도록 하고 매분 n회전할 때 코일에 발생하는 전압의 진폭은 몇 V 인가?
7번
도전률이 연동선의 62%인 알루미늄선의 고유저항은 몇 Ωㆍm 인가? (단, 표준 연동선의 도전률은 58×106 ℧/m 이다.)
8번
반지름 a 인 원주 도체의 단위길이당 내부 인덕턴스는 몇 H/m 인가?
9번
전기쌍극자로부터 r 만큼 떨어진 점의 전위의 크기 V 는 r 과 어떤 관계에 있는가?
10번
유전체내의 정전 에너지식으로 옳지 않은 것은?
11번
어느 코일의 전류가 0.04초사이에 4A 변화하여 기전력 2.5V를 유기하였다고 하면 이 회로의 자기인덕턴스는 몇 mH 인가?
12번
자계의 세기에 관계없이 급격히 자성을 잃는 점을 자기 임계온도 또는 큐리점(Curie point)이라고 한다. 순철의 경우 이 온도는 약 몇 ℃ 인가?
13번
그림과 같이 진공 중에 서로 평행인 무한 길이 두 직선 도선 A, B가 d[m]떨어져 있다. A, B의 선전하 밀도를 각각 λ1[C/m], λ2[C/m]라 할 때, A로부터
인 점의 전계의 세기가 0 이었다면 λ1과 λ2 의 관계는?
인 점의 전계의 세기가 0 이었다면 λ1과 λ2 의 관계는?
14번
균등자계 H 중에 놓여진 투자율 μ 인 자성체를 외부자계 Ho 중에 놓았을 때 자화의 세기는 몇 Wb/m2 인가? (단, 자성체의 감자율은 N 이다.)
15번
반지름 a 인 액체 상태의 원통상 도선 내부에 균일하게 전류가 흐를 때 도체 내부에 자장이 생겨 로렌츠의 힘으로 전류가 원통 중심방향으로 수축하려는 효과는?
16번
전기력선 밀도를 이용하여 주로 대칭 정전계의 세기를 구하기 위하여 이용되는 법칙은?
17번
합성수지의 절연체에 5×103 V/m의 전계를 가했을 때, 이때의 전속밀도를 구하면 약 몇 C/m2 이 되는가? (단, 이 절연체의 비유전률은 10 으로 한다.)
18번
접지 구도체와 점전하간에는 어떤 힘이 작용하는가?
19번
무한장 직선 도체에 전류 I[A]가 흐르고 있을 때 도체에서 r[m] 떨어진 점 P 의 자속밀도는 몇 Wb/m2 인가?
20번
공기 중에서 접지된 무한 넓이 평면 도체판으로부터 r[m] 떨어진 점에 Q[C]의 점전하를 놓을 때, 이 점전하에 작용하는 힘(引力)의 크기는 몇 N 인가?
2과목 : 전력공학
21번
전력계통의 안정도 향상대책이라 볼 수 없는 것은?
22번
선로의 특성임피던스는?
23번
피뢰기가 구비해야 할 조건 중 잘못 설명된 것은?(오류 신고가 접수된 문제입니다. 반드시 정답과 해설을 확인하시기 바랍니다.)
24번
송배전 선로의 도중에 직렬로 삽입하여 선로의 유도성 리액턴스를 보상함으로서 선로정수 그 자체를 변화시켜서 선로의 전압강하를 감소시키는 직렬콘덴서방식의 특성에 대한 설명으로 옳은 것은?
25번
일반회로정수가 A , B , C , D 이고 송수전단의 상전압이 각각 ES, ER일 때 수전단 전력원선도의 반지름은?
26번
전류차동계전기는 무엇에 의하여 동작하는지 이에 대한 설명으로 가장 적당한 것은?
27번
송전계통의 중성점접지방식에서 유효접지라 하는 것은?
28번
경간 200m인 가공 전선로에서 사용되는 전선의 길이는 경간보다 몇 m 더 길게 하면 되는가? (단, 사용 전선의 1m당 무게는 2kg, 인장하중은 4000kg, 전선의 안전률은 2 이고, 풍압하중 등은 무시한다.)
29번
250mm 현수애자 1개의 건조섬락전압은 약 몇 kV 정도인가?
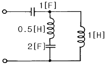
30번
SF6 가스차단기의 설명이 잘못된 것은?
31번
차단기에서 0-1분-CO-3분-CO 인 것의 의미는? (단, O: 차단공작, C: 투입동작, CO: 투입동작에 뒤따라 곧 차단동작)
32번
3kV 배전선로의 전압을 6kV로 승압하여 동일한 손실률로 송전할 때, 송전전력은 승압전의 몇 배가 되는가?
33번
역률 80%인 10000kVA의 부하를 갖는 변전소에 2000kVA의 콘덴서를 설치해서 역률을 개선하면 변압기에 걸리는 부하는 약 몇 kW 인가?
34번
부하율이란?
35번
62000kW의 전력을 60㎞ 떨어진 지점에 송전하려면 전압은 약 몇 kV로 하면 좋은가?
36번
출력 30000kW의 화력발전소에서 6000kcal/kg의 석탄을 매시간당 15톤의 비율로 사용하고 있다. 이 발전소의 종합 효율은 약 몇 % 인가?
37번
농축 우라늄을 제조하는 방법이 아닌 것은?
38번
소호환(arcing ring)의 설치 목적은?
39번
그림과 같이 폭 B[m]인 수로를 막고 있는 구형 수문에 작용하는 전 압력은 몇 kg 인가? (단, 물의 단위 체적당의 무게를 W[kg/m3]이라 한다.)

40번
평형 3상 송전선에서 보통의 운전상태인 경우 중성점 전위는 항상 얼마인가?
3과목 : 전기기기
41번
3상 농형 유도 전동기 기동법 중 옳은 것은?
42번
다음 정류방식중 맥동률이 가장 작은 방식은?
43번
사이리스터 2개를 사용한 단상 전파 정류회로에서 직류전압 100[V]를 얻으려면 몇 [V]의 교류전압이 필요한가? (단, 정류기내의 전압강하는 무시한다.)
44번
1차 전압 6900[V], 1차 권선 3000회, 권수비 20의 변압기가 60[Hz]에 사용할 때 철심의 최대자속[Wb]은?
45번
60[Hz]의 전원에 접속된 6극 3상 유도 전동기의 슬립이 0.03 일 때의 회전속도[rpm]는?
46번
10[kVA], 2000/100[V] 변압기에서 1차로 환산한 등가 임피던스는 6.2+j7[Ω]이다. 변압기의 % 리액턴스 강하는?
47번
임피던스 강하가 4[%]인 변압기가 운전 중 단락되었을 때 그 단락 전류는 정격 전류의 몇 배인가?
48번
60[Hz] 12극 회전자 외경 2[m]의 동기 발전기에 있어서 자극면의 주변 속도 [m/s]는?
49번
직류에서 교류로 변환하는 기기는?
50번
3상 유도전동기에서 비례추이를 하지 않는 것은?
51번
유도전동기 회전자에 2차 주파수와 같은 주파수 전압을 공급하여 속도를 제어하는 방법은?
52번
9000[kVA], 6000[V]인 3상 교류 발전기의 % 동기임피던스가 80% 이다.이 발전기의 동기 임피던스는 몇 [Ω]인가?
53번
220[V], 50[kW]인 직류직권 전동기를 운전하는데 전기자 저항(브러시의 접촉저항 포함)이 0.05[Ω]이고 기계적 손실이 1.7[kW], 표유손이 출력의 1[%]이다. 부하전류가 100[A] 일 때의 출력[kW]은?
54번
동기 발전기의 병렬운전에 필요하지 않은 조건은?
55번
직류 발전기를 병렬 운전할 때 균압선을 설치하여 병렬 운전하는 발전기는?
56번
변압기의 1차 권선에 V1=220√2 cosωt[V]의 전압을 가하면 철심자속은 ø =9×10-3 sinωt[Wb], 여자전류의 순시치 i0=√2 (5sinωt- 2sin 3ωt + cosωt - 0.5cos 3ωt)[A]이다. 이 때 철손[W]은?
57번
직류 분권 발전기가 있다. 극당 자속 0.01[Wb], 도체수 400, 회전수 600[rpm]인 6극 직류기의 유도 기전력[V]은? (단, 병렬회로수는 2 이다.)
58번
20극 360[rpm]의 3상 동기발전기가 있다. 전슬롯수 180, 2층권으로 각 코일의 권수 4, 전기자 권선은 성형으로 단자전압이 6600[V]인 경우 1극의 자속은 약 몇 [Wb]인가? (단, 권선계수는 0.9라 한다.)
59번
동기발전기의 부하가 불평형이 되어 발전기의 회전자가 과열 소손되는 것을 방지하기 위하여 설치하는 계전기는?
60번
다음은 무슨 회로인가?

4과목 : 회로이론
61번
그림과 같은 회로에 대한 서술에서 잘못된 것은?

62번
그림과 같은 R-L 회로에서 전달함수를 구하면?

63번
그림과 같은 π 형 4단자 회로의 어드미턴스 상수중 Y22는?

64번
다음과 같은 전류의 초기값 i(0+)를 구하면?

65번
그림과 같은 회로의 2단자 임피던스 Z(s)는? (단, S=jω 라 한다)

66번
그림과 같은 e=Em sinω t인 정현파 교류의 반파정류파형의 실효값은?

67번
어떤 회로의 단자전압이 e=20sinωt+10sin30t[V]이고 전압 강하의 방향으로 흐르는 전류가 i=10sinωt+20sin30t [A]일 때 회로의 역률은 몇 [%] 인가?
68번
R-L-C 직렬회로에서 R=100[Ω], L=0.1[mH], C=0.1[μF]일 때 이 회로는?
69번
R=5[Ω], L=10[mH], C=1[μF]의 직렬회로에서 공진주파수 fr[Hz]는 약 얼마인가?
70번
저항 R, 리액턴스 X 와의 직렬회로에 전압 V 를 가했을 때 소비되는 전력은?
71번
주기적인 구형파 신호의 성분은?
72번
3상 대칭분 전류를 I0 , I1 , I2 라 하고 선전류를 Ia, Ib, Ic 라고 할 때 Ib는 어떻게 되는가?
73번
어떤 제어계의 임펄스 응답이 sinωt 일 때의 계의 전달함수는?
74번
의 전달함수를 미분방정식으로 표시하면?
의 전달함수를 미분방정식으로 표시하면?
75번
대칭 3상 전압이 있다. 1상의 Y전압의 순시값이 Vs = √2 1000sinωt + √2 500sin(3ωt + 20°) + √2 100sin(5ωt+30°) 일 때 성상전압과 선간전압의 비는 얼마인가?
76번
로 표시되는 두 벡터가 있다.
의 값은 얼마인가?
로 표시되는 두 벡터가 있다.
의 값은 얼마인가?
77번
ε -αtcosωt의 라플라스 변환은?
78번
=√3 +j5[Ω]인 3개의 임피던스를 Y결선하여 250[V]의 대칭 3상 전원에 연결하였다. 소비전력은?
=√3 +j5[Ω]인 3개의 임피던스를 Y결선하여 250[V]의 대칭 3상 전원에 연결하였다. 소비전력은?
79번
대칭 좌표법에 관한 설명중 잘못된 것은?
80번
대칭 3상 Y결선에서 선간전압이 100√3 [V]이고 각 상의 임피던스 Z =30+j40[Ω]의 평형 부하일 때 선전류[A]는?
5과목 : 전기설비기술기준 및 판단 기준
81번
가공 전선로의 지지물에 시설하는 지선의 시방세목으로 옳은 것은?
82번
특별고압 옥외 배전용 변압기를 시설하는 경우, 특별고압 측에는 일반적인 경우에 개폐기와 또한 어떤 것을 시설하여야 하는가?
83번
시가지에 시설되어 있는 가공 직류 전차선의 장선에는, 가공 직류 전차선간 및 가공 직류 전차선으로 부터 60cm 이내의 부분 이외에는 몇 종 접지공사를 하여야 하는가?
84번
과전류차단기로 시설하는 퓨즈 중 고압전로에 사용하는 비포장 퓨즈는 정격전류의 1.25배의 전류에 견디고 또한 몇 배의 전류로 몇 분안에 용단되는 것이어야 하는가?
85번
가공 전선로에 사용하는 지지물의 강도 계산에 적용하는 풍압하중 중 병종풍압하중은 갑종풍압하중에 대한 얼마의 풍압을 기초로 하여 계산한 것인가?
86번
옥내에 시설하는 저압전선으로 나전선을 절대로 사용할 수 없는 것은?
87번
금속관공사에 의하여 저압 옥내배선을 할 때 콘크리트에 매설하는 관의 두께는 최소 몇 ㎜ 이상이어야 하는가?
88번
용량이 15000kVA 이상의 조상기에는 그 내부에 고장이 생긴 경우를 대비하여 어떤 장치를 반드시 하여야 하는가?
89번
일반주택 및 아파트 각 호실의 현관등과 같은 조명용 백열전등을 설치할 때에는 타임스위치를 시설하여야 한다. 몇 분이내에 소등되는 것이어야 하는가?
90번
특별고압 가공 전선로의 중성선의 다중 접지 및 중성선을 시설할 때, 각 접지선을 중성선으로부터 분리하였을 경우 각 접지점의 대지전기저항값은 몇 Ω 이하이어야 하는가?
91번
저압 옥내간선에 전동기와 전열기 및 전등이 연결되어있다. 몇 A 이상의 허용전류가 있는 전선을 사용하여야 하는가? (단, 전동기의 정격전류는 130A, 전열기는 10A, 전등은 14A 이고 수용률은 100%로 한다.)
92번
인도교 위에 시설하는 조명용 저압 가공 전선로에 사용되는 경동선의 최소 굵기는 몇 mm 인가?
93번
전력보안 가공 통신선을 교통에 지장을 줄 우려가 없는 곳의 도로 위에 시설할 경우에는 지표상 몇 m 까지로 감하여 시설할 수 있는가?
94번
"관등회로"라고 하는 것은?
95번
3상4선식 22.9kV 중성선 다중접지식 가공 전선로의 전로와 대지간의 절연내력 시험전압은 몇 V 인가?
96번
관, 암거 기타 지중전선을 넣은 방호장치의 금속제 부분 및 지중전선의 피복으로 사용하는 금속체의 접지는 제 몇 종 접지공사로 하여야 하는가? (단, 금속제 부분에는 케이블을 지지하는 금구류를 제외한다.)
97번
6kV 고압 옥내배선을 애자사용공사로 하는 경우 전선의 지지점간의 거리는 전선을 조영재의 면을 따라 붙이는 경우에는 몇 m 이하이어야 하는가?
98번
저압 인입선을 시설할 때 사용하여서는 아니되는 전선은?
99번
사용전압이 60000V이하인 특별고압 가공 전선로는 상시정전 유도작용(常時靜電 誘導作用)에 의한 통신상의 장해가 없도록 시설하기 위하여 전화선로의 길이 12㎞마다 유도 전류는 몇 ㎂를 넘지 않도록 하여야 하는가?
100번
타냉식의 특별고압용 변압기에는 냉각장치에 고장이 생긴 경우 또는 변압기의 온도가 현저히 상승한 경우에 대비하여 어떤 장치를 반드시 시설하여야 하는가?
연도별
- 2020년08월22일
- 2020년06월06일
- 2019년08월04일
- 2019년04월27일
- 2019년03월03일
- 2018년08월19일
- 2018년04월28일
- 2018년03월04일
- 2017년08월26일
- 2017년05월07일
- 2017년03월05일
- 2016년08월21일
- 2016년05월08일
- 2016년03월06일
- 2015년08월16일
- 2015년05월31일
- 2015년03월08일
- 2014년08월17일
- 2014년05월25일
- 2014년03월02일
- 2013년08월18일
- 2013년06월02일
- 2013년03월10일
- 2012년08월26일
- 2012년05월20일
- 2012년03월04일
- 2011년08월21일
- 2011년06월12일
- 2011년03월20일
- 2010년07월25일
- 2010년05월09일
- 2010년03월07일
- 2009년07월26일
- 2009년05월10일
- 2009년03월01일
- 2008년07월27일
- 2008년05월11일
- 2008년03월02일
- 2007년08월05일
- 2007년05월13일
- 2007년03월04일
- 2006년08월16일
- 2006년05월14일
- 2006년03월05일
- 2005년08월07일
- 2005년05월29일
- 2005년03월06일
- 2004년08월08일
- 2004년05월23일
- 2004년03월07일
- 2003년08월31일
- 2003년05월25일
- 2003년03월16일
- 2002년08월11일
- 2002년05월26일
- 2002년03월10일