2012년03월04일 49번
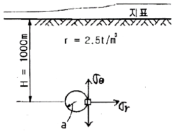
[암석역학] 지표로부터 1000m 심부에 반경 a인 원형갱도를 굴착했을 때 갱도의 벽면에 작용하는 접선방향응력 (σθ)은? (단, 상반암석의 단위중량은 2.5t/m3 이고, 수평응력은 고려하지 않는다.)

- ① 250kg/cm2
- ② 450kg/cm2
- ③ 650kg/cm2
- ④ 750kg/cm2
(정답률: 17%)
문제 해설
연도별
- 2021년09월12일
- 2021년03월07일
- 2020년09월26일
- 2020년06월06일
- 2019년09월21일
- 2019년03월03일
- 2018년09월15일
- 2018년03월04일
- 2017년09월23일
- 2017년03월05일
- 2016년10월01일
- 2016년03월06일
- 2015년09월19일
- 2015년03월08일
- 2014년09월20일
- 2014년03월02일
- 2013년09월28일
- 2013년03월10일
- 2012년09월15일
- 2012년03월04일
- 2011년10월02일
- 2011년03월20일
- 2010년09월05일
- 2010년03월07일
- 2009년08월30일
- 2009년03월01일
- 2008년09월07일
- 2008년03월02일
- 2007년03월04일
- 2005년03월20일
- 2005년03월06일
- 2004년09월05일
- 2004년05월23일
- 2004년03월07일
- 2003년08월31일
- 2003년05월25일
- 2003년03월16일
진행 상황
0 오답
0 정답
P = ρgh = 2.5 × 9.8 × 1000 = 24,500kg/m2
여기서, h는 지표로부터의 깊이이다. 이제, 반경 a인 원형갱도 내부에서의 수직응력을 구해보자. 이를 위해서는 먼저, 원형갱도 내부에서의 유한요소법을 이용하여 수직응력을 계산해야 한다. 그 결과, 다음과 같은 식을 얻을 수 있다.
σθ = 3P(1 - 2a3/r3)
여기서, r은 광부의 거리이다. 따라서, 반경 a인 원형갱도 내부에서의 수직응력은 다음과 같다.
σθ = 3P(1 - 2a3/a3) = 3P
따라서, σθ = 3 × 24,500 = 73,500kg/m2 = 750kg/cm2 이다. 따라서, 정답은 "750kg/cm2" 이다.