2005년05월29일 1번
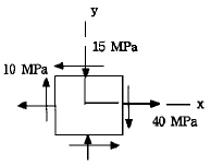
[재료역학] 그림과 같이 보 요소에 평면응력이 작용할 때 최대 전단응력은 몇 MPa 인가?(단, σx=40 MPa, σy=-15 MPa, τxy=10 MPa 이다.)

- ① 16.3
- ② 23.3
- ③ 29.3
- ④ 35.3
(정답률: 알수없음)
문제 해설
최대전단응력은 τmax = (σx - σy)/2 + sqrt((σx - σy)2/4 + τxy2) 이다. 따라서, τmax = (40 - (-15))/2 + sqrt((40 - (-15))2/4 + 102) = 29.3 MPa 이다.
이전 문제
다음 문제
연도별
- 2021년08월14일
- 2021년05월15일
- 2021년03월07일
- 2020년08월22일
- 2020년06월06일
- 2019년08월04일
- 2019년03월03일
- 2018년08월19일
- 2018년04월28일
- 2018년03월04일
- 2017년08월26일
- 2017년05월07일
- 2016년08월21일
- 2016년03월06일
- 2015년05월31일
- 2012년05월20일
- 2012년03월04일
- 2011년08월21일
- 2011년06월12일
- 2011년03월20일
- 2010년07월25일
- 2010년05월09일
- 2010년03월07일
- 2007년05월13일
- 2007년03월04일
- 2006년05월14일
- 2006년03월05일
- 2005년08월07일
- 2005년05월29일
- 2004년08월08일
- 2004년05월23일
- 2004년03월07일
- 2003년08월10일
- 2003년05월25일
- 2003년03월16일
진행 상황
0 오답
0 정답