2021년10월02일 6번
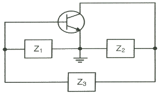
[방송통신일반] 다음 그림과 같은 발진회로에서 높은 주파수의 동작에 적절한 발진회로 구현을 위한 리액턴스 조건은 무엇인가?

- ① Z1= 용량성, Z2= 용량성, Z3= 용량성
- ② Z1= 유도성, Z2= 유도성, Z3= 유도성
- ③ Z1= 유도성, Z2= 용량성, Z3= 용량성
- ④ Z1= 용량성, Z2= 용량성, Z3= 유도성
(정답률: 84%)
문제 해설
높은 주파수에서는 용량성 리액턴스가 작아지고, 유도성 리액턴스가 커지기 때문에 발진회로에서는 용량성 리액턴스를 사용하여 높은 주파수에서도 안정적인 발진을 유지할 수 있습니다. 따라서, Z1과 Z2는 용량성 리액턴스여야 하며, Z3은 유도성 리액턴스여야 합니다. 따라서, 정답은 "Z1 = 용량성, Z2 = 용량성, Z3 = 유도성"입니다.
연도별
- 2023년03월21일
- 2022년10월08일
- 2022년03월12일
- 2021년10월02일
- 2021년03월13일
- 2020년09월26일
- 2020년03월07일
- 2019년10월12일
- 2019년03월09일
- 2018년10월06일
- 2018년03월10일
- 2017년09월23일
- 2017년03월05일
- 2016년10월01일
- 2016년03월05일
- 2015년10월04일
- 2015년03월08일
- 2014년10월04일
- 2014년03월09일
- 2013년10월12일
- 2013년03월17일
- 2012년10월06일
- 2012년03월11일
- 2011년10월09일
- 2011년03월13일
- 2010년10월10일
- 2010년03월14일
- 2010년02월21일
- 2009년03월01일
- 2008년07월27일
- 2008년03월02일
- 2007년08월05일
- 2007년03월04일
- 2006년08월06일
- 2006년03월05일
- 2005년08월07일
- 2005년03월06일
- 2004년08월08일
- 2004년03월07일
- 2003년08월10일
- 2003년03월16일
진행 상황
0 오답
0 정답