승강기기사 (2003년03월16일 기출문제)
1과목 : 승강기 개론
1번
승객용 엘리베이터의 권상기에 사용되는 브레이크는 감속도가 몇 g 이하로 제동되어야 하는가? (단, g 는 중력가속도이다.)(오류 신고가 접수된 문제입니다. 반드시 정답과 해설을 확인하시기 바랍니다.)
2번
직류전동기의 속도제어방법이 아닌 것은?
3번
카의 승강속도가 조속기 풀리에 의하여 회전운동으로 변경되어 이 풀리에 취부되어 있는 진자가 스프링과 서로 균형을 이루어 속도에 알맞은 움직임을 하는 조속기는?
4번
도어 로크가 확실히 걸린 후 도어스위치가 들어가게 하거나 또는 도어 스위치가 끊어진 후에 도어 로크가 열리도록 하는 것은?
5번
로핑방식에 있어서 2:1 로핑을 1:1 로핑과 비교할 때 옳지 않은 것은?
6번
안전계수가 12인 로프의 허용하중이 500kg이라면 이 로프가 최대로 지탱할 수 있는 하중은 몇 kg 인가?
7번
트랙션 권상기에 대한 설명 중 옳지 않은 것은?
8번
승강기 제어반의 절연저항에 관한 설명 중 틀린 것은?
9번
피트에 관한 설명으로 옳은 것은?(오류 신고가 접수된 문제입니다. 반드시 정답과 해설을 확인하시기 바랍니다.)
10번
엘리베이터의 구출운전에 대한 설명 중 옳은 것은?
11번
권동식 권상기에 비하여 트랙션 권상기의 장점이라고 볼 수 없는 것은?
12번
어떤 이상원인으로 카가 감속되지 못하고 최종단층을 지나칠 경우 이를 검출하여 강제적으로 감속 및 정지시키는 안전장치는?(오류 신고가 접수된 문제입니다. 반드시 정답과 해설을 확인하시기 바랍니다.)
13번
교류귀환제어에 대한 설명이다. ( )안에 알맞은 것은?

14번
에스컬레이터 1200형의 공칭 수송능력은 시간당 몇 명인가?
15번
속도가 90m/min인 엘리베이터의 경우, 상부여유거리와 피트깊이는 각각 몇 m 이상이어야 하는가?(오류 신고가 접수된 문제입니다. 반드시 정답과 해설을 확인하시기 바랍니다.)
16번
직접식 유압엘리베이터의 실린더의 길이는?
17번
초고층 빌딩에서 중간의 승계층까지 직행 왕복운전하여 대량 수송을 목적으로 하는 엘리베이터는?
18번
기계실의 소요 환기풍량을 산출하기 위하여 발생 열량을 산출하려고 한다. 발생열량 산출에 관계가 없는 것은?
19번
유압식 승강기에 가장 많이 사용되고 있는 펌프는?(오류 신고가 접수된 문제입니다. 반드시 정답과 해설을 확인하시기 바랍니다.)
20번
주차용 운반기가 피트내로 추락할 경우에 대비하기 위한 피트바닥에서 운반기 하부 밑까지의 거리는 몇 cm 이상이어야 하는가?
2과목 : 승강기 설계
21번
엘리베이터용 전동기에 대한 설명으로 옳은 것은?
22번
와이어로프와 권상도르래의 마찰력을 이용한 트랙션식 권상기에서 도르래의 홈 형상에 따른 권상능력을 비교하였을 때 옳은 것은?

23번
카 자중이 1500kg이고 정격적재하중이 1150kg, 엘리베이터의 오버밸런스율이 50%일 때, 균형추의 중량은 몇 kg으로 하여야 하는가?
24번
승강기의 조명설비에 대한 설명으로 옳지 않은 것은?(관련 규정 개정전 문제로 여기서는 기존 정답인 2번을 누르면 정답 처리됩니다. 자세한 내용은 해설을 참고하세요.)
25번
유입완충기를 설계할 때 행정은 정격속도의 115%에서 충돌할 경우 평균감속도는 얼마로 정지하기 위해 필요한 값으로 하는가? (단, g는 중력가속도이다.)
26번
로프식 엘리베이터의 각 회로의 용도 및 사용전압에 맞는 절연저항은?
27번
승강기의 설치위치 선정에 있어서 고려해야 할 사항으로 바람직하지 못한 것은?
28번
카틀의 다음 요소에 작용하는 주요한 하중의 종류가 바르게 짝지어져 있지 않은 것은?
29번
설계용 수평진도 0.6, 상하 가이드슈의 하중비 0.6, 카자중 1500kg, 저감율 0.25, 정격하중 1000kg일 때, 가이드레일에 걸리는 지진하중은 몇 kg 인가?
30번
엘리베이터가 운행 중에 지진 감지기가 동작하였다. 다음 설명 중 맞지 않는 것은?
31번
길이 ℓ , 단면적 A인 균일 단면 봉이 인장하중 W 를 받아 λ 만큼 늘어났을 때 상관관계를 바르게 나타낸 것은? (단, E는 세로 탄성계수이다.)
32번
승강로의 구조로 적합하지 않은 것은?
33번
로프식승강기의 기계실 크기는 어떻게 설정해야 하는가?
34번
엘리베이터의 도어에 대한 설명으로 옳은 것은?
35번
엘리베이터 권상기의 감속기구로서 웜 및 웜기어를 채용하려고 한다. 웜의 회전수가 1800rpm이고, 웜기어와 맞물리는 이의 수가 5일 때, 웜기어를 360rpm으로 회전시키려면 웜기어의 잇수를 얼마로 해야 하는가?
36번
엘리베이터의 시방을 결정할 때 가장 기본이 되는 것은?
37번
변압기 용량을 산정할 때, 전부하 상승전류에 대해서는 부등율을 얼마로 계산하여야 하는가?
38번
엘리베이터를 신호방식에 따라 분류할 때, 먼저 눌려져있는 버튼의 호출에 응답하고, 그 운전이 완료될 때까지 다른 호출을 일체 받지 않는 방식은?
39번
유입식완충기의 최소충격행정(STROKE)은 카 정격속도의 115%에서 적용범위의 중량을 충돌시킨 경우로 설정한다. 정격속도가 120m/min일 경우 필요한 최소충격행정은 몇 mm 인가?
40번
승객용 엘리베이터의 카주에 대한 안전률은 얼마 이상으로 설계해야 하는가?
3과목 : 일반기계공학
41번
4각 나사와 비교한 3각 나사의 일반적인 특징으로 틀린것은?
42번
고탄성이 요구되는 판, 선 등의 가공재료로 쓰이며, 내식성, 내마모성이 필요한 펌프 부품, 선박용 부품에 쓰이는 구리합금은?
43번
다음 성분 중 고온에서 강을 여리게 하는 것으로 가장 대표적인 것은?
44번
지름이 40mm인 연강제 실축에 200rpm으로 10PS를 전달할 때 생기는 전단응력은 약 몇 ㎏f/㎝2 인가?
45번
단면적 1㎝2, 길이 4m 인 강선(鋼線)에 2톤의 인장하중을 작용시키면 신장(cm)은? (단, 연강(軟鋼)의 E = 2 x 106 ㎏f/㎝2 이다.)
46번
뚫려있는 구멍을 넓혀서 정확한 치수로 다듬질 절삭하는 작업을 의미하는 용어로 가장 적합한 것은?
47번
기어 이의 줄이 축에 평행하고 평행한 두 축 사이에 회전운동을 전달하는 기어는?
48번
한숨을 쉬는 것과 같은 현상으로 소음과 진동을 내는 펌프의 운전 중에 발생하는 현상은?
49번
길이가 2 m 인 원형인 단순지지보의 지름이 25 ㎜ 일 때 보 중앙에 집중하중 400 ㎏f 이 작용하면 최대 굽힘응력은 몇 ㎏f/㎜2 인가?
50번
사인바를 이용하여 각도를 측정할 때 각도가 몇 도를 넘으면 오차가 많아지는가?
51번
비틀림 각이 30° 인 헬리컬 기어에서 잇수가 50, 치직각모듈이 4일 때 바깥지름은 약 몇 mm 인가?
52번
고무나 기름을 사용하여 화병과 같이 입구보다 중앙부분이 굵은 원통용기를 만드는 드로잉 가공법인 것은?
53번
다음 중 선반의 단동척(independent chuck)의 특징으로 맞은 것은?
54번
굽힘모멘트 1.5 × 106 ㎏f-㎜와 비틀림모멘트 2 × 106 ㎏f-㎜ 를 동시에 받는 축의 지름으로 다음 중 가장 적합한 것은? (단, 축 재료 허용 굽힘응력은 6㎏f/㎜2 이다)
55번
다음 중 베어링 메탈로서 가장 많이 사용되는 것은?
56번
보통주철과 고급주철에서 보통주철에 대한 설명으로 틀린 것은?
57번
볼 베어링 번호 6008 에서 이 베어링의 안지름은?
58번
원심펌프의 안내날개 설치에 관한 설명으로 틀린 것은?
59번
단조(forging)는 주로 열간 가공이며, 가장 오래된 금속가공법이다. 단조를 열간 단조와 냉간 단조로 분류할 때 다음 중 냉간 단조에 해당되지 않는 것은?
60번
다음 그림은 연강의 응력 변형율 선도이다. 이 그림에서 C점은 무엇을 나타내는가?

4과목 : 전기제어공학
61번
10층 건물에 적재 무게가 1000kg이고, 속도가 50m/min인 엘리베이터를 설치할 때 여기에 필요한 전동기의 용량은 약 몇 kW 인가? (단, 전동기의 효율은 80%이다.)
62번
추치제어가 아닌 것은?
63번
온도를 임피던스로 변환시키는 요소는?
64번
그림은 릴레이 접점에 의하여 자기유지회로를 구성한 것이다. 이를 논리게이트 회로로 그릴 때 옳은 것은?

65번
무인운전을 시행하기 위한 제어에 해당되는 것은?
66번
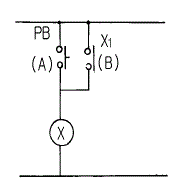
그림은 전동기 제어회로의 일부이다. 이 회로의 기능으로 볼 수 없는 것은?

67번
100V용 전구 30W, 60W 두 개를 직렬 연결하고 직류 100V 전원에 접속하였을 때 두 전구의 상태로 옳은 것은?
68번
정격 600W 전열기에 정격전압의 80%를 인가하면 전력은 몇 W 로 되는가?
69번
PI제어동작은 정상특성 즉, 제어의 정도를 개선하는 지상요소인데 이것을 보상하는 지상보상의 특성으로 옳은 것은?
70번
kVA는 무엇의 단위인가?
71번
제어기기에는 검출기, 변환기, 증폭기, 조작기기 등이 있다. 서보전동기(Servo motor)는 어디에 속하는가?
72번
유도전동기에서 슬립이 "0" 이란 의미와 같은 것은?
73번
논리식 A+BC 와 등가인 논리식은?
74번
정전용량이 같은 콘덴서 10개가 있다. 이것을 병렬로 접속할 때의 값은 직렬로 접속할 때의 몇 배가 되는가?
75번
주권선 양쪽에 각각 보호권선을 설치하여 어느 한 권선을 전원에 대하여 반대로 접속하여 회전방향을 바꾸는 전동기는?(오류 신고가 접수된 문제입니다. 반드시 정답과 해설을 확인하시기 바랍니다.)
76번
입력으로 단위계단함수 u(t)를 가했을 때, 출력이 그림과 같은 조절계는?

77번
블럭선도에서 신호의 흐름을 반대로 할 때, ⓐ에 해당하는 것은?

78번
내부저항이 20kΩ이고, 최대눈금이 200V인 전압계와 내부저항이 15kΩ이고, 최대눈금이 200V인 전압계를 직렬로 접속하여 측정할 때 최대 몇 V 까지 측정할 수 있는가?
79번
자동제어계에서 이득이 높아지면?
80번
고압 전기기기의 절연저항 측정에 관한 사항으로 옳지 않은 것은?
연도별
- 2022년04월24일
- 2022년03월05일
- 2021년09월12일
- 2021년05월15일
- 2021년03월07일
- 2020년09월26일
- 2020년08월22일
- 2020년06월06일
- 2019년09월21일
- 2019년04월27일
- 2019년03월03일
- 2018년09월15일
- 2018년04월28일
- 2018년03월04일
- 2017년09월23일
- 2017년05월07일
- 2017년03월05일
- 2016년10월01일
- 2016년03월06일
- 2015년09월19일
- 2015년03월08일
- 2014년09월20일
- 2014년03월02일
- 2013년09월28일
- 2013년03월10일
- 2012년09월15일
- 2011년10월02일
- 2011년03월20일
- 2010년09월05일
- 2010년03월07일
- 2009년08월30일
- 2009년03월01일
- 2008년09월07일
- 2008년03월02일
- 2007년09월02일
- 2007년03월04일
- 2006년09월10일
- 2006년03월05일
- 2005년09월04일
- 2005년03월20일
- 2005년03월06일
- 2004년09월05일
- 2004년03월07일
- 2003년08월31일
- 2003년05월25일
- 2003년03월16일