승강기기사 (2019년03월03일 기출문제)
1과목 : 승강기 개론
1번
한쪽 방향으로만 기름이 흐르도록 하는 밸브로 상승 방향으로만 흐르고 역방향으로는 흐르지 않게 하는 밸브는?
2번
카틀이 레일에서 벗어나지 않도록 하는 것은?
3번
선형 특성을 갖는 에너지 축적형 완충기 설계 시 최소행정으로 옳은 것은?
4번
기계실 바닥에 몇 cm를 초과하는 단차가 있을 경우에는 보호난간이 있는 계단 또는 발판이 있어야 하는가?
5번
엘리베이터의 속도에 영향을 미치지 않는 것은?
6번
카가 2대 또는 3대가 병설되었을 때 사용되는 조작방식으로 1개의 승강장 부름에 대하여 1대의 카가 응답하며, 일반적으로 부름이 없을 때에는 다음의 부름에 대비하여 분산대기하는 복수 엘리베이터의 조작방식은?
7번
기계실 내부 조명의 조도는 일반적으로 바닥에서 몇 lx 이상으로 하는가?
8번
조속기 도르래의 회전을 베벨기어를 이용해 수직축의 회전으로 변환하고, 이 축의 상부에서부터 링크 기구에 의해 메달린 구형의 진자에 작용하는 원심력으로 작동하는 조속기로, 구조가 복잡하지만 검출 정밀도가 높으므로 고속 엘리베이터에 많이 이용되는 조속기는?
9번
승강로 외부의 작업구역에서 승강로 내부의 구동기 공간에 출입하는 문에 요구되는 사항으로 틀린 것은?
10번
유압식 엘리베이터에서 일반적으로 사용되는 펌프로 압력맥동, 진동, 소음이 작은 펌프는?
11번
엘리베이터의 가이드 레일을 설치할 때 레일 브라켓(Rail Bracket)의 간격을 작게 하면 동일한 하중에 대하여 응력도 및 휨도는 어떻게 되겠는가?
12번
전기식 엘리베이터의 제동기에서 전자-기계 브레이크 조건으로 틀린 것은?
13번
전기식 엘리베이터에 관한 내용이다. ()에 알맞은 내용으로 옳은 것은?

14번
완성검사 시 승객용 엘리베이터의 카 문턱과 승강장문 문턱 사이의 수평거리는 몇 mm이하인가?
15번
제어반의 주요 기기에 해당하지 않는 것은?
16번
비상용 엘리베이터의 동작 설명 중 틀린 것은?
17번
밸트식 무빙워크의 경우, 경사부에서 수평부로 전환되는 천이구간의 곡률반경은 몇 m 이상이어야 하는가?
18번
카의 어떤 이상 원인으로 감속되지 못하고 최상ㆍ최하층을 지나칠 경우 이를 검출하여 강제적으로 감속, 정지시키는 장치로서 리미트 스위치 전에 설치하는 것은?
19번
전기식 엘리베이터에서 속도에 영향을 미치지 않는 것은?
20번
도어가 닫히는 도중, 도어 사이에 이물질 또는 사람의 신체 일부가 끼었을 때, 도어가 다시 열리게 하는 장치가 아닌 것은?
2과목 : 승강기 설계
21번
변압기 용량을 산정할 때 전부하 상승전류에 대해서는 부등률을 얼마로 계산하여야 하는가?
22번
사무용 빌딩에 가변전압 가변주파수방식의 승객용 승강기를 설치한 후 하중시험을 할 때, 그 성능기준으로 틀린 것은?
23번
엘리베이터용 가이드 레일에 관한 사항으로 틀린 것은?
24번
장애인용 엘리베이터의 승강장 문턱과 카의 문턱사이의 틈새는 몇 mm이하 인가?
25번
정격속도 1.5m/s인 엘리베이터의 점차작동형 비상정지장치가 작동할 경우 평균 감속도는 약 몇 gn인가? (단, 감속시간은 0.3초, 조속기 캣치의 작동속도는 정격 속도의 1.4배로 한다.)
26번
압축 코일 스프링에서 작용하중을 W, 유효권수를 N, 평균 지름을 D, 소선의 지름을 d라고 하였을 때 스프링 지수를 나타내는 식은?
27번
점차작동형 비상정지장치로 플렉시블 웨지 클램프형이 많이 사용되는 이유가 아닌 것은?
28번
속도가 60m/min인 엘리베이터를 설계하고자 할 때 제어방식으로는 다음 중 어떤 방식이 가장 적절한가?
29번
출력이 15kW, 전부하 회전수가 1410rpm인 전동기의 전부하 토크는 약 몇 kgfㆍm인가?
30번
기어리스 권상기를 적용한 1:1 로핑 방식의전기식 엘리베이터에서 도르래 직경이 400mm이고 전동기의 분당회전수는 84rpm일 경우에 엘리베이터의 정격속도(m/min)는?
31번
종탄성계수 E=7000kg/mm2, 적용로프 ø12×6본, 주행거리 H=40m이고 적재하중이 1150kg, 카 자중이 1080kg인 로프의 연신율(늘어나는 길이)은 약 몇 mm인가?
32번
가변전압 가변주파수 제어방식의 PWM에 관한 설명으로 틀린 것은?(오류 신고가 접수된 문제입니다. 반드시 정답과 해설을 확인하시기 바랍니다.)
33번
엘리베이터를 설치할 때 승강로의 크기를 결정하려고 한다. 이 때 고려하지 않아도 되는 사항은?
34번
엘리베이터 교통량 계산의 필수 데이터가 아닌 것은?
35번
유입 완충기의 설계조건으로 틀린 것은? (문제 오류로 실제 시험에서는 3, 4번이 정답처리 되었습니다. 여기서는 3번을 누르면 정답 처리 됩니다.)
36번
권상기의 도르래 직경은 주로프 직경의 몇 배 이상이어야 하는가?
37번
전동기의 용량을 계산하는 계산식은? (단, L : 적재하중, V : 속도, B : 밸런스율, η : 효율이다.)
38번
전기식 엘리베이터(기계실 있는 엘리베이터)의 기계식 위치로 가장 적당한 곳은?
39번
전기식 엘리베이터에서 기계대의 안전율 최솟값으로 적당한 것은?
40번
즉시 작동형 비상정지장치가 설치된 엘리베이터에서 카의 자중과 승객의 중량을 합친 등가 중량이 3000kg이고 카의 속도가 45m/min일 경우, 비상정지장치가 작동하여 카가 정지하기까지의 거리가 4.5cm라고 하면 감속력은 약 몇 kgf인가?
3과목 : 일반기계공학
41번
기어, 클러치, 캠 등과 같이 내마모성과 더불어 인성을 필요로 하는 부품의 경우는 강의 표면 경화법으로 처리한다. 강의 표면 경화법에 해당하지 않는 것은?
42번
보일러와 같이 기밀을 필요로 할 때 리베팅 작업이 끝난 뒤에 리벳머리의 주위와 강판의 가장자리를 75°~85° 가량 정(chisel)과 같은 공구로 때리는 작업은?
43번
철사를 여러 번 구부렸다 폈다를 반복했을 때 철사가 끊어지는 현상은?
44번
축(Shaft)의 종류 중 전동축의 특수한 형태로 축의 지름에 비하여 길이가 짧은 축을 의미하는 것으로 형상과 치수가 정밀하고 변형량이 극히 작아야 하는 것은?
45번
평벨트 폴리의 종류는 림의 폭 중앙이 볼록한 C형과 림의 폭 중앙이 편평한 F형이 있다. 여기서 C형 림의 폭 중앙에 크라운 붙임(crowning)을 두는 이유로 가장 적절한 것은?
46번
그림과 같이 원형단면의 지름 d인 관성모멘트는
이다. 원에 접하는 집선 축에 대한 평행축의 정리를 활용하여 관성모멘트(Ix)를 구하면?
이다. 원에 접하는 집선 축에 대한 평행축의 정리를 활용하여 관성모멘트(Ix)를 구하면?
47번
탄소강에 관한 일반적인 설명으로 옳지 않은 것은?
48번
하중이 5kN 작용하였을 때, 처짐이 200mm인 코일 스프링에서 소선의 지름이 20mm일 때 이 스프링의 유효 감김수는? (단, 스프링지수(C)=10, 전단탄성계수(G)는 8×104N/mm2, 왈의 수정계수(K)는 1.2이다.)
49번
그림과 같은 외팔보의 자유단 끝단에서 최대처짐량을 구하는 식은? (단, L=a+b)

50번
피복 아크 용접봉에서 피복제의 역할이 아닌 것은?
51번
그림과 같은 원통 용기의 하부 구멍 A의 단면적이 0.05m2이고 이를 통해서 물이 유출할 때 유량은 약 m3/s 인가? (단, 유량계수는 C=0.6, 높이는 H=2m로 일정하다.)

52번
일반적인 알루미늄의 성질로 틀린 것은?
53번
단면적 1cm2, 길이 4m인 강선에 2kN의 인장하중을 작용시키면 신장량은 약 몇 cm인가? (단, 연강의 탄성계수는 2×106N/cm2이다.)
54번
길이 ℓ의 환봉을 압축하였더니 30cm로 되었다. 이 때 변형률을 0.006이라고 하면 원래의 길이는 약 몇 cm인가?
55번
유체기계에서 유압 제어밸브의 종류가 아닌 것은?
56번
대량의 제품 치수가 허용공차 내에 있는지 여부를 검사하는 게이지로 통과측과 정지측으로 구성되어 있는 것은?
57번
다음 키의 종류 중 일반적으로 가장 큰 토크를 전달할 수 있는 키는?(오류 신고가 접수된 문제입니다. 반드시 정답과 해설을 확인하시기 바랍니다.)
58번
펌프의 분류를 크게 터보식과 용적식으로 분류할 때 다음 중 용적식 펌프에 속하는 것은?
59번
절삭가공에 이용되는 성질로 적합한 것은?
60번
왁스, 파라핀 등으로 만든 주형재를 사용하여 치수가 정밀하고 면이 깨끗한 복잡한 주물을 얻을 수 있는 주조법은?
4과목 : 전기제어공학
61번
온도를 전압으로 변환시키는 것은?
62번
세라믹 콘덴서 소자의 표면에 103K라고 적혀있을 때 이 콘덴서의 용량은 몇 μF인가?(오류 신고가 접수된 문제입니다. 반드시 정답과 해설을 확인하시기 바랍니다.)
63번
목표값을 직접 사용하기 곤란할 때, 주 되먹임 요소와 비교하여 사용하는 것은?
64번
4000Ω의 저항기 양단에 100V의 전압을 인가할 경우 흐르는 전류의 크기(mA)는?
65번
다음 설명에 알맞은 전기 관련 법칙은?

66번
최대눈금 100mA, 내부저항 1.5Ω인 전류계에 0.3Ω의 분류기를 접속하여 전류를 측정할 때 전류계의 지시가 50mA라면 실제 전류는 몇 mA인가?
67번
병렬 운전 시 균압모선을 설치해야 되는 직류발전기로만 구성된 것은?
68번
특성방정식이 s3+2s2+Ks+5=0인 제어계가 인정하기 위한 K 값은?
69번
서보기구의 특징에 관한 설명으로 틀린 것은?
70번
SCR에 관한 설명으로 틀린 것은?
71번
적분시간이 2초, 비례감도가 5mA/mV인 PI조절계의 전달함수는?
72번
공기 중 자계의 세기가 100A/m의 점에 놓아둔 자극에 작용하는 힘은 8×10-3N이다. 이 자극의 세기는 몇 Wb인가?
73번
PLC(Programmable Logic Controller)의 출력부에 설치하는 것이 아닌 것은?
74번
정상 편차를 개선하고 응답속도를 빠르게 하며 오버슈트를 감소시키는 동작은?
75번
다음은 직류전동기의 토크특성을 나타내는 그래프이다. (A), (B), (C), (D)에 알맞은 것은?

76번
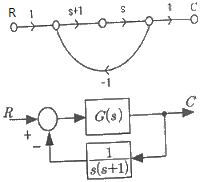
신호흐름선도와 등가인 블록선도를 그리려고 한다. 이 때 G(s)로 알맞은 것은?

77번
정현파 교류의 실효값(V)과 최대값(Vm)의 관계식으로 옳은 것은?
78번
그림과 같은 RLC 병렬공진회로에 관한 설명으로 틀린 것은?

79번
피드백 제어계에서 목표치를 기준입력신호로 바꾸는 역할을 하는 요소는?
80번
비례적분제어 동작의 특징으로 옳은 것은?
연도별
- 2022년04월24일
- 2022년03월05일
- 2021년09월12일
- 2021년05월15일
- 2021년03월07일
- 2020년09월26일
- 2020년08월22일
- 2020년06월06일
- 2019년09월21일
- 2019년04월27일
- 2019년03월03일
- 2018년09월15일
- 2018년04월28일
- 2018년03월04일
- 2017년09월23일
- 2017년05월07일
- 2017년03월05일
- 2016년10월01일
- 2016년03월06일
- 2015년09월19일
- 2015년03월08일
- 2014년09월20일
- 2014년03월02일
- 2013년09월28일
- 2013년03월10일
- 2012년09월15일
- 2011년10월02일
- 2011년03월20일
- 2010년09월05일
- 2010년03월07일
- 2009년08월30일
- 2009년03월01일
- 2008년09월07일
- 2008년03월02일
- 2007년09월02일
- 2007년03월04일
- 2006년09월10일
- 2006년03월05일
- 2005년09월04일
- 2005년03월20일
- 2005년03월06일
- 2004년09월05일
- 2004년03월07일
- 2003년08월31일
- 2003년05월25일
- 2003년03월16일