2018년04월28일 48번
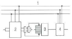
[전기기기] 그림은 동기발전기의 구동 개념도이다. 그림에서 2를 발전기라 할 때 3의 명칭으로 적합한 것은?

- ① 전동기
- ② 여자기
- ③ 원동기
- ④ 제동기
(정답률: 30%)
문제 해설
그림에서 2는 발전기이고, 1은 동력원인 모터이다. 그리고 3은 발전기를 구동하기 위한 동력원인데, 이는 발전기를 회전시키는 역할을 하는 것이므로 "여자기"가 적합하다. "전동기"는 모터를 의미하며, "원동기"는 회전운동을 만드는 기계를 일반적으로 지칭하는 용어이다. "제동기"는 기계의 운동을 멈추게 하는 기계를 의미한다.
연도별
- 2022년04월24일
- 2022년03월05일
- 2021년09월12일
- 2021년05월15일
- 2021년03월07일
- 2020년09월26일
- 2020년08월22일
- 2020년06월06일
- 2019년09월21일
- 2019년04월27일
- 2019년03월03일
- 2018년09월15일
- 2018년04월28일
- 2018년03월04일
- 2017년09월23일
- 2017년05월07일
- 2017년03월05일
- 2016년10월01일
- 2016년05월08일
- 2016년03월06일
- 2015년09월20일
- 2015년05월31일
- 2015년03월08일
- 2014년09월20일
- 2014년05월25일
- 2014년03월02일
- 2013년09월28일
- 2013년06월02일
- 2013년03월10일
- 2012년09월15일
- 2012년05월20일
- 2012년03월10일
- 2011년10월02일
- 2011년06월12일
- 2011년03월20일
- 2010년09월05일
- 2010년05월10일
- 2010년03월07일
- 2009년08월30일
- 2009년05월10일
- 2009년03월01일
- 2008년09월07일
- 2008년05월11일
- 2008년03월02일
- 2007년09월02일
- 2007년05월13일
- 2007년03월04일
- 2006년09월10일
- 2006년05월14일
- 2006년03월05일
- 2005년09월04일
- 2005년05월29일
- 2004년09월05일
- 2004년05월23일
- 2004년03월07일
- 2003년05월25일
- 2003년03월16일
- 2002년03월10일
진행 상황
0 오답
0 정답