2007년05월13일 1번
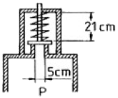
[재료역학] 그림과 같은 압력계의 안전변에 지름 5cm의 방출구가 있고 스프링의 자유길이는 25cm이며, 스프링 상수는 6kN/m이다. 압력이 최소 얼마 이상일 때 이 변이 열리겠는가?

- ① 123kN/m2
- ② 103kN/m2
- ③ 113kN/m2
- ④ 133kN/m2
(정답률: 알수없음)
문제 해설
압력이 작을 때는 스프링이 늘어나지 않으므로 변이 열리지 않는다. 따라서 변이 열리기 위해서는 스프링이 압축되어야 한다. 스프링이 압축되기 위해서는 스프링에 작용하는 힘이 스프링 상수보다 커야 한다. 방출구의 면적은 5cm2 이므로, 변의 끝에 작용하는 힘은 압력에 5cm2를 곱한 값이다. 따라서 변이 열리기 위한 최소 압력은 다음과 같다.
최소 압력 = (스프링 상수) × (스프링의 압축량)
스프링의 압축량 = (스프링의 길이) - (스프링의 자유길이)
스프링의 길이 = (방출구에서 변의 끝까지의 거리) + (스프링의 자유길이)
방출구에서 변의 끝까지의 거리 = 10cm
스프링의 길이 = 10cm + 25cm = 35cm
스프링의 압축량 = 35cm - 25cm = 10cm = 0.1m
최소 압력 = (6kN/m) × (0.1m) / (5cm2) = 120kN/m2
따라서, 변이 열리기 위한 최소 압력은 123kN/m2 이다.
최소 압력 = (스프링 상수) × (스프링의 압축량)
스프링의 압축량 = (스프링의 길이) - (스프링의 자유길이)
스프링의 길이 = (방출구에서 변의 끝까지의 거리) + (스프링의 자유길이)
방출구에서 변의 끝까지의 거리 = 10cm
스프링의 길이 = 10cm + 25cm = 35cm
스프링의 압축량 = 35cm - 25cm = 10cm = 0.1m
최소 압력 = (6kN/m) × (0.1m) / (5cm2) = 120kN/m2
따라서, 변이 열리기 위한 최소 압력은 123kN/m2 이다.
이전 문제
다음 문제
연도별
- 2021년08월14일
- 2021년05월15일
- 2021년03월07일
- 2020년08월22일
- 2020년06월06일
- 2019년08월04일
- 2019년03월03일
- 2018년08월19일
- 2018년04월28일
- 2018년03월04일
- 2017년08월26일
- 2017년05월07일
- 2016년08월21일
- 2016년03월06일
- 2015년05월31일
- 2012년05월20일
- 2012년03월04일
- 2011년08월21일
- 2011년06월12일
- 2011년03월20일
- 2010년07월25일
- 2010년05월09일
- 2010년03월07일
- 2007년05월13일
- 2007년03월04일
- 2006년05월14일
- 2006년03월05일
- 2005년08월07일
- 2005년05월29일
- 2004년08월08일
- 2004년05월23일
- 2004년03월07일
- 2003년08월10일
- 2003년05월25일
- 2003년03월16일
진행 상황
0 오답
0 정답