2006년05월14일 21번
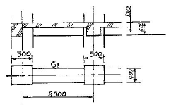
[건축시공] 아래 도면에서 G1과 같은 보가 8개 있는 건물에서 보의 콘크리트량으로서 적당한 것은?

- ① 11.52m3
- ② 12.23m3
- ③ 13.44m3
- ④ 15.36m3
(정답률: 61%)
문제 해설
G1과 같은 보는 길이가 6m, 높이가 0.3m, 너비가 0.5m 이므로 보의 부피는 6 x 0.3 x 0.5 = 0.9m3 이다. 따라서 8개의 보의 부피는 0.9 x 8 = 7.2m3 이다. 하지만 콘크리트를 부어넣을 때는 보의 두께를 고려해야 하므로, 보의 부피에 20% 정도를 더해준다. 따라서 최종적으로 필요한 콘크리트량은 7.2 x 1.2 = 8.64m3 이다. 이에 가장 가까운 정답은 "11.52m3" 이므로 정답은 "11.52m3" 이다.
연도별
- 2022년04월24일
- 2022년03월05일
- 2021년09월12일
- 2021년05월15일
- 2021년03월07일
- 2020년09월26일
- 2020년08월22일
- 2020년06월06일
- 2019년09월21일
- 2019년04월27일
- 2019년03월03일
- 2018년09월15일
- 2018년04월28일
- 2018년03월04일
- 2017년09월23일
- 2017년05월09일
- 2017년03월05일
- 2016년10월01일
- 2016년05월08일
- 2016년03월06일
- 2015년09월19일
- 2015년05월31일
- 2015년03월08일
- 2014년09월20일
- 2014년05월25일
- 2014년03월02일
- 2013년09월28일
- 2013년06월02일
- 2013년03월10일
- 2012년09월15일
- 2012년05월20일
- 2012년03월04일
- 2011년10월02일
- 2011년06월12일
- 2011년03월20일
- 2010년09월05일
- 2010년05월09일
- 2010년03월07일
- 2009년08월30일
- 2009년05월10일
- 2009년03월01일
- 2008년09월07일
- 2008년05월11일
- 2008년03월02일
- 2007년09월02일
- 2007년05월13일
- 2007년03월04일
- 2006년09월10일
- 2006년05월14일
- 2006년03월05일
- 2005년09월04일
- 2005년05월29일
- 2005년03월06일
- 2004년09월05일
- 2004년05월23일
- 2004년03월07일
- 2003년05월25일
- 2003년03월16일
진행 상황
0 오답
0 정답