2010년07월25일 32번
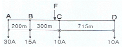
[전력공학] 전등 부하에 공급하고 있는 그림 A,D와 같은 단상 2선식 저압 배전 간선이 있다. A, B, C, D의 각 점의 부하전류 및 각 부하점의 거리는 그림에 표시한 바와 같다. 이 저압 간선 중의 한 점 F에서 공급되는 것으로 하고 FA 및 FD간의 전압강하를 동일하게 하는 F점의 위치를 구하면? (단, 리액턴스의 굵기는 AD간을 전부 같게 하고, 또 전선의 리액턴스를 무시한다.)

- ① B에서 C방향으로 80m인 점
- ② B에서 C방향으로 90m인 점
- ③ B에서 C방향으로 1000m인 점
- ④ B에서 C방향으로 110m인 점
(정답률: 50%)
문제 해설
연도별
- 2020년08월22일
- 2020년06월06일
- 2019년08월04일
- 2019년04월27일
- 2019년03월03일
- 2018년08월19일
- 2018년04월28일
- 2018년03월04일
- 2017년08월26일
- 2017년05월07일
- 2017년03월05일
- 2016년08월21일
- 2016년05월08일
- 2016년03월06일
- 2015년08월16일
- 2015년05월31일
- 2015년03월08일
- 2014년08월17일
- 2014년05월25일
- 2014년03월02일
- 2013년08월18일
- 2013년06월02일
- 2013년03월10일
- 2012년08월26일
- 2012년05월20일
- 2012년03월04일
- 2011년08월21일
- 2011년06월12일
- 2011년03월20일
- 2010년07월25일
- 2010년05월09일
- 2010년03월07일
- 2009년07월26일
- 2009년05월10일
- 2009년03월01일
- 2008년07월27일
- 2008년05월11일
- 2008년03월02일
- 2007년08월05일
- 2007년05월13일
- 2007년03월04일
- 2006년08월16일
- 2006년05월14일
- 2006년03월05일
- 2005년08월07일
- 2005년05월29일
- 2005년03월06일
- 2004년08월08일
- 2004년05월23일
- 2004년03월07일
- 2003년08월31일
- 2003년05월25일
- 2003년03월16일
- 2002년08월11일
- 2002년05월26일
- 2002년03월10일
진행 상황
0 오답
0 정답