전자기기기능장 (2008년03월30일 기출문제)
1과목 : 임의구분
1번
유도 가열은 주로 어떤 작용을 이용한 것인가?
2번
디지털 전자계산기의 중앙처리장치에서 주기억장치, 연산처리장치 외에 꼭 있어야 할 것은?
3번
FET의 설명 중 옳지 않은 것은?
4번
플레밍의 왼손법칙에서 왼손가락의 모지, 인지, 중지를 서로 직각되게 하였을 때 각 손가락의 방향은 무엇을 가리키는가?
5번
10진수 5에 대한 3-초과 코드로 올바른 것은?
6번
프로그래머에게 주기억 장치의 실제 용량보다 훨씬 더 큰 기억공간을 제공하고 운영체제에 의하여 관리되는 기억장치 시스템은?
7번
시미트 트리거(Schmitt trigger) 회로의 응용 회로가 아닌 것은?
8번
평균 반지름 5[cm], 감은 횟수 10회의 원형 코일 중심의 자장 세기가 100[AT/m]일 때 코일에 흐르는 전류는?
9번
다음 중 이상적인 연산증폭기의 특징으로 옳지 않은 것은?
10번
콤팩트 디스트(CD)의 신호 저장 방식으로 옳은 것은?
11번
Color TV의 리모트 컨트롤에서 기능 제어용으로 가장 많이 사용되는 Signal은?
12번
AM 수신기의 감도를 높이기 위하여 고주파 증폭을 크게 하면 발진이 일어난다. 발진을 방지하기 위한 방법은?
13번
다음 중 불연속 제어 방식은?
14번
다음 논리회로와 등가인 논리회로는?

15번
T 플립플롭을 사용하여 8분주 회로를 만들 때, 최소 몇 개가 필요한가?
16번
다음 공진 회로에 대한 설명 중 옳은 것은?
17번
16개의 address를 가진 processor를 이용한 장비에서 직접적으로 addressing을 할 수 있는 address 수는 몇 개인가?
18번
V1=110 sin(wt+π/3)이며, V2=220 sin(wt-π3) 일 때 V1과 V2의 위상차는?
19번
초음파의 에너지를 크게 했을 때 일어나는 현상이 아닌 것은?
20번
VTR 헤드의 클리닝 방법으로 가장 옳지 않은 것은?
2과목 : 임의구분
21번
다음 그림과 같은 회로에서 AB 단자에 V=Vm sinwt[V]를 공급했을 때, AC 양단의 전압은?

22번
N형 반도체를 만들기 위해 사용하는 불순물이 아닌 것은?
23번
다음 중 직류 전동기의 종류에 해당하지 않는 것은?
24번
다음 중 온도, 압력, 액위, 유량 및 농도 등의 공업 프로세스의 상태량을 제어량으로 하는 것은?
25번
Exclusive-NOR 게이트는 다음 중 어느 것과 같은가?
26번
라운드니스 컨트롤 회로의 특성을 가장 올바르게 설명한 것은?
27번
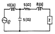
그림과 같은 회로에서 부하 임피던스 Z를 얼마로 할 때 부하에 최대 전력이 공급되는가?

28번
명령어 형식 중에서 스택(stack)을 필요로 하는 것은?
29번
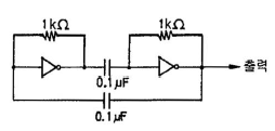
다음 은 무슨 회로인가? (단, CR 시정수가 입력 펄스폭보다 작다.)

30번
다음 중 후입선출(LIFO) 동작을 하는 것은?
31번
다음 중 전달 함수를 정의할 때 가장 옳게 나타낸 것은?
32번
B급 증폭기의 최대 효율을 백분율로 표시하면?
33번
다음 파형이 오실로스코프로 측정되었을 때 위상차는?

34번
다음 중 초음파로 진단하기 어려운 영역은?
35번
그림과 같은 파형의 맥동 전류를 가동 코일형 계기로 측정하였더니 10[A]이었다. 열선형 계기로 측정할 때의 전류값은 약 몇 [A] 인가?

36번
스피커의 구조에서 진동계에 속하지 않은 것은?
37번
마이크로프로세서와 메모리 혹은 인터페이스 장치간의 정보를 교환하는 통로로서 양쪽 방향 모두 정보전달이 가능한 것은?
38번
같은 보빈 위에 동일한 권수로 인덕턴스 L[H]의 코일 2개를 접근해서 감고 이것을 직렬로 접속했을 때 합성인덕턴스는? (단, 결합계수는 0.8로 한다.)
39번
오디오앰프를 구성할 때 S/N 비가 특히 좋아야 할 부분은?
40번
키르히호프의 법칙에 대한 설명 중 옳지 않은 것은?
3과목 : 임의구분
41번
다음 중 테이프 녹음기의 3대 구성요소와 거리가 먼 것은?
42번
마이크로컴퓨터 시스템의 각 구성요소를 연결하는데 3대 신호버스가 아닌 것은?
43번
전 가산기(full adder)에 대한 설명 중 옳은 것은?
44번
논리함수 F의 진리표(truth table)가 다음 표와 같을 때 함수 F는?

45번
디지털 데이터를 아날로그로 변환시키는 모뎀 방식에 해당하는 것은?
46번
PCM(펄스부호변조)의 기본 원리 구성은?
47번
그림과 같은 회로에서 저항 R에 흐르는 전류는?

48번
다음 중 비동기식 카운터는?
49번
콘(Cone)형 스피커의 저음 특성을 향상시키기 위한 설명 중 가장 적합한 것은?
50번
선간전압 100[V]의 3상 전원에 2.1[kW]의 부하를 걸어줄 때, 선전류가 17.3[A] 흘렀다면 부하에서의 역률은 약 얼마인가?
51번
다음 펄스 발생 회로의 출력단 주파수는?

52번
라디오 수신기에서 여러 주파수 중에서 희망하는 방송을 선택하는 회로를 무엇이라 하는가?
53번
녹음기에서 테이프가 헤드면에 스페이싱 손실이 없이 밀착되도록 하는 것은?
54번
마이크의 감도(sensitivity)를 말할 때 0[dB]는 개방단 전압이 얼마인 때인가?
55번
로트로부터 시료를 샘플링해서 조사하고, 그 결과를 로트의 판정기준과 대조하여 그 로트의 합격, 불합격을 판정하는 검사를 무엇이라 하는가?
56번
다음 중 데이트를 그 내용이나 원인 등 분류 항목별로 나누어 크기의 순서대로 나열하여 나타낸 그림을 무엇이라 하는가?
57번
일반적으로 품질코스트 가운데 가장 큰 비율을 차지하는 코스트는?
58번
c 관리도에서 k=20인 군의 총부적합(결정)수 합계는 58이었다. 이 관리도의 UCL, LCL을 구하면 약 얼마인가?
59번
일정 통제를 할 때 1일당 그 작업을 단축하는데 소요되는 비용의 증가를 의미하는 것은?
60번
모든 작업을 기본동작으로 분해하고, 각 기본 동작에 대하여 성질과 조건에 따라 미리 정해 놓은 시간치를 적용하여 정미시낙을 산정하는 방법은?