전자기기기능장 (2009년03월29일 기출문제)
1과목 : 임의구분
1번
콘덴서 두 극판 사이의 간격이 d[m]이고, 전압이 V[V]이다. 이 극판사이에 전하 Q[C]의 입자가 받는 힘[N]은?
2번
전송하고자 하는 신호를 연속된 신호로 전송하는 것이 아니라 일정한 시간 간격으로 순간순간 신호의 진폭을 표본화하여 펄스 형태로 만든 다음에 전송하는 방식은?
3번
다음 중 채널 명령어의 구성 요소가 아닌 것은?
4번
그림에서 스위치(SW)를 닫을 때의 충전전류 i(t) [A]는?

5번
자동 제어 조절계의 제어 편차가 검출될 때 편차가 변화하는 속도에 비례하여 조작량을 가감하도 하는 동작은?
6번
전원회로에서 무부하시 출력단자 전압이 100[V]이고, 부하를 연결했을 때의 출력단자 전압이 80[V]이었다. 전압변동률은 몇 [%]인가?
7번
고주파 자계 중에 놓인 도체에 생기는 와전류손(渦電流損)에 의한 발열 방식은?
8번
레코드플레이어에서 톤 양(Tone Arm)의 부속품 가운데 암의 축에 비틀려는 힘의 작용을 막기 위한 것은?
9번
다음 Audio system block diagram에서 (A)의 기능으로 옳은 것은?

10번
PN 접합에서 접합 용량에 영향을 주지 않는 것은?
11번
음(소리)의 3요소 가운데 그 중 하나를 설명한 것은?
12번
2단자 임피던스 함수 Z(S)가
일때 극점(zero)은?
일때 극점(zero)은?
13번
다음 중 유도 전동기의 회전력은?
14번
다음 중 전자력에 관계되는 법칙은?
15번
전파 정류회로의 직류(DC) 출력 전력은 반파 정류회로에 비하여 몇 배가 되는가?
16번
마이크로컴퓨터(microcomputer) 명령의 분류에 포함되지 않는 것은?
17번
다음 중 착오 검출 및 교정용 코드로 잘 활용되는 것은?
18번
플레밍의 왼손 법칙에서 엄지손가락의 방향은?
19번
JK 플립플롭에서 J=1, K=1일 때 클록 펄스가 들어가면 출력 Q는?
20번
테이프 리코더의 주파수 보상 회로에 대한 설명 중 옳은 것은?
2과목 : 임의구분
21번
교류전력제어에 사용되는 양방향 사이리스터(thyrister)는?
22번
재생용 EQ(Equalizer) 회로의 특성을 올바르게 표현한 것은?
23번
녹음기에서 테이프를 일정한 속도로 움직이게 하는 것은?
24번
컴퓨터와 주변장치 사이에 데이터 전송을 수행할 때 입ㆍ출력의 준비나 완료를 나타내는 신호가 필요한 비동기식 입ㆍ출력 시스템에 널리 쓰이는 방식은?
25번
어떤 명령이 실행되기 위해서 가장 먼저 이루어지는 마이크로오퍼레이션은?
26번
다음 논리식의 성질 중 옳지 않은 것은?
27번
그림의 회로에서 5[Ω]의 저항에 흐르는 전류는 몇 [A] 인가?

28번
정류 회로의 직류 전압이 300[V]이고, 리플 전압이 3[V]이었다. 이 회로의 리플 함유율은?
29번
크리스털 픽업(Pick Up)은 어떤 효과를 이용한 것인가?
30번
다음 중 이상적인 OP AMP의 조건은? (단, Ri=증폭기의 입력저항, Ro=출력저항)
31번
Tr 증폭기에서 부하저항이 클수록 전류 이득은?
32번
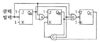
다음 회로는 몇 진 카운터인가?

33번
바렉터(varactor) 다이오드에 대한 설명으로 옳은 것은?
34번
컴퓨터 시스템에서 데이터의 입ㆍ출력을 관리하고, CPU의 명령 수행에 필요한 신호를 내보내는 장치는?
35번
스피커의 출력 음압 레벨을 측정하기 위해 사용되는 계측기가 아닌 것은?
36번
녹음기에서 테이프 헤드 면이 스페이싱 손실이 없이 밀착되도록 하는 것은?
37번
증폭도 Ao가 100인 증폭 회로에 궤환율 β가 -0.01의 부궤환을 걸면 증폭도 Af는?
38번
다음 중 전가산기 논리 회로를 구성하기 위하여 필요한 것은?
39번
디지털 2진 반감산기의 합(Sum)을 만족시키는 게이트는?
40번
FM 검파회로에서 비(ratio) 검파회로가 사용되는 주된 이유는?
3과목 : 임의구분
41번
다음 논리식을 간략화 하면?

42번
강력한 초음파를 액체 속에 방사했을 때 일어나는 현상은?
43번
입ㆍ출력장치와 주기억장치를 연결하는 중계 역할을 하는 것은?
44번
다음 중 반도체 레이저에서 가장 많이 사용되는 결정은?
45번
전구에 걸리는 전압이 10[%] 낮아진 경우 전구의 소비전력은 약 몇 [%]로 되는가?
46번
다음 논리회로와 등가인 논리 게이트는?

47번
CAD에서 도면을 작성할 때 3가지 도면으로 구분한다. 다음 중 3가지 도면에 속하지 않는 것은?
48번
마이크로컴퓨터에서 정보를 전송하는 선(線)은?
49번
서브루틴(subroutine) 호출시 복귀 주소를 저장하는 것은?
50번
다음 중소 지정방식 중 속도(speed) 문제로 볼 때 가장 빠른 것은?
51번
다음 중 교류 전동기는?
52번
소음이 있을 때 필요한 소리가 소음의 영향으로 잘 들리지 않는 현상(효과)은?
53번
다음 회로에서 출력 VO는? (단, R1=R2=R3=R)

54번
잡음지수 8[dB]이고, 이득 10[dB]인 증폭기에 잡음지수 1[dB], 이득 10[dB]인 증폭기를 직렬로 했을 때의 종합잡음지수는?
55번
다음 [표]는 A 자동차 영업소의 월별 판매실적을 나타낸 것이다. 5개월 단순이동평균법으로 6월의 수요를 예측하면 몇 대인가?

56번
다음 중 계수치 관리도가 아닌 것은?
57번
품질관리 기능의 사이클을 표현한 것으로 옳은 것은?
58번
부적합품률이 1[%]인 모집단에서 5개의 시료를 랜덤하게 샘플링할 때, 부적합품수가 1개일 확률은 약 얼마인가? (단, 이항분포를 이용하여 계산한다.)
59번
다음 중 반즈(Ralph M. Barnes)가 제시한 동작경제의 원칙에 해당되지 않는 것은?
60번
다음 검사의 종류 중 검사공정에 의한 분류에 해당되지 않는 것은?