전자기기기능장 (2018년03월31일 기출문제)
1과목 : 임의구분
1번
에 대한 역변환은?
에 대한 역변환은?
2번
미분 회로에서 시정수(RC)와 펄스폭(T)은 어떠한 관계가 있는가?
3번
제너다이오드를 이용하여 정전압 회로를 구성하고자 할 때 설계의 기준으로 고려할 사항이 아닌 것은?
4번
신호를 표본화할 때 원래의 신호를 완전히 재현시키려면 신호에 포함된 최고 주파수의 몇 배 이상의 주파수로 표본화하여야 하는가?
5번
형광체에서는 전자가 충만대에서 전도대로 옮겨가는 데에 충분한 여기(excitation)를 받아서 이동하고 그 다음 기저 준위까지 떨어질 때 발광한다. 그리고 여기에 빛 대신에 전기장을 사용해서 발광시킬 경우는?
6번
부하가 증가할 때 증폭기의 입력 저항이 증가하는 것은?
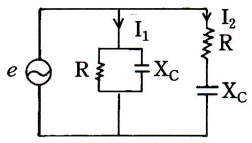
7번
다음 회로에서 I1과 I2와의 위상차는? (단, R=XC 이다.)

8번
제너다이오드에 과한 설명 중 틀린 것은?
9번
플레밍의 왼손법칙에서 각각의 손가락 방향은 무엇을 나타내는가?
10번
채배전압 정류회로의 용도로 틀린 것은?
11번
그림에서 전달함수
가 되기 위한 캐패시터(C)의 값은 몇 μF 인가?
가 되기 위한 캐패시터(C)의 값은 몇 μF 인가?
12번
그림과 같은 회로에서 단자 a, b간에 100V의 전압을 가할 때 c, d에 흐르는 전류가 20A이었다. 반대로 같은 회로에 c, d간에 50V의 전압을 인가하면 a, b에 흐르는 전류는 몇 A인가?

13번
B급 증폭기의 최대 효율을 백분율로 표시하면?
14번
어떤 회로의 피상전력이 20kVA, 유효전력이 12kW일 때 회로의 무효율은?
15번
논리 게이트형 비안정 멀티바이브레이터의 발진주기는? (단, R1=R2=R, C1=C2=C 이다.)

16번
다음 발진기 중 가장 높은 사용 주파수 특성을 가지는 것은?
17번
가청 증폭기에 부귀환을 걸어 주었을 때에 일어나는 현상으로 틀린 것은?
18번
다음 그림의 LR 회로의 입출력전압비
는? (단,
K=상수)
는? (단,
K=상수)
19번
마이크로컴퓨터시스템에서 버스의 종류 중 전달 정보에 따른 구분을 하였을 때 포함되지 않는 것은?
20번
중앙처리장치가 무엇을 하고 있는가를 나타내는 것으로 해당 사이클 동안에 무엇을 위해 기억장치에 접근하는지를 나타내는 것은?
2과목 : 임의구분
21번
를 간략화한 것으로 옳은 것은?
를 간략화한 것으로 옳은 것은?
22번
다음과 같은 진리표를 만족시키는 논리식은?

23번
전송제어 절차 5단계에서 전용회선을 사용할 경우 생략되는 것은?
24번
다음 그림의 출력 주파수(f)는 몇 kHz 인가?

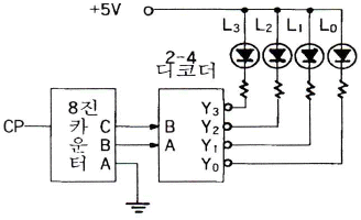
25번
그림과 같이 실행되는 마이크로프로세서(8051 계열)의 주소지정방식(Addressing Mode)은?

26번
그림의 회로에서 LED 램프 L3가 소등(OFF) 후 다시 점등(ON)이 되는 시간 간격은 몇 초인가? (단, 클럭 펄스의 주파수는 1Hz 이다.)

27번
중앙처리장치와 주기억 장치 사이의 속도 격차를 완화시켜주기 위해 많이 사용하는 것은?
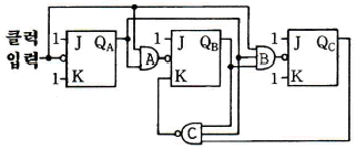
28번
다음 회로는 어떤 카운터로 동작하는가? (단, 카운터의 출력은 QC이다.)

29번
아래의 스위치 회로와 등가인 논리식은?

30번
다음 논리회로를 무엇이라 하는가?

31번
하드디스크와 달리 자기디스크가 아닌 반도체 메모리를 내장하고 있는 디스크는?
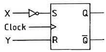
32번
그림과 같은 회로에서 출력이 불안전한 경우는?

33번
다음 중 보조기억장치가 아닌 것은?
34번
여러 개의 입출력장치를 제어할 수 있는 채널은?
35번
28(10)을 8bit의 2진수로 변환하되 2의 보수법으로 표현한 것은?
36번
2008년 발표된 규격으로 데이터 전송 속도가 최대 5Gbps이고, 포트의 색상이 파란색으로 된 인터페이스는?
37번
다음 중 귀환(Feedback) 제어에서 꼭 있어야 할 장치는?
38번
위성의 송수신 장치인 트랜스폰더(transponder) 를 이용하여 전화 및 TV 방송 등에 사용되는 통신 방식은?
39번
콘형 다이내믹 스피커의 입력 단자에 흐르는 전류가 리드 선을 통해 보이스 코일로 전해지면 영구 자석에 의해 형성된 자기장 내에 놓여 있는 보이스 코일은 어떤 법칙에 따라 움직이게 되는가?
40번
고주파 유동 가열용 전원 장치 중 틀린 것은?
3과목 : 임의구분
41번
익스트림(extreme) 스포츠나 액션 상황에서 사용되기 위해 내구성이 튼튼하고 방수, 스마트폰 제어, 손 떨림 보정, GPS 트래킹 등의 기능을 가지는 장치는?
42번
혼(Horn) 스피커의 본체에 표시하도록 KS에서 권고하고 있는 항목이 아닌 것은?
43번
미리 정해진 프로그램에 따라 제어량을 변화시키는 것을 목적으로 하는 제어는?
44번
음원으로부터 방사된 음파의 성질 중 옳지 않은 것은?
45번
지향성이 강하나 저음특성이 나빠 옥외 방송용의 중음 및 고음용, 메가폰용으로 주로 사용되는 스피커는?
46번
초음파 가공에서 사용되는 연마가루에 적합하지 못한 것은?
47번
고주파 가열에서 유도 가열은 어떤 원리에 의하여 발열시키는 방식인가?
48번
수상기에서 수직 편향 회로의 구성에 따른 동작순서로 옳은 것은?
49번
피드백 제어계의 특징으로 틀린 것은?
50번
자연광에서 얻을 수 있는 레이저광의 특징에 관한 설명 중 틀린 것은?
51번
DMB 방송 주파수를 이용해 자동차 내비게이션 단말기에 실시간 교통정보, 여행 정보 등을 보여주는 기술은?
52번
콤팩트 디스크(Compact Disc)에 대한 설명 중 옳은 것은?
53번
주파수 대역이 넓어 고음에서 저음까지 원음을 충실히 낼 수 있도록 하며 감도와 음색이 뛰어나지만 외부 충격과 진동, 습기 등 외부환경에 영향을 많이 받는 마이크로폰은?
54번
극수가 6극인 50Hz용 3상 유도전동기가 있다. 슬립이 4%일 때 이 전동기의 회전수는 몇 rpm인가?
55번
전수검사와 샘플링검사에 관한 설명으로 맞는 것은?
56번
직물, 금속, 유리 등의 일정 단위 중 나타나는 흠의 수, 핀홀 수 등 부적합수에 관한 관리도를 작성하려면 가장 적합한 관리도는?
57번
다음 데이터의 제곱합(sum of squares)은 약 얼마인가?

58번
Ralph M. Barnes 교수가 제시한 동작경제의 원칙 중 작업장 배치에 관한 원칙(Arrangement of the workplace)에 해당되지 않는 것은?
59번
국제 표준화의 의의를 지적한 설명 중 직접적인 효과로 보기 어려운 것은?
60번
어떤 회사의 매출액이 80000원, 고정비가 15000원, 변동비가 40000원일 때 손익분기점 매출액은 얼마인가?