전자기기기능장 (2014년07월20일 기출문제)
1과목 : 임의구분
1번
다음 그림에서 스위치 (SW)를 닫을 때의 충전전류 I(t) [A]는?

2번
스피커의 출력 음압 레벨을 측정하기 위해 사용되는 계측기가 아닌 것은?
3번
Color TV의 리모트 컴트롤에서 기능 제어용으로 가장 많이 사용되는 Signal은?
4번
이며,
일 때 V1과 V2의 위상차는?
이며,
일 때 V1과 V2의 위상차는?
5번
고주파 가열에서 유도 가열은 어떤 원리에 의하여 발영시키는 방식인가?
6번
신호 대 잡음비에 대한 설명 중 옳지 않은 것은?
7번
소리의 음압이 1[μbar]라고 하면, 음압의 레벨[dB]은?
8번
다음 중 되먹임 제어에서 꼭 있어야 할 장치는?
9번
다음 중 직류 전동기의 종류에 해당하지 않는 것은?
10번
VTR 헤드의 클리닝 방법으로 가장 옳지 않은 것은?
11번
테이프 속도의 변동에 의해서 생기는 재생신호 주파수의 동요를 무엇이라고 하는가?
12번
링 변조기는 무슨 변조기에 속하는가?
13번
다음 중 PLC에서 사용하는 프로그래밍 방식이 아닌 것은?
14번
전원회로에서 무부하시 출력단자 전압이 100[V]이고, 부하를 연결했을 때의 출력단자 전압이 80[V] 이었다. 전압변동률은 몇 [%] 인가?
15번
다음 중 고주파 유전가열을 응용한 분야가 아닌 것은?
16번
논리함수 F의 진리표 (truth table)가 다음 표와 같을 때 함수 F는?

17번
전구에 걸리는 전압이 10[%] 낮아진 경우 전구의 소비전력은 약 몇 [%]로 되는가?
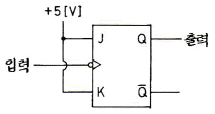
18번
JK 플립플롭에서 J=K=1이고, 클럭 펄스가 가해진 뒤의 출력 상태는? (단, 클럭 펄스가 가해지기 전의 상태를 Q라고 한다.)
19번
고주파 가열은 어느 것을 이용한 것인가?
20번
하나의 공통된 클록펄스에 의해 플립플롭들이 트리거되어 모든 플립플롭의 상태가 동시에 변화하는 계수회로의 명칭은?
2과목 : 임의구분
21번
다음 그림과 같은 쌍안정 멀티바이브레이터 회로에서 두 개의 콘덴서 Ck1과 Ck2의 사용 목적을 올바르게 설명한 것은?

22번
커패시터로 필터 하는 전파정류기의 부하저항을 작게 하면 리플 전압의 변화는 어떻게 되는가?
23번
f(t)=1의 라플라스 변환은?
24번
저주파 증폭기의 증폭도가 각각 100일 때 그림과 같이 직렬회로를 구성 하였다면 종합이득은 몇 [dB] 인가?

25번
다음은 SSB 변조기의 기본 구성이다. □ 안에 알맞은 것은?

26번
플레밍의 왼손 법칙에서 엄지손가락의 방향은?
27번
JK 플립플롭을 다음과 같이 결선하면 어떤 플립플롭의 동작이 되는가?

28번
입력 A, B가 서로 다른 경우에만 1의 출력을 갖는 게이트는?
29번
다음 10진수 → 2진수 → 1의 보수 → 2의 보수의 관계를 순서대로 나타낸 것으로 옳은 것은?
30번
다음 중 전자력에 관계되는 법칙은?
31번
자동제어 조절기에서 이루어지는 연산 중 제어동작 신호의 현재 값으로 제어함과 동시에 다음 순간에 어떠한 값으로 변할 것인지를 미리 예측하고 제어하는 방식은?
32번
다음 논리식의 성질 중 옳지 않은 것은?
33번
스펙트럼 확산 변조의 장점으로 옳지 않은 것은?
34번
바닷물 속에서 초음파의 속도는 15[℃]에서 1527[m/sec]이다. 초음파를 방사하여 0.2[sec]후에 반사파를 얻었다. 바닷물 속의 깊이는 약 몇 [m]인가?
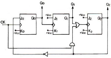
35번
다음은 몇 진 카운터인가?

36번
Audoi Amp의 가청 대역 20[Hz] 이하 초 저역을 Cut하는 filter 회로는?
37번
다음 중 마이크로폰에 들어오는 음압이 각 주파수에 걸쳐서 일정한 크기일 때 각 주파수에 대응한 출력 전압의 관계를 무엇이라고 하는가?
38번
PCM(펄스부호변조)과 관계가 없는 것은?
39번
자동제어에서 출력의 상태를 확인하여 목표치와 비교하여 수정하는 제어 방식은?
40번
다음 논리회로와 등가인 논리 게이트는?

3과목 : 임의구분
41번
de morgan 정리에 해당하는 것은?
42번
다음 중 정류 회로에서 직류 전압이 12[V] 이고, 리플 전압이 1.2[V] 이었다. 이 회로의 리플 함유율은?
43번
태양전지를 연속적으로 사용하기 위하여 필요한 장치는?
44번
다음 중 반도체 레이저에서 가장 많이 사용되는 결정은?
45번
부성저항 특성을 가진 소자로서 마이크로파의 발진이나 전자계산기의 고속스위칭 소자로 사용되는 것은?
46번
펠티어(Peltier)효과에 관한 설명 중 옳지 않은 것은?
47번
수정 발진기에 대한 설명으로 틀린 것은?
48번
이미터 접지 증폭기에서 이미터 저항 (Re)이 첨가되어도 거의 영향을 받지 않는 특성은?
49번
기억용량이 4Kbyte인 RAM에서 최소한 몇 개의 Address 선이 필요한가?
50번
다음 중 초음파 탐상이 주로 많이 사용되는 것은?
51번
중앙처리장치의 계속적인 통제를 받지 않고 데이터를 메모리에서 독자적으로 처리할 수 있는 것은?
52번
항공 착륙보조장치인 ILS(계기 착륙방식)를 구성하는 설비가 아닌 것은?
53번
다음 중 LIFO(Last-in, First-out) 구조는?
54번
2진수 1011011을 그레이코드로 변환한 것으로 옳은 것은?
55번
np관리도에서 시료군 마다 시료수 (n)는 100 이고, 시료군의 수 (k)는 20, Σnp= 77이다. 이때 np관리도의 관리상한선(UCL)을 구하면 약 얼마인가?
56번
그림의 OC곡선을 보고 가장 올바른 내용을 나타낸 것은?

57번
미국의 마틴 마리에타사(Martin Maruetta Corp.)에서 시작된 품질개선을 위한 동기부여 프로그램으로, 모든 작업자가 무결점을 목표로 설정하고, 처음부터 작업을 올바르게 수행함으로써 품질비용을 줄이기 위한 프로그램은 무엇인가?
58번
MTM(Method Time Measurement)법에서 사용되는 1 TMU(Time Measurement Unit)는 몇 시간인가?
59번
일정 통제를 할 때 1일당 그 작업을 단축하는데 소요되는 비용의 증가를 의미하는 것은?
60번
다음 중 단속생산 시스템과 비교한 연속생산 시스템의 특징으로 옳은 것은?