전자기기기능장 (2013년07월21일 기출문제)
1과목 : 임의구분
1번
다음 중 명령코드가 호출된 다음 명령해독기에 들어가기 전에 명령코드를 일시 저장해 놓는 레지스터는?
2번
역률이 0.001인 콘덴서 Q의 값은?
3번
비디오 테이프의 요구 특성으로 옳지 않은 것은?
4번
플레밍의 왼손법칙에서 왼손가락의 모지, 인지, 중지를 서로 직각이 되게 하였을 때 각 손가락의 방향은 무엇을 가리키는가?
5번
다음 중 디지털 정보를 저장하는 기억소자는?
6번
그림과 같은 선형 커패시턴스 C에 정현파 전압을 가할 때 정상 동작에 대한 설명으로 옳지 않은 것은?

7번
다음 중 전원회로에 무부하시 출력전압이 100[V]이고, 부하를 연결했을 때 출력전압이 80[V]이었다면 이때 전압변동률은 몇 [%]인가?
8번
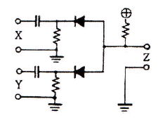
그림에서 입력신호 X와 Y가 어떤 조건일 때 출력 신호의 값이 1이 되는가?

9번
16진수 "(A6)16" 2진수로 변환하면?
10번
다음 중 스피커의 음향효율은?
11번
비디오테이프를 VCR에 넣고 재생하니 간헐적으로 화면이 상하로 떨리는 현상이 발생하였다. 다음 중 이런 현상의 원인으로 볼 수 있는 것은?
12번
그림은 공정제어의 구성도이다. 각부 ①, ②, ③, ④의 명칭이 옳은 것은?

13번
컴퓨터와 주변장치 사이에 데이터 전송을 수행할 때 입·출력의 준비나 완료를 나타내는 신호가 필요한 비동기식 입·출력 시스템에 널리 쓰이는 방식은?
14번
다음 중 fan-out이 가장 적은 논리회로는?
15번
그림과 같은 회로를 t=0에서 스위치 S를 닫을 때 5초 후의 전류는? (단, R=4[Ω], L=10[H]이다.)

16번
다음 중 목표값이 일정한 자동제어는?
17번
부하가 증가할 때 증폭기의 입력저항(Ri)이 감소하는 것은?
18번
의 전달함수를 미분 방정식으로 표시하면?
의 전달함수를 미분 방정식으로 표시하면?
19번
64Kbte를 액세스하려면 최소 몇 개의 어드레스 선이 필요한가?
20번
다음 파형이 오실로스코프로 측정되었을 때 위상차는?

2과목 : 임의구분
21번
강력한 초음파를 액체 속에 방사했을 때 일어나는 현상은?
22번
다음 회로에서 출력 Vo는? (단, R1=R2=R3=R)

23번
자동제어 조절계의 제어편차가 검출될 때 편차가 변화하는 속도에 비례하여 조작량을 가감하도 하는 동작은?
24번
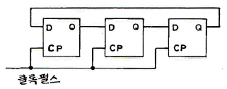
다음 논리회로를 간단히 하면?

25번
인터럽트에 대한 설명 중 옳지 않은 것은?
26번
CD(Compact Disc)에 사용한 변조 방식은?
27번
다음 회로의 전달함수는?

28번
다음 중 인덕턴스 L이 0.1[H], 정전용량 C가 0.1[μF]를 직렬 접속한 회로의 공진주파수는 약 몇 [Hz]인가?
29번
4[A]의 전류가 흐르는 경우 전력이 160[W]인 저항에 5[A]의 전류가 흐르면 전력은 몇 [W]인가?
30번
전가산기에 3가지 입력 A, B, Cn-1이 가해지면 합의 출력 Sn은?
31번
프로그램상의 명령문에 대한 모든 연산을 수행하는 장치가 아닌 것은?
32번
다음 논리회로를 무엇이라 하는가?

33번
다음 ( ) 안에 알맞은 것은?

34번
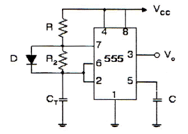
다음 555 타이머 회로의 출력에서는 방형파가 얻어진다. 이 방형파의 펄스폭을 일정하게 유지하면서 주파수를 높이려면 어떤 소자를 어떻게 조절해야 하는가?

35번
디지털 신호에서 표본화정리(샘플링주파수)로 원신호를 재생할 수 있는 식은? (단, fs는 샘플링주파수, f0는 원신호주파수이다.)
36번
JFET에서 IDSS = 4[mA], VP = -2.5[V], VGS = -0.5[V]인 경우 드레인 전류 ID는 약 몇 [mA]인가?
37번
자료의 주소, 주소를 구하는데 필요한 피연산자 또는 데이터를 주소부에 나타내는 것은?
38번
전기적으로 연결된 두 장치에서 데이터를 교환할 때 동기를 맞추기 위해 신호를 주고받는 것은?
39번
CPU의 시스템 버스 상에 여러 개의 입·출력 장치가 연결되어 있을 때 인터럽트가 가해지면 CPU는 입·출력 장치를 하나씩 순차적으로 점검하여 인터럽트를 요구한 입·출력 장치를 찾아내는 방법은?
40번
다음 중 직접 액세스 기억장치가 아닌 것은?
3과목 : 임의구분
41번
푸시풀 증폭기에서 교차 일그러짐(cross-over distortion)이 일어나기 쉬운 증폭기는?
42번
다음 중 재생용 EQ(Equalizer) 회로의 특성으로 옳은 것은?
43번
극수가 6극인 50[Hz]용 3상 유도전동기가 있다. 슬립이 4[%]일 때 이 전동기의 회전수는 몇 [rpm]인가?
44번
PPM파를 복조하여 신호파를 꺼내려면?
45번
차동증폭회로에서 차동전압이득이 10000이고 동상전압이득이 0.1일 때 공통성분제거비(CMRR) ?
46번
슈퍼헤테로다인 수신기에 고주파 증폭회로를 부가하면?
47번
N형 반도체를 만들기 위해 사용하는 불순물이 아닌 것은?
48번
다음 중 유전가열로 가열할 수 없는 것은?
49번
다음 중 컬러텔레비전 방송 방식이 아닌 것은?
50번
음원으로부터 방사된 음파의 성질의 작용 중 가장 옳지 않은 것은?
51번
반도체 레이저 재료로 주로 사용되는 것은?
52번
그림과 같이 △결선의 20[Ω]의 저항기를 30[Ω]으로 변경하여 Y결선으로 변환했을 때 Rc의 값은?

53번
다음 중 정보를 기록, 삭제할 때 LIFO 동작을 하는 것은?
54번
스피커의 구조에서 진동계에 속하지 않은 것은?
55번
작업방법 개선의 기본 4원칙을 표현한 것은?
56번
이항분포(Binomial distribution)의 특징에 대한 설명으로 옳은 것은?
57번
제품공정도를 작성할 때 사용되는 요소(명칭)가 아닌 것은?
58번
예방보전(Preventive Maintenance)의 효과가 아닌 것은?
59번
모집단으로부터 공간적, 시간적으로 간격을 일정하게 하여 샘플링하는 방식은?
60번
부적합수 관리도를 작성하기 위해 Σc=559, Σn=222를 구하였다. 시료의 크기가 부분군마다 일정하지 않기 때문에 u 관리도를 사용하기로 하였다. n=10일 경우 u 관리도의 UCL 값은 약 얼마인가?