전자기기기능장 (2014년04월06일 기출문제)
1과목 : 임의구분
1번
다음 중 지구 주위의 궤도를 선회하는 인공위성을 이용하여 마이크로웨이브 통신의 중계 역할을 하며 전화 및 TV방송 신호 등의 통신에 사용되는 방식을 무엇이라 하는가?
2번
어떤 회로의 피상전력이 20[kVA], 유효전력이 12[kW]일 때 이 회로의 무효율은?
3번
다음 논리식을 만족하는 논리회로는?

4번
다음 그림과 같은 회로에서 AB 단자에 v=Vm sinωt[V]를 공급했을 때, AC 양단의 전압은?

5번
어떤 전력증폭기의 직류공급 전압이 10[V], 400[mA]일 때 부하에서 출력전력이 2.8[W]이었다면 증폭기의 효율은 몇 [%]인가?
6번
CAD에서 도면을 작성할 때 3가지 도면으로 구분한다. 다음 중 3가지 도면에 속하지 않는 것은?
7번
정(正) 논리 AND 게이트와 등가인 부(負) 논리 게이트는?
8번
다음 주소 지정 방식 중 속도(speed) 문제로 볼때 가장 빠른 것은?
9번
일정 진폭 및 위상을 상호 변환하여 신호를 싣는 변조 방식은?
10번
펄스의 상승부분에서 진동의 정도를 말하며 높은 주파수 성분에 공진하기 때문에 생기는 것은?
11번
가청주파수 대역을 20[Hz]-20[kHz]라고 할 때 아날로그 신호를 디지털로 변환하기 위한 최저 표본화 주파수는 몇 [kHz]인가?
12번
R-L-C 공진 회로에 대한 설명 중 옳은 것은?
13번
다음 그림과 같은 회로의 전달함수는?

14번
다음 중 무선수신기에서 발생하는 잡음이 외부 잡음인지 내부 잡음인지 판정하는 방법으로 가장 적합한 것은?
15번
고주파 자계 중에 놓인 도체에 생기는 와전류손(渦電流損)에 의한 발열 방식은?
16번
인터럽트 처리에서 I/O 장치들의 우선순위를 지정하는 이유는?
17번
T-Flip Flop의 명칭에 대한 설명으로 옳은 것은?
18번
가동코일형 다이내믹 마이크로폰의 구성요소가 아닌 것은?
19번
생체전기신호 계측에 관한 사항에 대하여 서로 짝이 잘못 이루어진 것은?
20번
테이프 리코더에서 평탄한 주파수 특성을 얻기 위해 녹음시 EQ 회로에서 보상하는 주파수는?
2과목 : 임의구분
21번
입ㆍ출력 제어 방식에 관한 설명 중 옳지 않은 것은?
22번
다음 그림과 같은 유도결합 회로를 T형 등가 회로로 바꾸면 어느 회로로 되는가?

23번
인가 전압에 따라 용량이 변화하는 성질을 갖는 반도체는?
24번
초음파 가공에서 사용되는 연마가루에 적합하지 못한 것은?
25번
잡음지수 8[dB]이고, 이득 10[dB]인 증폭기에 잡음지수 11[dB], 이득 10[dB]인 증폭기를 직렬로 했을 때의 종합잡음지수는?
26번
전송제어 절차 5단계에서 전용회선을 사용할 경우 생략되는 것은?
27번
다음 중 결정 고체 레이저에 속하는 것은?
28번
다음 계기 중 주파수를 측정할 수 없는 것은?
29번
다음 스피커 중 능률이 높고 지향성 및 방사특성이 우수한 것은?
30번
입력 전압이 기준 레벨 이상에 달하면 출력 전압이 일정한 값으로 유지되는 회로는?
31번
전동기를 미리 정하여진 시간적 배열에 따라 운전하는 경우는(예를 들면 엘리베이터의 속도제어) 어떤 제어인가?
32번
자동제어에서 인디셜 응답을 조사할 때 입력에 어떤 파형을 가하는가?
33번
다음 중 정현파의 파형률은?
34번
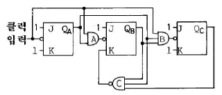
다음 회로는 몇 진 카운터인가?

35번
다음은 무슨 회로인가? (단, CR 시정수가 입력 펄스폭보다 작다.)

36번
제어용 증폭기의 필요 특성으로 적합하지 않은 것은?
37번
어떤 명령이 실행되기 위해서 가장 먼저 이루어지는 마이크로 오퍼레이션은?
38번
어떤 회로에서 신호파의 최고주파수가 4[kHz]일 때 PCM 변조방식에서 샘플링주기는?
39번
신호파의 진폭을 양자화하고, 양자화된 숫자를 2진법으로 표시하여 2진 부호에 따른 펄스를 발사하는 변조 방식은?
40번
프로토콜의 구성 요소에 속하지 않는 것은?
3과목 : 임의구분
41번
저항 30[Ω]과 유도리액턴스 40[Ω]을 병렬로 접속하고, 120[V]의 교류 전압을 가할 때 전 전류는 몇 [A]인가?
42번
AM 수신기의 감도를 높이기 위하여 고주파 증폭을 크게하면 발진이 일어난다. 발진을 방지하기 위한 방법은?
43번
최근에 활용되고 있는 CDP(컴팩트 디스크 플레이어)에서는 아날로그 신호를 디지털 신호로 변환하기 위해 PCM 방식을 적용하는데 아날로그 신호를 디지털 신호로 변환하는 PCM의 과정을 순서대로 나열한 것은?
44번
10진수 (28)10을 8자리(Bit)의 2진수로 변환하되 2의 보수법으로 표시하면?
45번
전원공급 전압이 +40[V], 부하저항 8[Ω]일 때 이상적인 A급 SEPP 파워 앰프의 출력은?
46번
마이크로컴퓨터에서 정보를 전송하는 선(線)은?
47번
대칭 4단자망에서 영상 임피던스는?
48번
다음과 같은 회로에서 계전기의 동작전류가 10[mA]일 때 t=0에서 스위치를 닫은 후 대략 몇 초 후에 계전기가 동작하겠는가? (단, log 2=0.301, log 3=0.477, log 5=0.699, log e=0.43이다.)

49번
다음 논리식을 간략화 하면?

50번
입ㆍ출력장치와 주기억장치를 연결하는 중개 역할을 하는 것은?
51번
특성 방정식이 s4+2s3+s2+4s+2=0으로 주어지는 계를 훌비쯔 방법으로 안정도를 판별하면?
52번
다음 중 진동 억제 시에 가장 효과적인 제어 동작은?
53번
프로그래머에서 주기억 장치의 실제 용량보다 훨씬 더 큰 기억공간을 제공하고 운영체제에 의하여 관리되는 기억장치 시스템은?
54번
전원과 부하가 모두 △결선된 평형 회로에서 선간 전압이 400[V], 부하 1상의 임피던스가 4+j3[Ω]인 경우 선전류는?
55번
다음 중 두 관리도가 모두 포아송 분포를 따르는 것은?
56번
다음 [표]를 참조하여 5개월 단순이동평균법으로 7월의 수요를 예측하면 몇 개인가?

57번
다음 중 반즈(Ralph M. Barnes)가 제시한 동작경제원칙에 해당되지 않는 것은?
58번
근래 인간공학이 여러 분야에서 크게 기여하고 있다. 다음 중 어느 단계에서 인간공학적 지식이 고려됨으로서 기업에 가장 큰 이익을 줄 수 있는가?
59번
도수분포표에서 도수가 최대인 계급의 대푯값을 정확히 표현한 통계량은?
60번
전수검사와 샘플링검사에 관한 설명으로 가장 올바른 것은?