2011년08월21일 1번
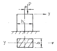
[재료역학] 그림에서 P가 1200 N, b = 3cm, h = 4cm, e =1cm라 할 때 최대 압축응력은 몇 N/cm2인가?

- ① 250
- ② 200
- ③ 150
- ④ 100
(정답률: 50%)
문제 해설
최대 압축응력은 다음과 같이 구할 수 있다.
σ = P/A
여기서 A는 단면적이고, 직사각형 단면의 경우 A = bh이다. 따라서,
A = b(h-2e) = 3(4-2×1) = 6cm²
따라서,
σ = P/A = 1200/6 = 200 N/cm²
따라서 정답은 "200"이다.
σ = P/A
여기서 A는 단면적이고, 직사각형 단면의 경우 A = bh이다. 따라서,
A = b(h-2e) = 3(4-2×1) = 6cm²
따라서,
σ = P/A = 1200/6 = 200 N/cm²
따라서 정답은 "200"이다.
이전 문제
다음 문제
연도별
- 2021년08월14일
- 2021년05월15일
- 2021년03월07일
- 2020년08월22일
- 2020년06월06일
- 2019년08월04일
- 2019년03월03일
- 2018년08월19일
- 2018년04월28일
- 2018년03월04일
- 2017년08월26일
- 2017년05월07일
- 2016년08월21일
- 2016년03월06일
- 2015년05월31일
- 2012년05월20일
- 2012년03월04일
- 2011년08월21일
- 2011년06월12일
- 2011년03월20일
- 2010년07월25일
- 2010년05월09일
- 2010년03월07일
- 2007년05월13일
- 2007년03월04일
- 2006년05월14일
- 2006년03월05일
- 2005년08월07일
- 2005년05월29일
- 2004년08월08일
- 2004년05월23일
- 2004년03월07일
- 2003년08월10일
- 2003년05월25일
- 2003년03월16일
진행 상황
0 오답
0 정답