전자계산기기사 (2017년03월05일 기출문제)
1과목 : 시스템 프로그래밍
1번
컴퓨터가 직접 이해할 수 있는 2진수로만 이루어진 언어를 의미하는 것은?
2번
작성된 표현식이 BNF의 정의에 의해 바르게 작성 되었는지를 확인하기 위해 만들어진 것은?
3번
IBM 메인프레임 O/S에 사용되는 스크립트 언어로, 일괄 처리 작업을 수행하거나 하부 시스템을 시작하는 방법을 시스템에 지시하는 역할을 하는 것은?
4번
어셈블러를 두 개의 패스로 구성하는 주된 이유는?
5번
매크로의 처리 순서 중 괄호 안 내용으로 옳은 것은?

6번
시스템 소프트웨어로 볼 수 없는 것은?
7번
다음과 같은 프로세스들이 차례로 준비상태 큐에 들어왔을 경우 SJF 스케줄링 기법을 이용하여 제출시간이 없는 경우의 평균 실행시간은?

8번
어셈블리언어에 대한 설명으로 가장 옳지 않은 것은?
9번
매크로와 관련된 설명 중 가장 옳지 않은 것은?
10번
로더(loader)의 기능에 해당하지 않는 것은?
11번
멀티프로세서 시스템에 관한 설명으로 가장 관계가 없는 것은?
12번
프로그래밍 언어에 대한 설명으로 틀린 것은?
13번
원시 프로그램을 컴파일러가 수행되고 있는 컴퓨터의 기계어로 번역하는 것이 아니라, 다른 기종에 맞는 기계어로 번역하는 것은?
14번
일반적인 로더에 가장 가까운 것은?
15번
2패스 어셈블러에서 패스1과 가장 관련이 없는 것은?
16번
매크로 프로세서가 기본적으로 수행해야 할 작업의 종류가 아닌 것은?
17번
링킹에 대한 설명으로 가장 적합한 것은?
18번
주기억장치에 적재되어 있는 페이지들 중에서 어느 페이지를 교체할 것인가를 결정하는 교체 기법 중 가변 할당 기반의 교체 기법이 아닌 것은?
19번
페이지 교체 기법 중 가장 오래 동안 사용되지 않은 페이지를 교체할 페이지로 선택하는 기법은?
20번
운영체제의 성능 평가 기준으로 거리가 먼 것은?
2과목 : 전자계산기구조
21번
다음 마이크로 연산에 대한 설명으로 옳은 것은?

22번
캐시(cache) 액세스 시간이 11sec, 주기억장치 액세스 시간이 20sec, 캐시 적중률이 90%일 때 기억장치 평균 액세스 시간을 구하면?
23번
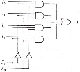
다음 회로의 출력 Y 값은?

24번
1워드당 32비트인 컴퓨터 명령어 시스템에서 OPCODE가 8비트, 주소모드가 1비트인 경우에 이 컴퓨터가 가질 수 있는 레지스터의 최대 수는?(단, 기억장소의 크기는 1 메가바이트 이다.)
25번
다음 기억장치 중 CAM(Content Addressable Memory)이라고 하는 것은?
26번
다음 내용은 LOAD 기능을 수행하는 마이크로 오퍼레이션이다. 이 가운데 어떤 명령어든지 수행되기 위해서는 반드시 거쳐야 하는 단계끼리 나열한 것은?(단, Rs1, Rd, S2 : 레지스터 주소)

27번
1개의 Full adder를 구성하기 위해서는 최소 몇 개의 Half adder가 필요한가?
28번
기억장치의 용량을 나타내는 단위로 틀린 것은?
29번
다음 기억장치와 관련된 설명 중 틀린 것은?
30번
우선순위 중재 방식 중 중재동작이 끝날 때마다 모든 마스터들의 우선순위가 한 단계씩 낮아지고, 가장 우선순위가 낮았던 마스터가 최상위 우선순위를 가지는 방식을 무엇이라 하는가?
31번
레코드의 삽입(Insertion)이나 삭제(Deletion)가 빈번할 때 가장 적합한 데이터 구조는?
32번
회로의 논리함수가 다수결 함수(Majority Function)를 포함하고 있는 것은?
33번
10진수 (18-72)의 연산결과를 BCD 코드로 올바르게 나타낸 것은?(단, 보수는 9의 보수체계를 사용한다.)
34번
기억장치에 대한 설명 중 옳지 않은 것은?
35번
입ㆍ출력 제어 방식에서 다음의 방식은 무엇인가?

36번
RISC(reduced instruction set computer)의 특징에 대한 설명 중 옳지 않은 것은?
37번
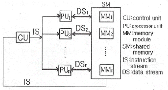
다음은 어떤 종류의 병렬 컴퓨터 구조를 나타낸 것인가?

38번
논리식
를 간소화한 식으로 옳은 것은?
를 간소화한 식으로 옳은 것은?
39번
캐시기억장치에 대한 설명으로 가장 옳은 것은?
40번
기억장치에 대해 접근을 시작하고 종료한 후에, 다시 해당 기억장치를 접근할 때까지의 소요시간은?
3과목 : 마이크로전자계산기
41번
마이크로프로세서(micro processor) 어셈블리 프로그램의 ORG 명령이 사용될 수 없는 것은?
42번
절대주소와 상대주소에 대한 설명으로 옳지 않은 것은?
43번
다음 중 제어 프로그램에 속하는 것은?
44번
주소 지정방식 중에서 기억장치를 가장 많이 액세스해야 하는 방식은?
45번
주루틴(main routine)의 호출명령에 의하여 명령 실행 제어만이 넘겨져서 고유의 루틴처리를 행하도록 하는 것은?
46번
입력된 아날로그 신호의 레벨을 미리 지정된 기준 레벨과 비교하고, 양자화 된 레벨을 식별하여 그 값을 디지털 신호로 출력하는 장치는?
47번
다음 중 가장 많은 양의 자료를 일정 시간에 입ㆍ출력할 수 있는 방식은?
48번
다음 중 UART가 수행할 수 있는 동작이 아닌 것은?
49번
DMA 제어장치가 꼭 갖추어야 할 필수 레지스터가 아닌 것은?
50번
주어진 논리 기능을 수행하도록 프로그램 가능한 논리 게이트들을 가진 SPLD를 근간으로 하고 있으며, 전기적 소거 및 프로그램 가능 읽기 전용 기억장치(EEPROM) 등에 사용하는 것은?
51번
주기억장치에 기억된 프로그램의 명령을 해독하여 그 명령 신호를 각 장치에 보내 명령을 처리하도록 지시하는 것은?
52번
마이크로컴퓨터에서 자주 이용되는 표준화된 버스 중 성격이 다른 것은?
53번
기억장치 대역폭(bandwidth)에 대한 설명 중 틀린 것은?
54번
입력과 출력의 독립 제어점을 갖는 8비트로 구성된 5개의 레지스터에 상호 병렬 데이터 전송이 가능하기 위한 데이터 선의 수는?
55번
제어 메모리에서 번지를 결정하는 방법과 관련이 없는 것은?
56번
고정배선제어에 비해 마이크로프로그램을 이용한 제어 방식이 가지는 장점이 아닌 것은?
57번
인터럽트 반응시간(interrupt response time)에 대한 설명으로 가장 옳은 것은?
58번
병렬 입출력 인터페이스(interface)의 특징으로 옳은 것은?
59번
기억 장치 중 데이터의 내용으로 병렬 탐색에 가장 적합한 것은?
60번
TTL 출력 종류 중 논리값이 0도 아니고 1도 아닌, 고임피던스 상태를 가지며, 특히 bus 구조에 적합한 것은?
4과목 : 논리회로
61번
10[MHz] 클럭의 클럭사이클 타임[㎲]은?
62번
다음 제시된 조건에 따라 간략화한 f의 값은?

63번
10진수 59를 BCD코드로 변환한 결과로 옳은 것은?
64번
조합논리회로가 아닌 것은?
65번
BCD 가산기의 덧셈과정에 관한 설명으로 옳지 않은 것은?
66번
플립플롭의 동작 특성 중 클록펄스가 상승에지 변이 이후에도 입력값이 변해서는 안 되는 일정한 시간을 의미하는 것은?
67번
10진수 298의 9의 보수(9‘s complement)를 구한 것으로 옳은 것은?
68번
입력 트리거 신호가 가해질 때마다 일정한 폭을 갖는 구형파 펄스를 발생시키는 회로는?
69번
기억 용량이 4KB(4096 word x 8 bit)인 SRAM에 필요한 최소 외부 핀 수는?(단, SRAM은 입ㆍ출력 공통형이다.)
70번
다음의 카운터 회로는 몇 진 카운터인가?

71번
다음 회로의 기능에 따른 명칭은?

72번
오류(Error) 검출 방식으로 거리가 먼 것은?
73번
2진수 (11000110)을 Gray code 로 변환하면?
74번
2진수를 그레이 코드로 변환하는 회로에 들어가는 논리 게이트 명칭은?
75번
순서논리회로의 동작 특성을 가장 올바르게 설명한 것은?
76번
다음 회로의 출력 Y가 수행하는 논리 동작은?(단, 정논리로 가정한다.)

77번
가산과 감산의 기능을 갖는 연산회로를 설계하기 위해 꼭 필요한 게이트는?
78번
JK 플립플롭에서 Jn = Kn = 1 일 때 Qn-1의 출력상태는?
79번
다음 회로를 NAND 게이트만을 사용하여 구성하면?

80번
다음 회로가 나타내는 것은?

5과목 : 데이터통신
81번
IPv4에서 IPv6로의 천이 전략 중 캡슐화 및 역캡슐화를 사용하는 것은?
82번
HDLC의 프레임(Frame)의 구조가 순서대로 올바르게 나열된 것은?(단, A: Address, F: Flag, C: Control, D: Data, S: Frame Check Sequence)
83번
연속적인 신호파형에서 최고주파수가 W(Hz)일 때 나이키스트 표본화 주기(T)는?
84번
전진에러수정(FEC) 코드에 대한 설명으로 틀린 것은?
85번
회선교환 방식에 대한 설명으로 틀린 것은?
86번
호스트의 물리 주소를 통하여 논리 주소인 IP 주소를 얻어오기 위해 사용되는 프로토콜은?
87번
패킷 교환 방식에 대한 설명으로 틀린 것은?
88번
X.25 프로토콜을 구성하는 계층에 해당하지 않는 것은?
89번
인터넷 망(IP Network)과 유선 전화망(PSTN)간을 상호 연동시키는데 사용되는 시그널링 프로토콜은?
90번
프로토콜의 기본적인 요소로 볼 수 없는 것은?
91번
다중접속방식 중 CDMA 방식에 대한 특징으로 틀린 것은?
92번
패킷화 기능이 없는 일반형 터미널에 접속하여 패킷의 조립과 분해 기능을 대신해 주는 장치는?
93번
8진 PSK 변조방식에서 변조속도가 2400(baud)일 때 정보 신호의 속도는 몇 (bits/s)인가?
94번
Hamming코드에서 총 전송비트수가 17비트 일 때, 해밍 비트수와 순수한 정보 비트수는?
95번
QPSK 변조방식의 대역폭 효율은 몇 [bps/Hz]인가?
96번
IP계층의 프로토콜에 해당되지 않는 것은?
97번
OSI 7계층에서 단말기 사이에 오류 수정과 흐름제어를 수행하여 신뢰성 있고 명확한 데이터를 전달하는 계층은?
98번
192.168.1.0/24 네트워크를 FLSM 방식을 이용하여 6개의 subnet으로 나누고 ip subnet-zero를 적용했다. 이 때 subnetting된 네트워크 중 5번째 네트워크의 2번째 사용 가능한 IP주소는?
99번
아날로그 데이터를 아날로그 신호로 변환하는 변조방식이 아닌 것은?
100번
광대역통합네트워크에서 VoIP 서비스를 제공하기 위한 프로토콜이 아닌 것은?