전자계산기기사 (2016년03월06일 기출문제)
1과목 : 시스템 프로그래밍
1번
어떤 내용에 -1을 곱하여 2의 보수로 만들때가 있다. 레지스터에 기억된 내용을 2의 보수로 바꾸어 주는 어셈블리 명령은?
2번
프로그램 실행을 위하여 메모리 내에 기억 공간을 확보하는 작업은?
3번
어셈블리어에 대한 설명으로 옳지 않은 것은?
4번
어셈블리어에서 라이브러리에 기억된 내용을 프로시저로 정의하여 서브루틴으로 사용하는 것과 같이 사용할 수 있도록 그 내용을 현재의 프로그램 내에 포함시켜주는 명령은?
5번
어셈블리에서 어떤 기호적 이름에 상수 값을 할당하는 명령어는?
6번
어셈블러가 Source Program을 Object Program으로 번역할 때 현재의 Operand에 있는 값을 다음 명령어의 번지로 할당하는 명령은?
7번
어셈블러를 이중 패스(Two Pass)로 구성하는 주된 이유는?
8번
프로그램의 소스 코드가 실제 수행되기까지의 순서로 옳은 것은?
9번
운영체제의 운용 기법 중 여러 명의 사용자가 사용하는 시스템에서 컴퓨터가 사용자들의 프로그램을 번갈아 가며 처리해 줌으로써 각 사용자에게 독립된 컴퓨터를 사용하는 느낌을 주는 기법은?
10번
매크로프로세서(Macro Processor)의 기본 수행 작업에 해당하지 않는 것은?
11번
시스템의 기술적 성능 평가 기준이 아닌 것은?
12번
원시 프로그램을 하나의 긴 스트링으로 보고 원시 프로그램을 문자 단위로 스캐닝 하여 문법적으로 의미 있는 그룹들로 분할하는 과정은?
13번
HRN 스케줄링 기법의 우선순위 계산식은?
14번
기계어에 대한 설명으로 옳지 않은 것은?
15번
동일하게 반복되는 명령어들의 집합을 필요할 때마다 기술하려면 프로그램의 길이가 길어지므로, 명령어들을 한번만 기술해 놓고 이름을 지정해서, 명령어들의 집합이 필요할 때 이름만 지정해 주면프로그램의 길이를 줄일 수 있다. 이러한 명령어를 무엇이라고 하는가?
16번
프로그램 내에서 양쪽 오퍼랜드에 기억된 내용을 서로 바꾸어야 할 때 사용하는 어셈블리어 명령은?
17번
프로그래밍 언어에서 어떤 표현이 BNF에 의해 바르게 작성되었는지 확인하기 위해 만드는 트리는?
18번
시스템 소프트웨어에 대한 설명으로 틀린 것은?
19번
매크로의 기능이 추가된 프로그램의 실행 과정에서 매크로프로세서가 필요한 시점은?
20번
주기억장치의 배치 전략 중 입력된 작업을 가장 큰 공백을 배치하는 전략은?
2과목 : 전자계산기구조
21번
Biquinary Code에 대한 설명으로 옳지 않은 것은?
22번
인터럽트 벡터에 필수적인 것은?
23번
반감산기에서 차를 얻기 위하여 사용하는 게이트는 EX-OR이다. 이 EX-OR와 같은 기능을 수행하기 위하여 필요한 게이트를 조합할 때, 필요한 게이트와 개수는?
24번
채널 명령어의 구성 요소가 아닌 것은?
25번
CPU가 데이터를 메모리에 저장하는 방법에서 다음 그림과 일치하는 기법은?

26번
현재 번지를 기준으로 이동한 변위로 표시되는 주소지정방식은?
27번
어떤 데이터를 8-비트로 표시하고 짝수 패리티(even parity) 비트를 첨가할 때 옳지 않은 것은?
28번
고속의 입ㆍ출력 장치에 사용되는 데이터 전송 방식은?
29번
입력단자가 하나이며 1이 입력될 때마다 출력단자의 상태가 바뀌는 플립플롭의 종류는?
30번
직렬 전송을 하는 컴퓨터가 32bit의 레지스터와 1MHz 클럭을 가질 대 이 컴퓨터의 비트시간(bit time)과 워드 시간(word time)은? (단, 단위는 초(s)이다.)
31번
명령어의 구성 형태 중 하나의 오퍼랜드만 포함하고 다른 오퍼랜드나 결과 값은 누산기에 저장되는 명령어 형식은?
32번
스택의 구조가 다음 그림과 같을 때 ″POP A″ 명령을 수행한 후 스택포인터 및 A 레지스터의 값은?

33번
RISC방식 컴퓨터의 특징으로 옳은 것은?
34번
기억장치의 구조가 stack 구조를 가질 때 가장 밀접한 관계가 있는 명령어는?
35번
페이징(paging) 기법과 관계가 있는 것은?
36번
서로 다른 17개의 정보가 있을 때 이 중에서 하나를 선택하려면 최소 몇 개의 비트가 필요한가?
37번
좌측 입력 레지스터에 D2E2가 입력되어 있다. 출력 레지스터의 내용이 00E2가 되도록 하려면 우측 입력 레지스터의 내용을 어떻게 하면 되는가?

38번
기억장치 중 기억된 자료가 일정시간이 경과하면 소멸되는 장치는? (단, 별도의 보관 방법을 사용하지 않음)
39번
사이클 타임이 750ns인 기억장치에서는 이론적으로 초당 몇 개의 데이터를 불러 낼 수 있는가?(오류 신고가 접수된 문제입니다. 반드시 정답과 해설을 확인하시기 바랍니다.)
40번
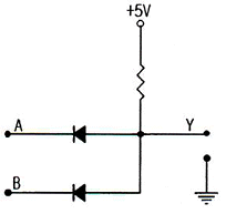
다음 스위칭 회로의 논리식으로 옳은 것은?

3과목 : 마이크로전자계산기
41번
입출력장치와 비동기식 제어방식에서 가장 많이 사용되는 방식은
42번
입출력 인터페이스(I/O interface) 구성에 꼭 필요한 부분이라고 볼 수 없는 것은?
43번
DMA(Direct Memory Access) 방식에 대한 설명중 올바른 것은?
44번
스택에 관한 설명으로 틀린 것은?
45번
우선순위 인터럽트 체제에서 인트럽트 취급루틴(interrupt processing routine)을 수행하고 있을 때 DMA 요청이 있다면 컴퓨터는 어떤 처리를 하는가?
46번
캐시 메모리에 대한 설명 중 틀린 것은?
47번
동기형 계수기로 사용할 수 없는 것은?
48번
비동기식(Asynchronous) 직렬(Serial) 입출력 인터페이스를 올바르게 설명한 것은?
49번
병렬 입ㆍ출력 인터페이스에서 데이터가 입ㆍ출력되었음을 알 수 있는 제어에 필요한 신호는 어느 것인가?
50번
어느 프로그램 중 0123번지에서 CALL A 명령이 있다. 이 CALL A를 수행한 수 stack에 기억된 값은?

51번
마이크로컴퓨터시스템을 개발하는데 사용하는 디버거로 intel사의 등록 상표인 것은?
52번
펌웨어(firmware) 메모리에 대한 설명 중 틀린 것은?
53번
입ㆍ출력 포트의 선택 장소가 메모리 셀 장소와 동일하며 같은 제어선을 갖는 디코더로서 메모리 또는 입ㆍ출력 포트를 선택하는 방식은?
54번
인터럽트(Interrupt)가 발생했을 경우 이를 처리하기 전에 그 내용을 기억시킬 필요가 없는 것은?
55번
주소 선(Address line)이 16개인 CPU의 직접 엑세스가 가능한 메모리 공간은 몇 Kbyte인가?
56번
범용 직렬 통신 장치인 8251에 대한 설명으로 틀린 것은?
57번
그림과 같은 방식으로 디스플레이에 문자를 표시하기 위해 사용하는 ROM의 역할은?

58번
인터럽트 요구 신호는 마이크로컴퓨터의 어는 부분과 관련이 있는가?
59번
함수연산 인스트럭션을 나타낸 것은?
60번
마이크로컴퓨터 시스템과 외부회로 사이의 데이터 전달 입출력(I/O) 방식이 아닌 것은?
4과목 : 논리회로
61번
다음 논리회로의 명칭은?

62번
다음 회로에 관한 설명으로 옳은 것은?

63번
다음 회로와 같은 결과를 얻을 수 있는 게이트(gate)는 어느 것인가?

64번
다음은 어떤 플립플롭에 적용되는 여기표(excitation table)인가?

65번
7-segment 표시기로 사용되는 것은?
66번
다음 16진수 곱셈의 결과는?

67번
다음 회로에서 출력 C에 대한 논리식으로 옳은 것은?

68번
다음 논리식을 최대항으로 나타낸 것은?

69번
다음과 같은 상태도를 갖는 카운터를 설계하려고 한다. 클럭에 동기화된 세 개의 T플립플롭 A, B, C를 이용할 때 T플립플롭 A의 입력 TA로 옳은 것은?

70번
10진수 6을 excess-3 코드로 변환한 결과가 옳은 것은?
71번
다음 중 순서논리회로의 필수 설계 구성요소가 아닌 것은?
72번
다음 중 Parity check에 의해 에러(error)를 검출하고, 이를 다시 교정할 수 있는 코드는?
73번
A1, B1은 첫 번째 A와 B의 입력 값이고, A2, B2는 두 번째 A와 B의 입력 값일 경우 (A1,A2)=>(A2,B2) 형식으로 표현한다. A+B를 계산하는 4 bit ripple carry adder의 carry out의 최대 지연시간을 측정하기 위해서는 입력 패턴을 어떻게 주어야 하는가?
74번
다음 중 논리 버퍼(buffer)의 기능으로 옳은 것은?
75번
다음 중 전하가 방전되면 기억된 정보를 읽어버리게 되므로 일정한 주기마다 계속해서 재충전해야 하는 소자는?
76번
다음은 16진수 뺄셈이다. □안의 값은?

77번
직렬 또는 병렬방식 레지스터 전송에 대한 설명으로 옳지 않은 것은?
78번
일반적으로 Gate당 전력소모[mW]가 가장 많은 소자는?
79번
다음 논리함수식 A(A+B+C+D)를 간략화 하면?
80번
다음 불대수의 논리식으로 틀린 것은?
5과목 : 데이터통신
81번
양자화 스텝수가 5비트이면 양자화 계단수는?
82번
전송제어 프로토콜 중 문자방식 프로토콜에서 전송끝 및 데이터링크 초기화 부호는?
83번
블루투스(Bluetooth)의 프로토콜 스택에서 물리 계층을 규정하는 것은?
84번
사용 대역폭이 4kHz이고 16진 PSK를 사용한 경우 데이터 신호속도(kbps)는?
85번
HDLC의 ABM(Asynchronous Balanced Mode) 동작모드의 부분집합으로 X.25의 링크 계층에서 사용되는 프로토콜은?
86번
10.0.0.0 네트워크 전체에서 마스크 값으로 255.240.0.0를 사용할 경우 유효한 서브네트 ID는?
87번
IEEE 802.5는 무엇에 대한 표준인가?
88번
프로토콜의 기본 구성 요소가 아닌 것은?
89번
전송하려는 부호어들의 최소 해밍 거리가 7일 때, 수신시 정정할 수 있는 최대 오류의 수는?
90번
HDLC 프레임 구성에서 프레임 검사 시퀀스(FCS) 영역의 기능으로 옳은 것은?
91번
주파수 분할 다중화기(FDM)에서 부채널 간의 상호 간섭을 방지하기 위한 것은?
92번
HDLC(High-level Data Link Control) 프레임 형식으로 옳은 것은?
93번
OSI 7계층에서 네트워크 논리적 어드레싱과 라우팅 기능을 수행하는 계층은?
94번
하나의 정보를 여러 개의 반송파로 분할하고, 분할된 반송파 사이의 주파수 간격을 최소화하기 위해 직교 다중화해서 전송하는 통신방식으로, 와이브로 및 디지털 멀티미디어 방송 등에 사용되는 기술은?
95번
채널 대역폭이 150[kHz]이고 S/N비가 15일 때 채널용량[kbps]은?
96번
1000BaseT 규격에 대한 설명으로 틀린 것은?
97번
데이터 변조속도가 3600[baud]이고 쿼드비트(Quad bit)를 사용하는 경우 전송속도(bps)는?
98번
원천부호화(source coding) 방식에 속하지 않는 것은?
99번
2 out of 5 부호를 이용하여 에러를 검출하는 방식은?
100번
디지털 통신망을 구성하는 디지털 교환기 사이에 클록 주파수의 차이가 생기면 데이터의 손실이 발생할 수 있는데 이를 무엇이라 하는가?